LEMON Manuals: Even more car manuals for everyone: 1960-2025
Home >> Cadillac >> 2002 >> Escalade EXT >> Repair and Diagnosis >> External Pages >> Different car >> Section 188 (Engine Controls - Basic Diagnostic Procedures) >> Ignition Systems >> Electronic Ignition System >> Notes
April 5, 2026: LEMON Manuals is launched! Read the announcement.

Electronic Ignition System: Notes

WARNING: This page is about a different car, the 2003 Pontiac Aztek and 2003 Buick Rendezvous. However, it is still accessible from the selected car via links, so may be relevant.
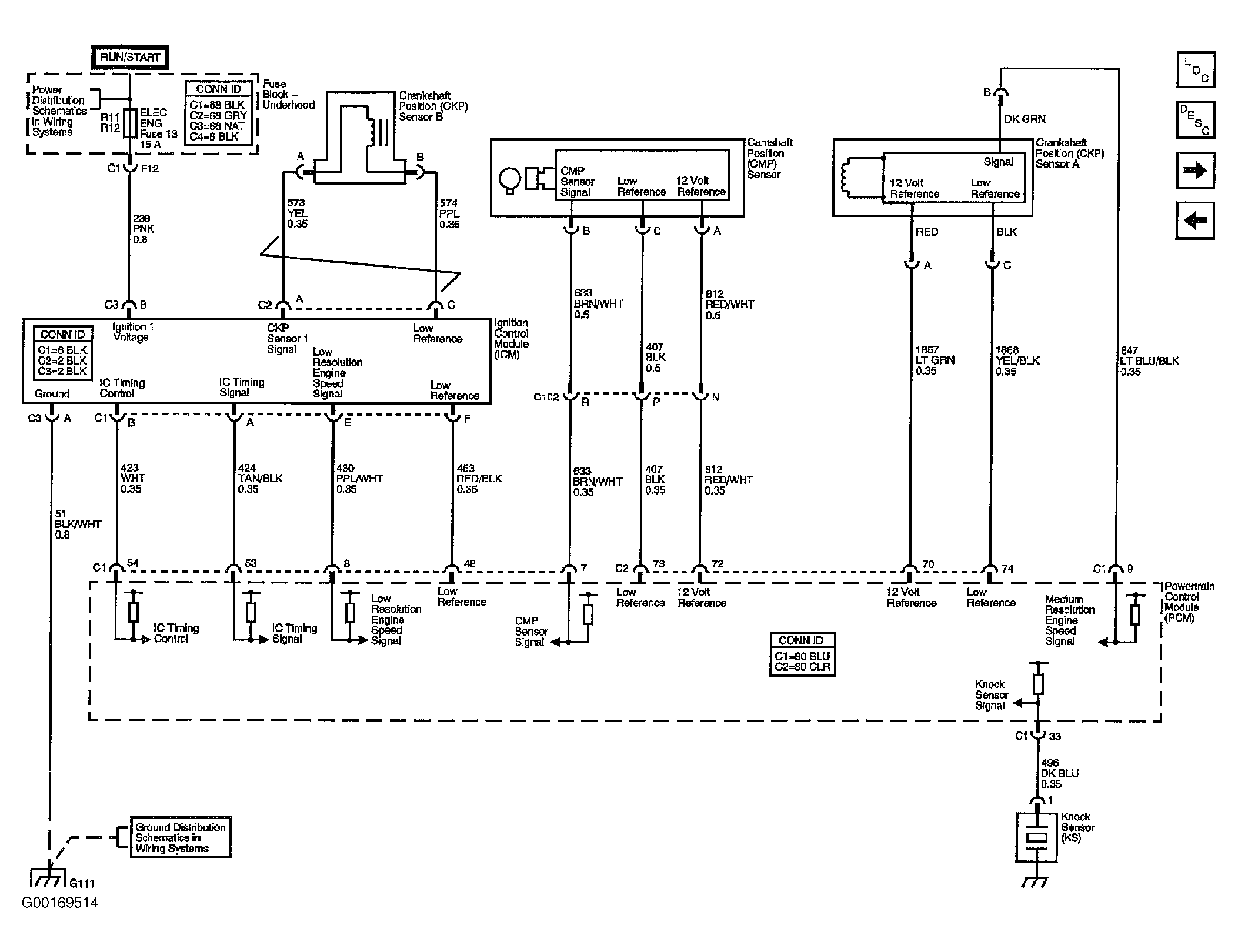
Fig 1: Electronic Ignition Electrical Schematic
G00169514Courtesy of GENERAL MOTORS CORP.
Fig 2: Locating Crankshaft Position Sensor "A" (24X)
G00028468Courtesy of GENERAL MOTORS CORP.
Fig 3: Locating Crankshaft Position Sensor "B" (7X)
G00028469Courtesy of GENERAL MOTORS CORP.