LEMON Manuals: Even more car manuals for everyone: 1960-2025
Home >> Cadillac >> 2002 >> Escalade EXT >> Repair and Diagnosis >> External Pages >> Different car >> Section 238 (Keyless Entry System) >> Schematic And Routing Diagrams >> Keyless Entry Schematics
April 5, 2026: LEMON Manuals is launched! Read the announcement.

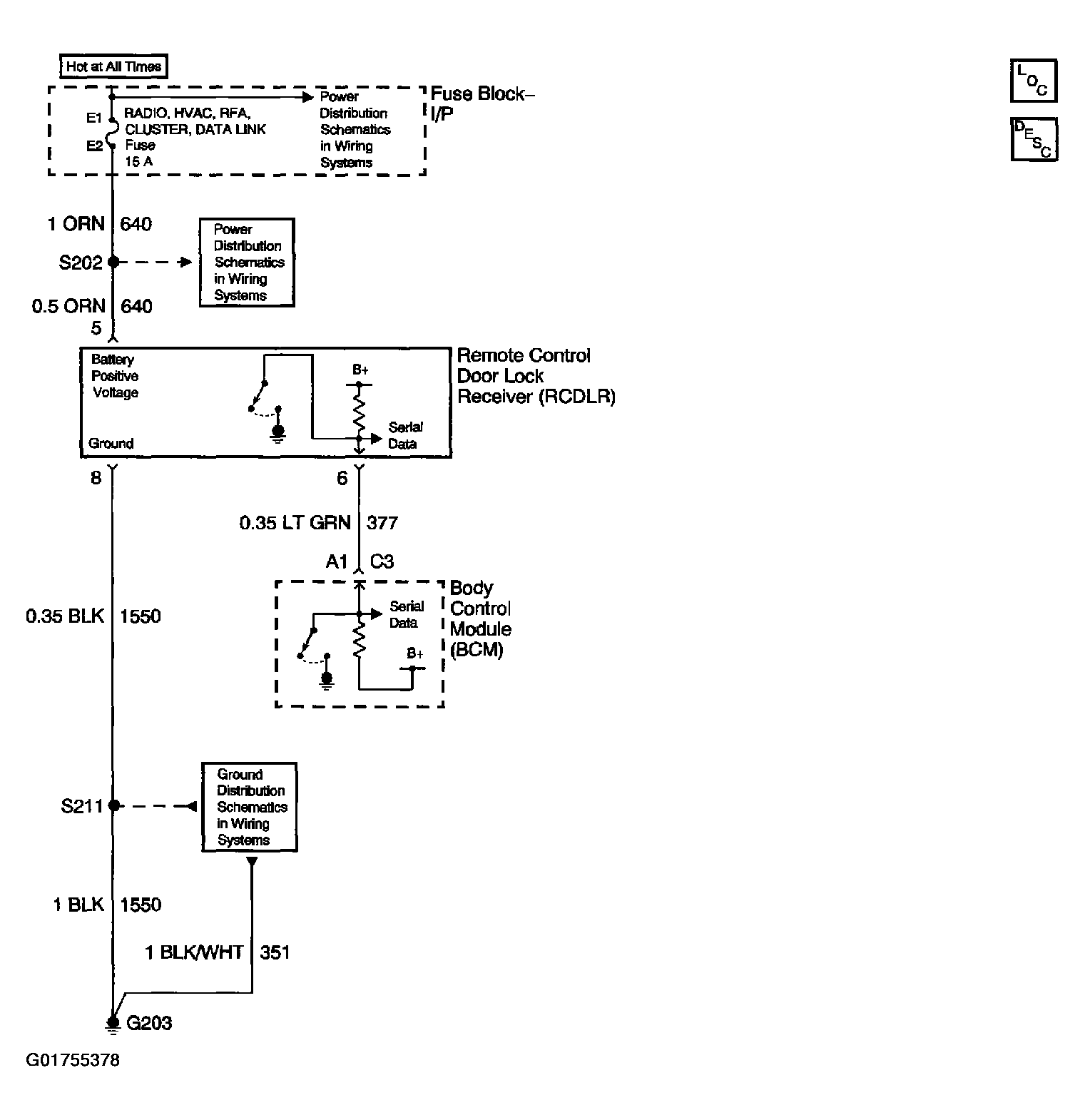
Keyless Entry Schematics

WARNING: This page is about a different car, the 2002 Buick Regal and 2002 Buick Century. However, it is still accessible from the selected car via links, so may be relevant.
Fig 1: Identifying Keyless Entry Schematic
G01755378Courtesy of GENERAL MOTORS CORP.