LEMON Manuals: Even more car manuals for everyone: 1960-2025
Home >> Cadillac >> 2002 >> Escalade EXT >> Repair and Diagnosis >> External Pages >> Different car >> Section 992 (Engine Controls - 3.4L - Introduction - Service & Replacement) >> Schematic and Routing Diagrams >> Engine Controls Schematics
April 5, 2026: LEMON Manuals is launched! Read the announcement.

Engine Controls Schematics

WARNING: This page is about a different car, the 2004 Pontiac Aztek and 2004 Buick Rendezvous. However, it is still accessible from the selected car via links, so may be relevant.
Fig 1: Power, DLC, Ground, and MIL Schematics
GM623555Courtesy of GENERAL MOTORS CORP.
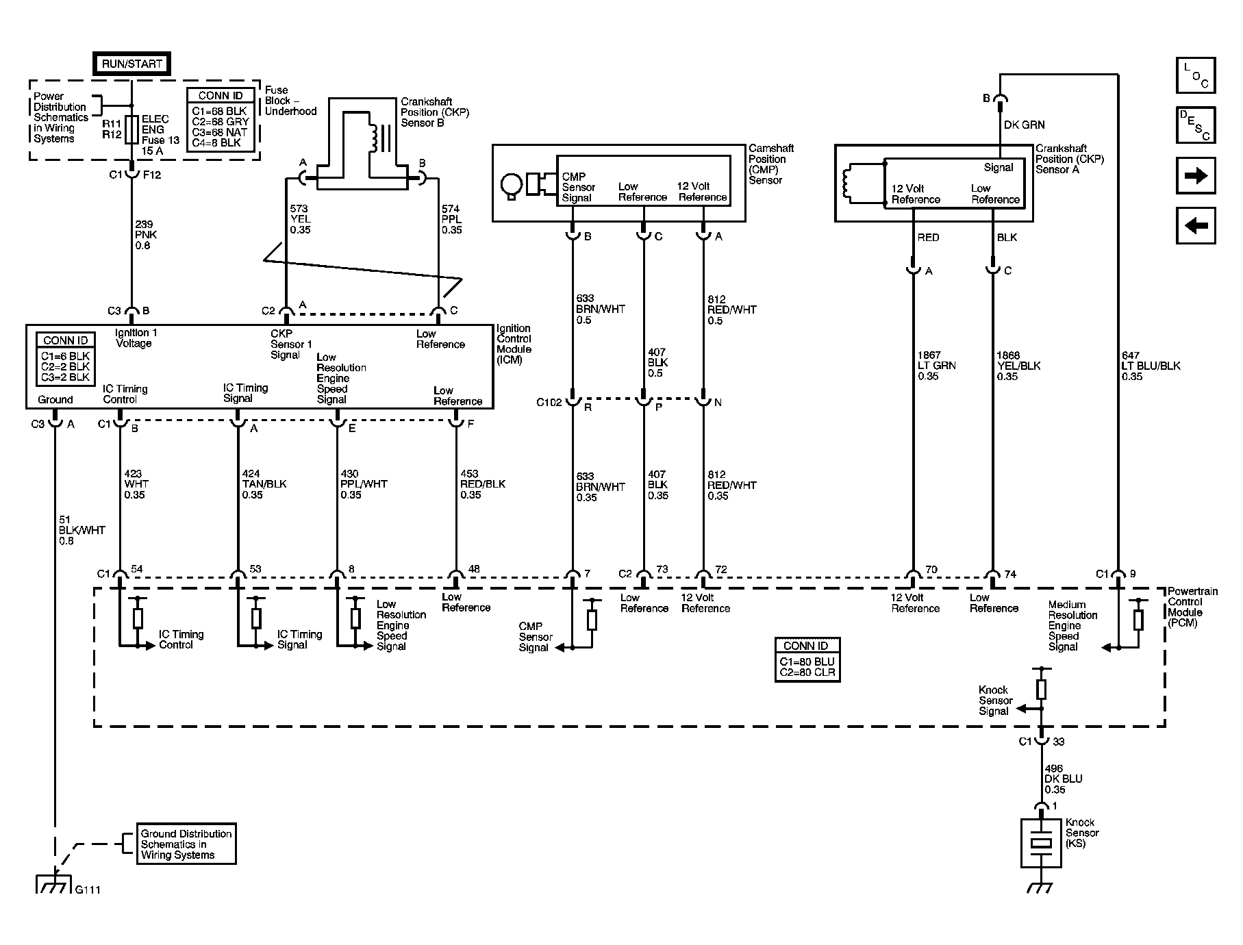
Fig 2: Ignition Control, KS Schematics
GM623556Courtesy of GENERAL MOTORS CORP.
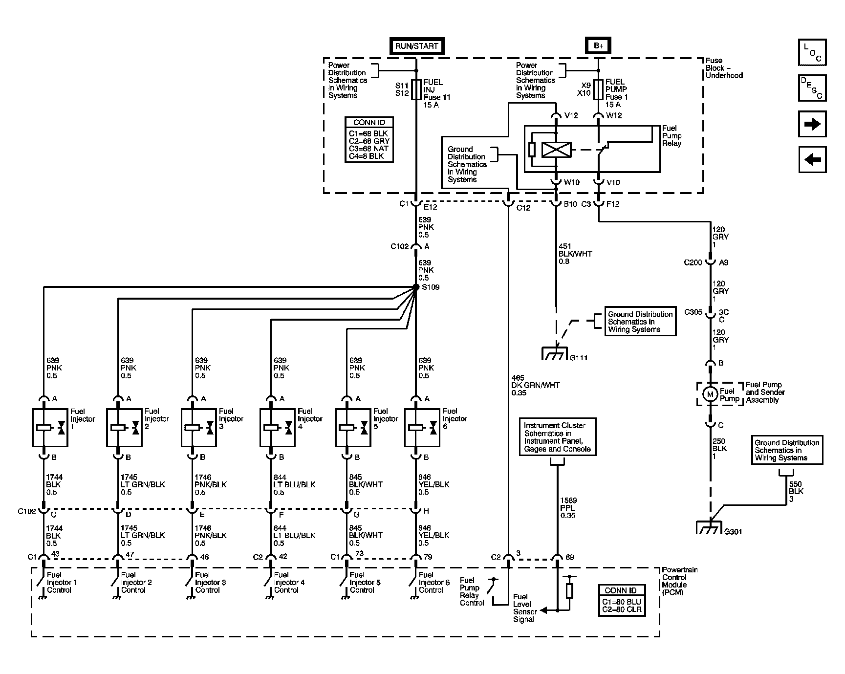
Fig 3: Fuel Injectors, Fuel Pump Schematics
GM623568Courtesy of GENERAL MOTORS CORP.
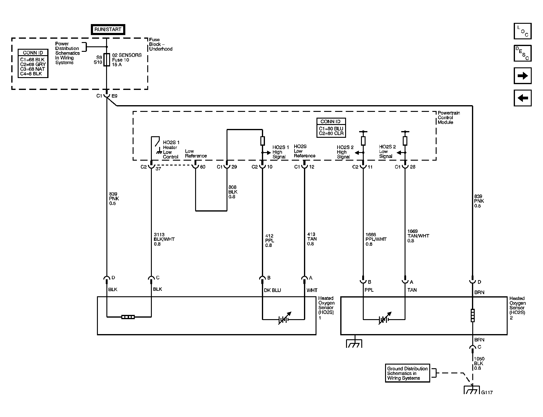
Fig 4: HO2S Schematics
GM623583Courtesy of GENERAL MOTORS CORP.
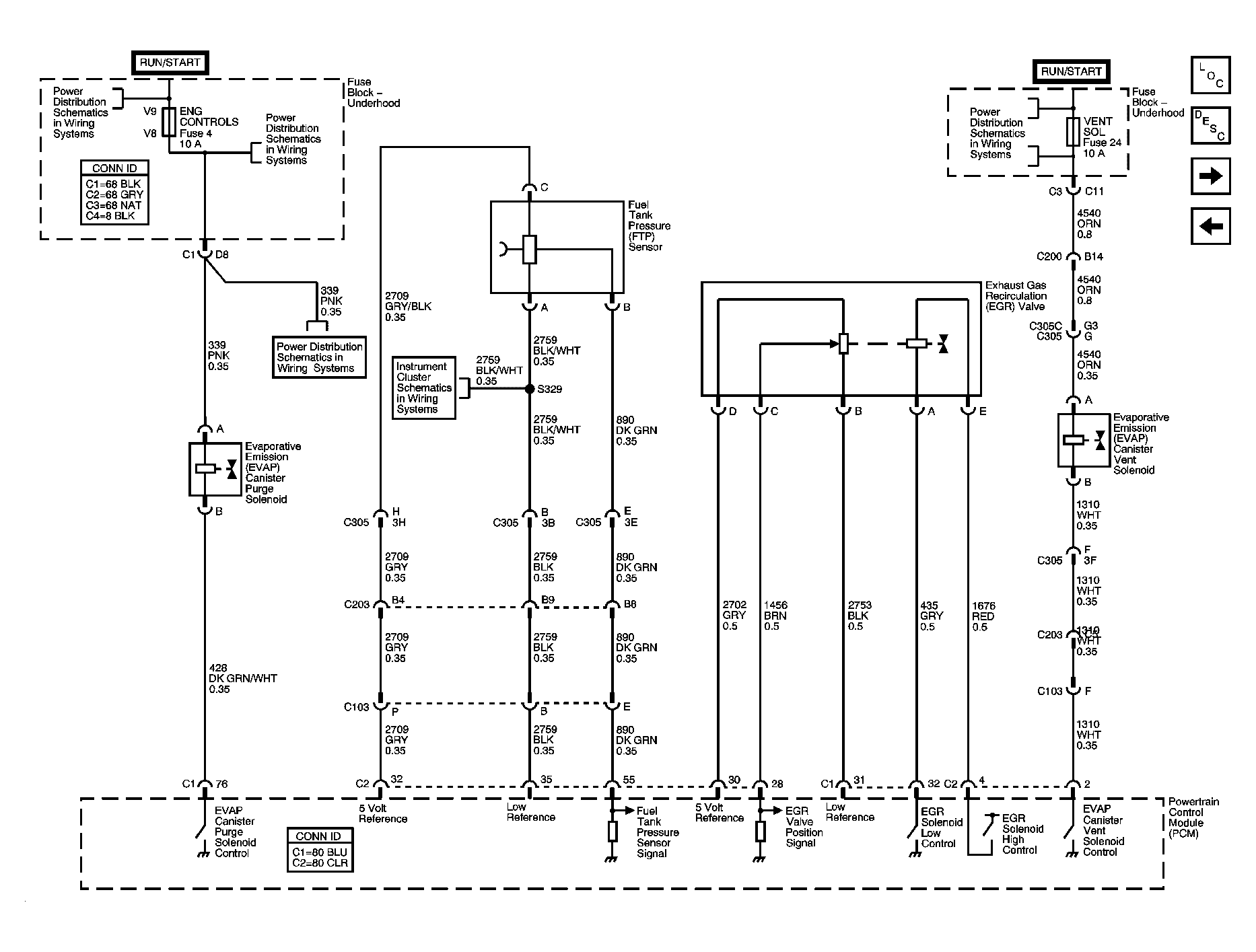
Fig 5: EGR, EVAP Schematics
GM1396387Courtesy of GENERAL MOTORS CORP.
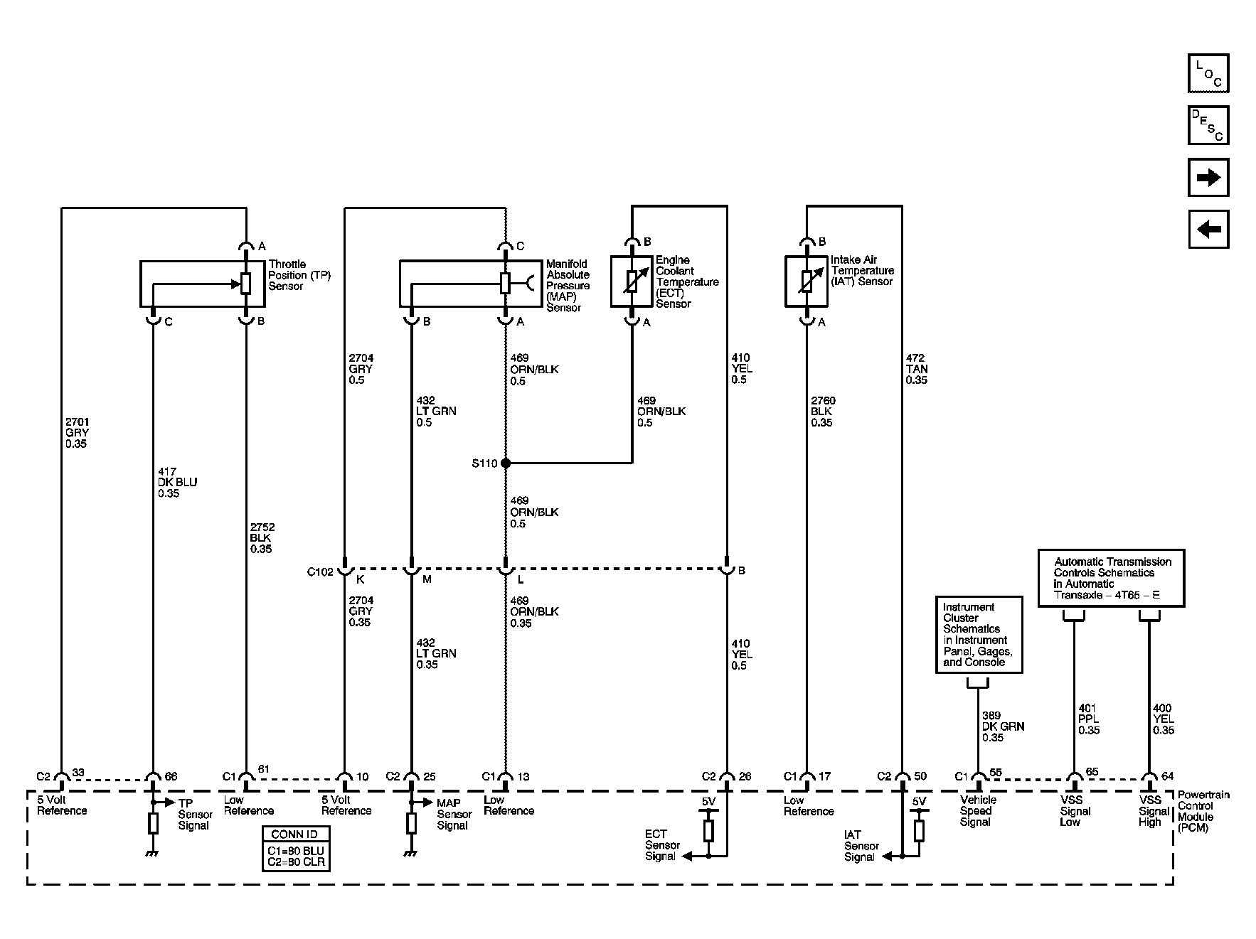
Fig 6: Sensors Schematics
GM623580Courtesy of GENERAL MOTORS CORP.
Fig 7: IAC and MAF Schematics
GM901622Courtesy of GENERAL MOTORS CORP.
Fig 8: PCM References Schematics (1 of 2)
GM901627Courtesy of GENERAL MOTORS CORP.
Fig 9: PCM References Schematics (2 of 2)
GM901628Courtesy of GENERAL MOTORS CORP.