LEMON Manuals: Even more car manuals for everyone: 1960-2025
Home >> Cadillac >> 2002 >> Seville STS >> Repair and Diagnosis (Single Page) >> Body & Frame >> Windows >> Door System, Mirror System & Window System >> Schematic & Routing Diagrams >> Door Control Module Schematics
April 5, 2026: LEMON Manuals is launched! Read the announcement.

Door Control Module Schematics

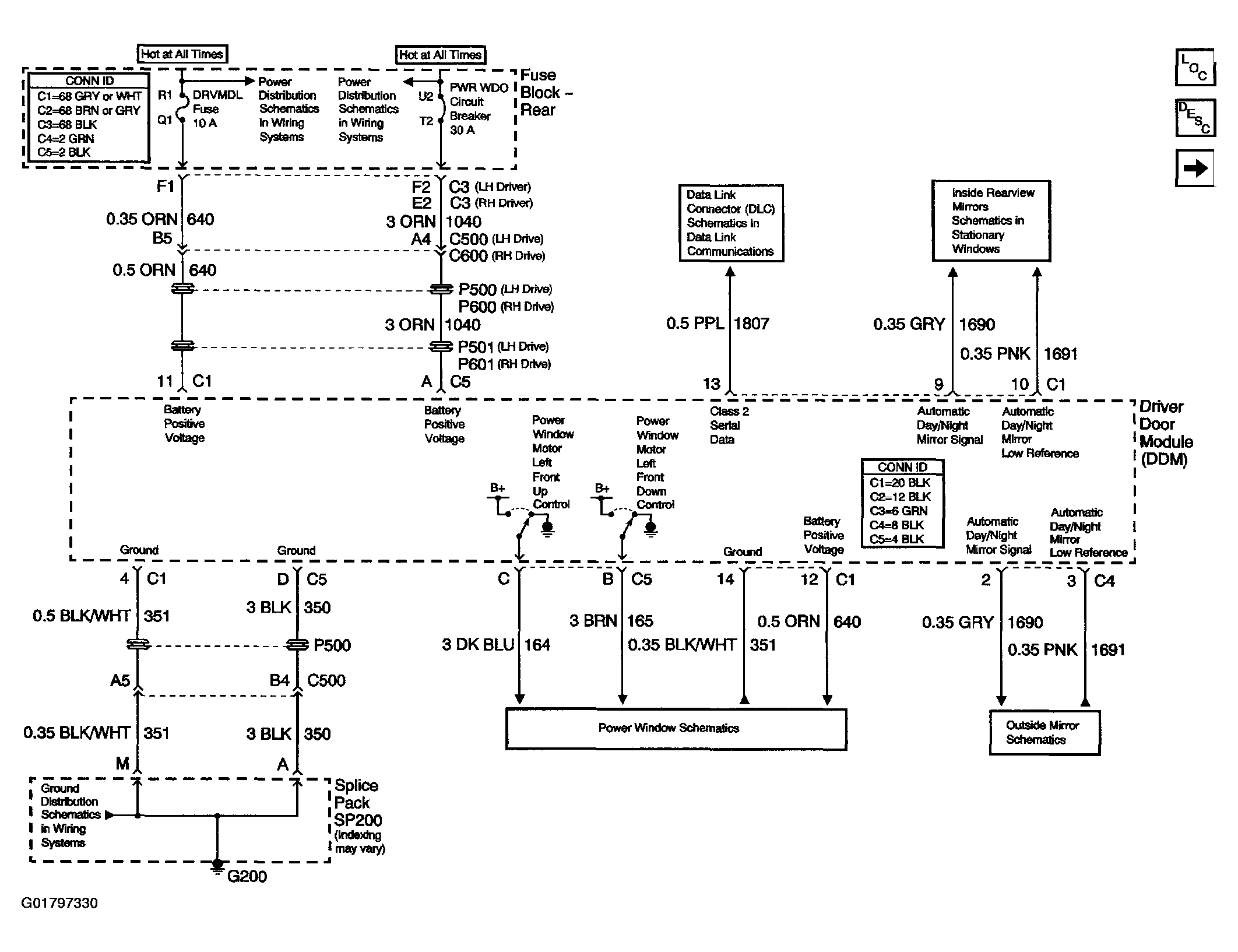
Fig 1: Door Control Module Schematics (DDM Power, Grounds, Inputs & Outputs)
G01797330Courtesy of GENERAL MOTORS CORP.
Fig 2: Door Control Module Schematics (DDM Inputs, Outputs & Class 2)
G01797331Courtesy of GENERAL MOTORS CORP.
Fig 3: Door Control Module Schematics (FPDM Power, Grounds, Inputs & Outputs)
G01797332Courtesy of GENERAL MOTORS CORP.
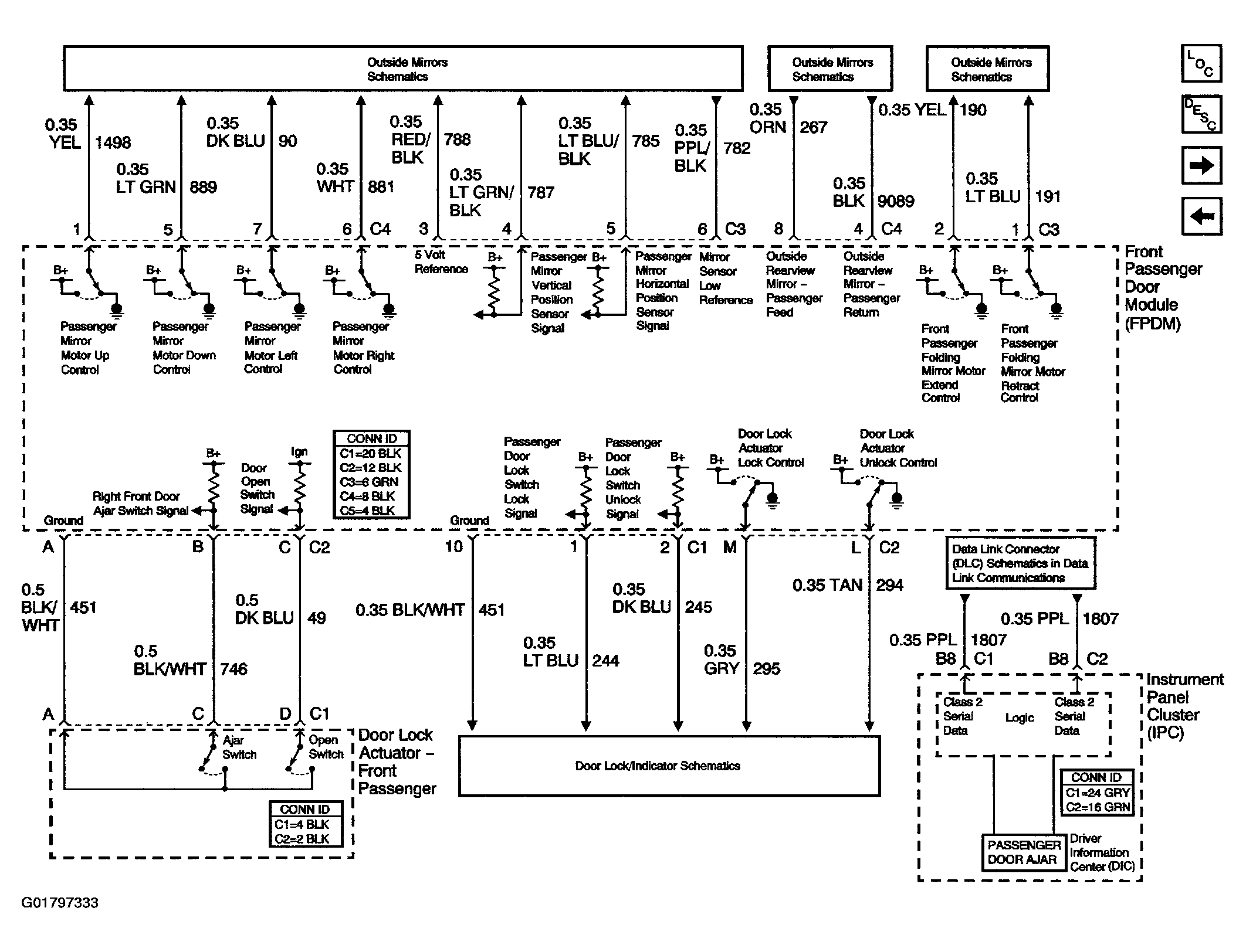
Fig 4: Door Control Module Schematics (FPDM Inputs, Outputs & Class 2)
G01797333Courtesy of GENERAL MOTORS CORP.
Fig 5: Door Control Module Schematics (LRDM Power, Ground, Inputs, Outputs & Class 2)
G01797334Courtesy of GENERAL MOTORS CORP.
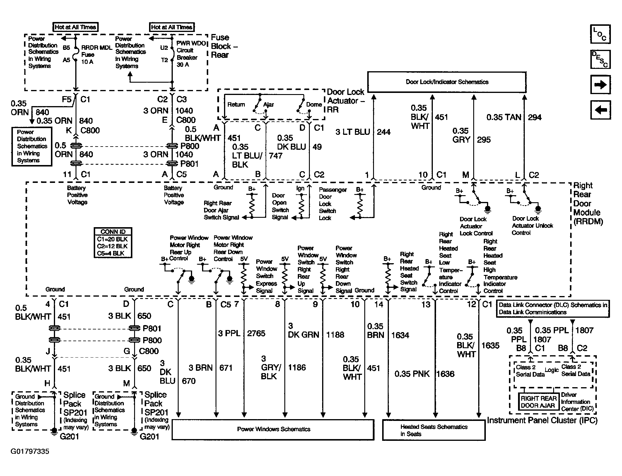
Fig 6: Door Control Module Schematics (RRDM Power, Ground Inputs, Outputs & Class 2)
G01797335Courtesy of GENERAL MOTORS CORP.
Fig 7: Door Control Module Schematics (Power Door Serial Data)
G01797336Courtesy of GENERAL MOTORS CORP.