LEMON Manuals: Even more car manuals for everyone: 1960-2025
Home >> Cadillac >> 2003 >> CTS Standard >> Repair and Diagnosis (Single Page) >> Body & Frame >> Windows >> Door System, Mirror System & Window System >> Schematic and Routing Diagrams >> Door Control Module Schematics
April 5, 2026: LEMON Manuals is launched! Read the announcement.

Door Control Module Schematics

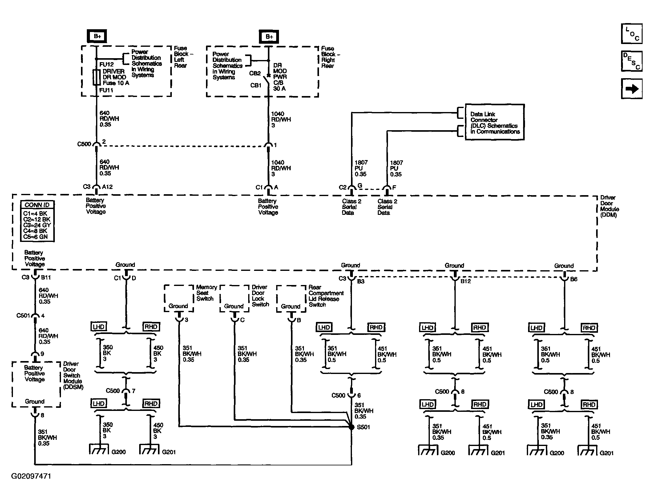
Fig 1: Door Control Module (DDM Power, Ground And Serial Data) Schematics Diagram
G02097471Courtesy of GENERAL MOTORS CORP.
Fig 2: Door Control Module (DDM Signals/Controls) Schematics Diagram (1 Of 2)
G02097472Courtesy of GENERAL MOTORS CORP.
Fig 3: Door Control Module (DDM Signals/Controls) Schematics Diagram (2 Of 2)
G02097473Courtesy of GENERAL MOTORS CORP.
Fig 4: Door Control Module (FPDM Power, Ground, And Serial Data) Schematics Diagram
G02097474Courtesy of GENERAL MOTORS CORP.
Fig 5: Door Control Module (FPDM Signals/Controls) Schematics Diagram (1 Of 2)
G02097475Courtesy of GENERAL MOTORS CORP.
Fig 6: Door Control Module (FPDM Signals/Controls) Schematics Diagram (2 Of 2)
G02097476Courtesy of GENERAL MOTORS CORP.
Fig 7: Door Control Module (LRDM Power, Ground, And Serial Data) Schematics Diagram
G02097477Courtesy of GENERAL MOTORS CORP.
Fig 8: Door Control Module (LRDM Signals/Controls) Schematics Diagram
G02097478Courtesy of GENERAL MOTORS CORP.
Fig 9: Door Control Module (RRDM Power, Ground, And Serial Data) Schematics Diagram
G02097479Courtesy of GENERAL MOTORS CORP.
Fig 10: Door Control Module (RRDM Signals/Controls) Schematics Diagram
G02097480Courtesy of GENERAL MOTORS CORP.