LEMON Manuals: Even more car manuals for everyone: 1960-2025
Home >> Cadillac >> 2003 >> CTS V6-3.2L VIN N >> Repair and Diagnosis >> Powertrain Management >> Computers and Control Systems >> Relays and Modules - Computers and Control Systems >> Body Control Module >> Diagrams >> Electrical Diagrams
April 5, 2026: LEMON Manuals is launched! Read the announcement.

Electrical Diagrams

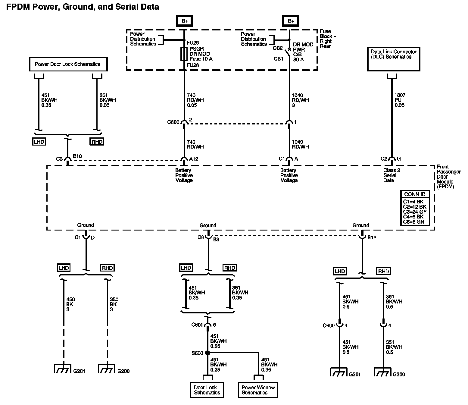
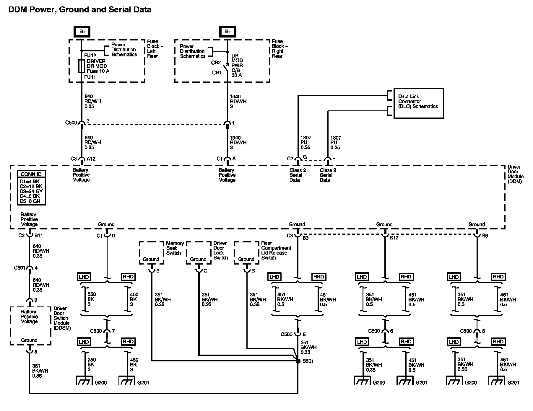
Door Control Module Diagram 1:




Door Control Module Diagram 2:




Door Control Module Diagram 3:




Door Control Module Diagram 4:




Door Control Module Diagram 5:




Door Control Module Diagram 6:




Door Control Module Diagram 7:




Door Control Module Diagram 8:




Door Control Module Diagram 9:




Door Control Module Diagram 10: