LEMON Manuals: Even more car manuals for everyone: 1960-2025
Home >> Cadillac >> 2003 >> DeVille Base >> Repair and Diagnosis (Single Page) >> Accessories & Equipment >> Wiper/Washer Systems >> Wiper System And Washer System >> Component Locator >> Wiper/Washer System Component Views
April 5, 2026: LEMON Manuals is launched! Read the announcement.

Wiper/Washer System Component Views

Fig 1: Component Location - Center Front Of Passenger Compartment, In Front Of Overhead Console
G02100884Courtesy of GENERAL MOTORS CORP.
Fig 2: Component Location - Right Side Of Engine Compartment, On Lower Part Of Windshield Washer Reservoir
G02100885Courtesy of GENERAL MOTORS CORP.
Fig 3: Component Location - Right Rear Of Engine Compartment, Neat Strut Tower
G02100886Courtesy of GENERAL MOTORS CORP.
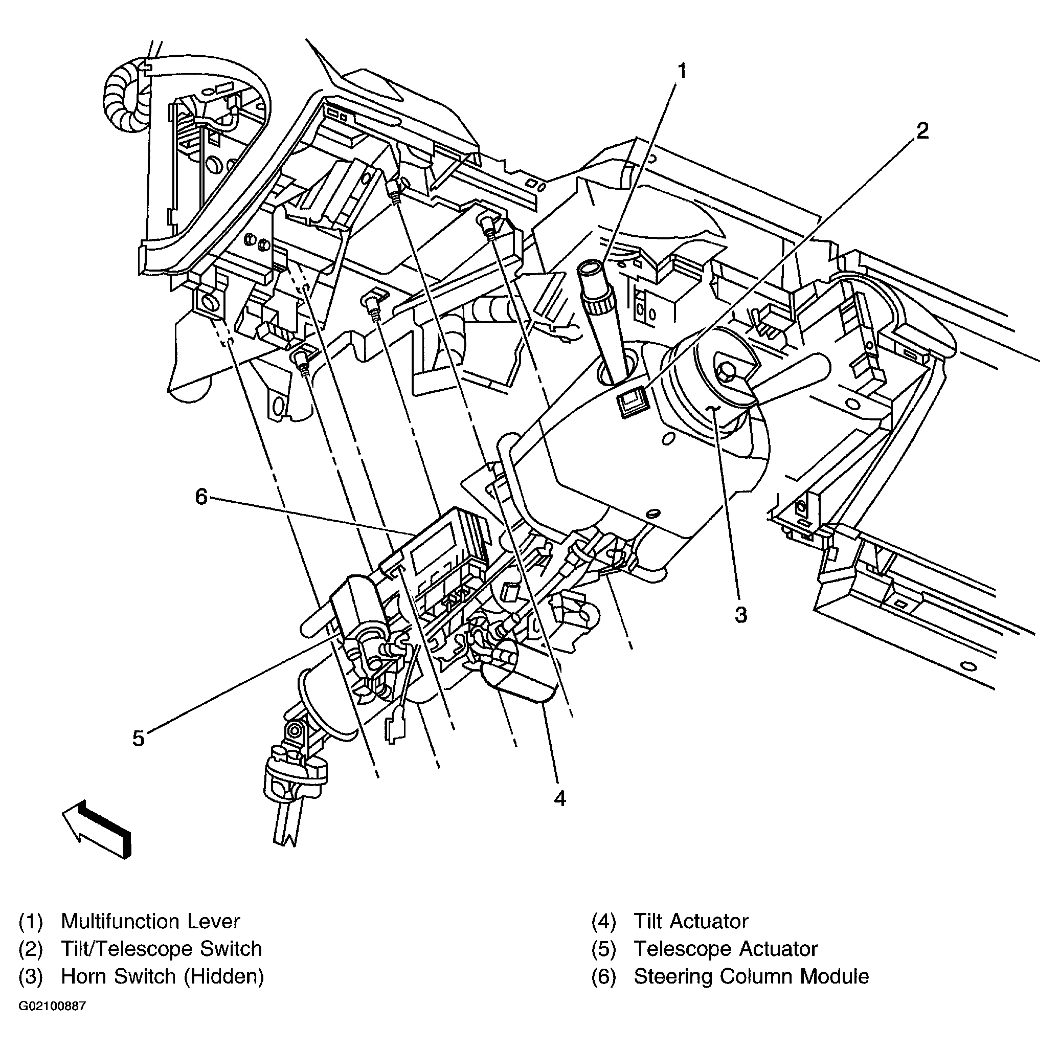
Fig 4: Component Location - Under Left Side Of Instrument Panel
G02100887Courtesy of GENERAL MOTORS CORP.