LEMON Manuals: Even more car manuals for everyone: 1960-2025
Home >> Cadillac >> 2003 >> DeVille Base >> Repair and Diagnosis (Single Page) >> Body & Frame >> Windows >> Door System, Mirror System & Window System >> Schematic and Routing Diagrams >> Door Control Module Schematics
April 5, 2026: LEMON Manuals is launched! Read the announcement.

Door Control Module Schematics

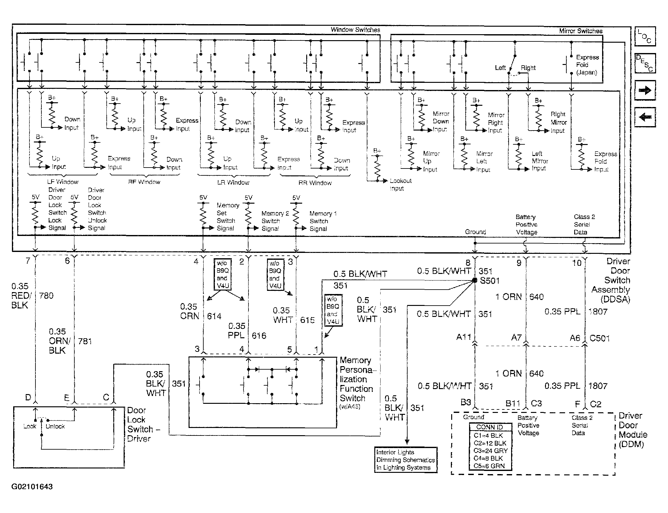
Fig 1: Door Control Module Schematics (Driver Door Switch Assembly (DDSA) Power, Ground Inputs and Outputs) Diagram
G02101642Courtesy of GENERAL MOTORS CORP.
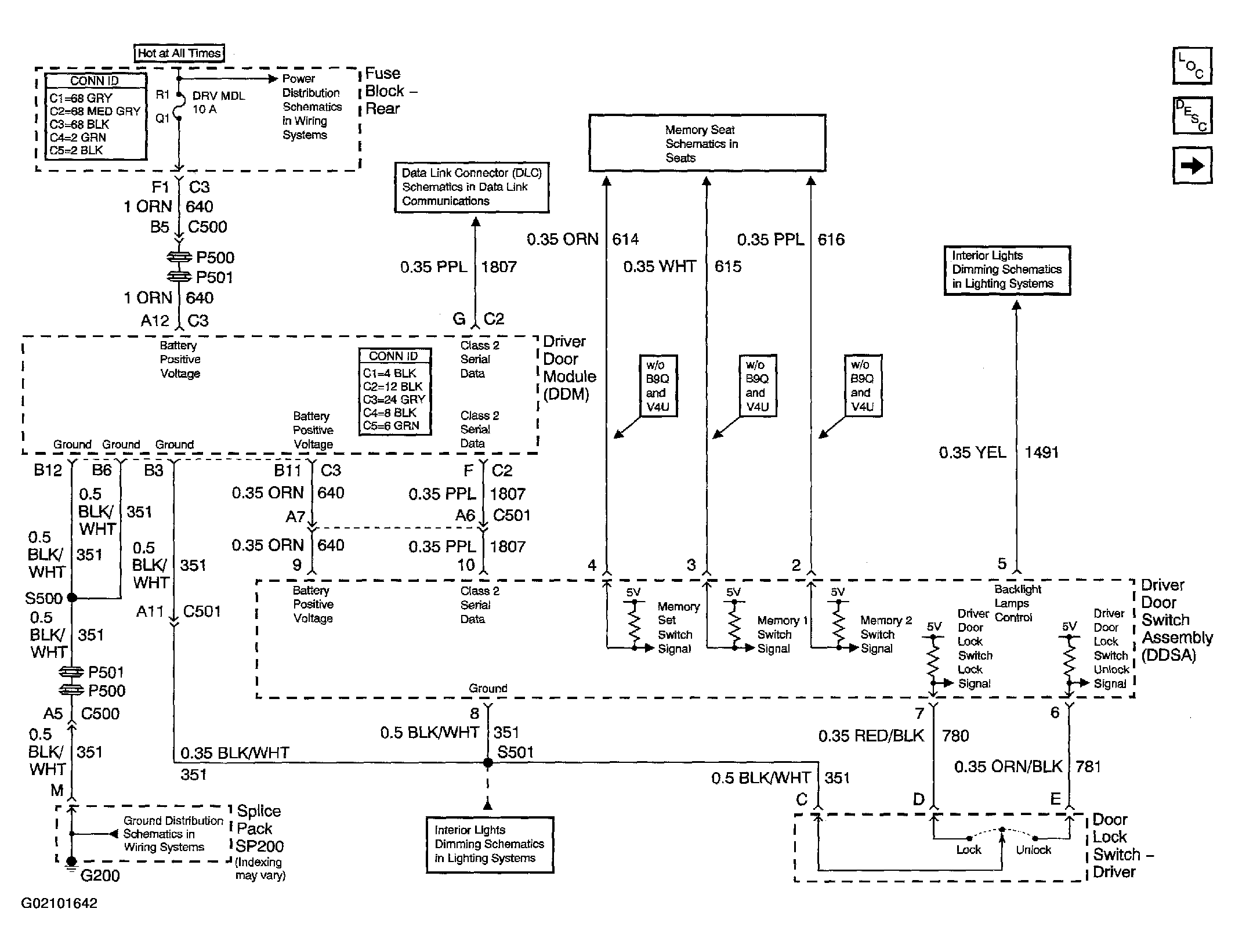
Fig 2: Door Control Module Schematics (Driver Door Switch Assembly (DDSA) Internal Details w/Memory (A45)) Diagram
G02101643Courtesy of GENERAL MOTORS CORP.
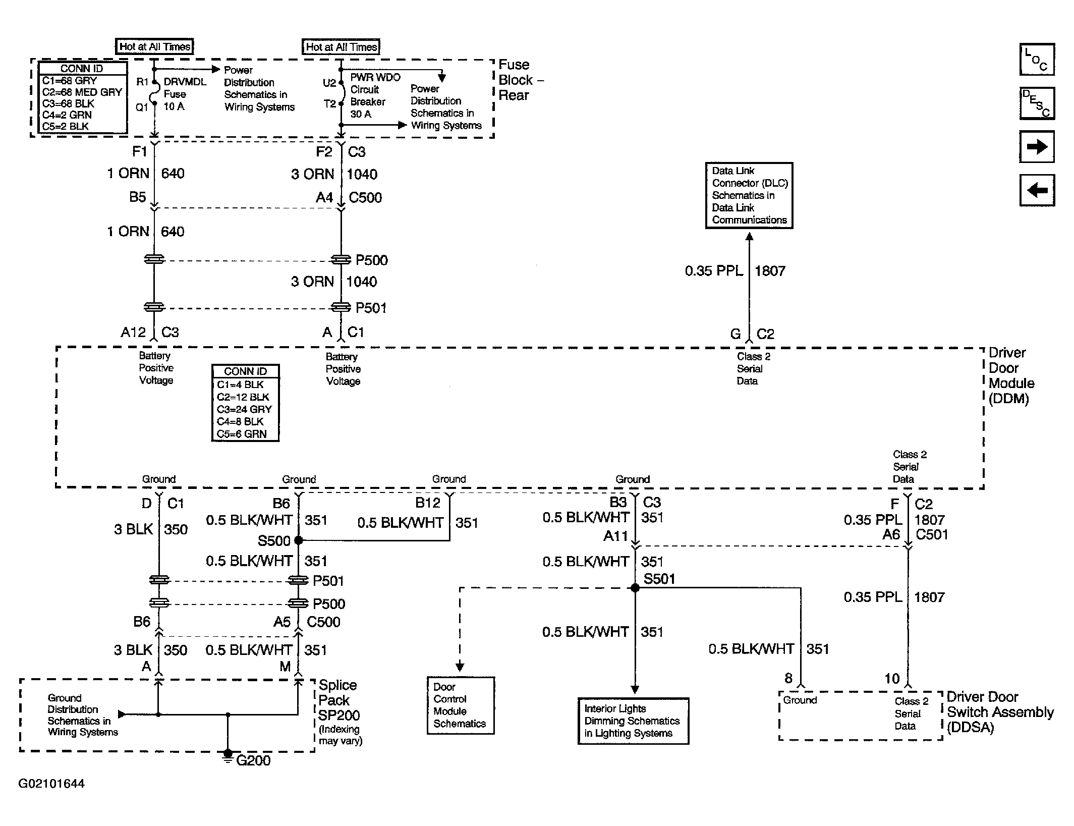
Fig 3: Door Control Module Schematics (Driver Door Module (DDM) Power and Ground Input and Outputs 1 of 2) Diagram
G02101644Courtesy of GENERAL MOTORS CORP.
Fig 4: Door Control Module Schematics (Driver Door Module (DDM) Power, Ground Inputs and Outputs 2 of 2) Diagram
G02101645Courtesy of GENERAL MOTORS CORP.
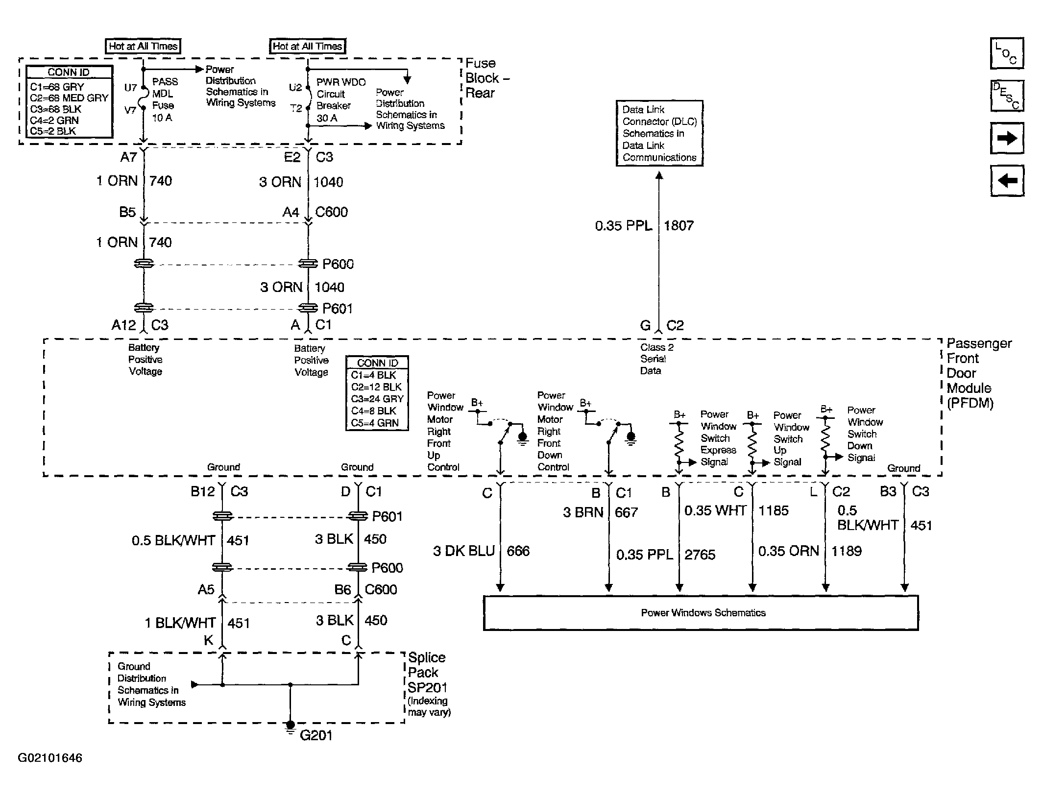
Fig 5: Door Control Module Schematics (Passenger Front Door Module (PFDM) Power, Ground Inputs and Outputs 1 of 2) Diagram
G02101646Courtesy of GENERAL MOTORS CORP.
Fig 6: Door Control Module Schematics (Passenger Front Door Module (PFDM) Power, Ground Inputs and Outputs 2 of 2) Diagram
G02101647Courtesy of GENERAL MOTORS CORP.
Fig 7: Door Control Module Schematics (Left Middle Door Module (LMDM) Power and Ground Inputs and Outputs (w/V4U) Diagram
G02101648Courtesy of GENERAL MOTORS CORP.
Fig 8: Door Control Module Schematics (Right Middle Door Module (RMDM) Power, Ground Inputs and Outputs (w/V4U)) Diagram
G02101649Courtesy of GENERAL MOTORS CORP.
Fig 9: Door Control Module Schematics (Left Rear Door Module (LRDM) Power, Ground Inputs and Outputs) Diagram
G02101650Courtesy of GENERAL MOTORS CORP.
Fig 10: Door Control Module Schematics (Right Rear Door Module (RRDM) Power, Ground Inputs and Outputs) Diagram
G02101651Courtesy of GENERAL MOTORS CORP.