LEMON Manuals: Even more car manuals for everyone: 1960-2025
Home >> Cadillac >> 2003 >> DeVille Base >> Repair and Diagnosis >> Transmission >> Automatic Trans >> Shift Lock Control System >> Schematic and Routing Diagrams >> Automatic Transmission Shift Lock Control Schematics
April 5, 2026: LEMON Manuals is launched! Read the announcement.

Automatic Transmission Shift Lock Control Schematics

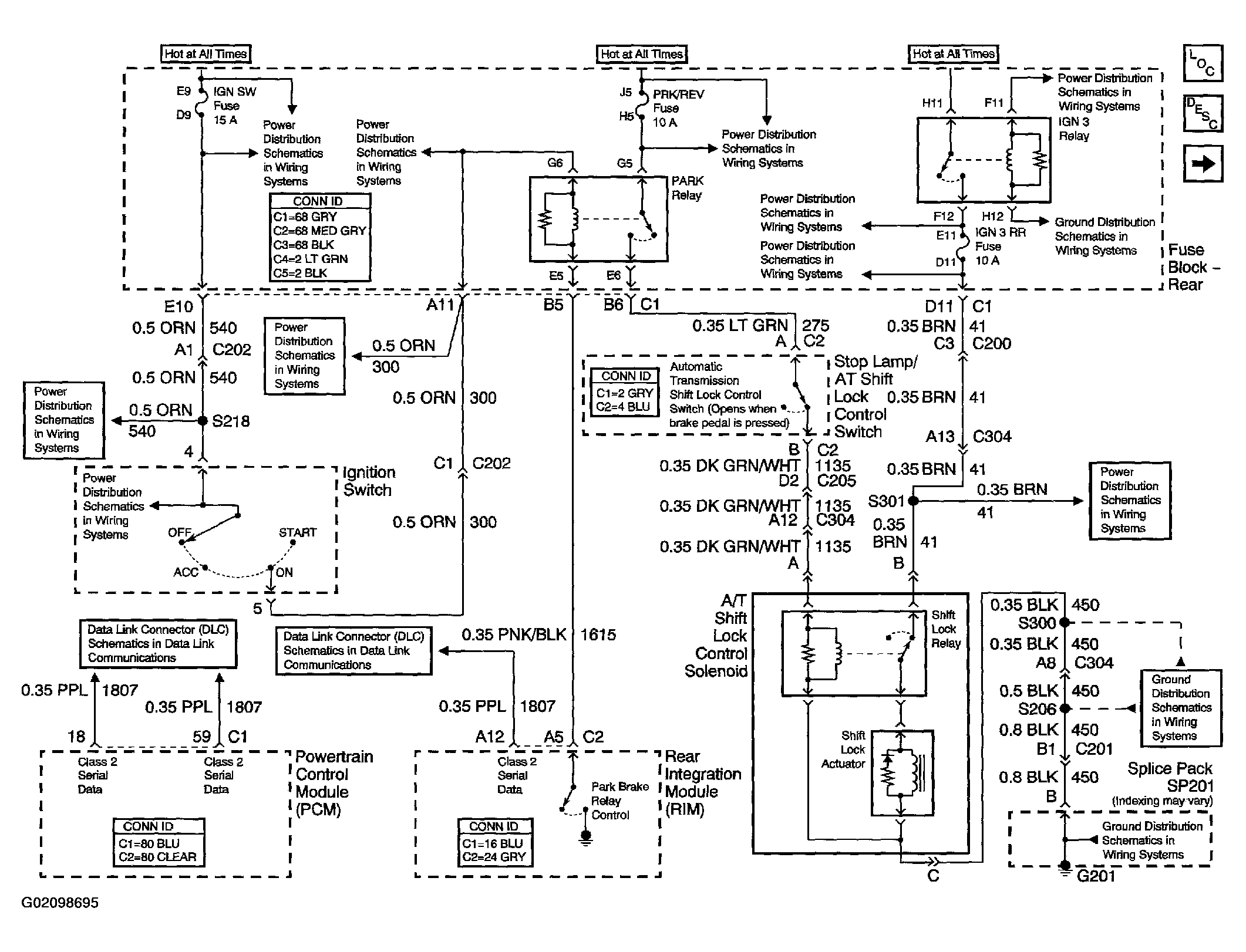
Fig 1: Automatic Transmission Shift Lock Control Schematics - w/Console Shift
G02098695Courtesy of GENERAL MOTORS CORP.
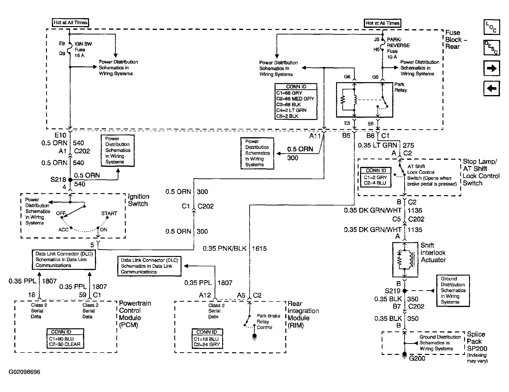
Fig 2: Automatic Transmission Shift Lock Control Schematics (w/Column Shift)
G02098696Courtesy of GENERAL MOTORS CORP.
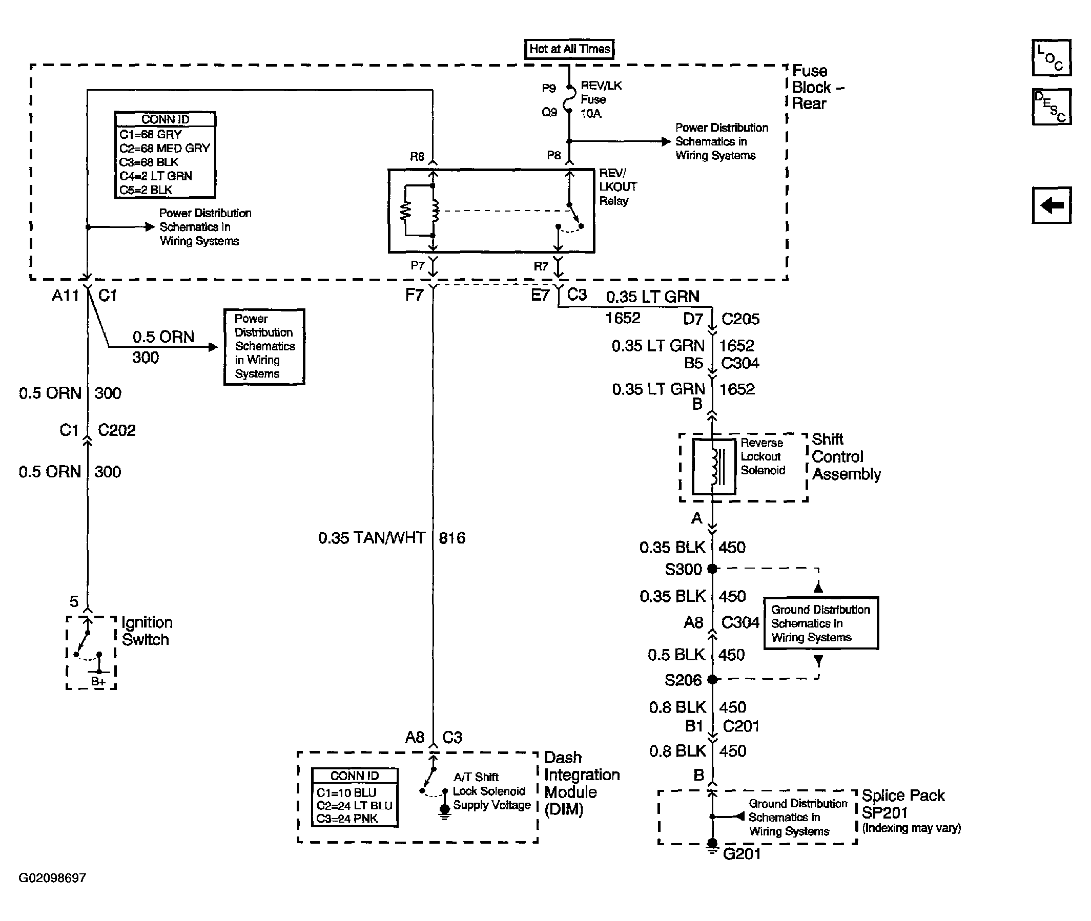
Fig 3: Automatic Transmission Shift Lock Control Schematics (Reverse Lockout Control w/D55)
G02098697Courtesy of GENERAL MOTORS CORP.