LEMON Manuals: Even more car manuals for everyone: 1960-2025
Home >> Cadillac >> 2003 >> Escalade EXT >> Repair and Diagnosis (Single Page) >> Accessories & Equipment >> Wiper/Washer Systems >> Wiper System & Washer System >> Schematic and Routing Diagrams >> Wiper/Washer System Schematics
April 5, 2026: LEMON Manuals is launched! Read the announcement.

Wiper/Washer System Schematics

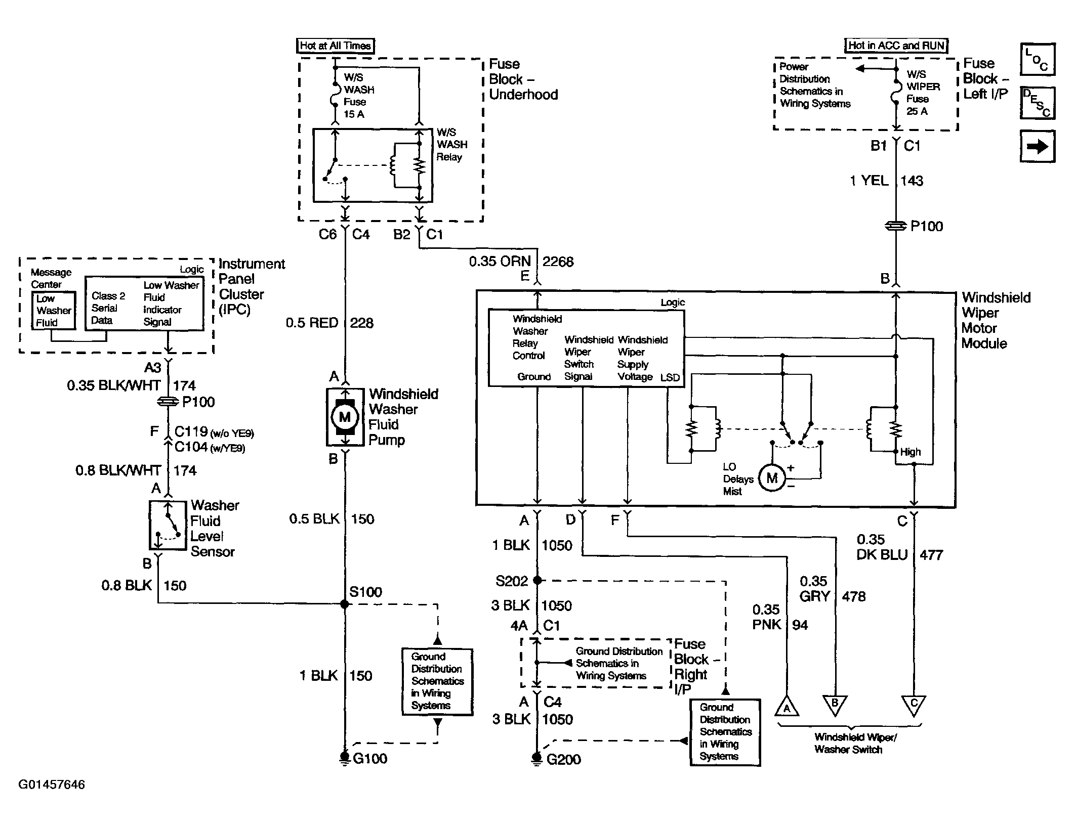
Fig 1: Wiper/Washer System Schematic (Front Wiper/Washer Control) (1 Of 2)
G01457646Courtesy of GENERAL MOTORS CORP.
Fig 2: Wiper/Washer System Schematic (Front Wiper/Washer Control) (2 Of 2)
G01457647Courtesy of GENERAL MOTORS CORP.
Fig 3: Wiper/Washer System Schematic (Rear Wiper/Washer Control)
G01457648Courtesy of GENERAL MOTORS CORP.