LEMON Manuals: Even more car manuals for everyone: 1960-2025
Home >> Cadillac >> 2003 >> Escalade EXT >> Repair and Diagnosis >> External Pages >> Different car >> Section 584 (Entertainment System) >> Schematic and Routing Diagrams >> Steering Wheel Controls Schematics
April 5, 2026: LEMON Manuals is launched! Read the announcement.

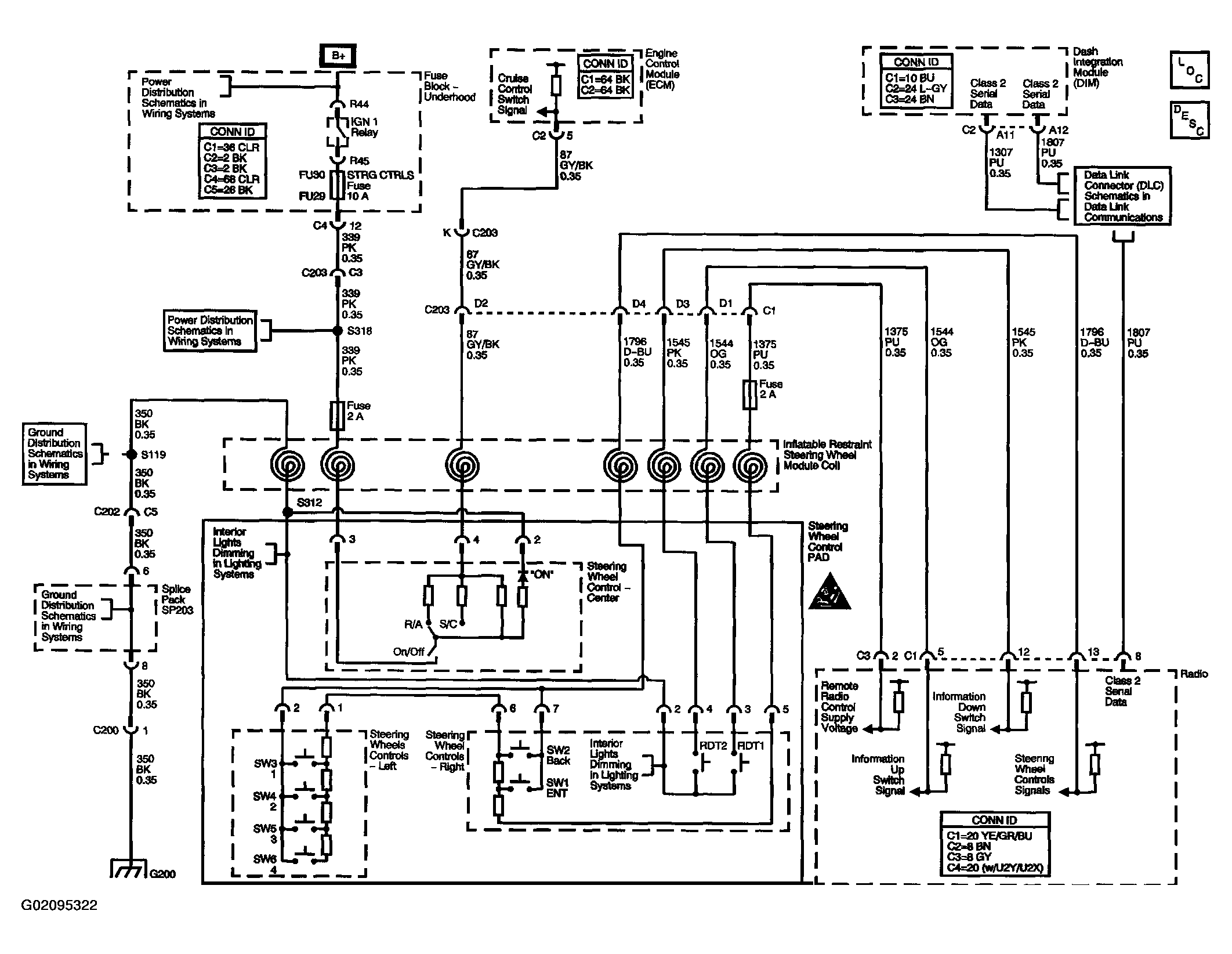
Steering Wheel Controls Schematics

WARNING: This page is about a different car, the 2003 Cadillac CTS. However, it is still accessible from the selected car via links, so may be relevant.
Fig 1: Steering Wheel Controls Schematics
G02095322Courtesy of GENERAL MOTORS CORP.