LEMON Manuals: Even more car manuals for everyone: 1960-2025
Home >> Cadillac >> 2003 >> Escalade EXT >> Repair and Diagnosis >> External Pages >> Different car >> Section 585 (Navigation Systems) >> Schematic Wiring Diagrams >> Navigation System Wiring Schematics
April 5, 2026: LEMON Manuals is launched! Read the announcement.

Navigation System Wiring Schematics

WARNING: This page is about a different car, the 2003 Cadillac CTS. However, it is still accessible from the selected car via links, so may be relevant.
Fig 1: Navigation System Schematics - Radio And RCA Jack Signals
G02097415Courtesy of GENERAL MOTORS CORP.
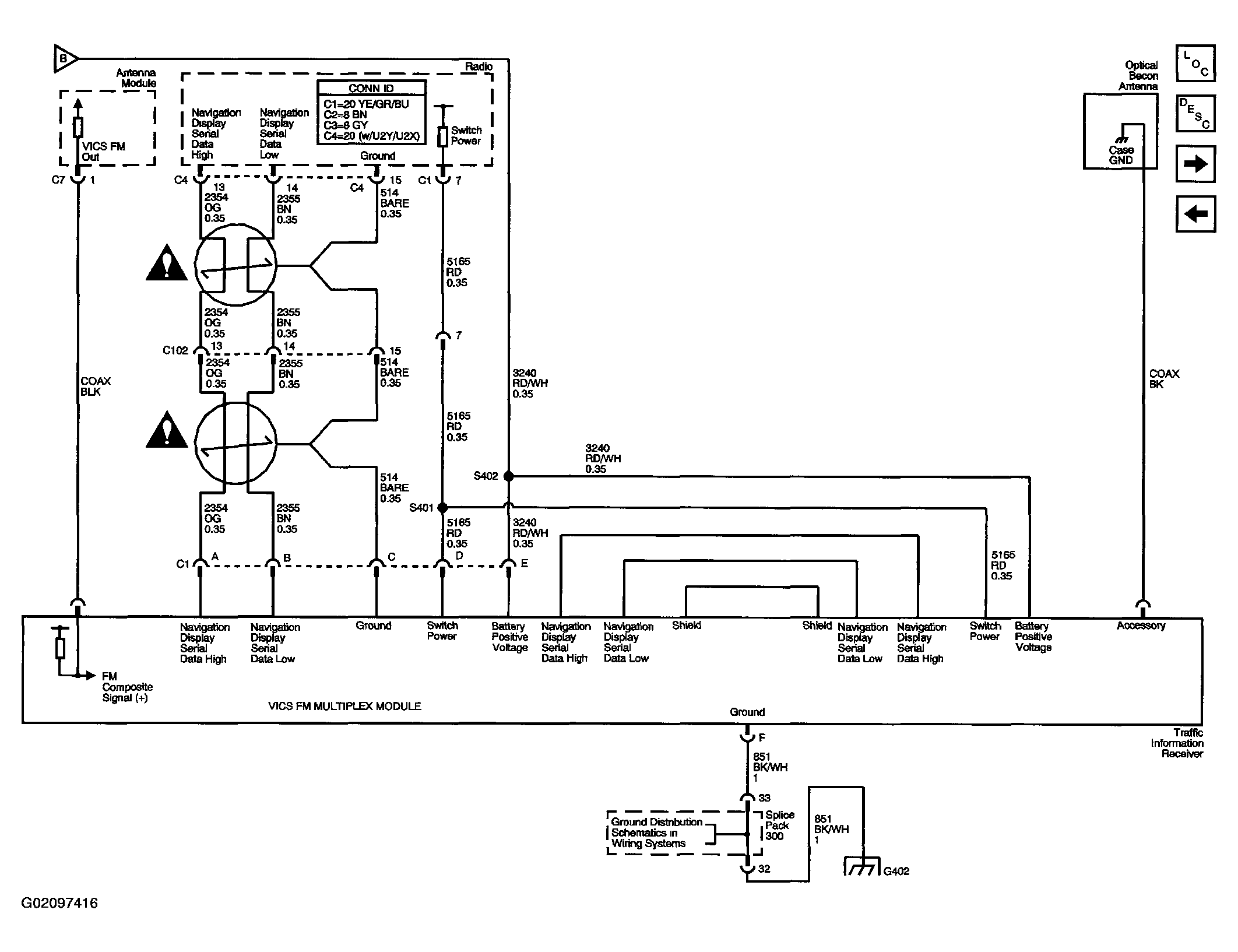
Fig 2: Navigation System Schematics - Traffic Information Receiver
G02097416Courtesy of GENERAL MOTORS CORP.
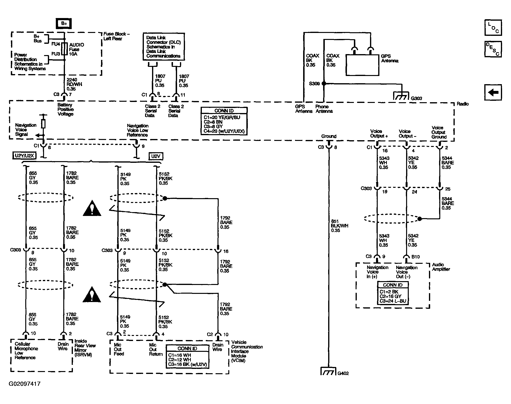
Fig 3: Navigation System Schematics - GPS Antenna, Radio
G02097417Courtesy of GENERAL MOTORS CORP.