LEMON Manuals: Even more car manuals for everyone: 1960-2025
Home >> Cadillac >> 2003 >> Escalade EXT >> Repair and Diagnosis >> External Pages >> Different car >> Section 587 (Body Control System) >> Schematic and Routing Diagrams >> Body Control System Schematics
April 5, 2026: LEMON Manuals is launched! Read the announcement.

Body Control System Schematics

WARNING: This page is about a different car, the 2003 Cadillac CTS. However, it is still accessible from the selected car via links, so may be relevant.
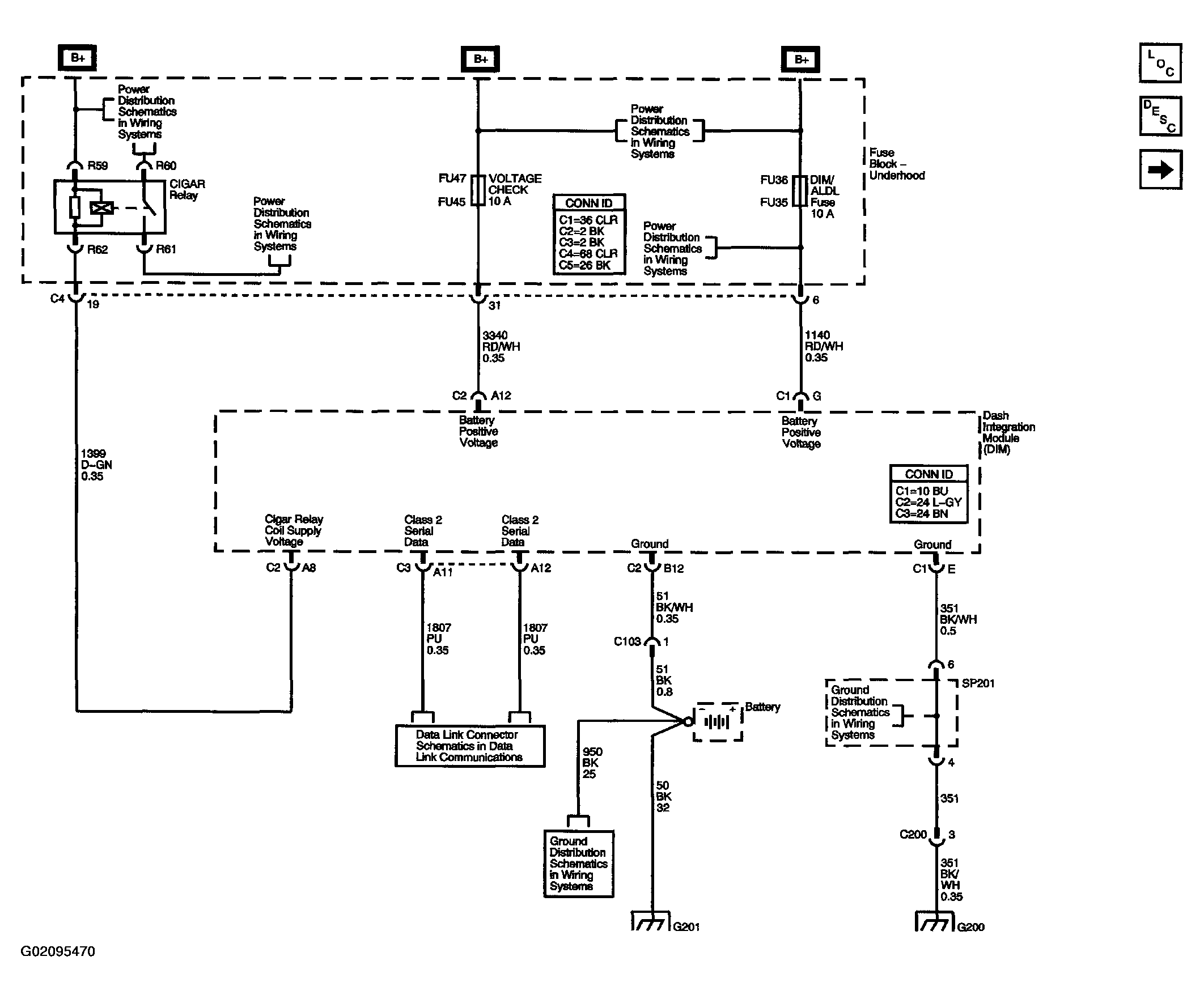
Fig 1: Body Control System Schematics (Power, Grounds And Class 2)
G02095470Courtesy of GENERAL MOTORS CORP.
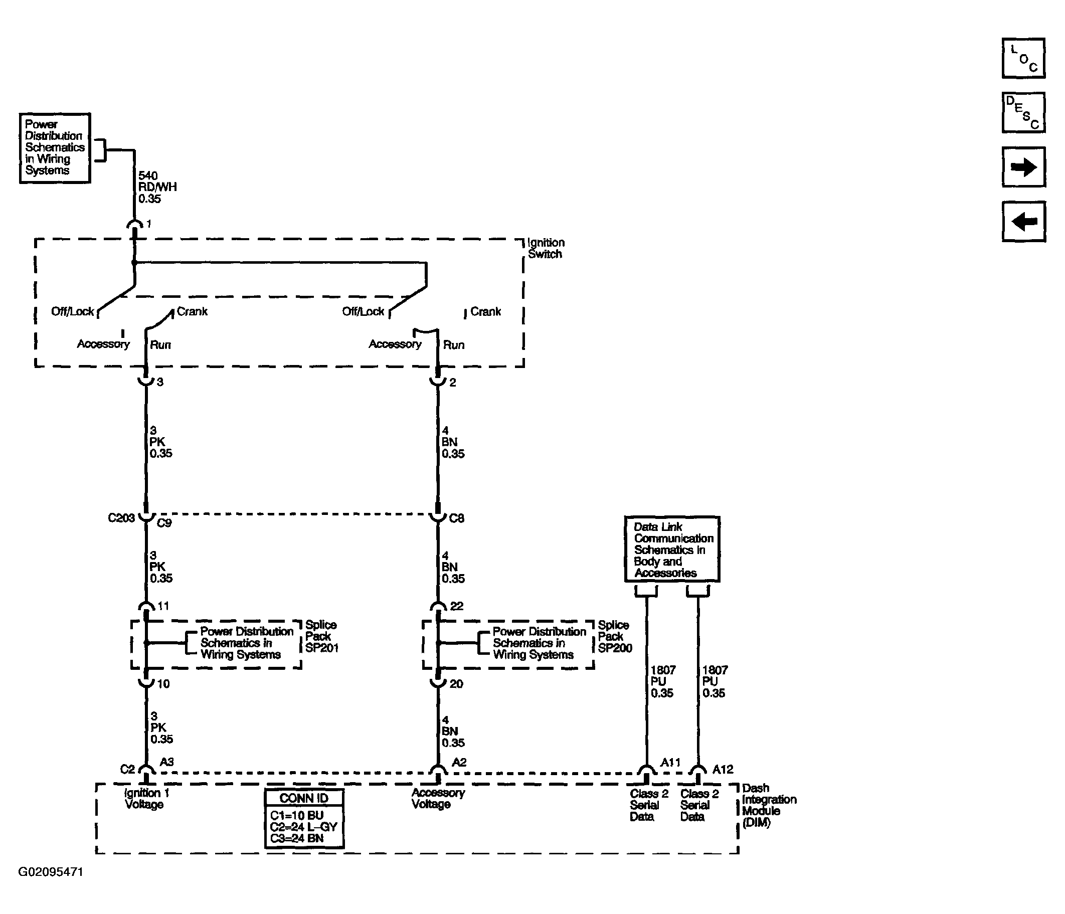
Fig 2: Body Control System Schematics (Ignition Switch)
G02095471Courtesy of GENERAL MOTORS CORP.
Fig 3: Body Control System Schematics (DIM Inputs And Outputs (1 Of 3))
G02095472Courtesy of GENERAL MOTORS CORP.
Fig 4: Body Control System Schematics (DIM Inputs And Outputs (2 Of 3))
G02095473Courtesy of GENERAL MOTORS CORP.
Fig 5: Body Control System Schematics (DIM Inputs And Outputs (3 Of 3))
G02095474Courtesy of GENERAL MOTORS CORP.
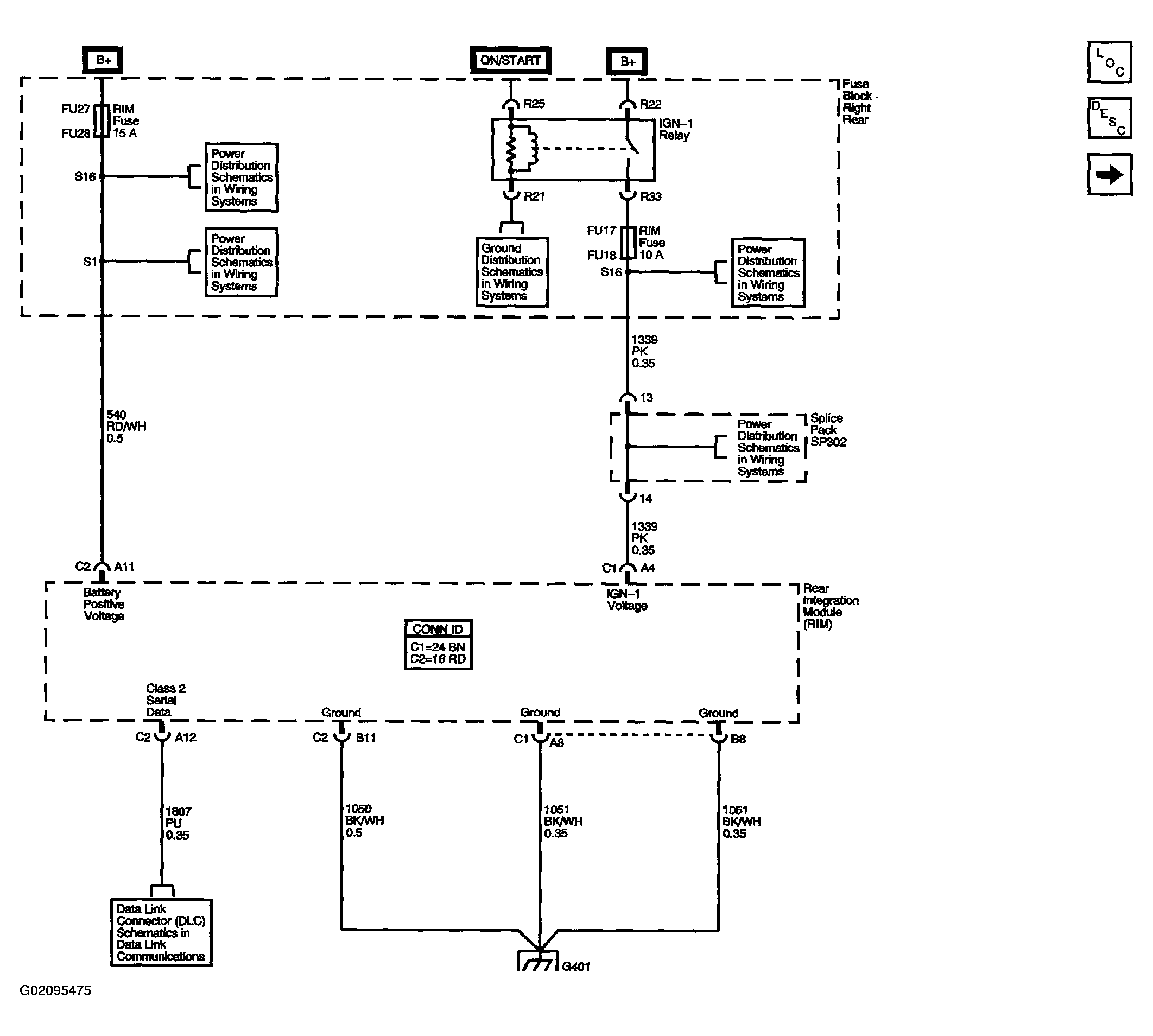
Fig 6: Body Control System Schematics (RIM Power, Grounds And Class 2)
G02095475Courtesy of GENERAL MOTORS CORP.
Fig 7: Body Control System Schematics (RIM Inputs And Outputs (1 Of 2))
G02095476Courtesy of GENERAL MOTORS CORP.
Fig 8: Body Control System Schematics (RIM Inputs And Outputs (2 Of 2))
G02095477Courtesy of GENERAL MOTORS CORP.