LEMON Manuals: Even more car manuals for everyone: 1960-2025
Home >> Cadillac >> 2003 >> Escalade EXT >> Repair and Diagnosis >> External Pages >> Different car >> Section 617 (Data Link Communication System) >> Schematic and Routing Diagrams >> Data Link Connector (DLC) Schematics
April 5, 2026: LEMON Manuals is launched! Read the announcement.

Data Link Connector (DLC) Schematics

WARNING: This page is about a different car, the 2004 Cadillac CTS. However, it is still accessible from the selected car via links, so may be relevant.
Fig 1: Power, Ground, GMLAN Bus and Keyword 2000 Bus
GM1313030Courtesy of GENERAL MOTORS CORP.
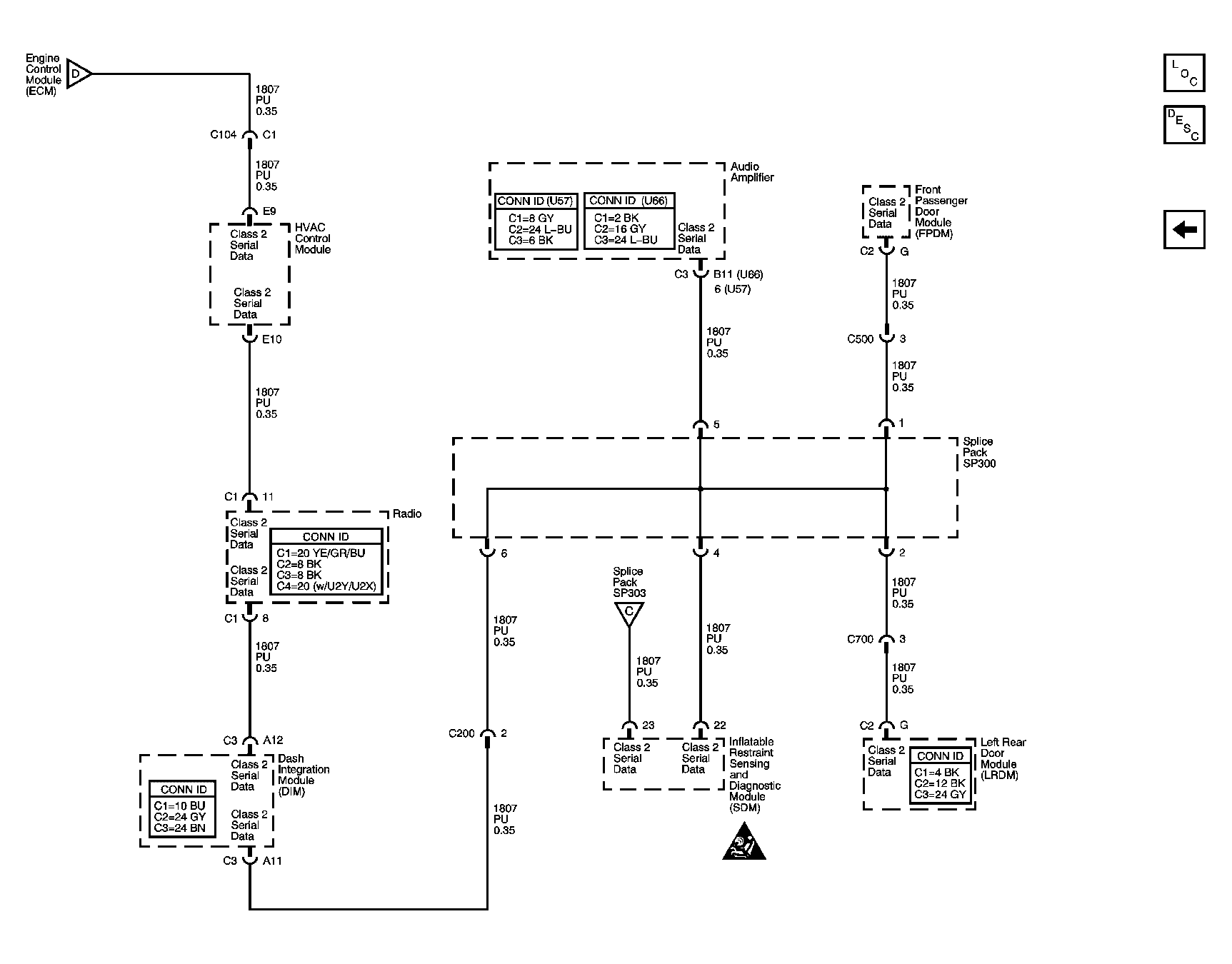
Fig 2: Class 2 Serial Data Bus - LHD (1 of 2)
GM1313045Courtesy of GENERAL MOTORS CORP.
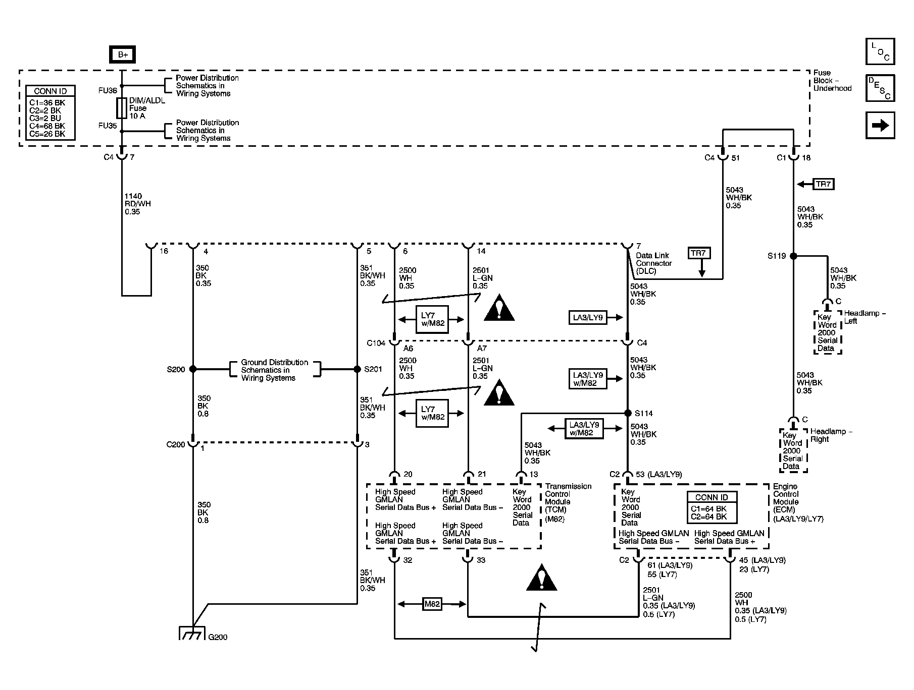
Fig 3: Class 2 Serial Data Bus - LHD (2 of 2)
GM1313047Courtesy of GENERAL MOTORS CORP.
Fig 4: Class 2 Serial Data Bus - RHD (1 of 2)
GM1313092Courtesy of GENERAL MOTORS CORP.
Fig 5: Class 2 Serial Data Bus - RHD (2 of 2)
GM1313097Courtesy of GENERAL MOTORS CORP.