LEMON Manuals: Even more car manuals for everyone: 1960-2025
Home >> Cadillac >> 2003 >> Escalade EXT >> Repair and Diagnosis >> External Pages >> Different car >> Section 659 (Wiper System And Washer System) >> Repair Instructions >> Wipers/Washer Switch Replacement >> Installation Procedure
April 5, 2026: LEMON Manuals is launched! Read the announcement.

Installation Procedure

WARNING: This page is about a different car, the 2004 Cadillac CTS. However, it is still accessible from the selected car via links, so may be relevant.
    Fig 1: Removing & Installing Windshield Wiper & Washer Switch
    GM428823Courtesy of GENERAL MOTORS CORP.
  1. Install the windshield wiper and washer switch (1) to the steering column.
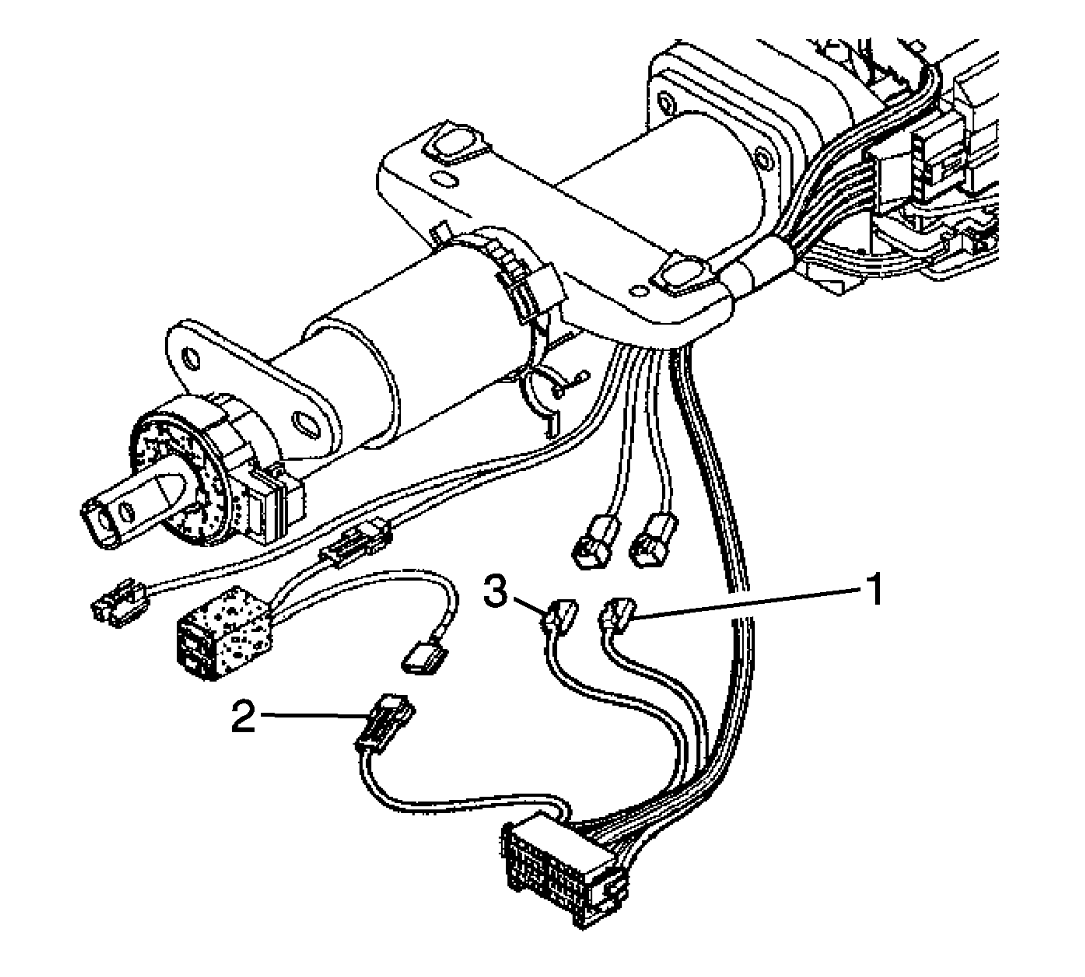
  2. Fig 2: Identifying Windshield Wiper & Washer Switch Electrical Connectors
    GM293230Courtesy of GENERAL MOTORS CORP.
  3. Connect the electrical connectors (1, 3) on the windshield wiper and washer switch.
  4. Route and connect the electrical connector from the windshield wiper and washer switch.
  5. Install the wiring harness tie straps.
  6. Install the steering column trim covers. Refer to Steering Column Trim Covers Replacement in Steering Wheel and Column.
  7. Enable the SIR system. Refer to SIR Disabling and Enabling Zone 3 in SIR.