LEMON Manuals: Even more car manuals for everyone: 1960-2025
Home >> Cadillac >> 2003 >> Escalade EXT >> Repair and Diagnosis >> External Pages >> Different car >> Section 659 (Wiper System And Washer System) >> Schematic and Routing Diagrams >> Wiper/Washer System Schematics
April 5, 2026: LEMON Manuals is launched! Read the announcement.

Wiper/Washer System Schematics

WARNING: This page is about a different car, the 2004 Cadillac CTS. However, it is still accessible from the selected car via links, so may be relevant.
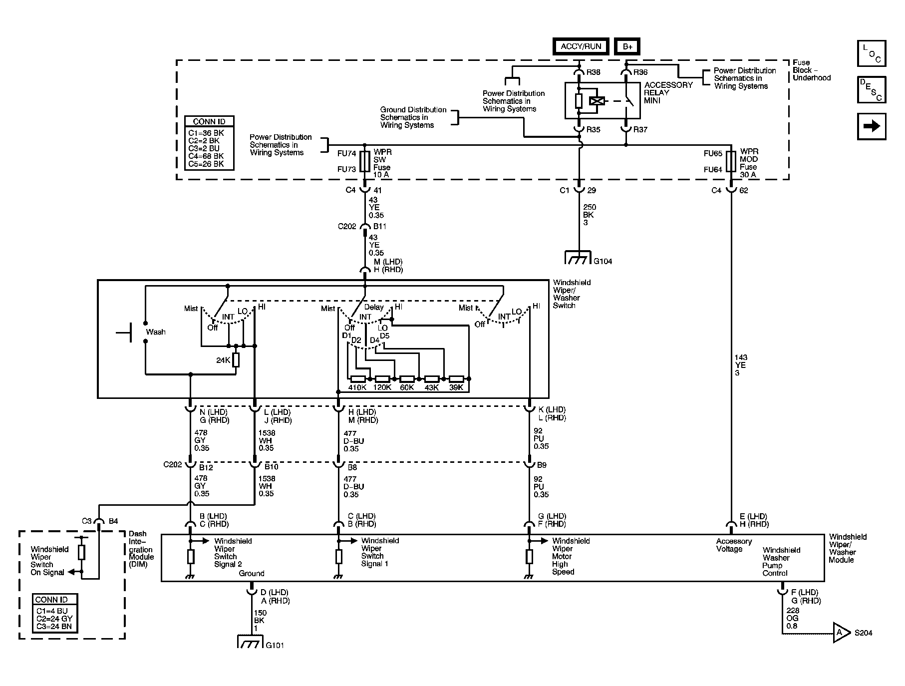
Fig 1: Power, Ground, Windshield Wiper/Washer Switch and Module Schematic
GM1317265Courtesy of GENERAL MOTORS CORP.
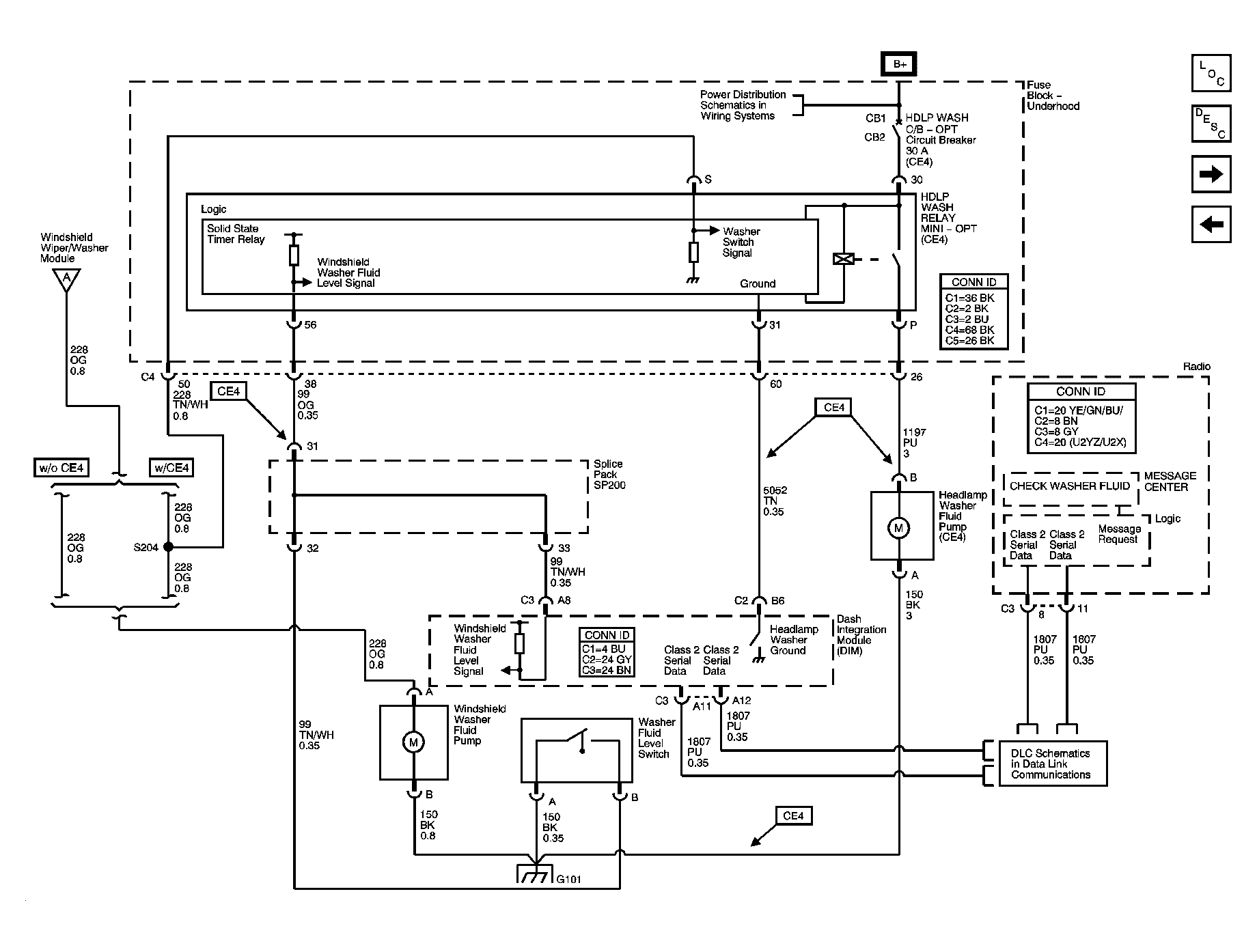
Fig 2: Windshield Washer Fluid Pump, Headlamp Washer Fluid Pump Relay (CE4) and Washer Fluid Level Switch Schematic
GM1317270Courtesy of GENERAL MOTORS CORP.
Fig 3: Heated Washer Nozzles (XA7) Schematic
GM1317303Courtesy of GENERAL MOTORS CORP.