LEMON Manuals: Even more car manuals for everyone: 1960-2025
Home >> Cadillac >> 2003 >> Seville SLS >> Repair and Diagnosis (Single Page) >> Transmission >> Automatic Trans >> Shift Lock Control System >> Schematic and Routing Diagrams >> Automatic Transmission Shift Lock Control Schematics >> Notes
April 5, 2026: LEMON Manuals is launched! Read the announcement.

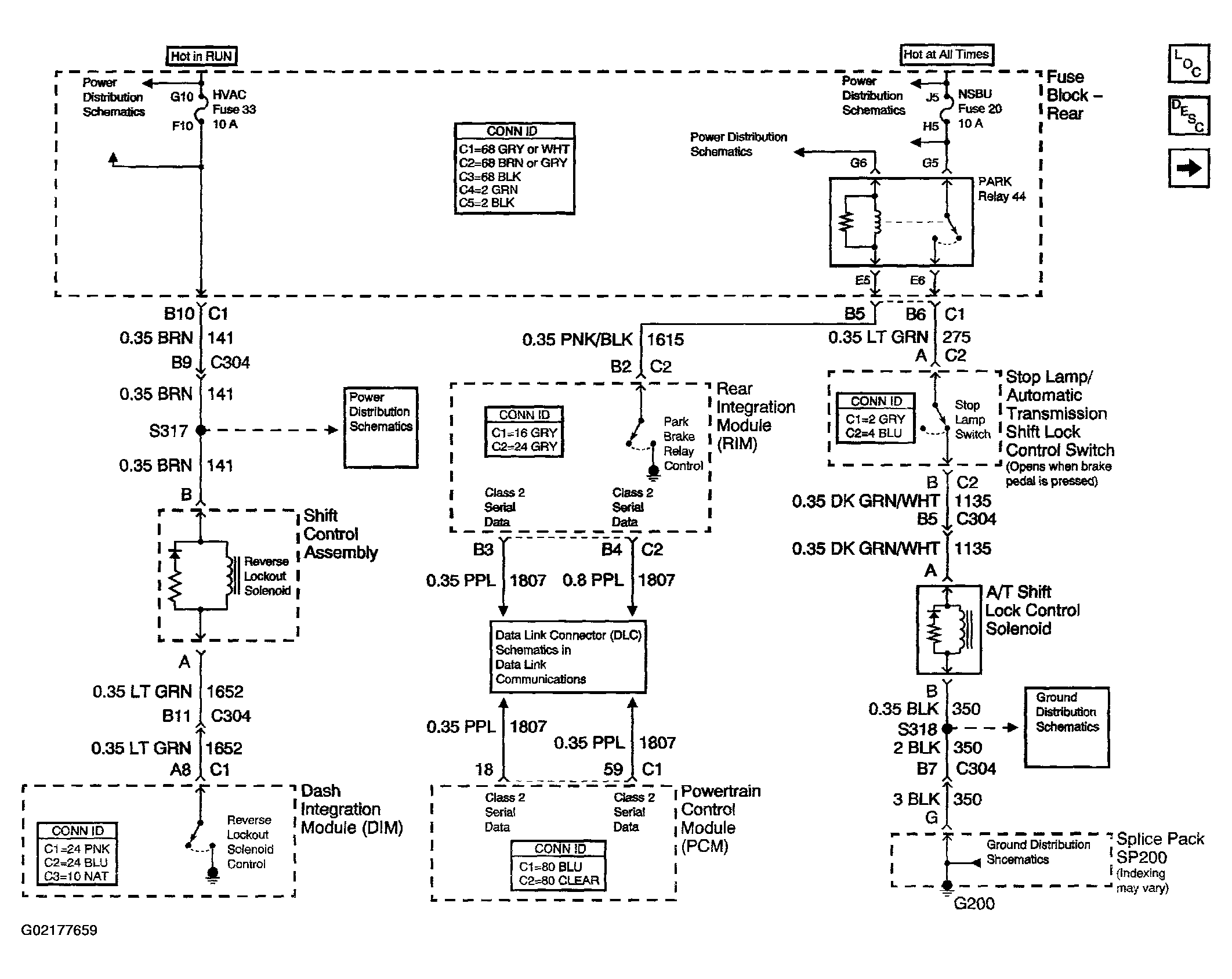
Automatic Transmission Shift Lock Control Schematics: Notes

Fig 1: Automatic Transmission Shift Lock Control Schematics (Reverse Lockout & A/T Shift Lock Control Solenoids)
G02177659Courtesy of GENERAL MOTORS CORP.