LEMON Manuals: Even more car manuals for everyone: 1960-2025
Home >> Cadillac >> 2003 >> Seville SLS >> Repair and Diagnosis >> External Pages >> Different car >> Section 406 (Navigation Systems) >> Schematic and Routing Diagrams >> Navigation System Schematics
April 5, 2026: LEMON Manuals is launched! Read the announcement.

Navigation System Schematics

WARNING: This page is about a different car, the 2003 Cadillac DeVille. However, it is still accessible from the selected car via links, so may be relevant.
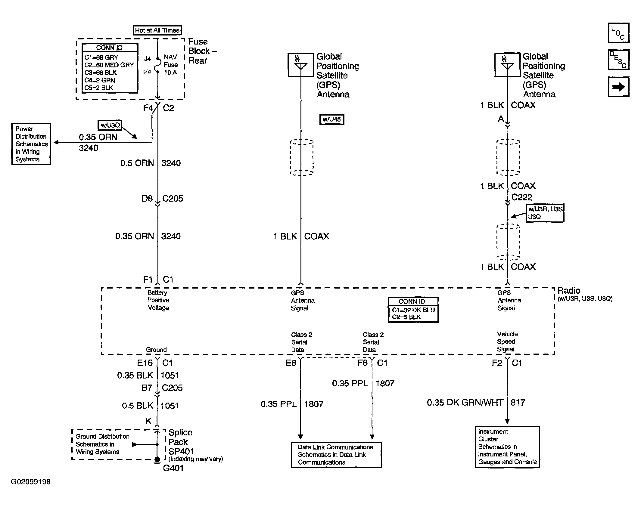
Fig 1: Navigation System Schematics - Power, Ground, Components And GPS
G02099198Courtesy of GENERAL MOTORS CORP.
Fig 2: Navigation System Schematics - Auxiliary RCA Video Jacks And Export Microphone
G02099199Courtesy of GENERAL MOTORS CORP.
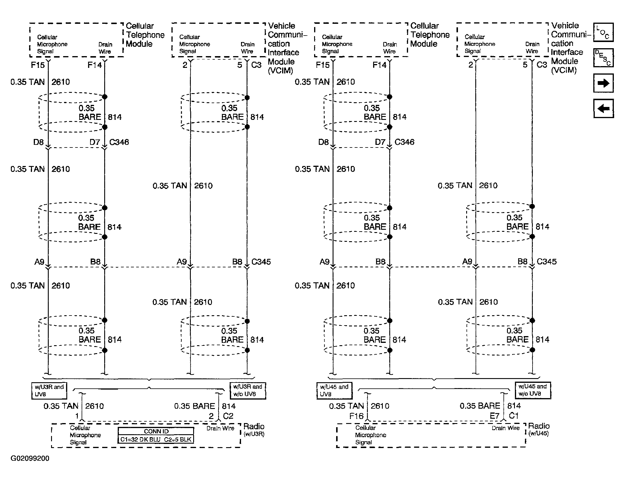
Fig 3: Navigation System Schematics - Domestic Microphone
G02099200Courtesy of GENERAL MOTORS CORP.
Fig 4: Navigation System Schematics - Traffic Information Receiver (VICS)
G02099201Courtesy of GENERAL MOTORS CORP.
Fig 5: Navigation System Schematics - TV Antenna Module
G02099202Courtesy of GENERAL MOTORS CORP.