LEMON Manuals: Even more car manuals for everyone: 1960-2025
Home >> Cadillac >> 2003 >> Seville STS >> Repair and Diagnosis (Single Page) >> Accessories & Equipment >> Entertainment Systems >> Cellular Communication System >> Schematic and Routing Diagrams >> Cellular Telephone Schematics >> Cellular Telephone Schematics - Vehicle Communication Interface Module (VCIM), Microphone, Audio Amplifier (Late Production)
April 5, 2026: LEMON Manuals is launched! Read the announcement.

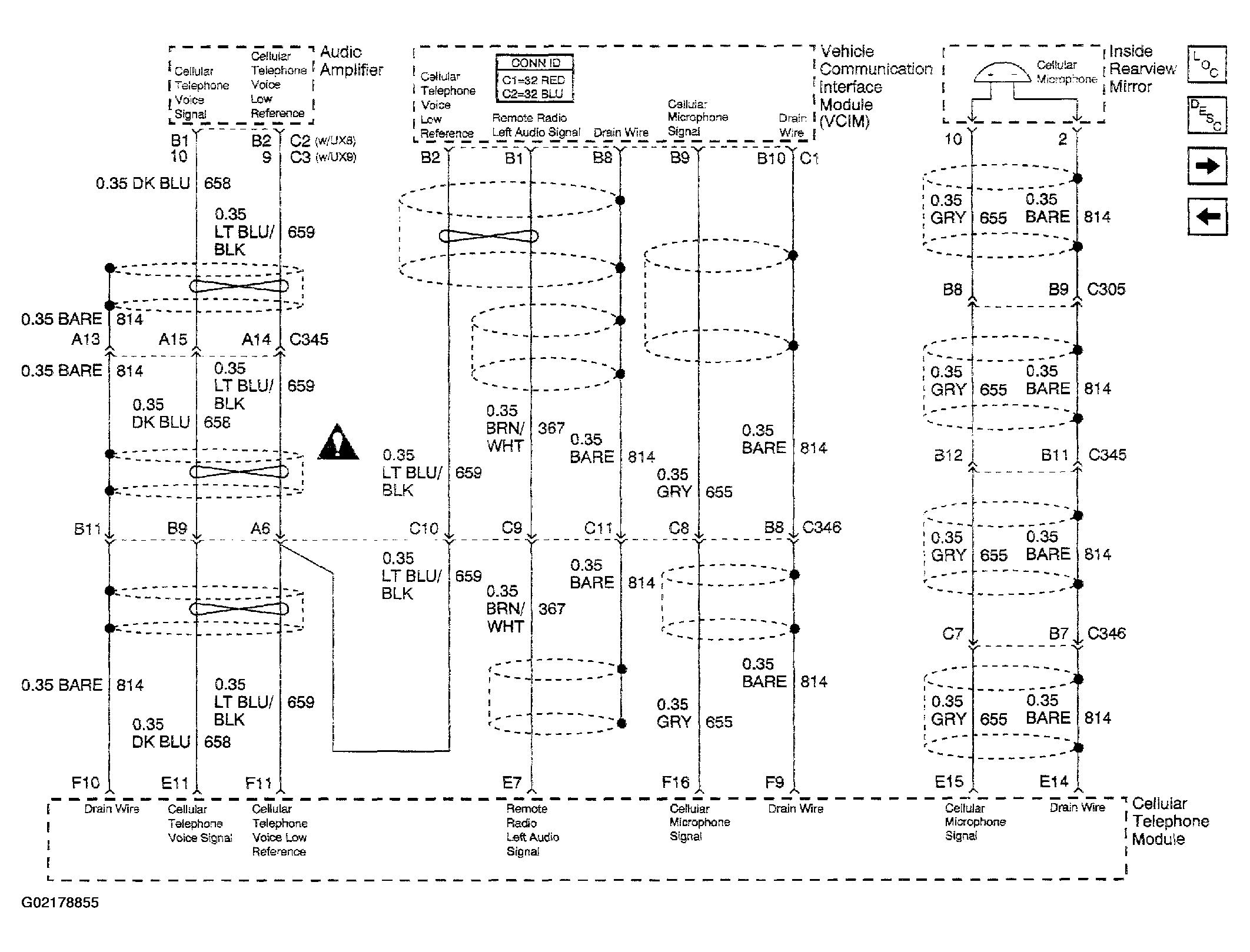
Cellular Telephone Schematics - Vehicle Communication Interface Module (VCIM), Microphone, Audio Amplifier (Late Production)

Fig 1: Cellular Telephone Schematic - Vehicle Communication Interface Module (VCIM), Microphone, Audio Amplifier (Late Production)
G02178855Courtesy of GENERAL MOTORS CORP.