LEMON Manuals: Even more car manuals for everyone: 1960-2025
Home >> Cadillac >> 2003 >> Seville STS >> Repair and Diagnosis >> External Pages >> Different car >> Section 498 (Navigation Systems) >> Schematic and Routing Diagrams >> Navigation System Schematics
April 5, 2026: LEMON Manuals is launched! Read the announcement.

Navigation System Schematics

WARNING: This page is about a different car, the 2004 Cadillac Seville. However, it is still accessible from the selected car via links, so may be relevant.
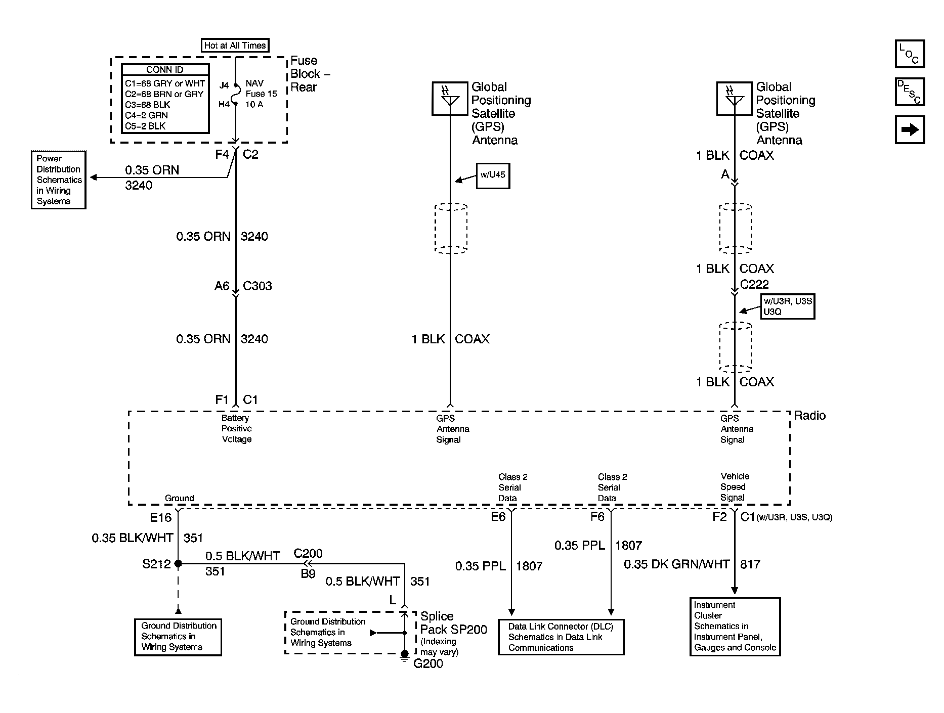
Fig 1: Power, Ground, Components, and GPS Schematic
GM879889Courtesy of GENERAL MOTORS CORP.
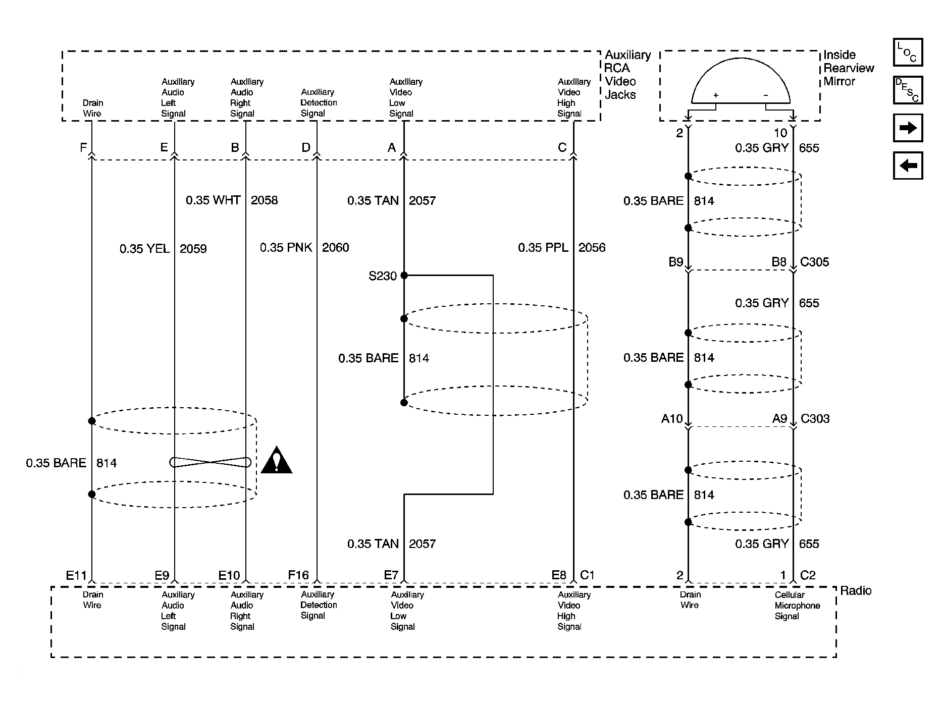
Fig 2: Auxiliary RCA Video Jacks and Export Microphone Schematic
GM788001Courtesy of GENERAL MOTORS CORP.
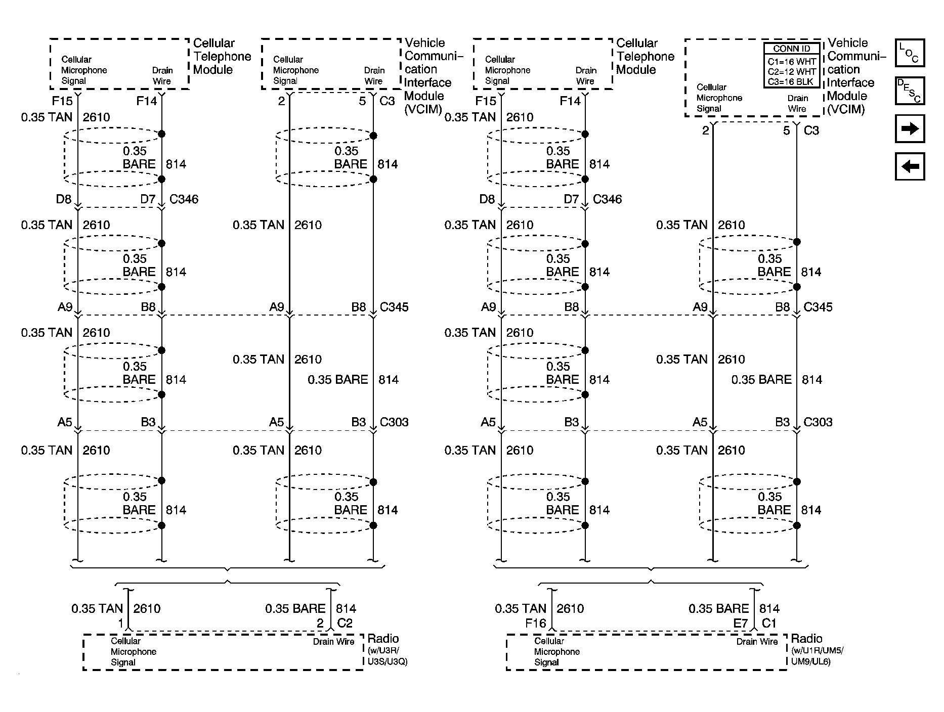
Fig 3: Domestic Microphone (Late Production) Schematic
GM1202067Courtesy of GENERAL MOTORS CORP.
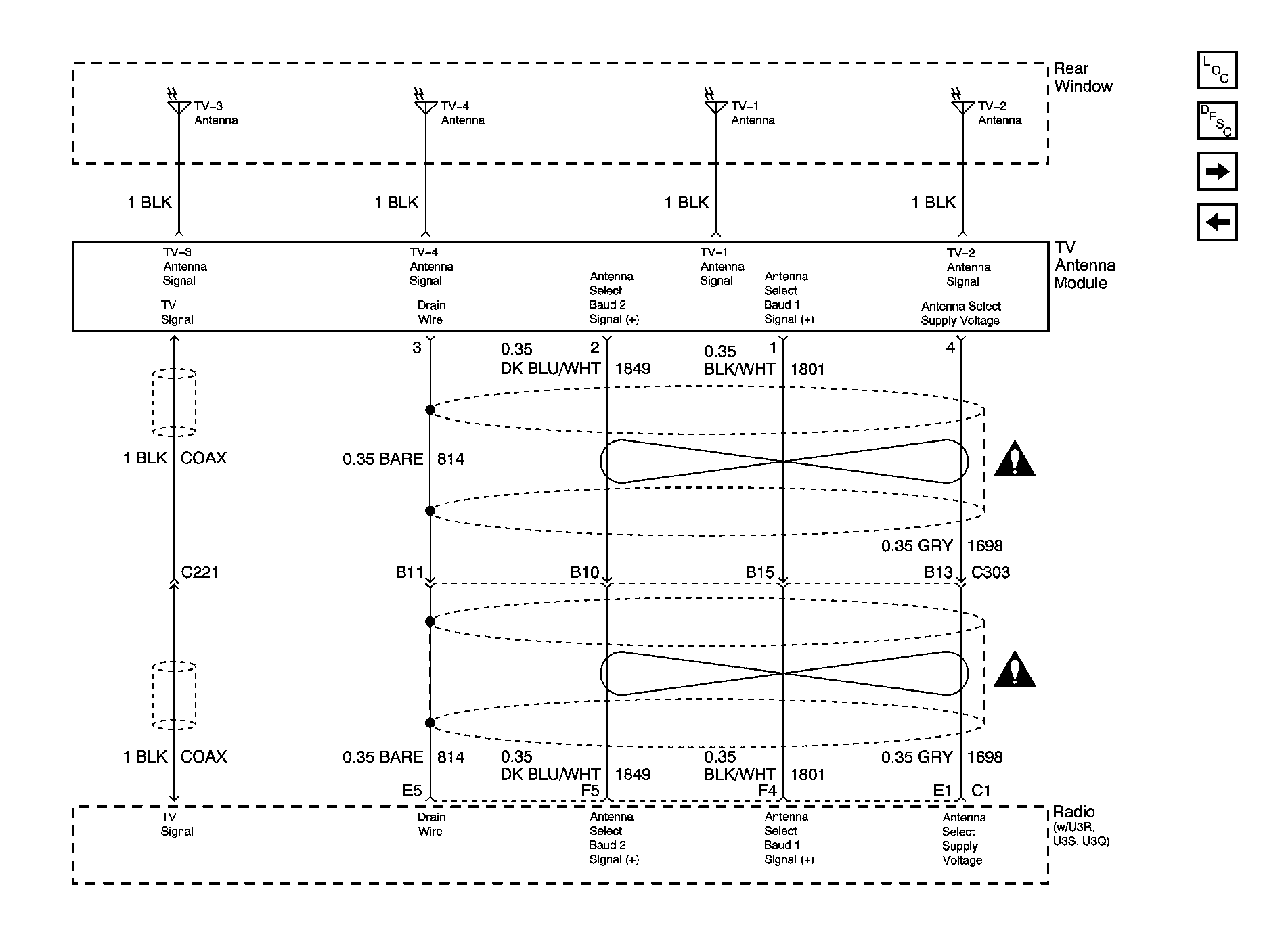
Fig 4: TV Antenna Module Schematic
GM788004Courtesy of GENERAL MOTORS CORP.
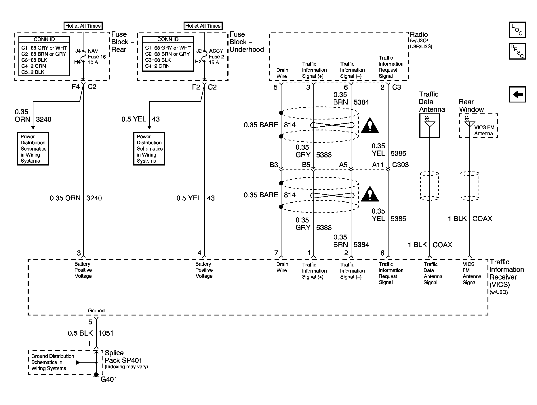
Fig 5: Traffic Information Receiver (VICS) Schematic
GM879892Courtesy of GENERAL MOTORS CORP.