LEMON Manuals: Even more car manuals for everyone: 1960-2025
Home >> Cadillac >> 2003 >> Seville V8-4.6L VIN 9 >> Repair and Diagnosis >> Body and Frame >> Body Control Systems >> Body Control Module >> Locations
April 5, 2026: LEMON Manuals is launched! Read the announcement.

Body Control Module: Locations

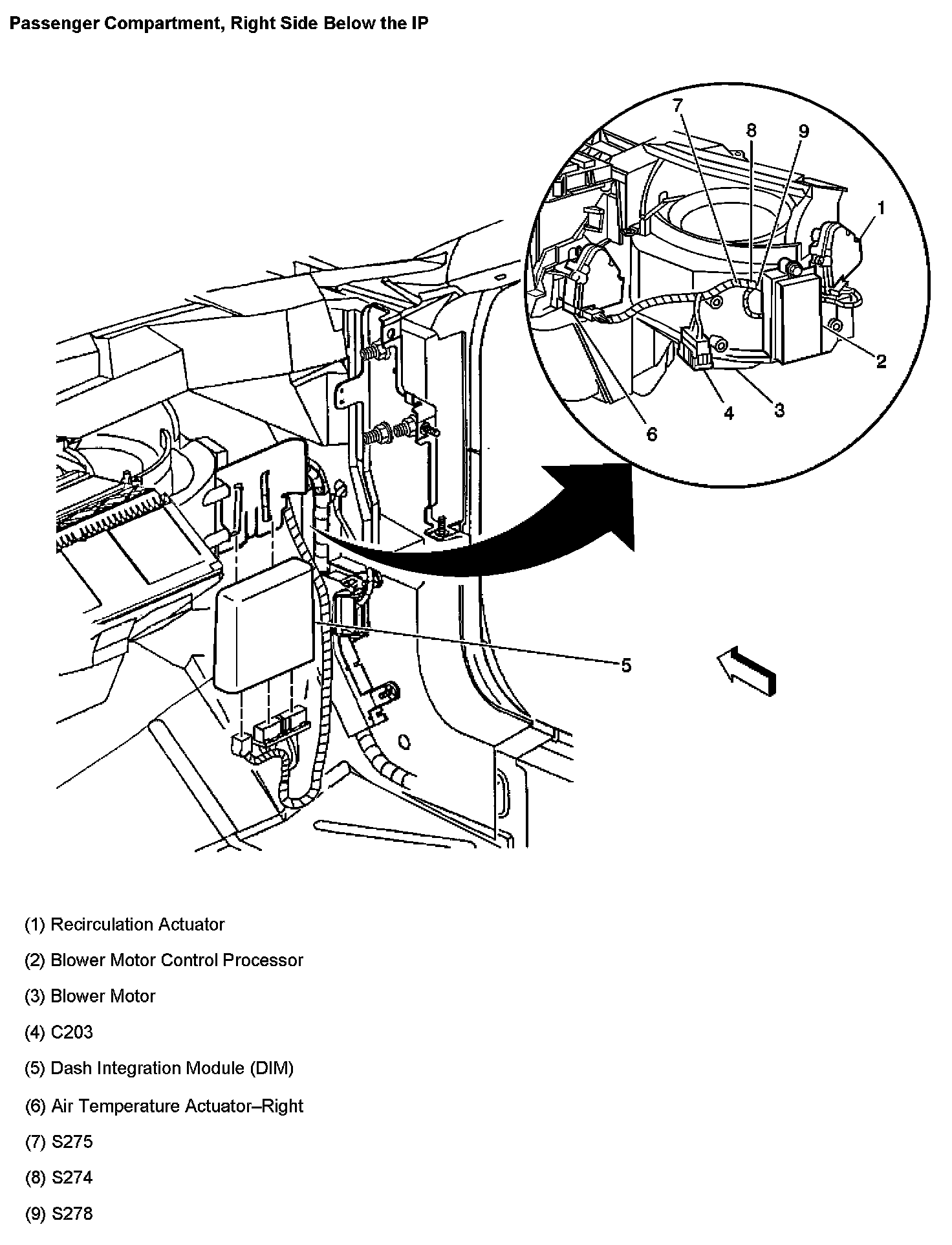
Passenger Compartment Right Side Below The IP:



Passenger Compartment, Right Side Below The IP:



Passenger Compartment, In The Center Of The Instrument Panel:



Passenger Compartment, Center Of The Instrument Panel:



Body Control Module Sub-System: