LEMON Manuals: Even more car manuals for everyone: 1960-2025
Home >> Cadillac >> 2003 >> Seville V8-4.6L VIN 9 >> Repair and Diagnosis >> Steering and Suspension >> Steering >> Steering Column >> Steering Column Control Module >> Service and Repair >> Steering Column Control Module Replacement
April 5, 2026: LEMON Manuals is launched! Read the announcement.

Steering Column Control Module Replacement

Steering Column Control Module Replacement

Removal Procedure

Caution: Refer to SIR Caution in Service Precautions.

1. Disable the SIR system.
2. Remove the knee bolster.





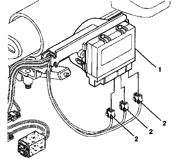
3. Disconnect the electrical connectors (2) on the steering column control module.





4. Remove the control module (2) from the wire harness shield (1) of the lower steering column by pulling the module outward to release the retaining clips and sliding the module downward.

Installation Procedure





1. Install the control module (2) to the wire harness shield (1) of the lower steering column.





2. Connect the control module electrical connectors (2).
3. Install the knee bolster.
4. Enable the SIR system.
5. Program the steering column control module. Programming and Relearning