LEMON Manuals: Even more car manuals for everyone: 1960-2025
Home >> Cadillac >> 2004 >> CTS Base, 3.6 7 >> Repair and Diagnosis >> Engine Performance >> System >> Engine Controls - 3.6L - Introduction >> Schematic and Routing Diagrams >> Engine Controls Schematics
April 5, 2026: LEMON Manuals is launched! Read the announcement.

Engine Controls Schematics

Fig 1: Module Power, Ground, MIL and Serial Data
GM843471Courtesy of GENERAL MOTORS CORP.
Fig 2: Engine Data Sensors - 5-volt Reference
GM843476Courtesy of GENERAL MOTORS CORP.
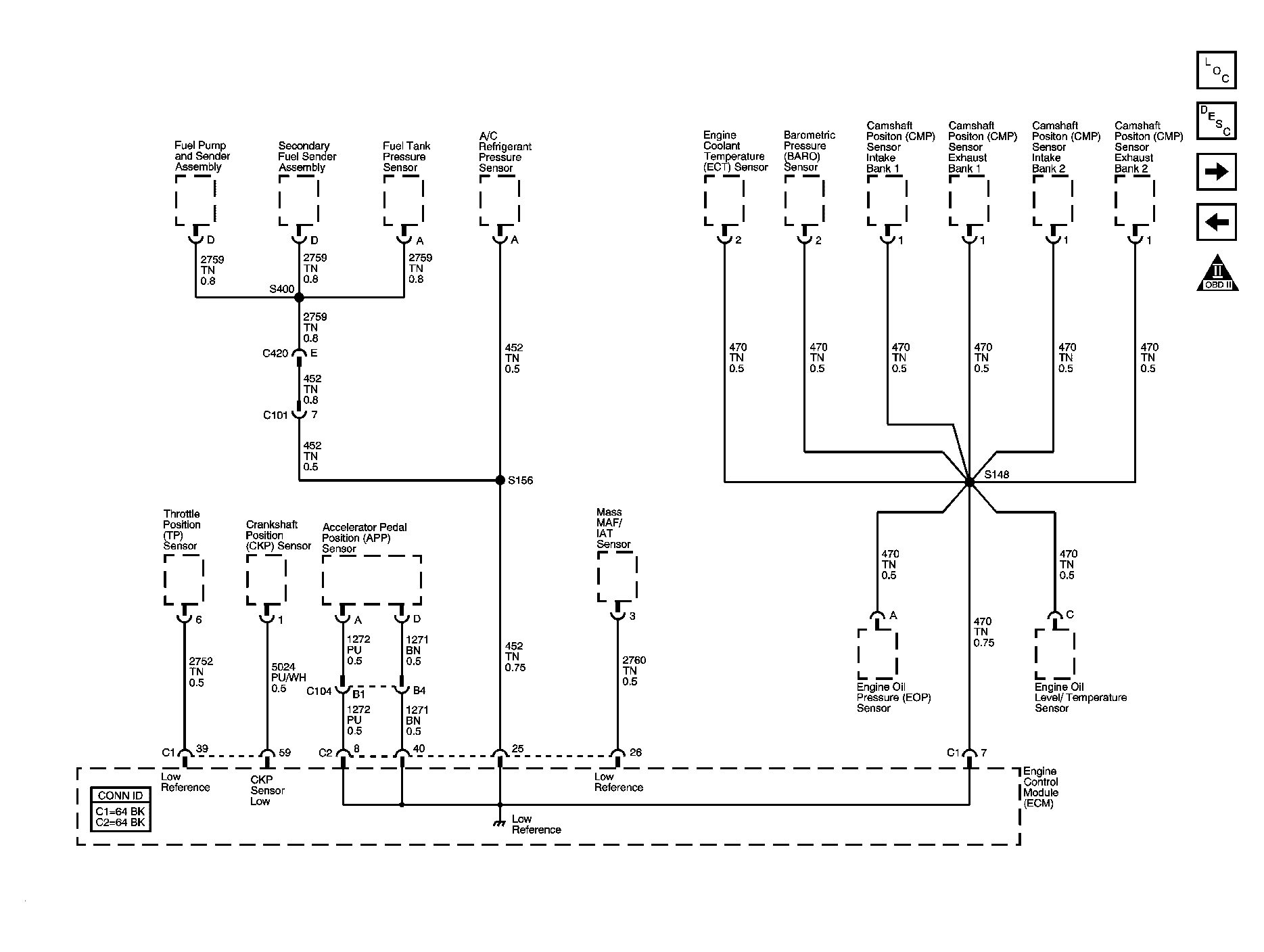
Fig 3: Engine Data Sensors - Low Reference
GM847479Courtesy of GENERAL MOTORS CORP.
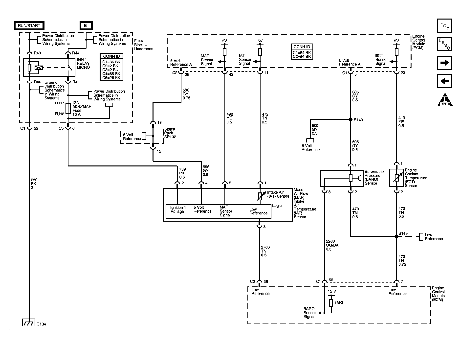
Fig 4: Engine Data Sensors - Pressure, Temperature, and MAF
GM843478Courtesy of GENERAL MOTORS CORP.
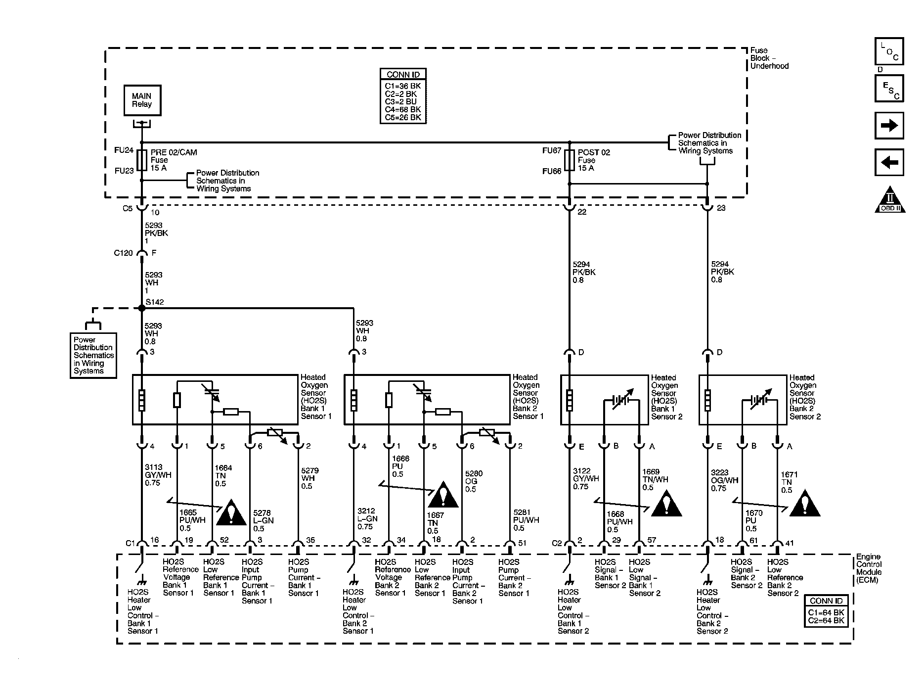
Fig 5: Engine Data Sensors - Oxygen Sensors
GM843482Courtesy of GENERAL MOTORS CORP.
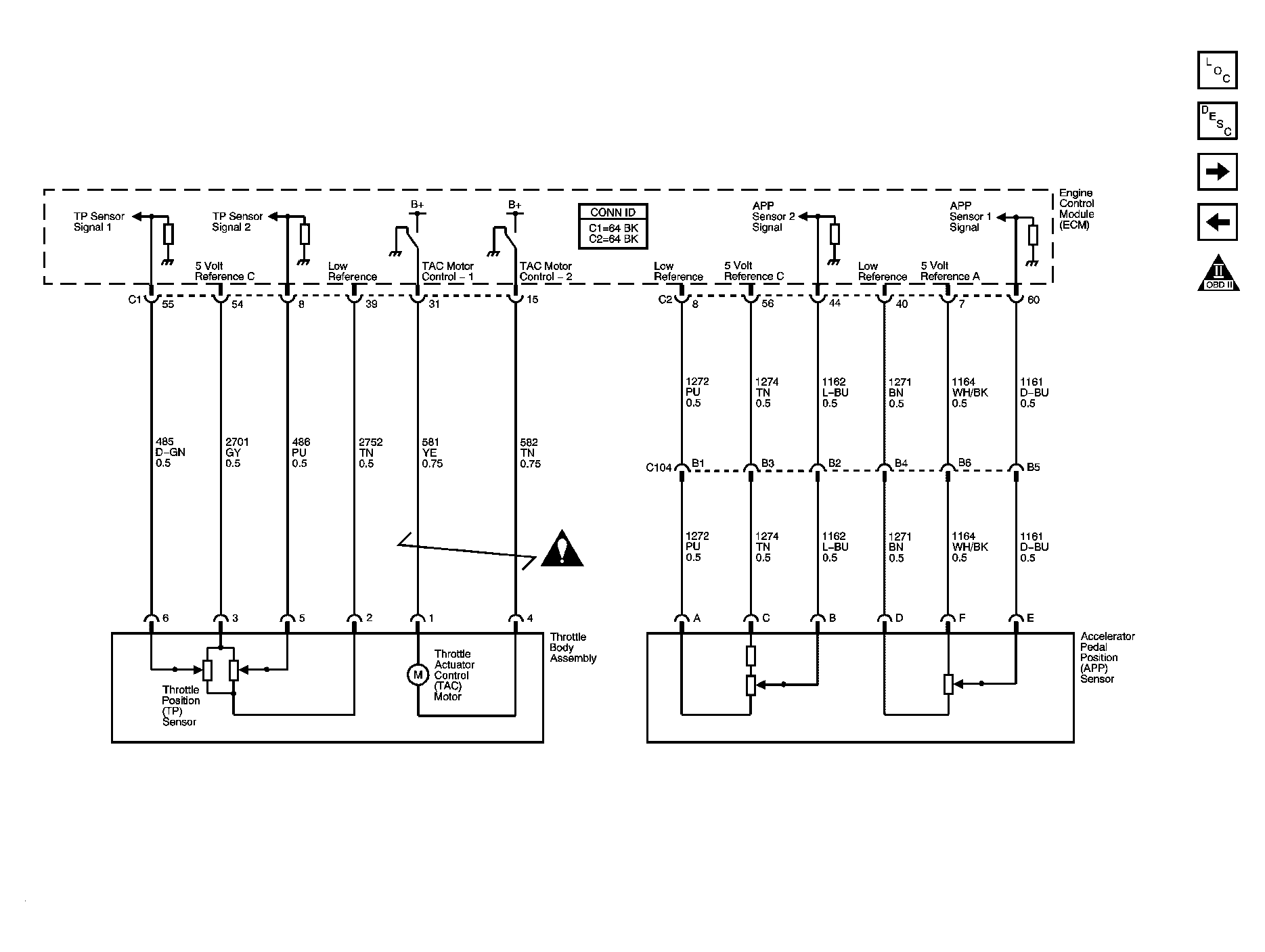
Fig 6: Engine Data Sensors - Throttle Actuator Controls
GM1318774Courtesy of GENERAL MOTORS CORP.
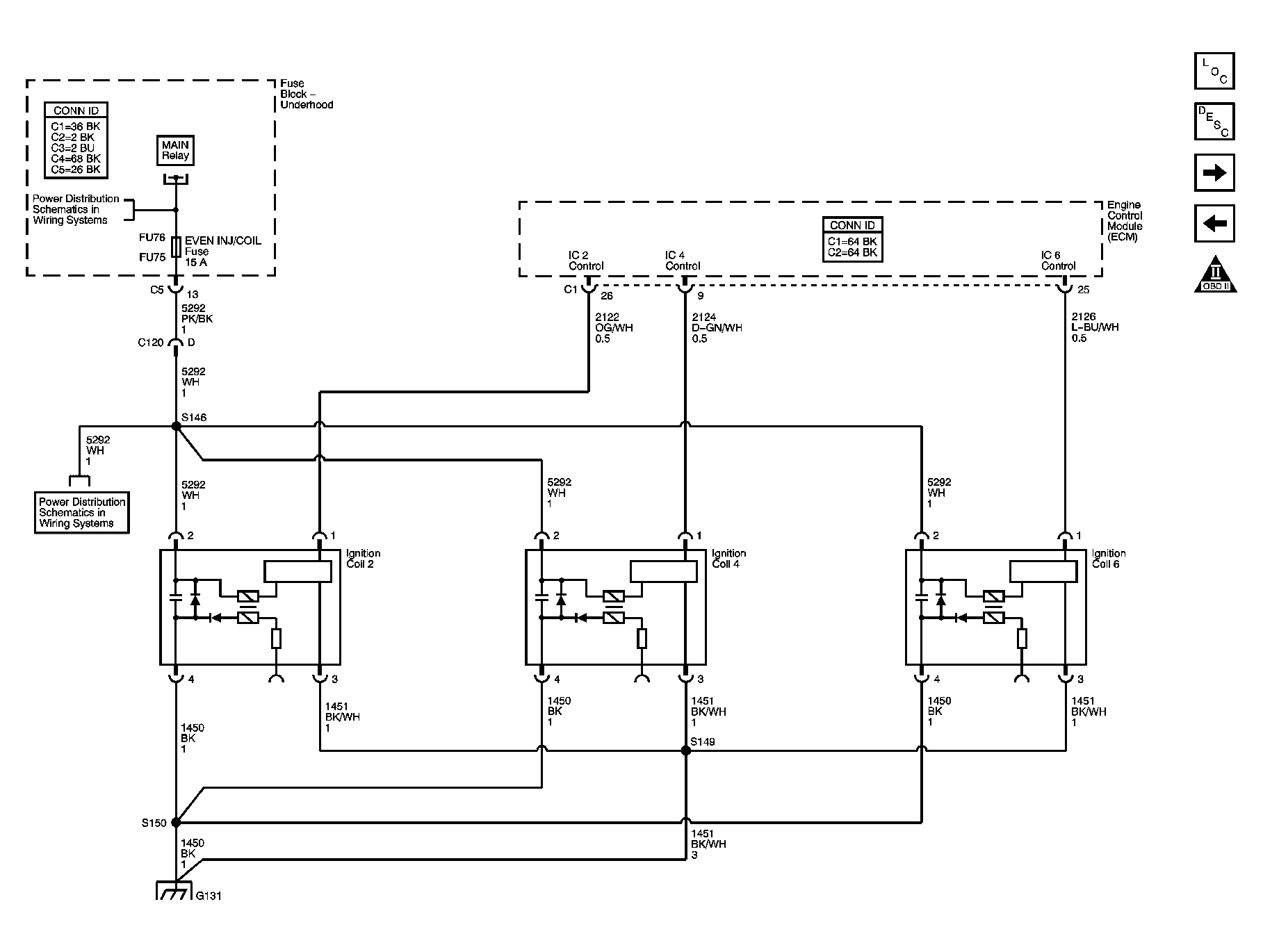
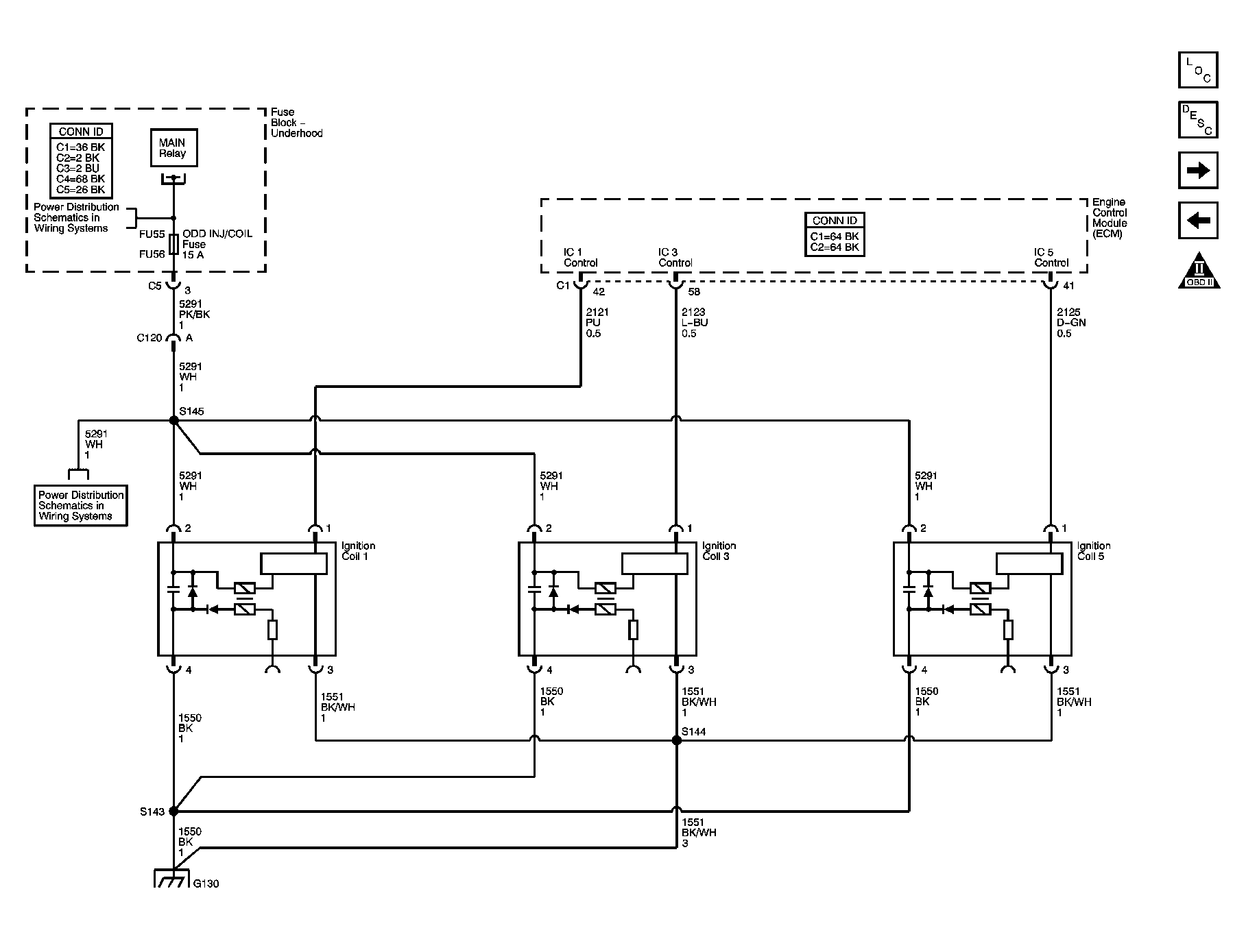
Fig 7: Ignition Controls - Bank 1 Ignition Coils
GM843486Courtesy of GENERAL MOTORS CORP.
Fig 8: Ignition Controls - Bank 2 Ignition Coils
GM848479Courtesy of GENERAL MOTORS CORP.
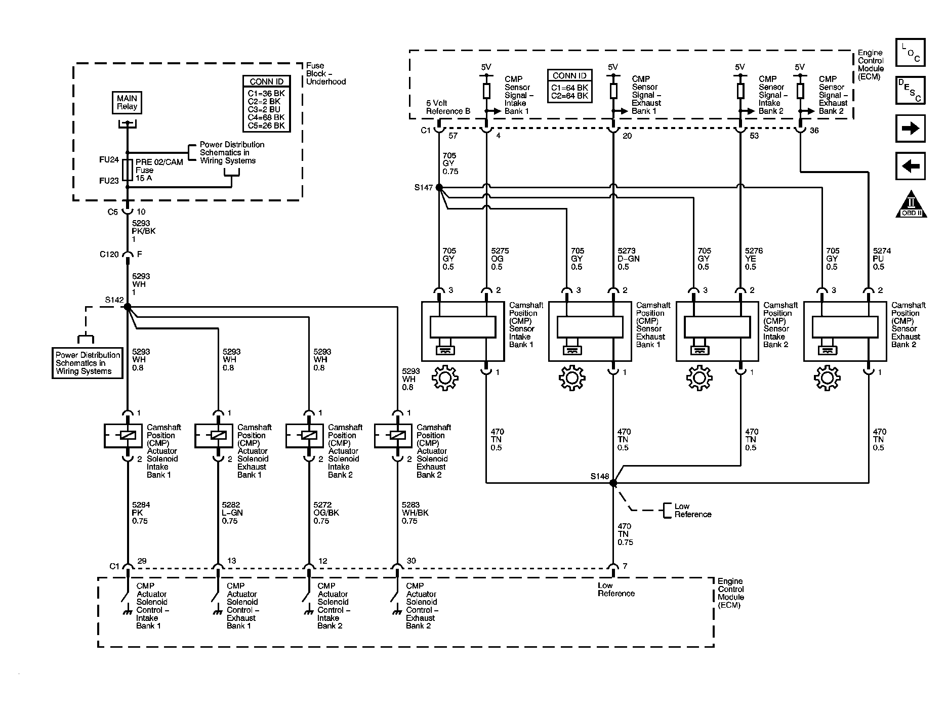
Fig 9: Ignition Controls - CMP Sensors and Solenoids
GM843488Courtesy of GENERAL MOTORS CORP.
Fig 10: Ignition Controls - CKP and Knock Sensors
GM843490Courtesy of GENERAL MOTORS CORP.
Fig 11: Fuel Controls - Fuel Injectors and Fuel Pump and Sender Assembly
GM1300547Courtesy of GENERAL MOTORS CORP.
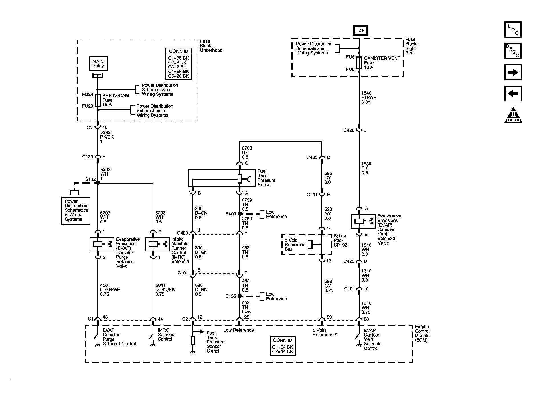
Fig 12: Fuel Controls - EVAP Controls and IMRC Solenoid
GM843495Courtesy of GENERAL MOTORS CORP.
Fig 13: Controlled/Monitored Subsystem References
GM843499Courtesy of GENERAL MOTORS CORP.