LEMON Manuals: Even more car manuals for everyone: 1960-2025
Home >> Cadillac >> 2004 >> CTS V >> Repair and Diagnosis >> Engine Performance >> System >> Engine Controls - 5.7L - Introduction >> Schematic and Routing Diagrams >> Engine Controls Schematics
April 5, 2026: LEMON Manuals is launched! Read the announcement.

Engine Controls Schematics

Fig 1: Power, Ground, Serial Data, DIC and Indicator
GM1343576Courtesy of GENERAL MOTORS CORP.
Fig 2: Engine Data Sensors - 5 Volt and Low Reference Buses
GM1343584Courtesy of GENERAL MOTORS CORP.
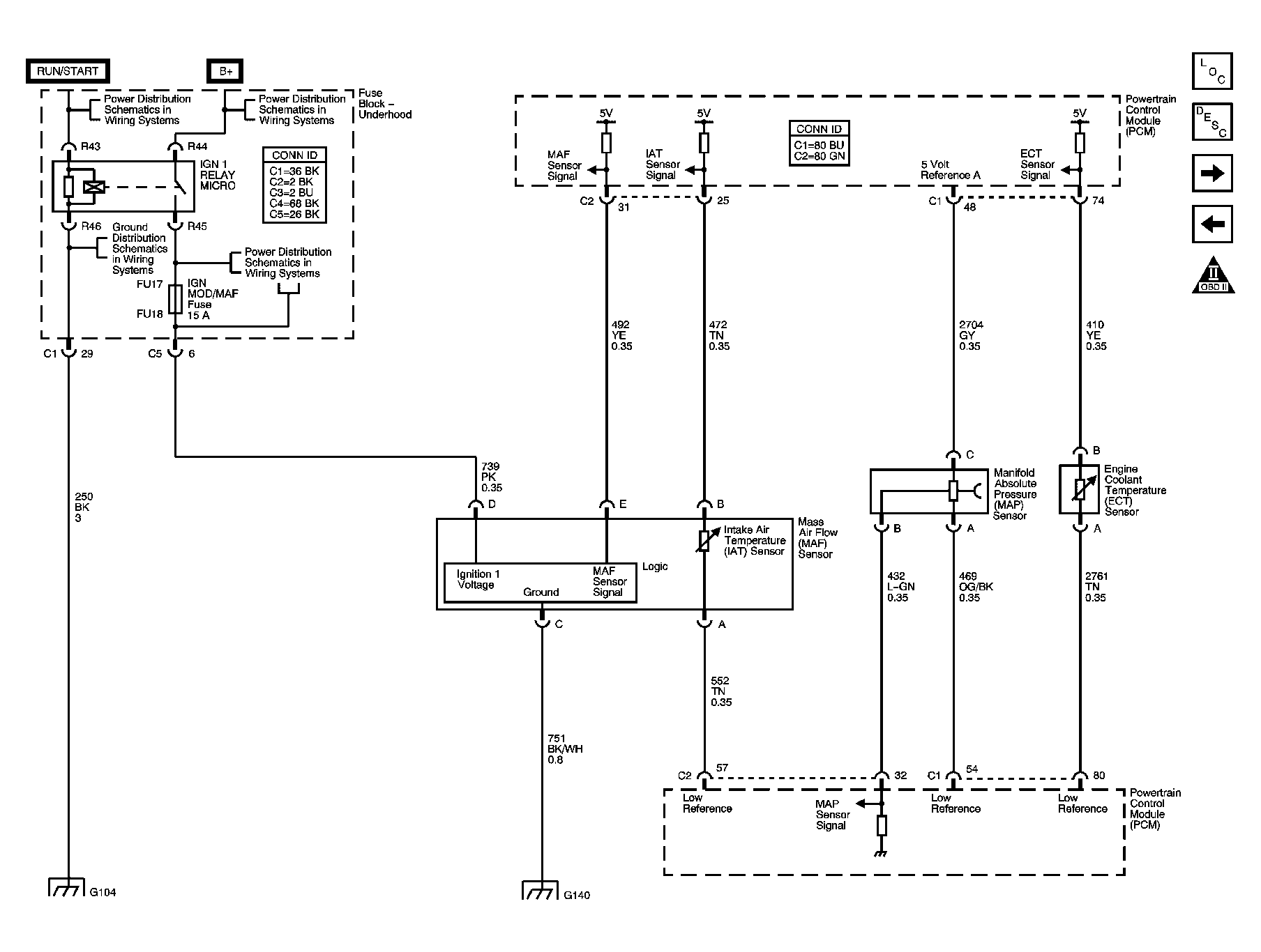
Fig 3: Engine Data Sensors - MAP, ECT, MAF and IAT Sensors
GM1343587Courtesy of GENERAL MOTORS CORP.
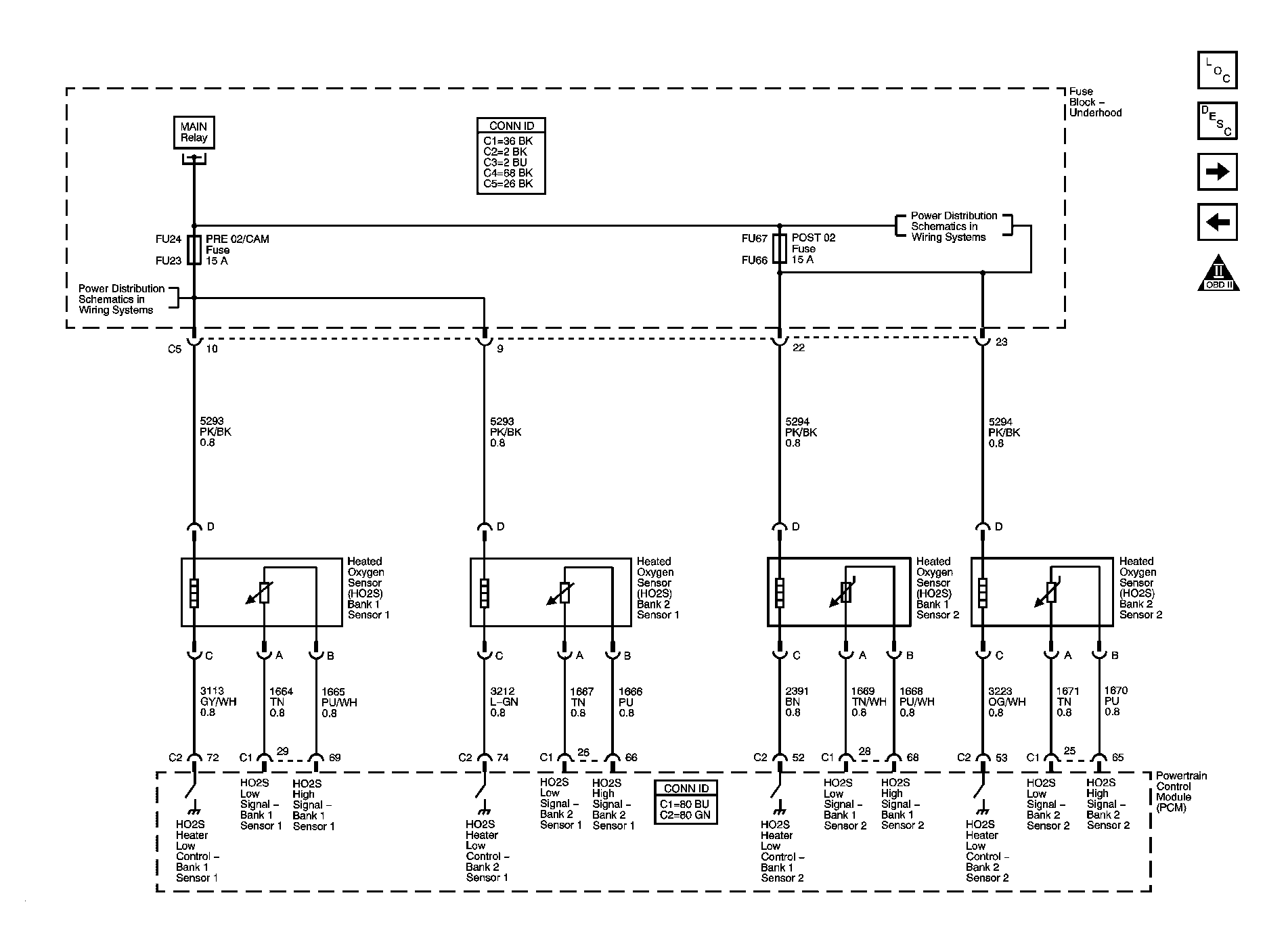
Fig 4: Engine Data Sensors - Heated Oxygen Sensors (HO2S)
GM1343588Courtesy of GENERAL MOTORS CORP.
Fig 5: Engine Data Sensors - Throttle Actuator Control (TAC) System
GM1343589Courtesy of GENERAL MOTORS CORP.
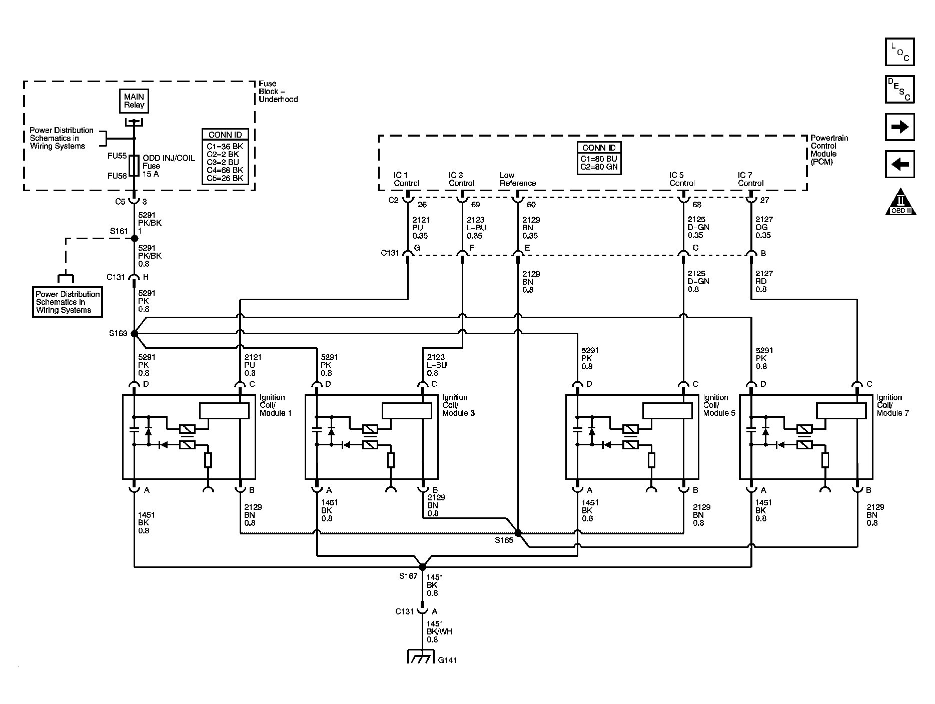
Fig 6: Ignition Controls - Odd Ignition Coils
GM1343590Courtesy of GENERAL MOTORS CORP.
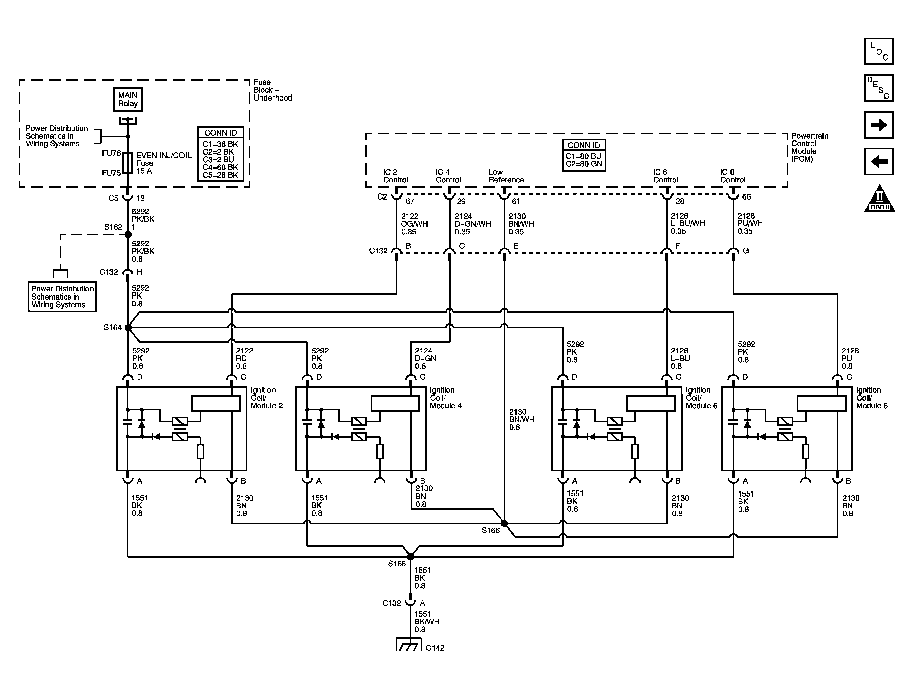
Fig 7: Ignition Controls - Even Ignition Coils
GM1343591Courtesy of GENERAL MOTORS CORP.
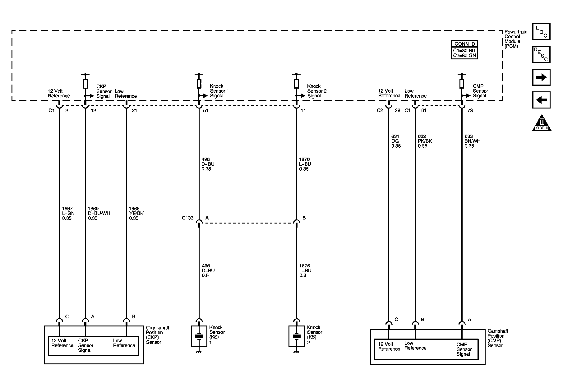
Fig 8: Ignition Controls - Knock, CKP and CMP Sensors
GM1343595Courtesy of GENERAL MOTORS CORP.
Fig 9: Fuel Controls - Fuel Injectors and Fuel Pump and Sender Assembly
GM1343600Courtesy of GENERAL MOTORS CORP.
Fig 10: Fuel Controls - EVAP Controls
GM1343602Courtesy of GENERAL MOTORS CORP.
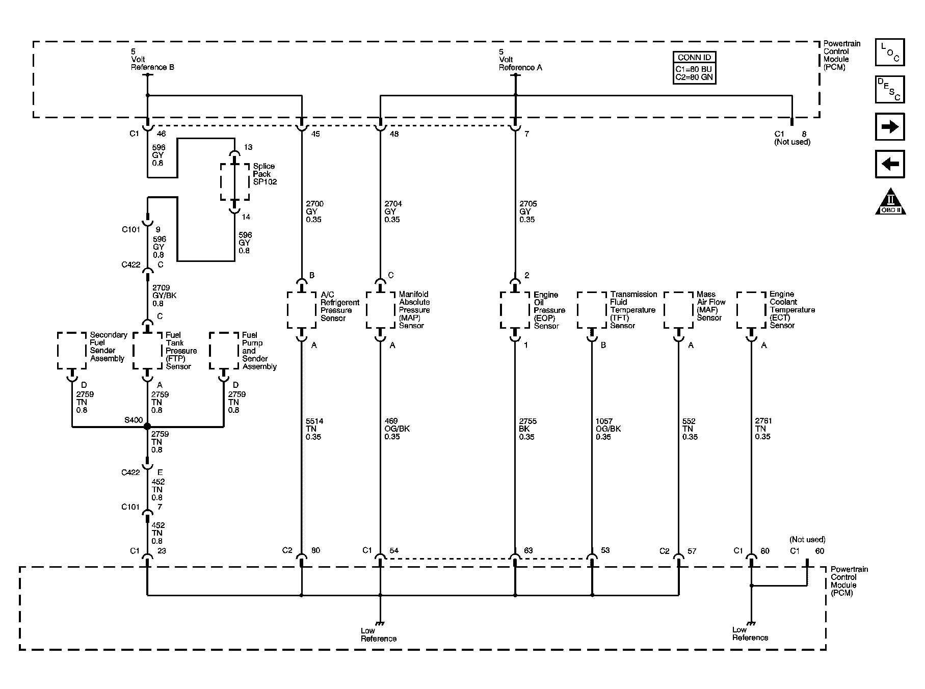
Fig 11: Controlled/Monitored Subsystem References
GM1343603Courtesy of GENERAL MOTORS CORP.