LEMON Manuals: Even more car manuals for everyone: 1960-2025
Home >> Cadillac >> 2004 >> Escalade EXT >> Repair and Diagnosis >> External Pages >> Different car >> Section 199 (Engine Control System) >> Control System Wiring Diagram >> California Emission Regulation Applicable Model
April 5, 2026: LEMON Manuals is launched! Read the announcement.

California Emission Regulation Applicable Model

WARNING: This page is about a different car, the 2004 Mazda 3. However, it is still accessible from the selected car via links, so may be relevant.
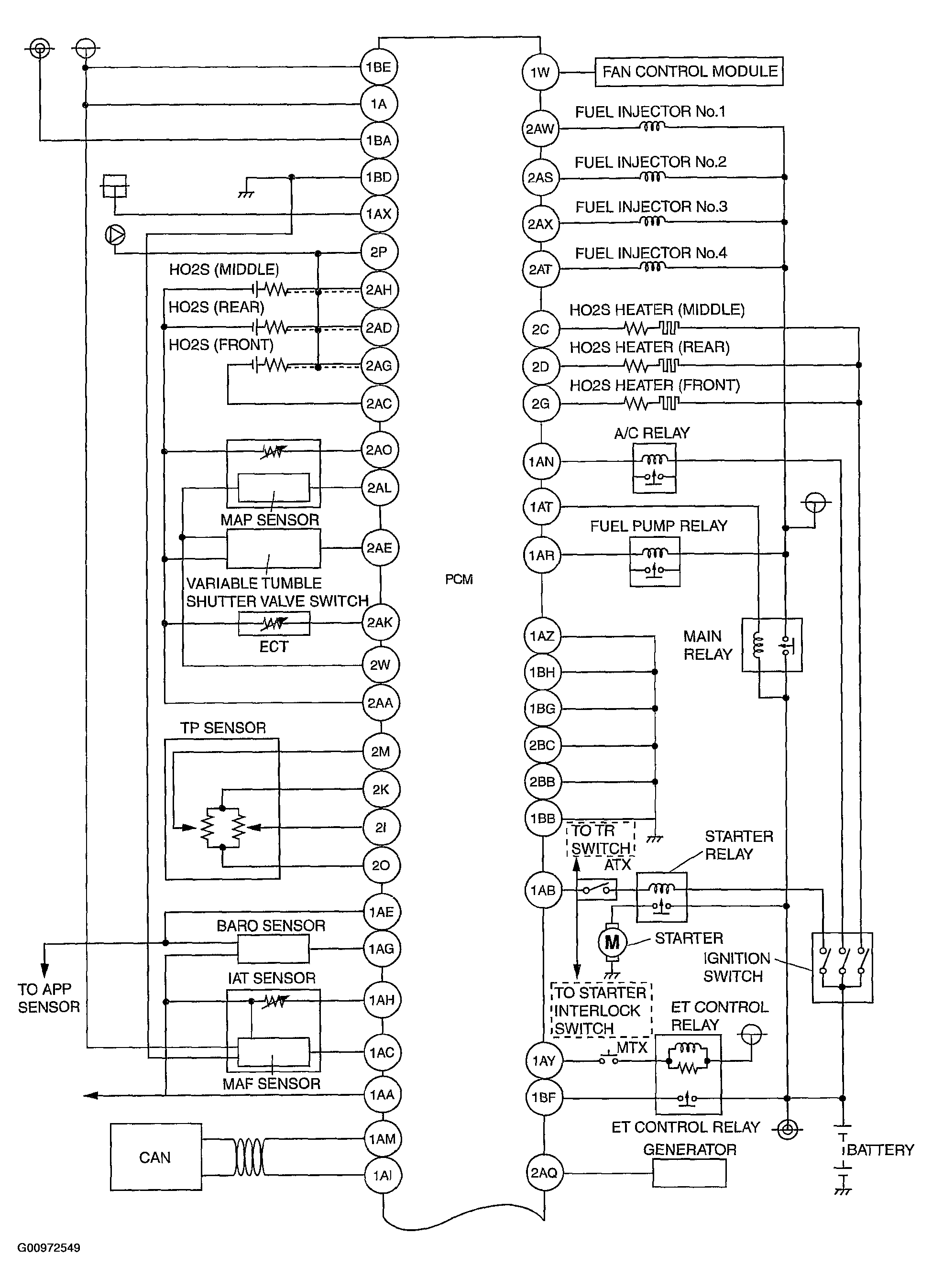
Fig 1: Control System Wiring Diagram-California Emission Regulation Applicable Model (1 Of 2)
G00972549Courtesy of MAZDA MOTORS CORP.
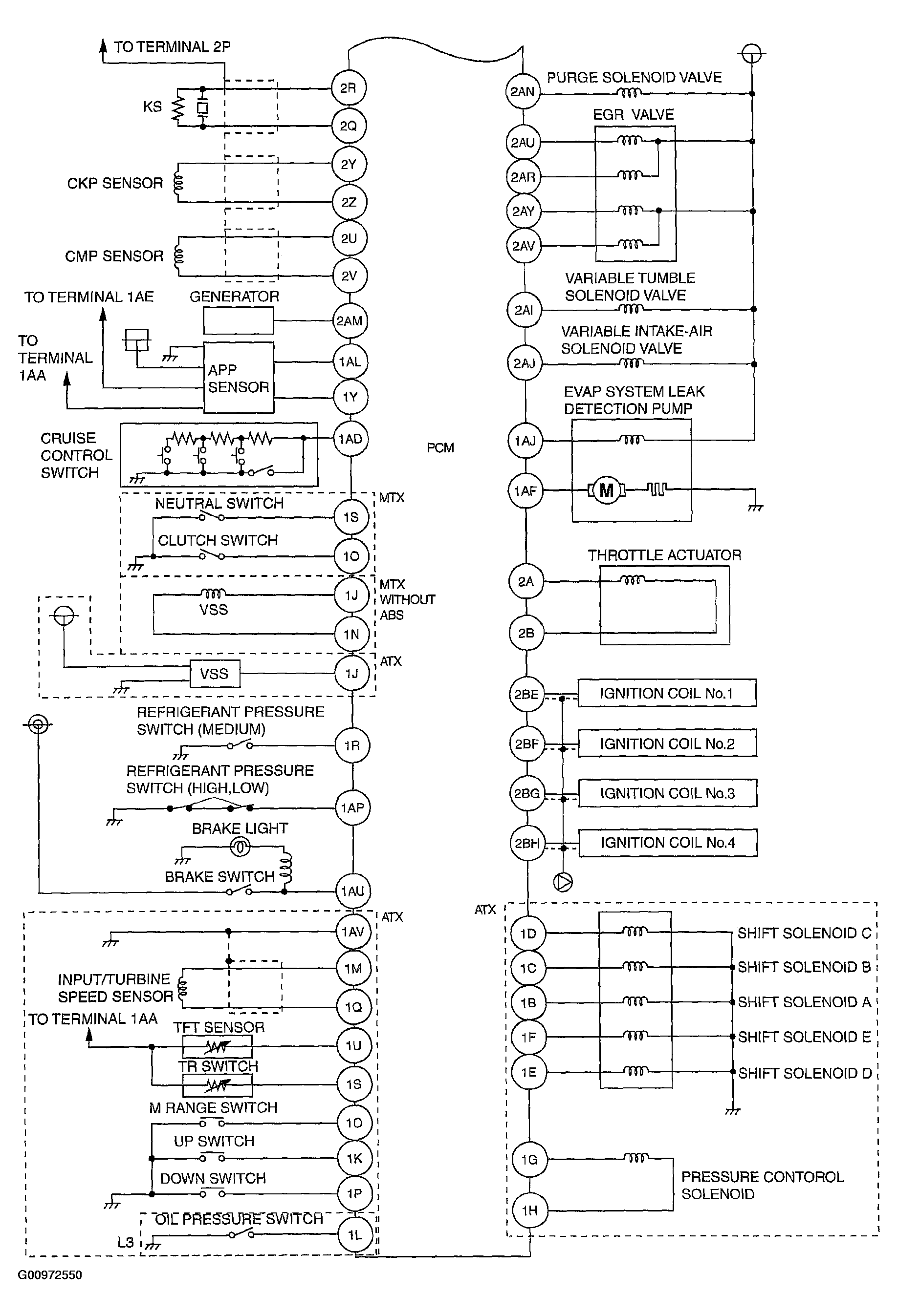
Fig 2: Control System Wiring Diagram-California Emission Regulation Applicable Model (2 Of 2)
G00972550Courtesy of MAZDA MOTORS CORP.