LEMON Manuals: Even more car manuals for everyone: 1960-2025
Home >> Cadillac >> 2004 >> Escalade EXT >> Repair and Diagnosis >> External Pages >> Different car >> Section 413 (Engine Control System - 8.1L (Introduction)) >> Repair Instructions >> Camshaft Position (CMP) Sensor Replacement >> Installation Procedure
April 5, 2026: LEMON Manuals is launched! Read the announcement.

Installation Procedure

WARNING: This page is about a different car, the 2004 GMC Yukon XL, 2004 Chevrolet Suburban, and 2004 Chevrolet Avalanche. However, it is still accessible from the selected car via links, so may be relevant.
IMPORTANT: Inspect the CMP sensor O-ring for wear or damage. If a problem is found, replace the O-ring. Lubricate the new O-ring with engine oil before installing.
    Fig 1: View Of CMP Sensor & Bolt
    GM858218Courtesy of GENERAL MOTORS CORP.
    NOTE: Refer to Fastener Notice in Cautions and Notices.
  1. Install the CMP sensor.
  2. Install the CMP sensor bolt.

    Tighten:  Tighten the bolt to 12 N.m (106 lb in).

  3. Fig 2: View Of CMP Sensor Electrical Connector
    GM750902Courtesy of GENERAL MOTORS CORP.
  4. Connect the CMP sensor electrical connector (1).
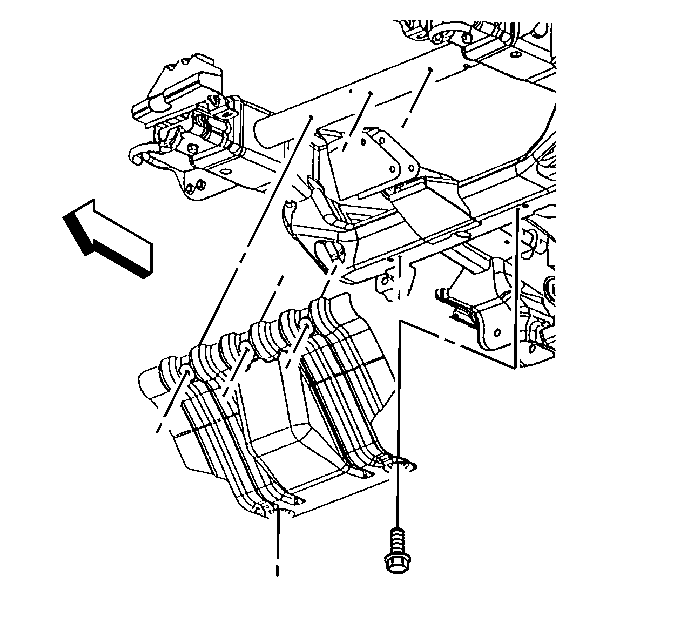
  5. Fig 3: View Of Engine Protection Shield
    GM349061Courtesy of GENERAL MOTORS CORP.
  6. Install the engine shield and bolts, if equipped.

    Tighten:  Tighten the bolt to 20 N.m (15 lb ft).

  7. Lower the vehicle.