LEMON Manuals: Even more car manuals for everyone: 1960-2025
Home >> Cadillac >> 2004 >> Escalade EXT >> Repair and Diagnosis >> External Pages >> Different car >> Section 584 (Seat System) >> Schematic and Routing Diagram >> Memory Seats Schematics
April 5, 2026: LEMON Manuals is launched! Read the announcement.

Memory Seats Schematics

WARNING: This page is about a different car, the 2003 GMC Sierra, 2003 GMC Cab & Chassis Sierra, 2003 Chevrolet Silverado, and 2003 Chevrolet Cab & Chassis Silverado. However, it is still accessible from the selected car via links, so may be relevant.
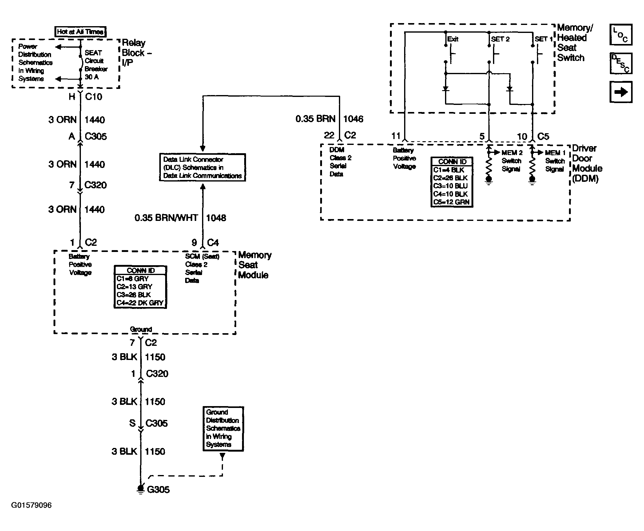
Fig 1: Memory Seats Schematics (Power, Ground, Class 2 & Memory Seat Controls)
G01579096Courtesy of GENERAL MOTORS CORP.
Fig 2: Memory Seats Schematics (Seat Adjuster Switch)
G01579097Courtesy of GENERAL MOTORS CORP.
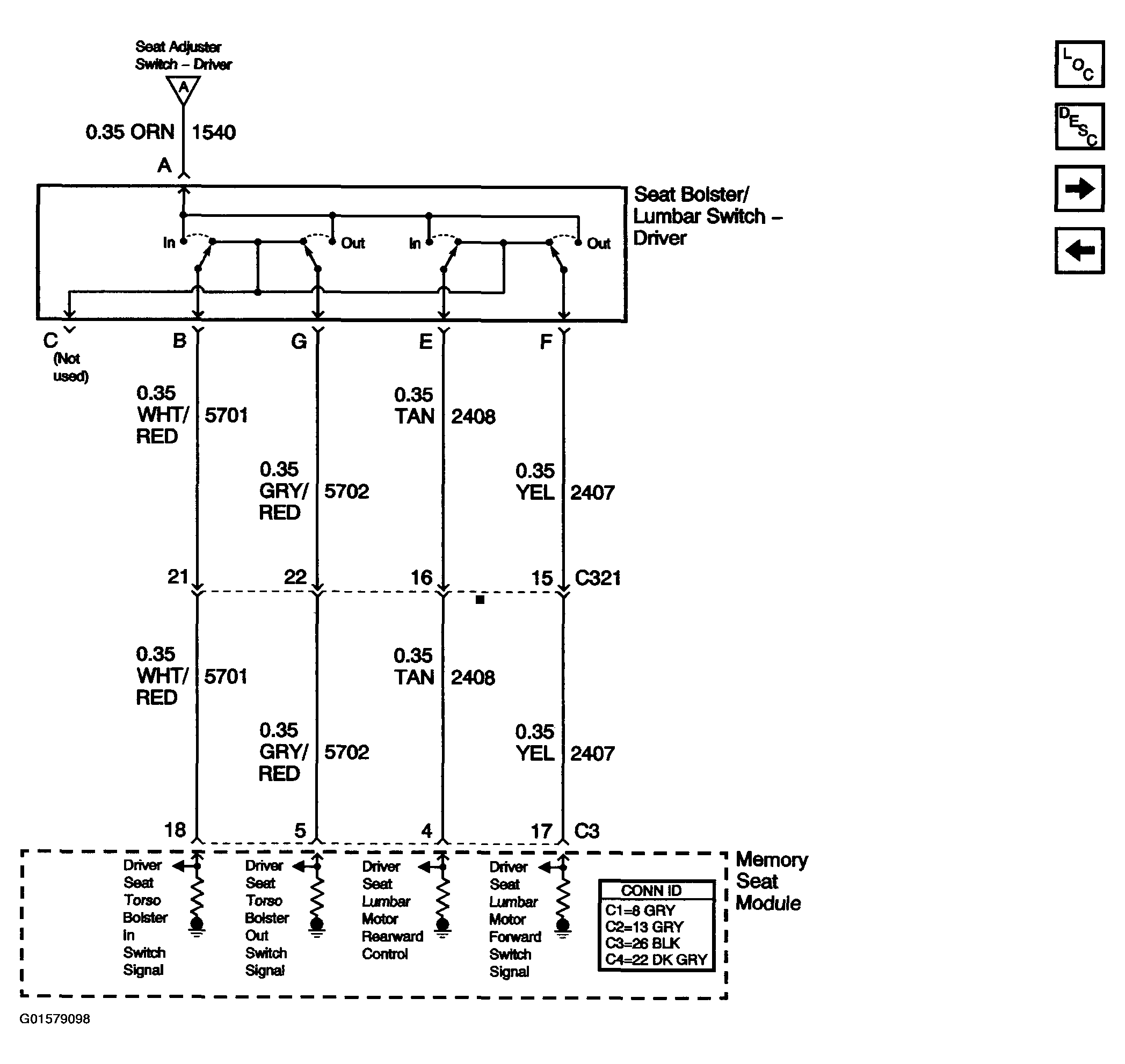
Fig 3: Memory Seats Schematics (Seat Bolster/Lumber Switch)
G01579098Courtesy of GENERAL MOTORS CORP.
Fig 4: Memory Seats Schematics (Seat Motors 1 Of 2)
G01579099Courtesy of GENERAL MOTORS CORP.
Fig 5: Memory Seats Schematics (Seat Motors 2 Of 2)
G01579100Courtesy of GENERAL MOTORS CORP.
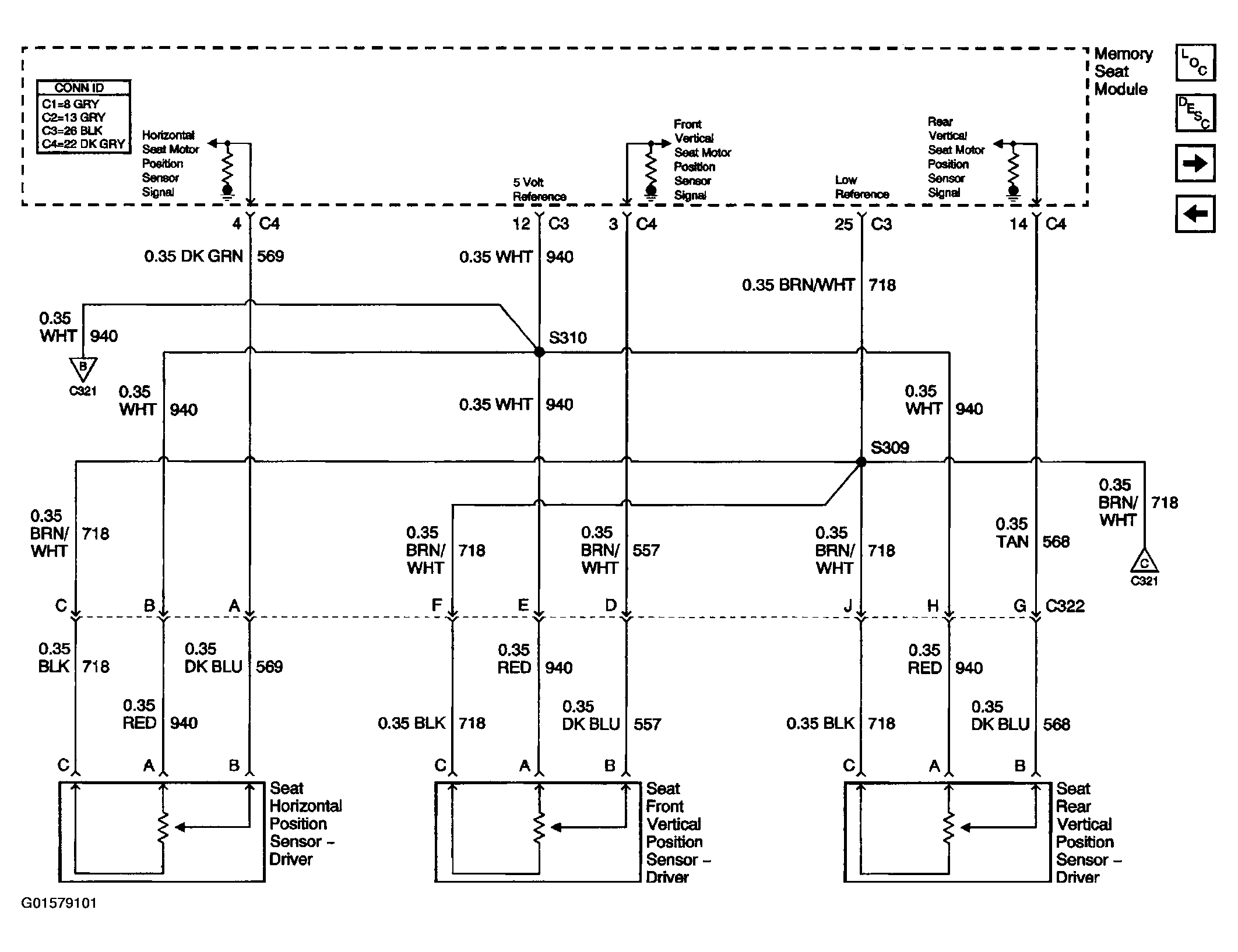
Fig 6: Memory Seats Schematics (Seat Position Sensors 1 Of 2)
G01579101Courtesy of GENERAL MOTORS CORP.
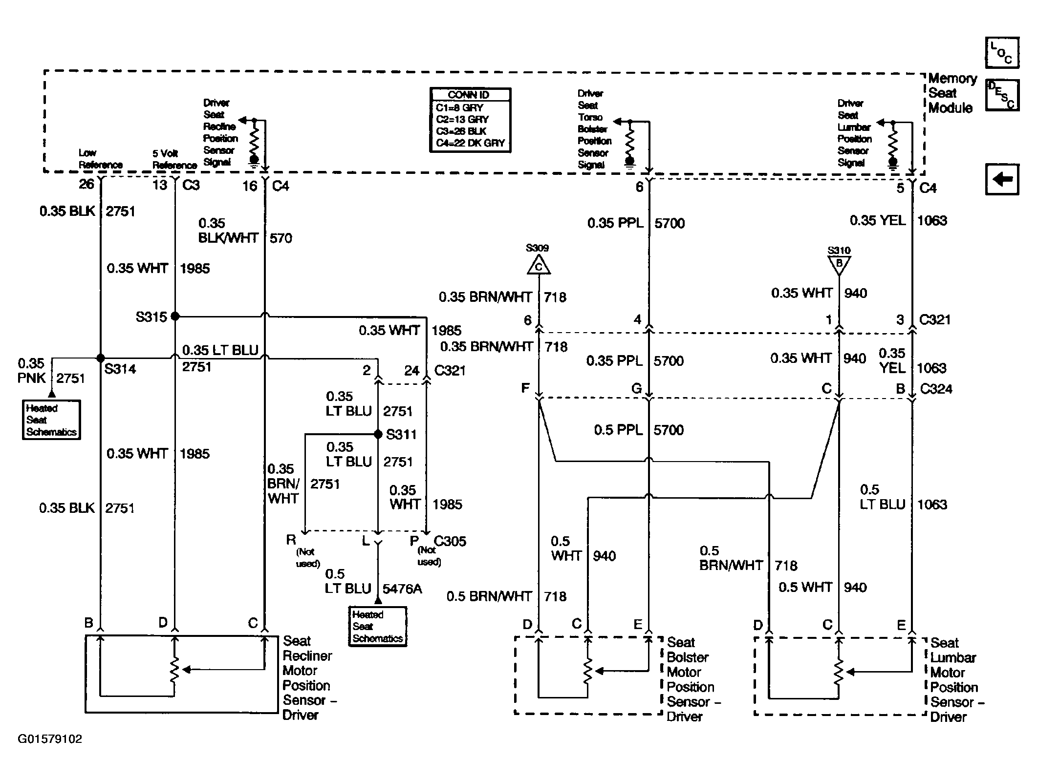
Fig 7: Memory Seats Schematics (Seat Position Sensors 2 Of 2)
G01579102Courtesy of GENERAL MOTORS CORP.