LEMON Manuals: Even more car manuals for everyone: 1960-2025
Home >> Cadillac >> 2004 >> SRX 3.6 7, AWD >> Repair and Diagnosis >> Engine Performance >> System >> Engine Control System - 3.6L (Ly7) - Introduction >> Schematic and Routing Diagrams >> Engine Controls Schematics
April 5, 2026: LEMON Manuals is launched! Read the announcement.

Engine Controls Schematics

Fig 1: Power, Ground, Serial Data, & MIL
GM1197709Courtesy of GENERAL MOTORS CORP.
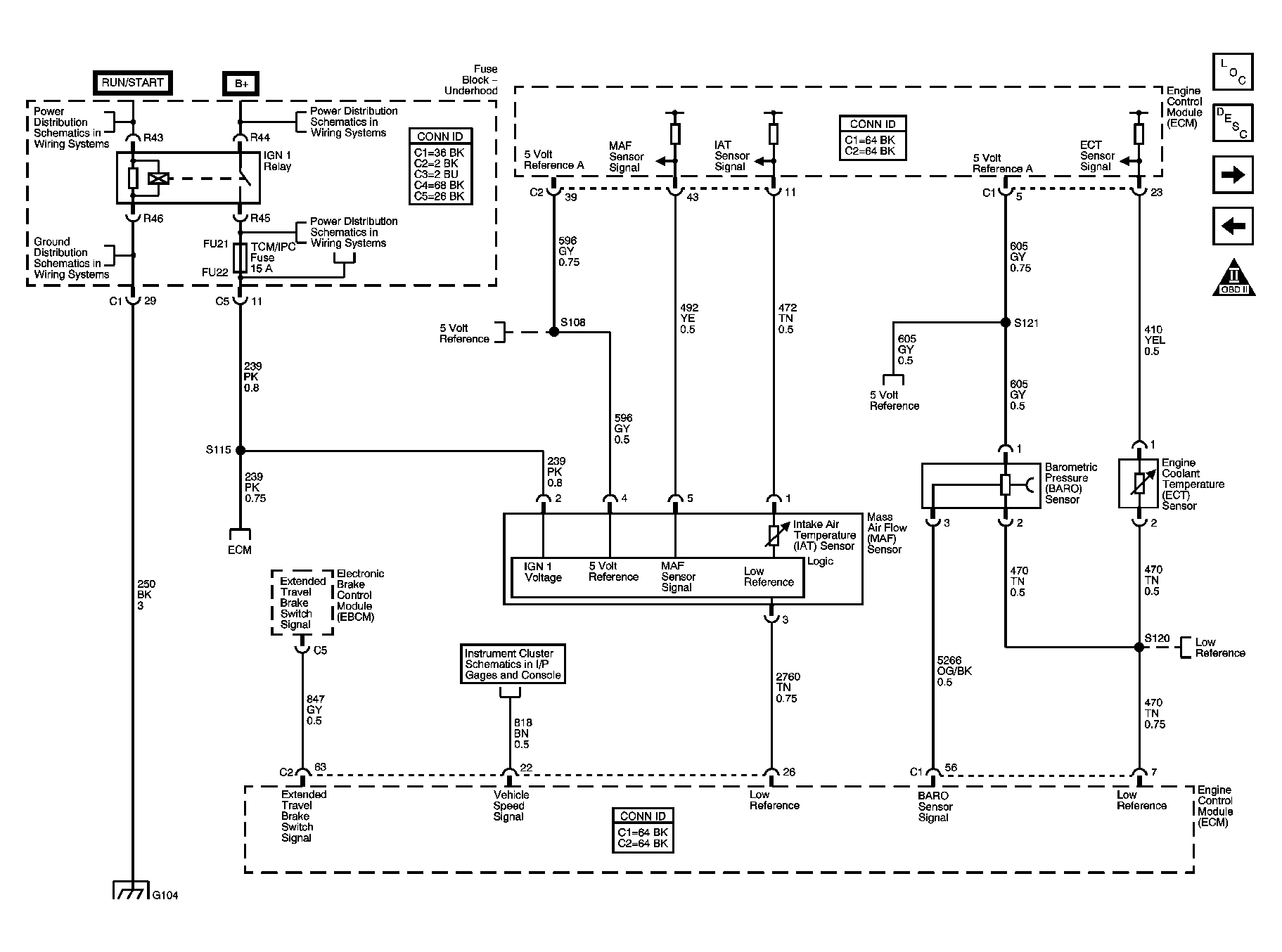
Fig 2: Engine Data Sensors - 5-Volt Reference Bussing
GM1197718Courtesy of GENERAL MOTORS CORP.
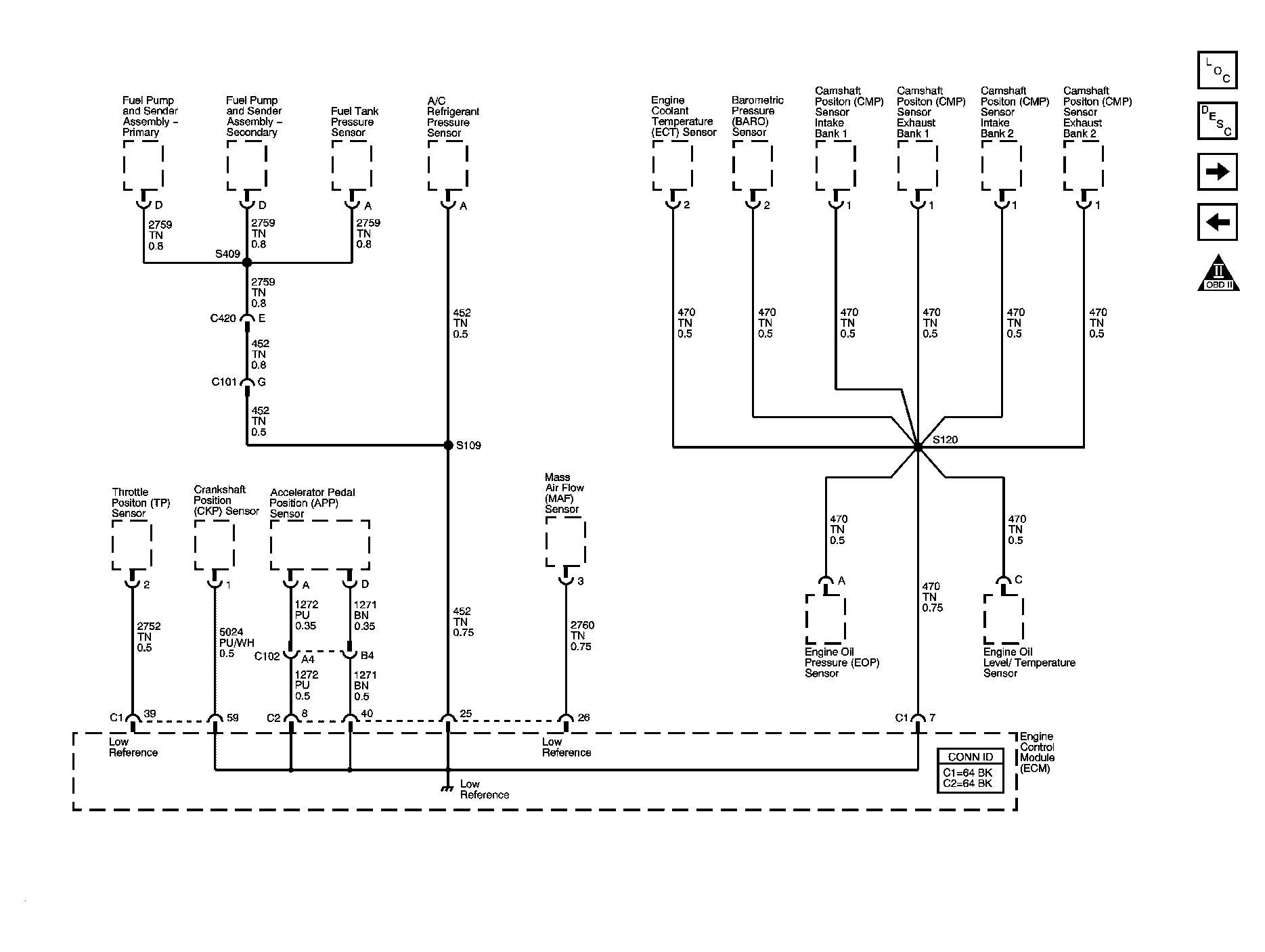
Fig 3: Engine Data Sensors - Low Reference Bussing
GM1197720Courtesy of GENERAL MOTORS CORP.
Fig 4: Engine Data Sensors - Pressure, Temperature, MAF, VSS, & Extended Brake Travel Switch
GM1197723Courtesy of GENERAL MOTORS CORP.
Fig 5: Engine Data Sensors - Oxygen Sensors
GM1197725Courtesy of GENERAL MOTORS CORP.
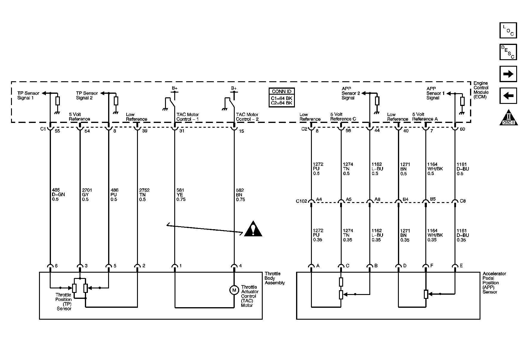
Fig 6: Engine Data Sensors - Electronic Throttle Controls
GM1197726Courtesy of GENERAL MOTORS CORP.
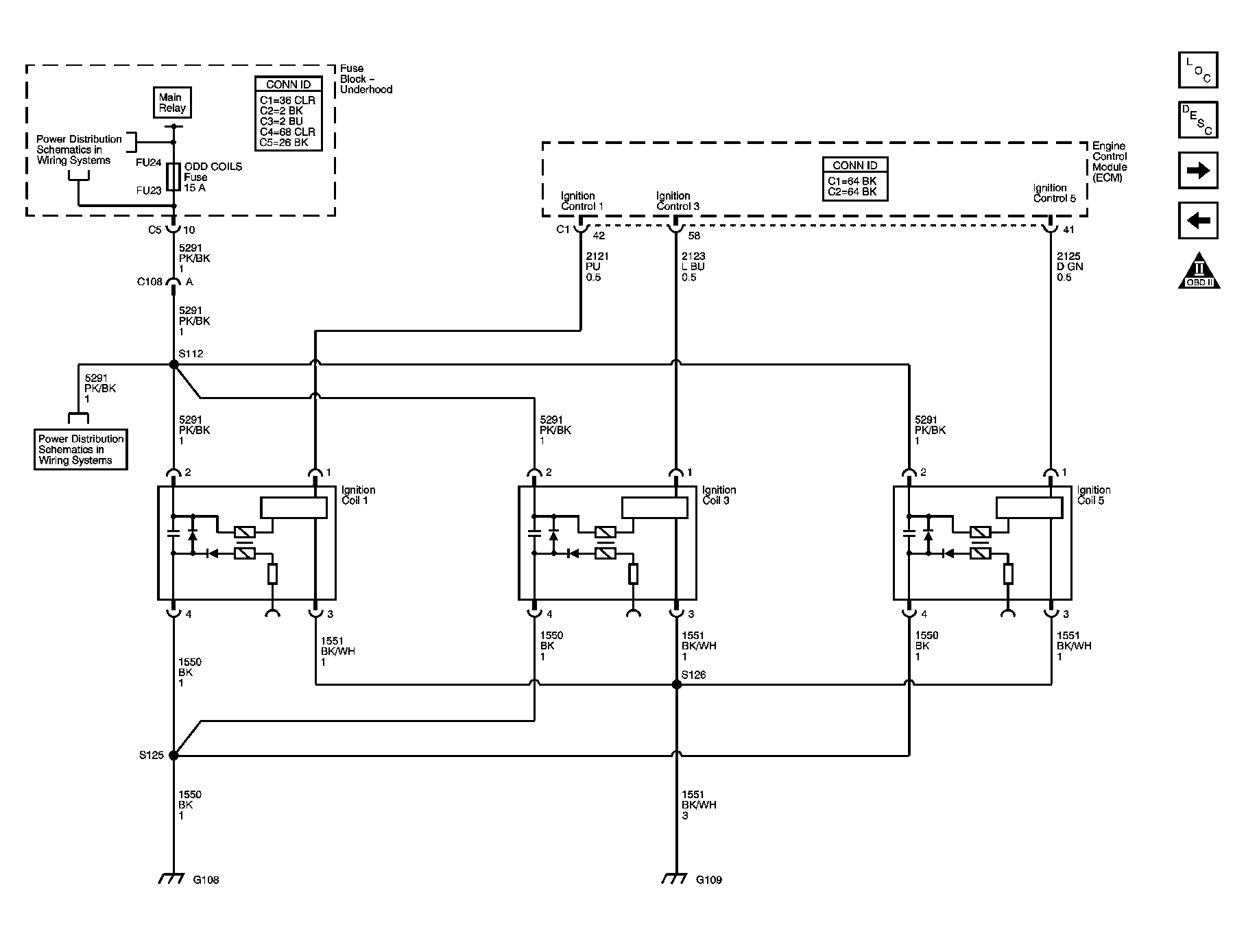
Fig 7: Ignition Controls - Bank 1 Ignition Coils
GM1197727Courtesy of GENERAL MOTORS CORP.
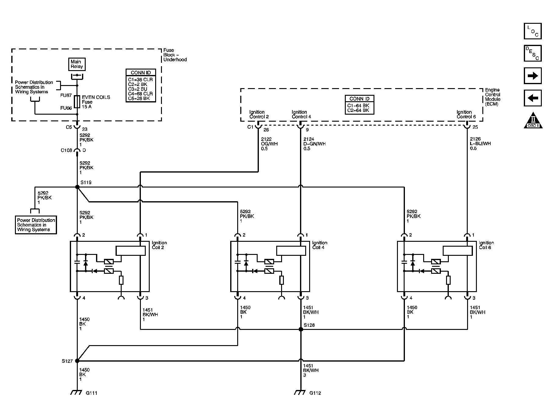
Fig 8: Ignition Controls - Bank 2 Ignition Coils
GM1197728Courtesy of GENERAL MOTORS CORP.
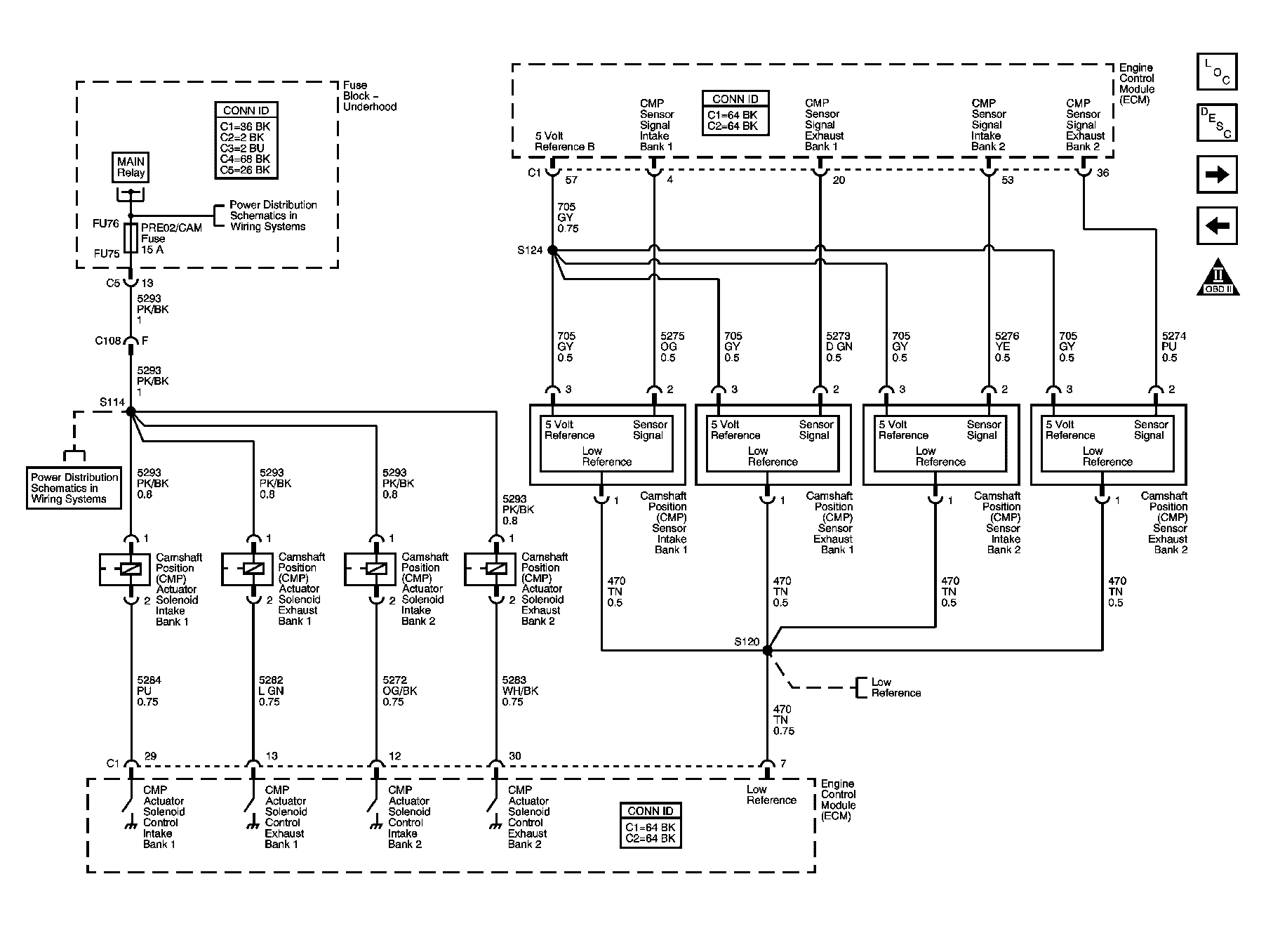
Fig 9: Ignition Controls - CMP Sensors & Solenoids
GM1197732Courtesy of GENERAL MOTORS CORP.
Fig 10: Ignition Controls - Engine Speed, CKP, & Knock Sensors
GM1197735Courtesy of GENERAL MOTORS CORP.
Fig 11: Fuel Controls - Fuel Pump & Injectors
GM1197737Courtesy of GENERAL MOTORS CORP.
Fig 12: Fuel Controls - EVAP Controls
GM1197740Courtesy of GENERAL MOTORS CORP.
Fig 13: Controlled/Monitored Subsystem References
GM1197746Courtesy of GENERAL MOTORS CORP.