LEMON Manuals: Even more car manuals for everyone: 1960-2025
Home >> Cadillac >> 2004 >> SRX 4.6 A, AWD >> Repair and Diagnosis >> Engine Performance >> System >> Engine Control System - 4.6L (LH2) - Introduction >> Schematic and Routing Diagrams >> Engine Controls Schematics
April 5, 2026: LEMON Manuals is launched! Read the announcement.

Engine Controls Schematics

Fig 1: Module Power, Ground, Serial Data & MIL
GM1197760Courtesy of GENERAL MOTORS CORP.
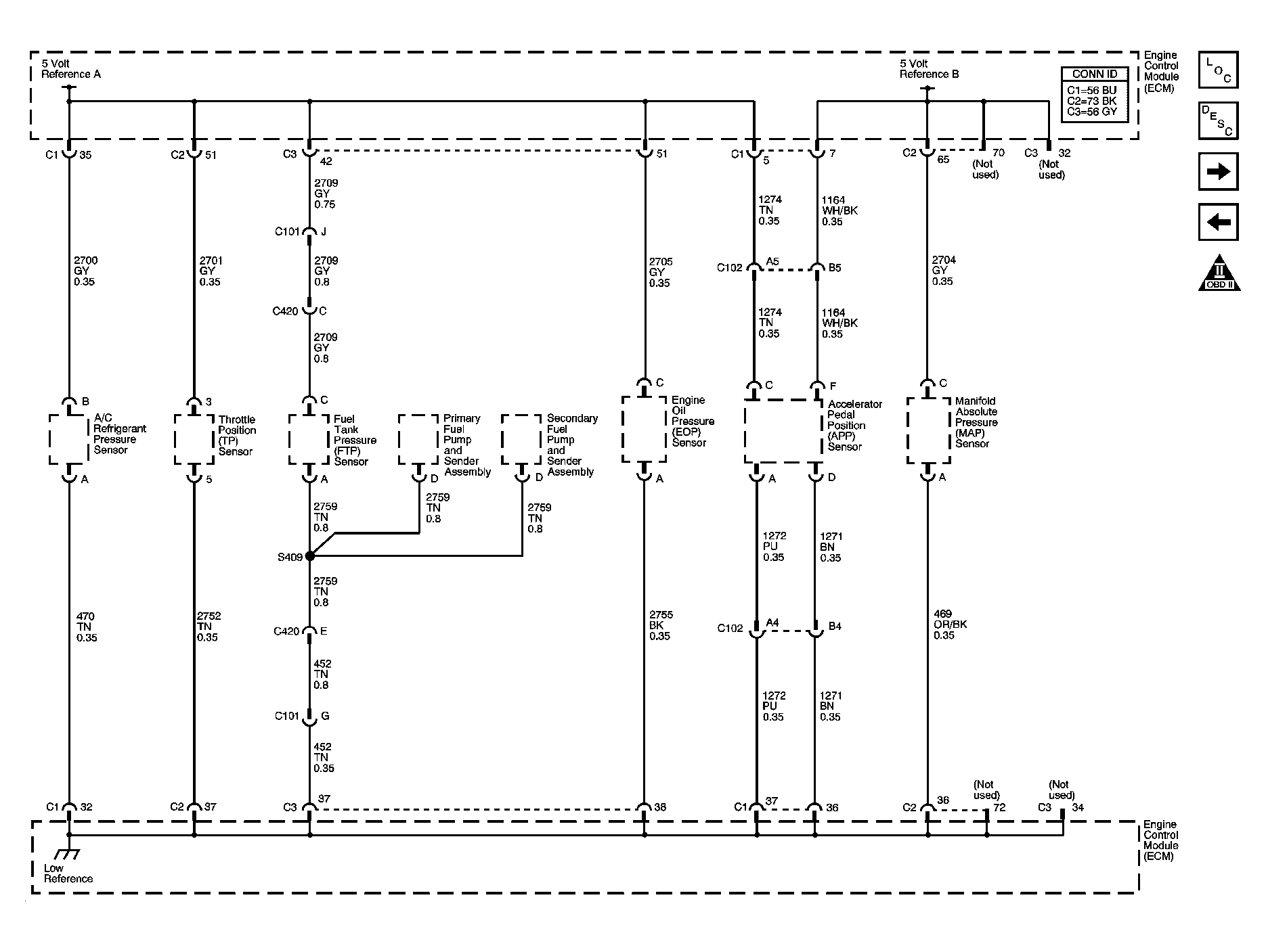
Fig 2: Engine Data Sensors - 5-Volt & Low Reference
GM1197763Courtesy of GENERAL MOTORS CORP.
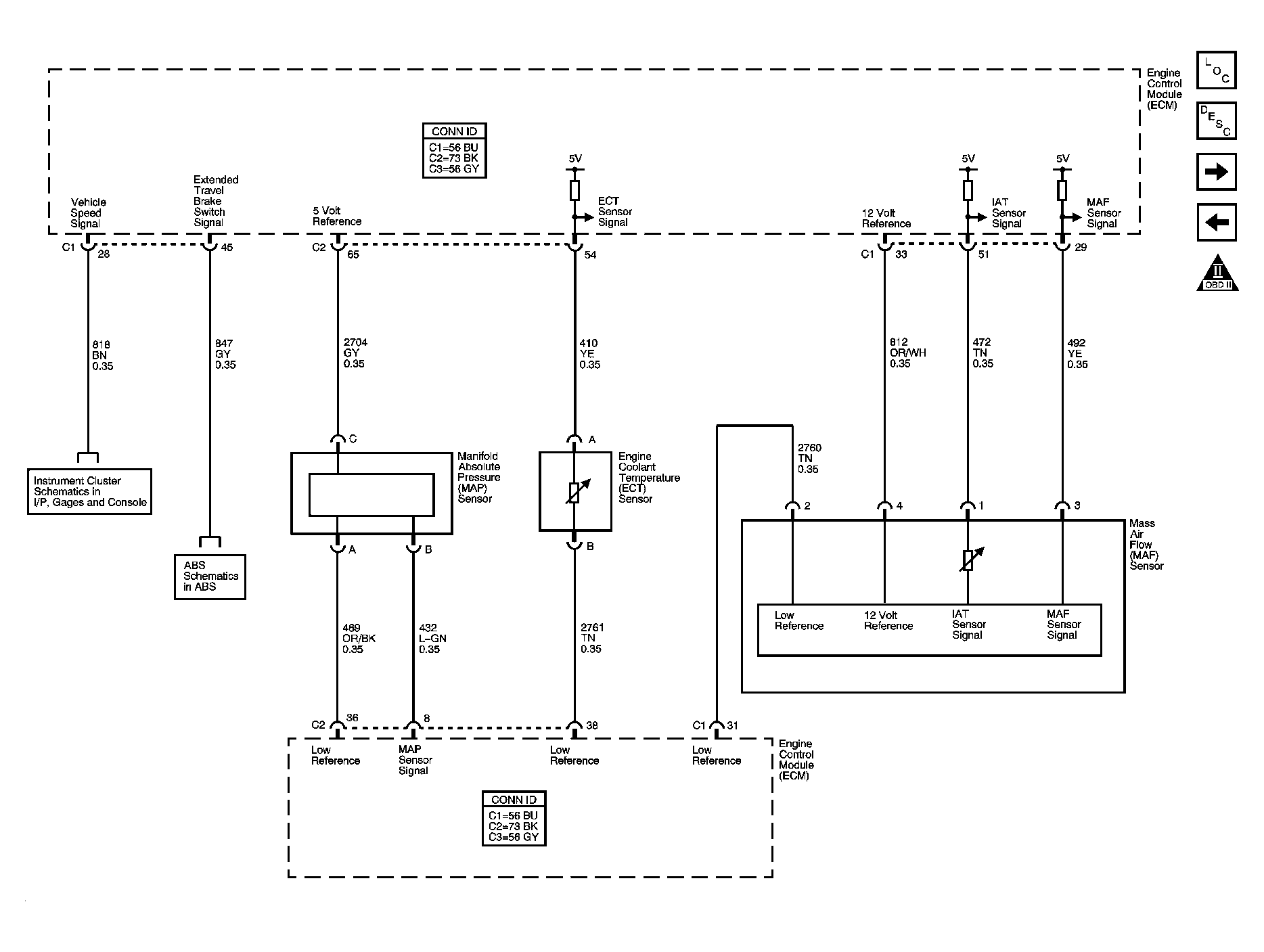
Fig 3: Engine Data Sensors - Pressure, Temperature, MAF, VSS & Extended Travel Brake Switch
GM1197764Courtesy of GENERAL MOTORS CORP.
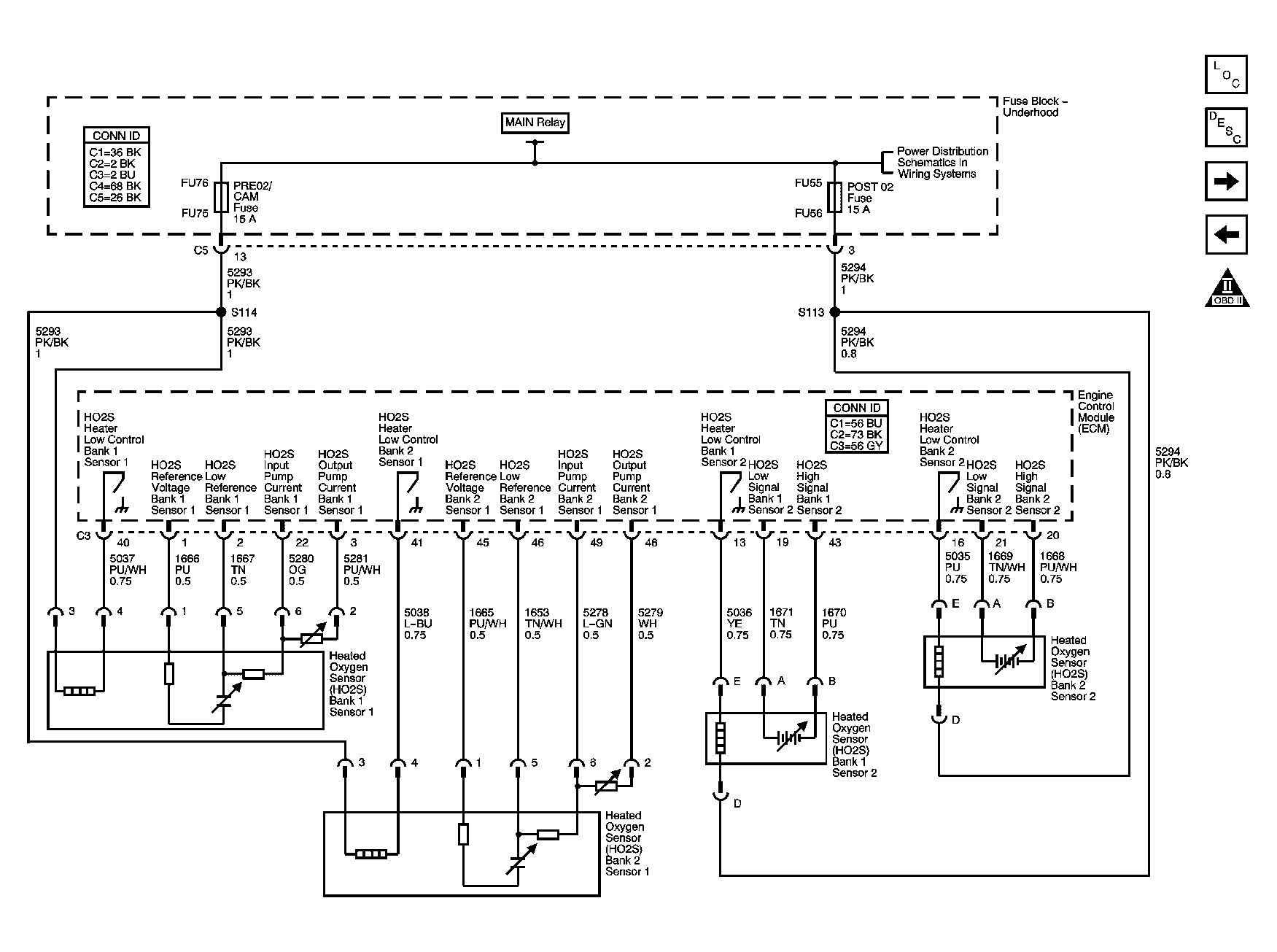
Fig 4: Engine Data Sensors - Oxygen Sensors
GM1197766Courtesy of GENERAL MOTORS CORP.
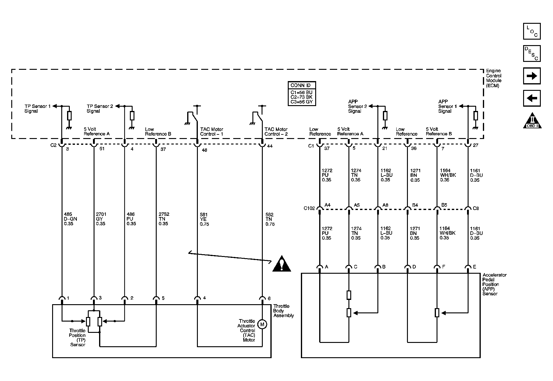
Fig 5: Engine Data Sensors - Electronic Throttle Controls
GM1197769Courtesy of GENERAL MOTORS CORP.
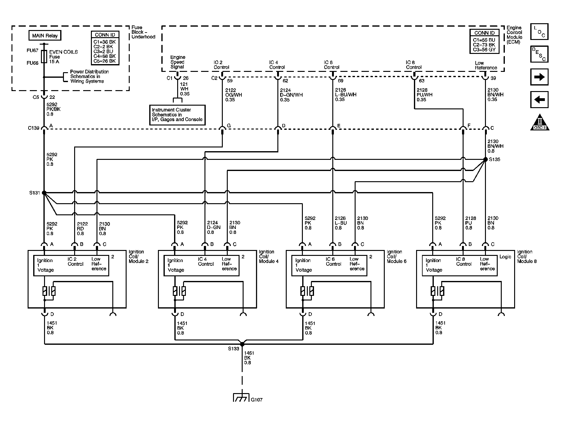
Fig 6: Ignition Controls - Bank 1 Ignition Coils
GM1208061Courtesy of GENERAL MOTORS CORP.
Fig 7: Ignition Controls - Bank 2 Ignition Coils
GM1208064Courtesy of GENERAL MOTORS CORP.
Fig 8: Ignition Controls - CMP Sensors & Solenoids
GM1197775Courtesy of GENERAL MOTORS CORP.
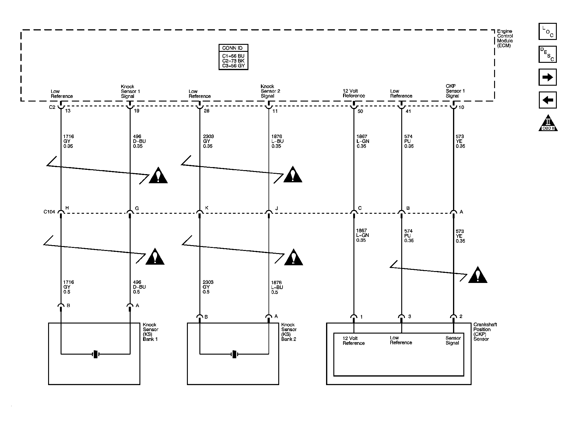
Fig 9: Ignition Controls - CKP & Knock Sensors
GM1197776Courtesy of GENERAL MOTORS CORP.
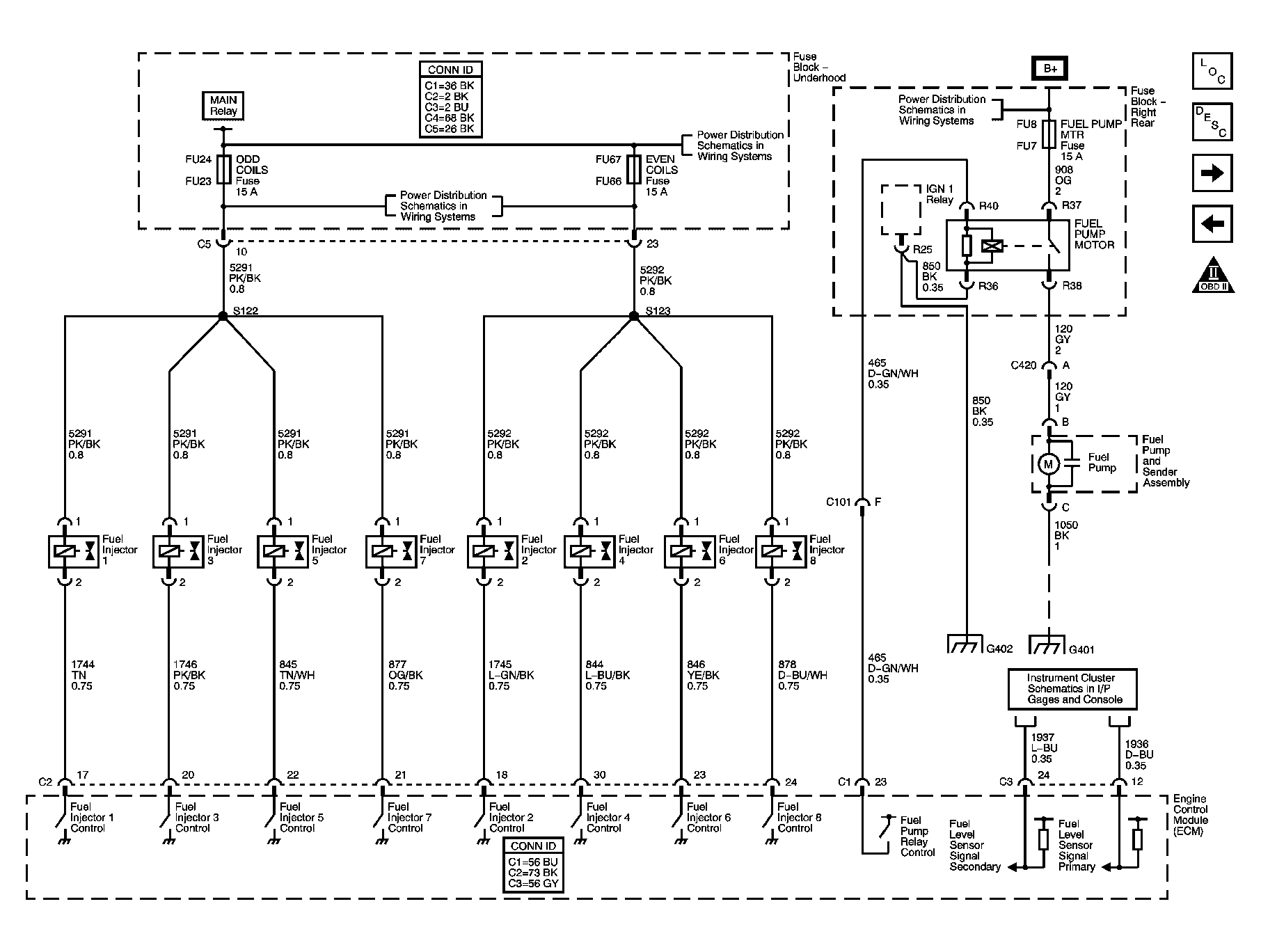
Fig 10: Fuel Controls - Fuel Pump & Injectors
GM1197779Courtesy of GENERAL MOTORS CORP.
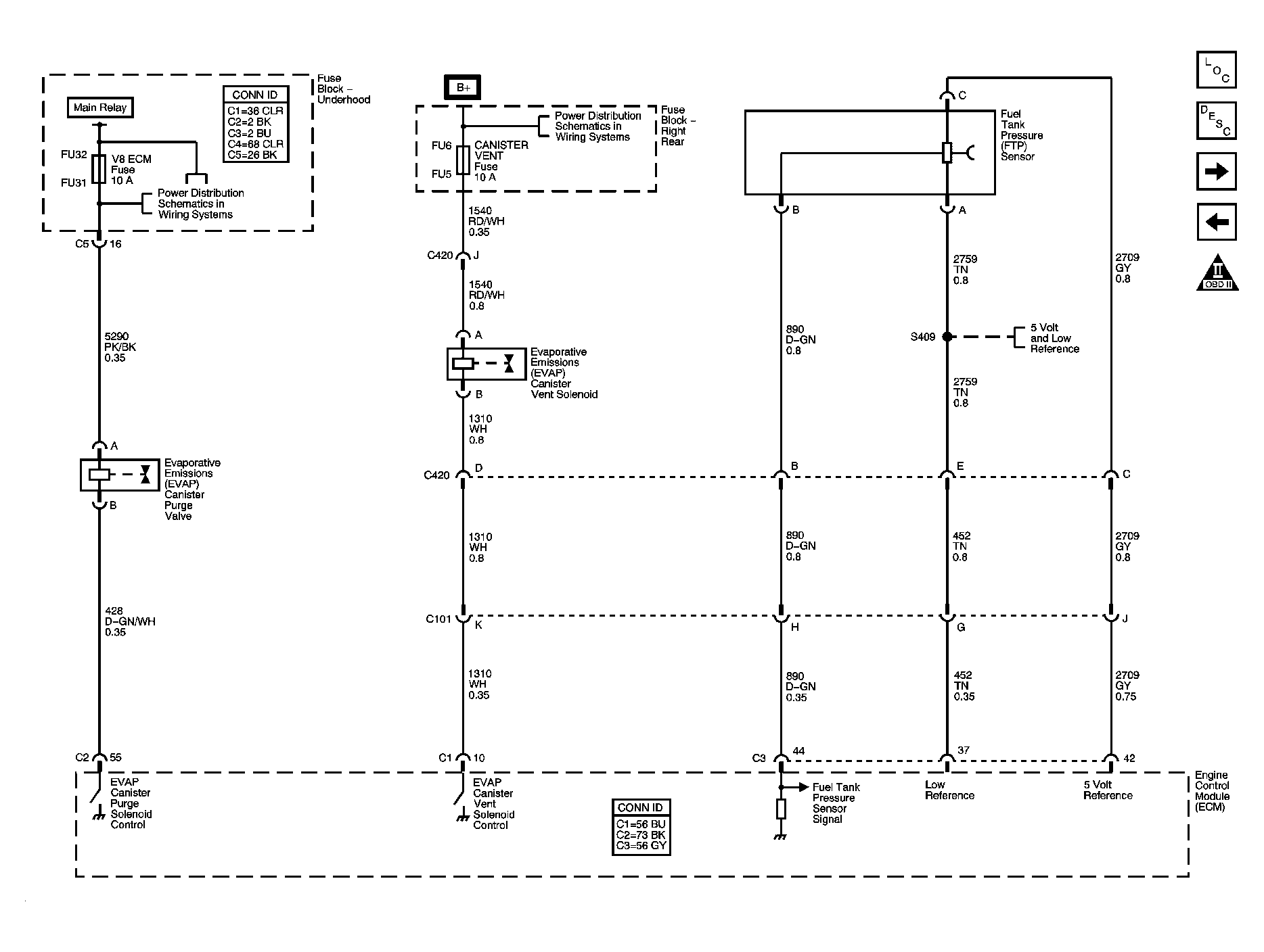
Fig 11: Fuel Controls - EVAP Controls
GM1197780Courtesy of GENERAL MOTORS CORP.
Fig 12: Controlled/Monitored Subsystem References
GM1197781Courtesy of GENERAL MOTORS CORP.