LEMON Manuals: Even more car manuals for everyone: 1960-2025
Home >> Cadillac >> 2004 >> Seville >> Repair and Diagnosis (Single Page) >> Engine Performance >> System >> Engine Controls -- 4.6L - Introduction >> Component Locator >> Engine Controls Component Views
April 5, 2026: LEMON Manuals is launched! Read the announcement.

Engine Controls Component Views

Fig 1: MAP, IAC, ECT, TP Sensors Component View
GM602335Courtesy of GENERAL MOTORS CORP.
Callout Component Name
1 Manifold Absolute Pressure (MAP) Sensor
2 Idle Air Control (IAC) Valve
3 Engine Coolant Temperature (ECT) Sensor
4 Throttle Position (TP) Sensor
Fig 2: EVAP Purge Solenoid, and EGR Valve Component View
GM602336Courtesy of GENERAL MOTORS CORP.
Callout Component Name
1 Evaporative Emissions (EVAP) Canister Purge Solenoid
2 Exhaust Gas Recirculation (EGR) Valve
Fig 3: CKP B, CKP A, Engine Oil Pressure Switch, and Engine Oil Level Switch Component View
GM602338Courtesy of GENERAL MOTORS CORP.
Callout Component Name
1 Crankshaft Position Sensor (CKP) Sensor B
2 Crankshaft Position Sensor (CKP) Sensor A
3 Engine Oil Pressure (EOP) Switch
4 Engine Oil Level Switch
Fig 4: Engine Compartment, Top of Engine Component View
GM1394556Courtesy of GENERAL MOTORS CORP.
Callout Component Name
1 C139 (C140 Similar)
2 Ignition Coil/Module 8 (7 similar)
3 Ignition Coil/Module 6 (5 similar)
4 Ignition Coil/Module 4 (3 similar)
5 Ignition Coil/Module 2 (1 similar)
Fig 5: CMP, VSS, and HO2S Bank 1 Sensor 1 Component View
GM602339Courtesy of GENERAL MOTORS CORP.
Callout Component Name
1 Camshaft Position (CMP) Sensor
2 Vehicle Speed Sensor (VSS)
3 Heated Oxygen Sensor (HO2S) Bank 1 Sensor 1
Fig 6: Heated Oxygen Sensor (HO2S) Bank 1 Sensor 2 (Post HO2) Component View
GM602294Courtesy of GENERAL MOTORS CORP.
Fig 7: Heated Oxygen Sensor (HO2S) Bank 2 Sensor 1 (Front HO2) Component View
GM602295Courtesy of GENERAL MOTORS CORP.
Fig 8: Knock Sensor (KS) Component View
GM602292Courtesy of GENERAL MOTORS CORP.
Fig 9: AIR Relay Component View
GM736521Courtesy of GENERAL MOTORS CORP.
Callout Component Name
1 Secondary Air Injection (AIR) Pump Relay
Fig 10: Left AIR Pump and Electrical Connector Component View
GM602320Courtesy of GENERAL MOTORS CORP.
Fig 11: IAC Valve and TP Sensor Component View
GM574138Courtesy of GENERAL MOTORS CORP.
Callout Component Name
1 Idle Air Control (IAC) Valve Electrical Connector
2 Throttle Position (TP) Sensor Electrical Connector
3 Throttle Position (TP) Sensor
4 Idle Air Control (IAC) Valve
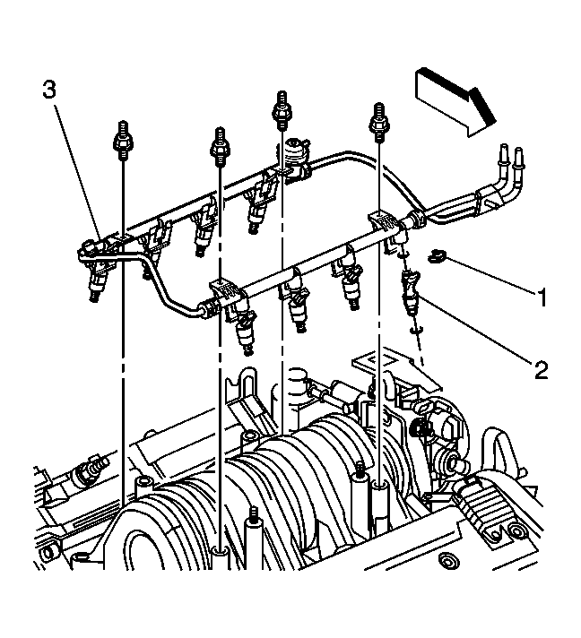
Fig 12: Fuel Rail Assembly Component View
GM597227Courtesy of GENERAL MOTORS CORP.
Callout Component Name
1 Fuel Injector Retaining Clip
2 Fuel Injector
3 Fuel Rail Assembly
Fig 13: Fuel Lines Component View
GM575657Courtesy of GENERAL MOTORS CORP.
Callout Component Name
1 Fuel Line Retainer Strap
2 Fuel Return Line
3 Fuel Feed Line
4 EVAP Purge Pipe
Fig 14: EVAP Vent Solenoid Component View
GM342059Courtesy of GENERAL MOTORS CORP.
Callout Component Name
1 Retainer
2 Fresh Air Line
3 Bolt
4 Evaporative Emissions (EVAP) Canister Vent Solenoid
5 Evaporative Emissions (EVAP) Canister Vent Solenoid Electrical Connector
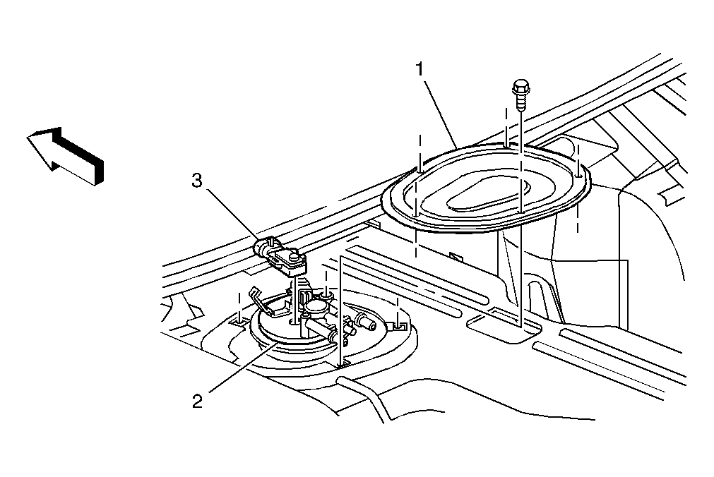
Fig 15: Fuel Tank Pressure Sensor Component View
GM342178Courtesy of GENERAL MOTORS CORP.
Callout Component Name
1 Fuel Pump and Sender Assembly Access Panel
2 Fuel Pump and Sender Assembly
3 Fuel Tank Pressure (FTP) Sensor