LEMON Manuals: Even more car manuals for everyone: 1960-2025
Home >> Cadillac >> 2004 >> Seville >> Repair and Diagnosis >> External Pages >> Different car >> Section 107 (Navigation Systems) >> Schematic and Routing Diagrams >> Navigation System Schematics
April 5, 2026: LEMON Manuals is launched! Read the announcement.

Navigation System Schematics

WARNING: This page is about a different car, the 2004 Cadillac DeVille. However, it is still accessible from the selected car via links, so may be relevant.

Refer to Navigation in System Wiring Diagrams .

Fig 1: Auxiliary RCA Video Jacks and Microphone - Export Schematic
GM799546Courtesy of GENERAL MOTORS CORP.
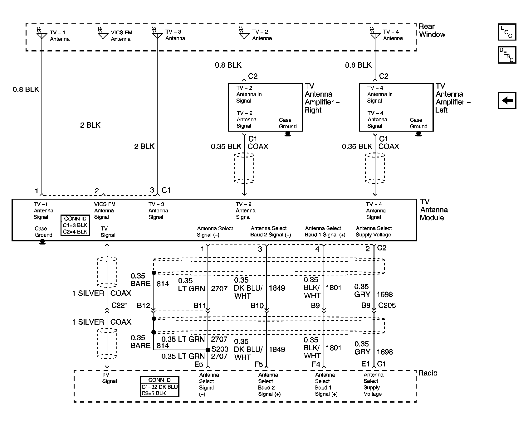
Fig 2: TV Antenna Module - Export Schematic
GM799550Courtesy of GENERAL MOTORS CORP.
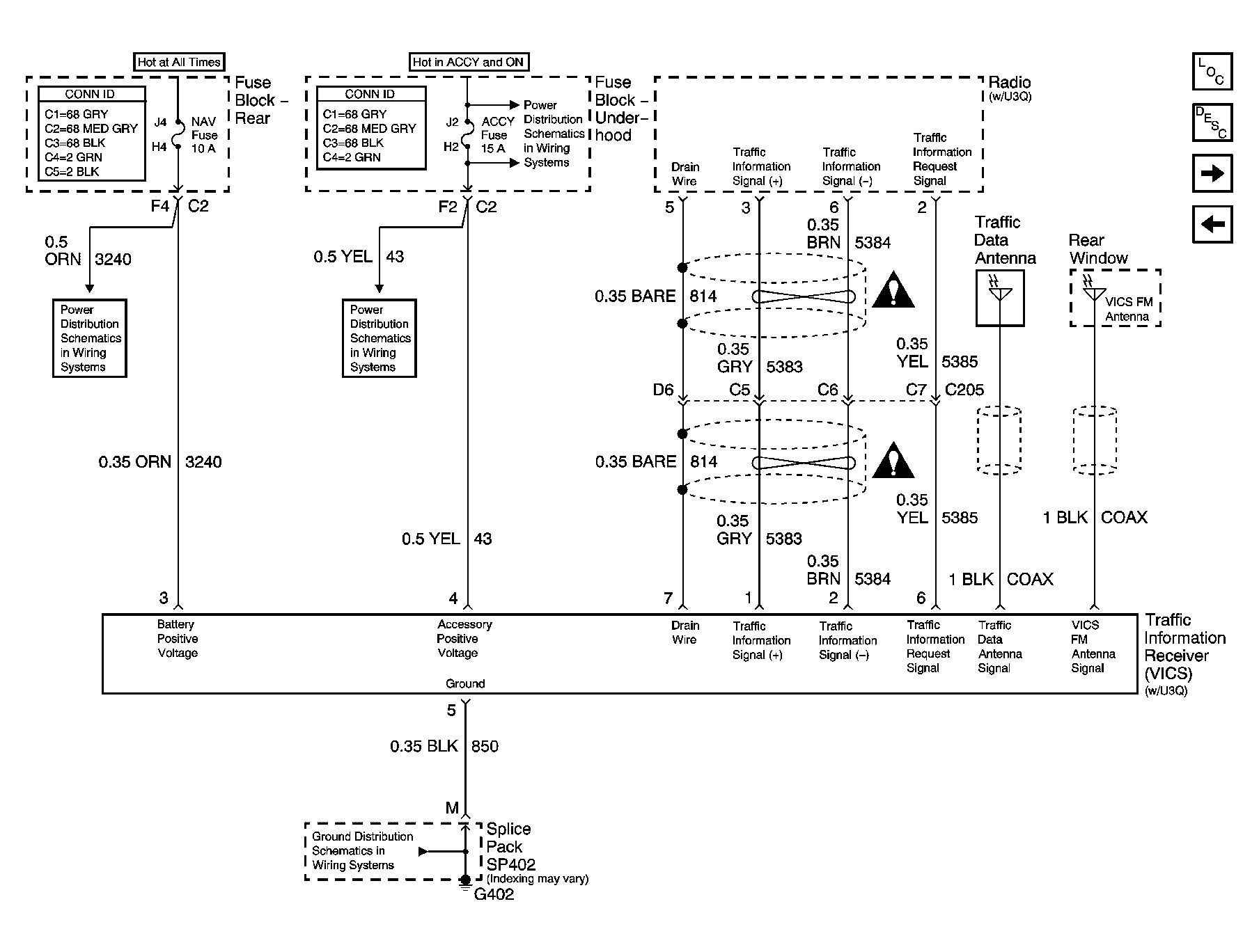
Fig 3: Traffic Information Receiver (VICS) - Export Schematic
GM799551Courtesy of GENERAL MOTORS CORP.