LEMON Manuals: Even more car manuals for everyone: 1960-2025
Home >> Cadillac >> 2004 >> Seville >> Repair and Diagnosis >> External Pages >> Different car >> Section 142 (Shift Lock Control System) >> Schematic and Routing Diagrams >> Automatic Transmission Shift Lock Control Schematics
April 5, 2026: LEMON Manuals is launched! Read the announcement.

Automatic Transmission Shift Lock Control Schematics

WARNING: This page is about a different car, the 2004 Cadillac DeVille. However, it is still accessible from the selected car via links, so may be relevant.
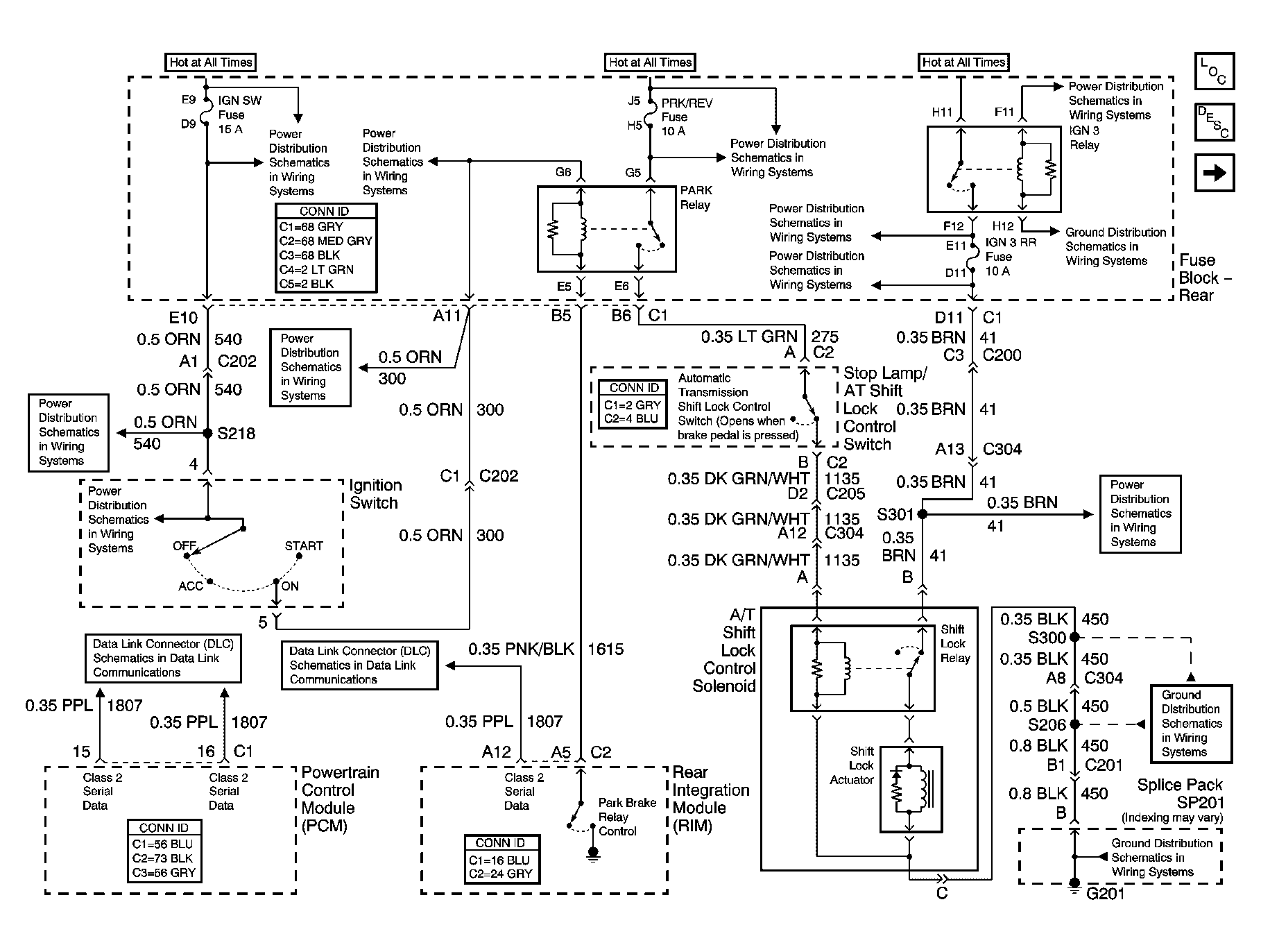
Fig 1: Console Shift Schematic
GM1232517Courtesy of GENERAL MOTORS CORP.
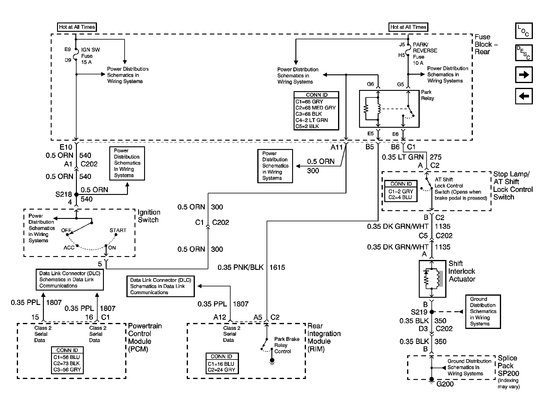
Fig 2: Column Shift Schematic
GM1232518Courtesy of GENERAL MOTORS CORP.
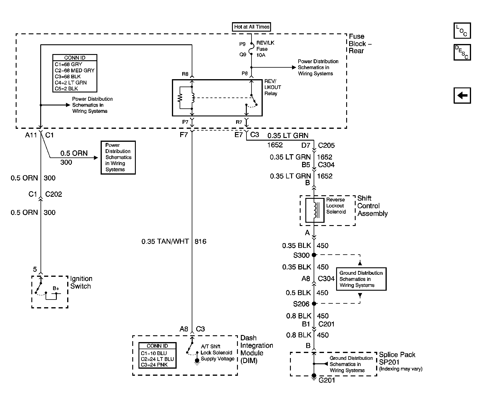
Fig 3: Reverse Lockout Control Schematic (w/D55)
GM1232519Courtesy of GENERAL MOTORS CORP.