LEMON Manuals: Even more car manuals for everyone: 1960-2025
Home >> Cadillac >> 2004 >> Seville >> Repair and Diagnosis >> Transmission >> Automatic Trans >> Shift Interlock System >> Schematic and Routing Diagrams >> Automatic Transmission Shift Lock Control Schematics
April 5, 2026: LEMON Manuals is launched! Read the announcement.

Automatic Transmission Shift Lock Control Schematics

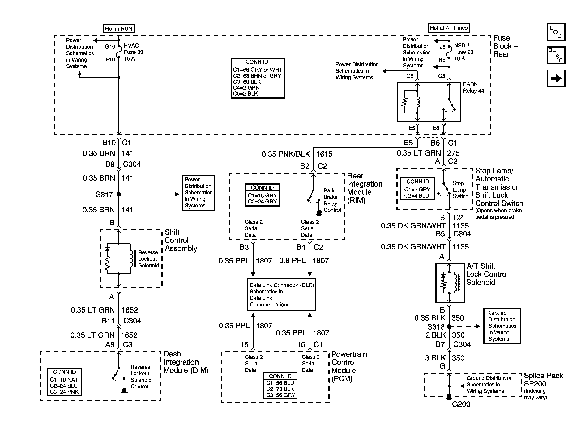
Fig 1: Reverse Lockout and A/T Shift Lock Control Solenoids Schematic
GM1220620Courtesy of GENERAL MOTORS CORP.
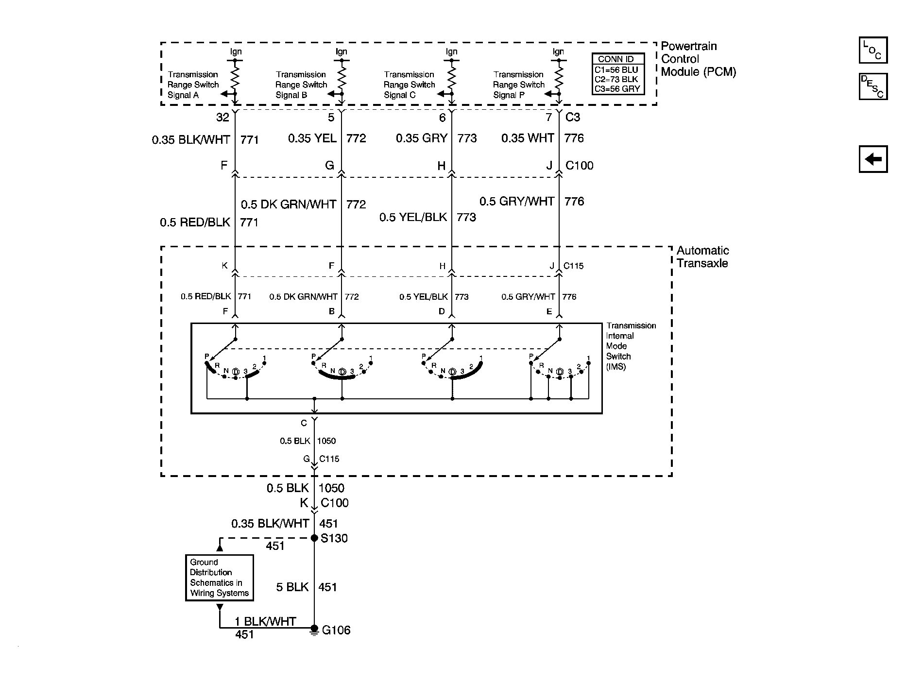
Fig 2: Automatic Transaxle Fluid Pressure Manual Valve Position Switch Schematic
GM1220629Courtesy of GENERAL MOTORS CORP.