LEMON Manuals: Even more car manuals for everyone: 1960-2025
Home >> Cadillac >> 2004 >> XLR >> Repair and Diagnosis >> Engine Performance >> System >> Engine Controls -- 4.6L (LH2) (Introduction) >> Schematic and Routing Diagrams >> Engine Controls Schematics
April 5, 2026: LEMON Manuals is launched! Read the announcement.

Engine Controls Schematics

Fig 1: DLC, Ground, MIL, & Power
GM977770Courtesy of GENERAL MOTORS CORP.
Fig 2: 12-Volt & 5-Volt Reference Bussing
GM977787Courtesy of GENERAL MOTORS CORP.
Fig 3: Low Reference Bussing
GM977802Courtesy of GENERAL MOTORS CORP.
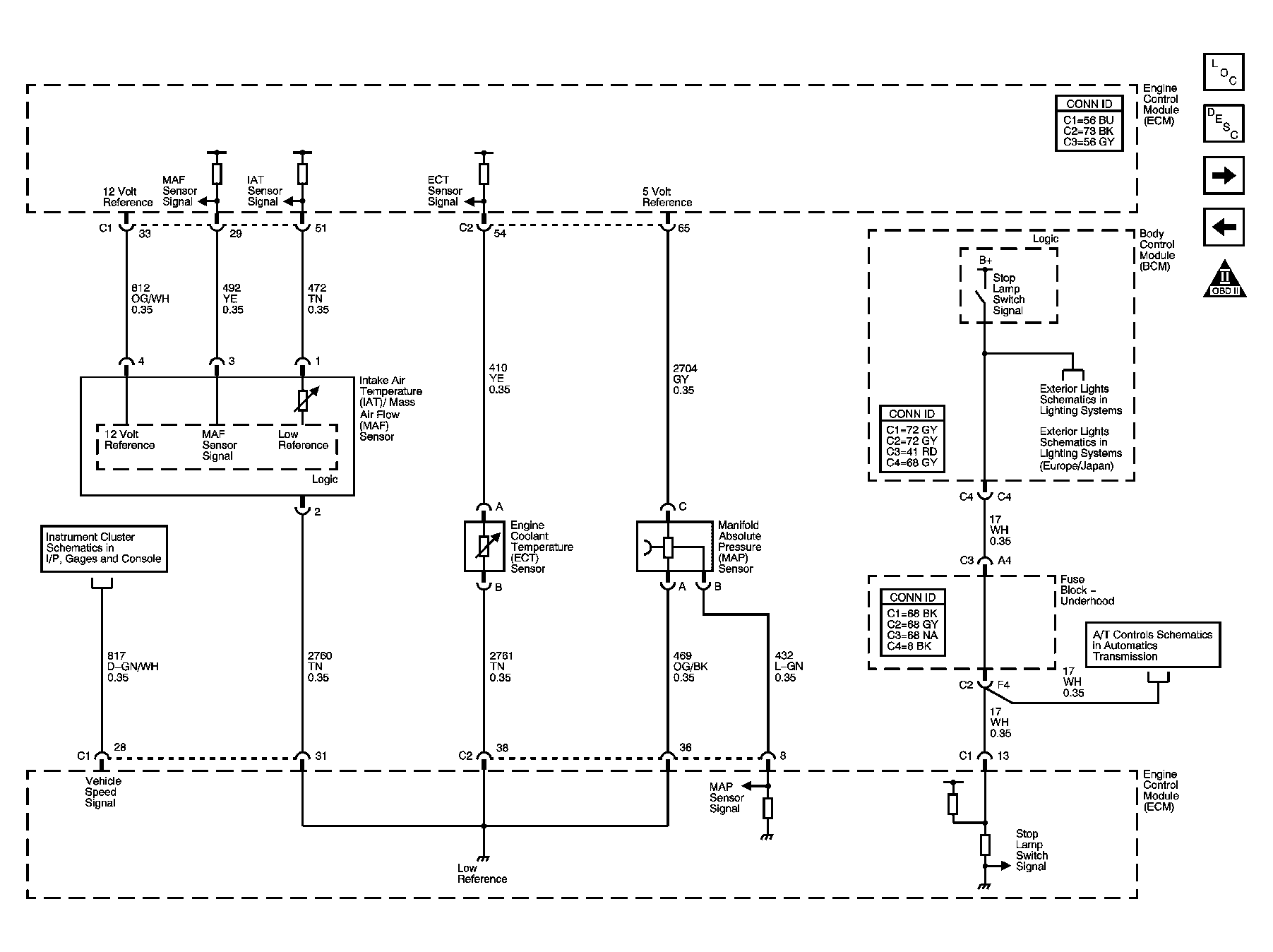
Fig 4: Engine Data Sensors-Pressure, Temperature, MAF, VSS, & Brake Travel
GM977808Courtesy of GENERAL MOTORS CORP.
Fig 5: Engine Data Sensors-Oxygen Sensors
GM979078Courtesy of GENERAL MOTORS CORP.
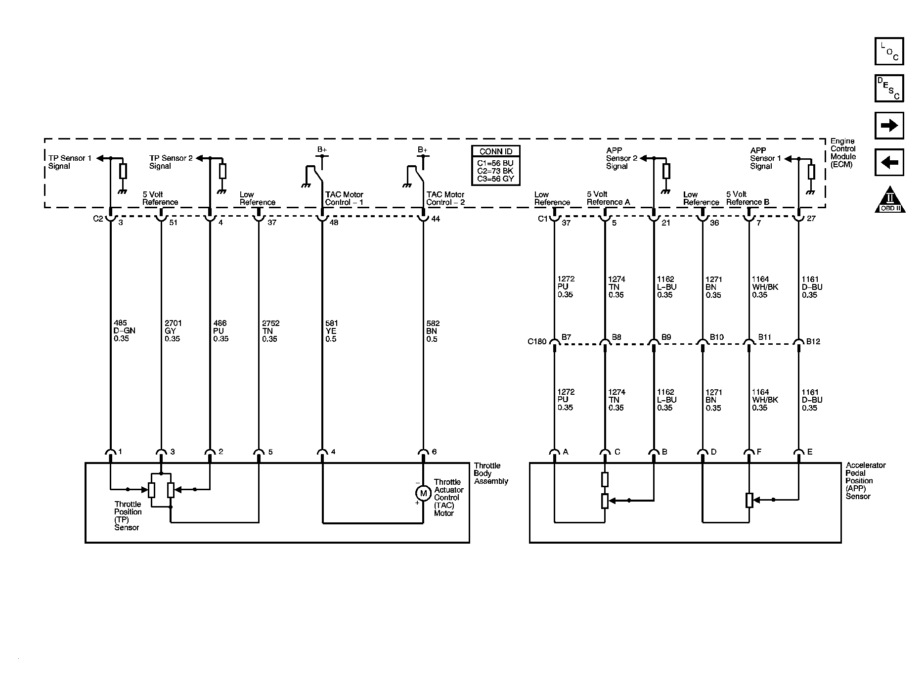
Fig 6: Engine Data Sensors-Electronic Throttle Controls
GM979098Courtesy of GENERAL MOTORS CORP.
Fig 7: Ignition System-Bank 1
GM979122Courtesy of GENERAL MOTORS CORP.
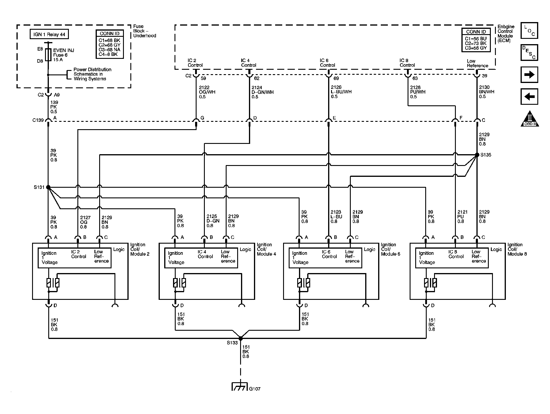
Fig 8: Ignition System-Bank 2
GM979125Courtesy of GENERAL MOTORS CORP.
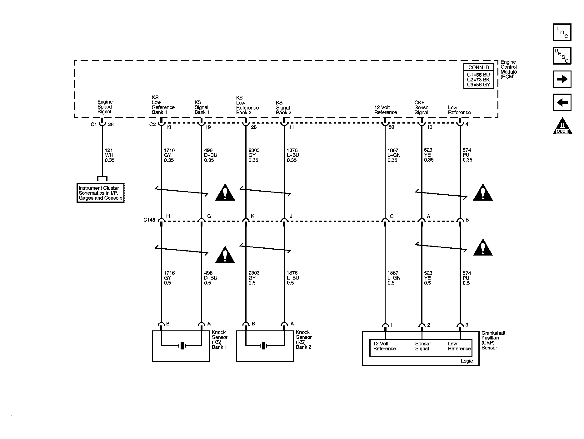
Fig 9: Ignition Controls-CKP & KS Sensors
GM979128Courtesy of GENERAL MOTORS CORP.
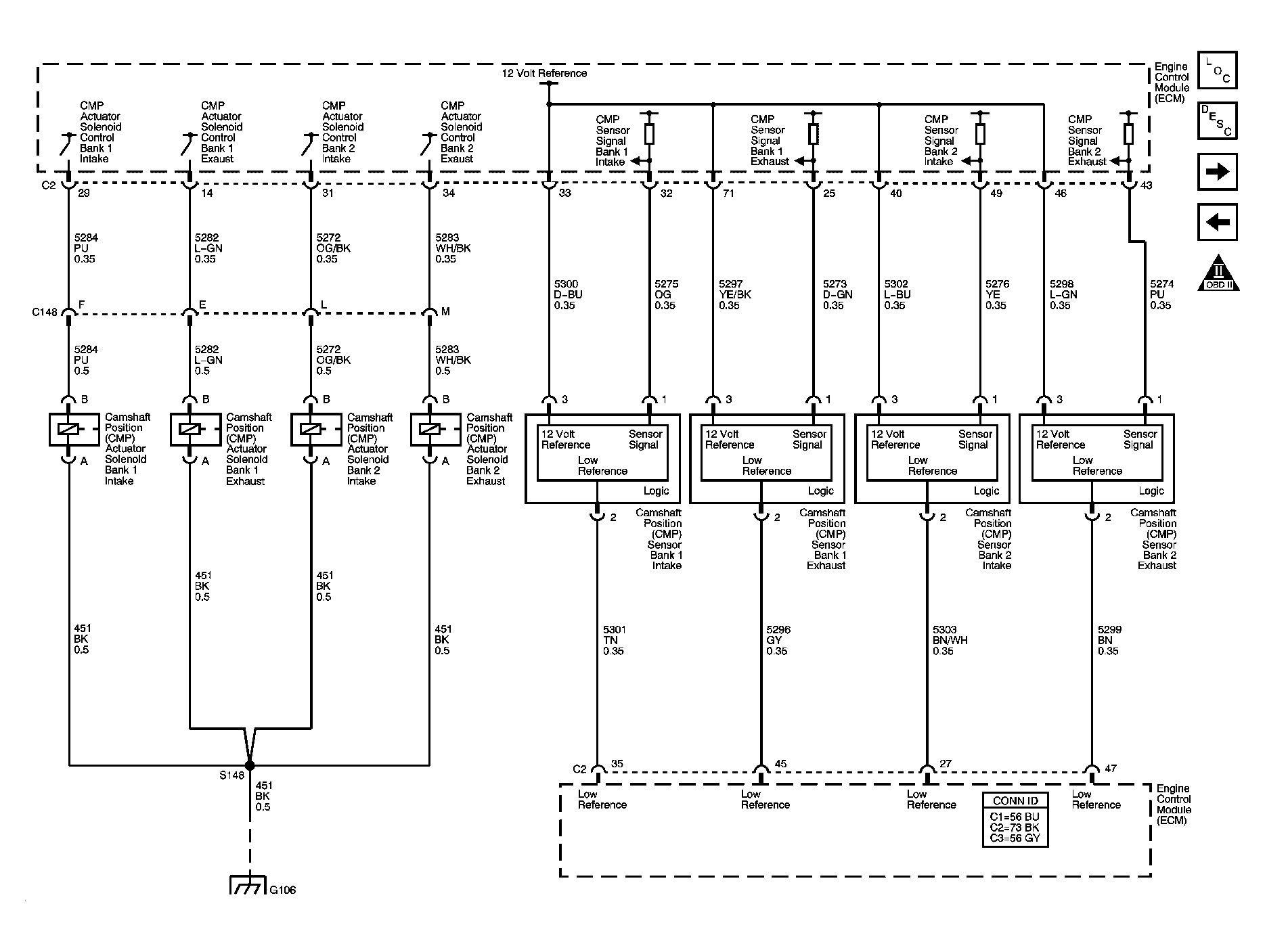
Fig 10: Ignition Controls-CMP Sensors & Solenoids
GM979158Courtesy of GENERAL MOTORS CORP.
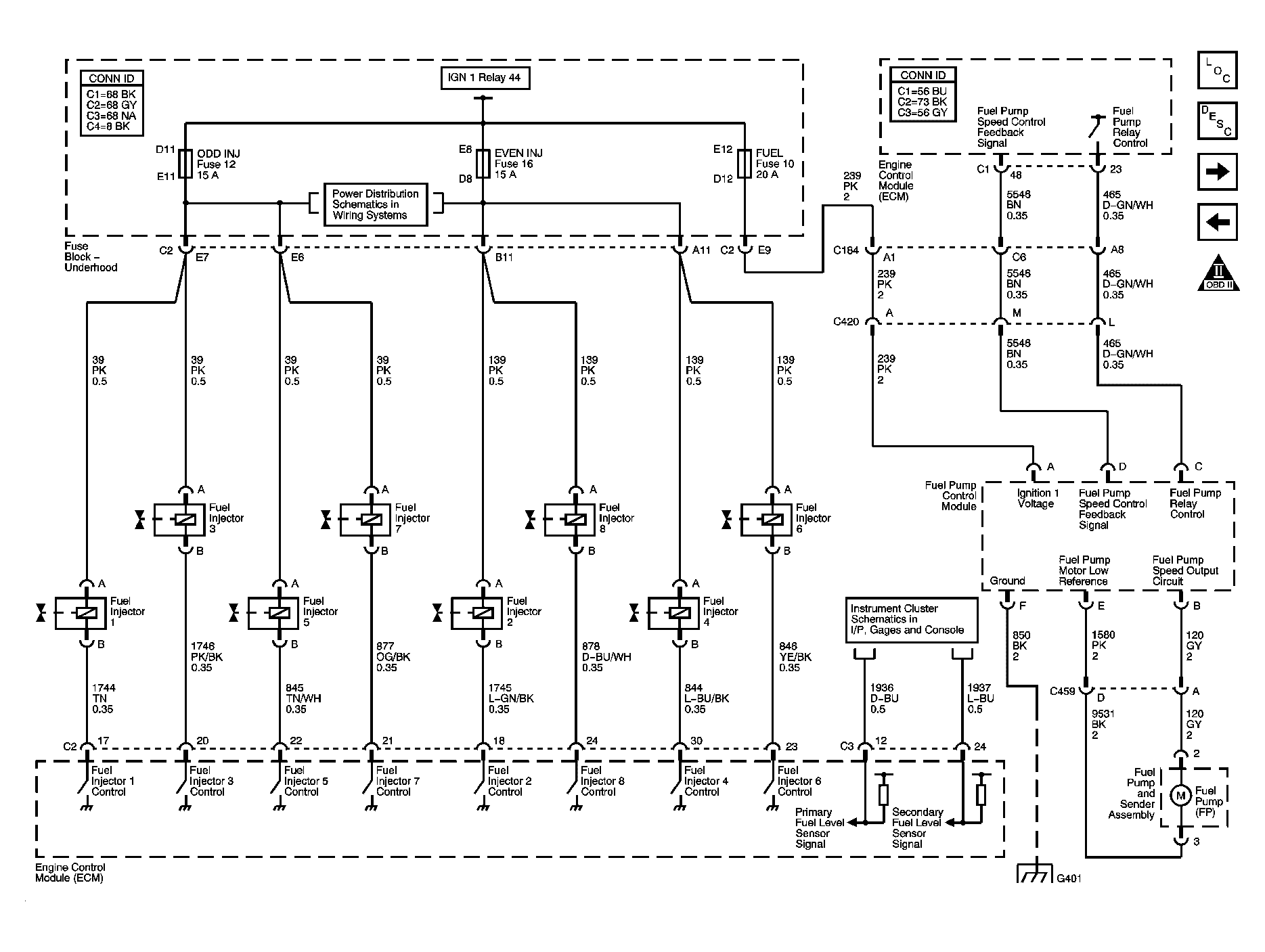
Fig 11: Fuel Controls-Fuel Injectors & Fuel Pump Controls
GM979161Courtesy of GENERAL MOTORS CORP.
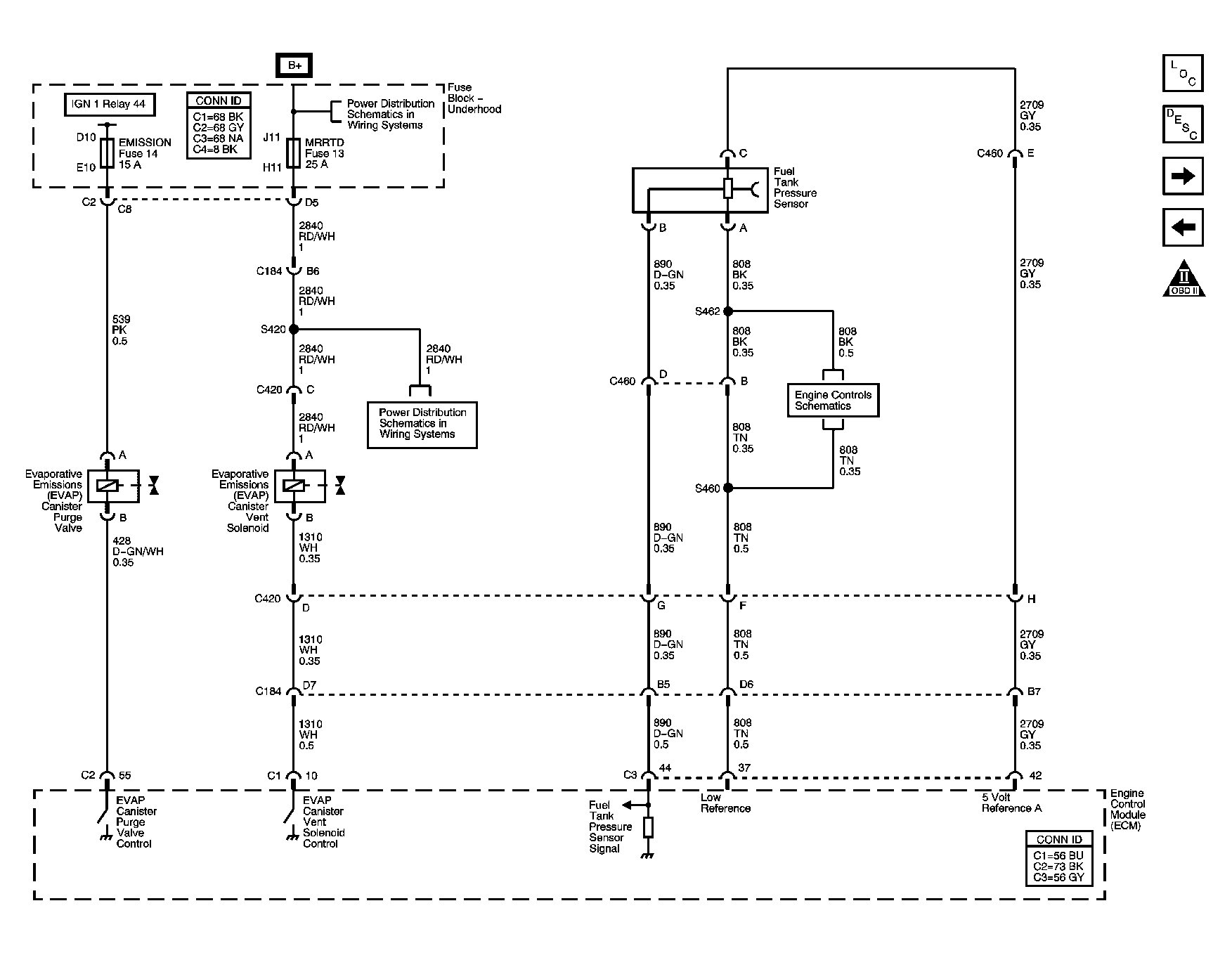
Fig 12: Fuel Controls-EVAP Controls
GM979168Courtesy of GENERAL MOTORS CORP.
Fig 13: Controlled/Monitored Subsystem References
GM979180Courtesy of GENERAL MOTORS CORP.