LEMON Manuals: Even more car manuals for everyone: 1960-2025
Home >> Cadillac >> 2005 >> CTS Base, 2.8 T, Standard >> Repair and Diagnosis >> Body & Frame >> Windows >> Door System, Mirror System & Window System >> Schematic and Routing Diagrams >> Door Control Module Schematics
April 5, 2026: LEMON Manuals is launched! Read the announcement.

Door Control Module Schematics

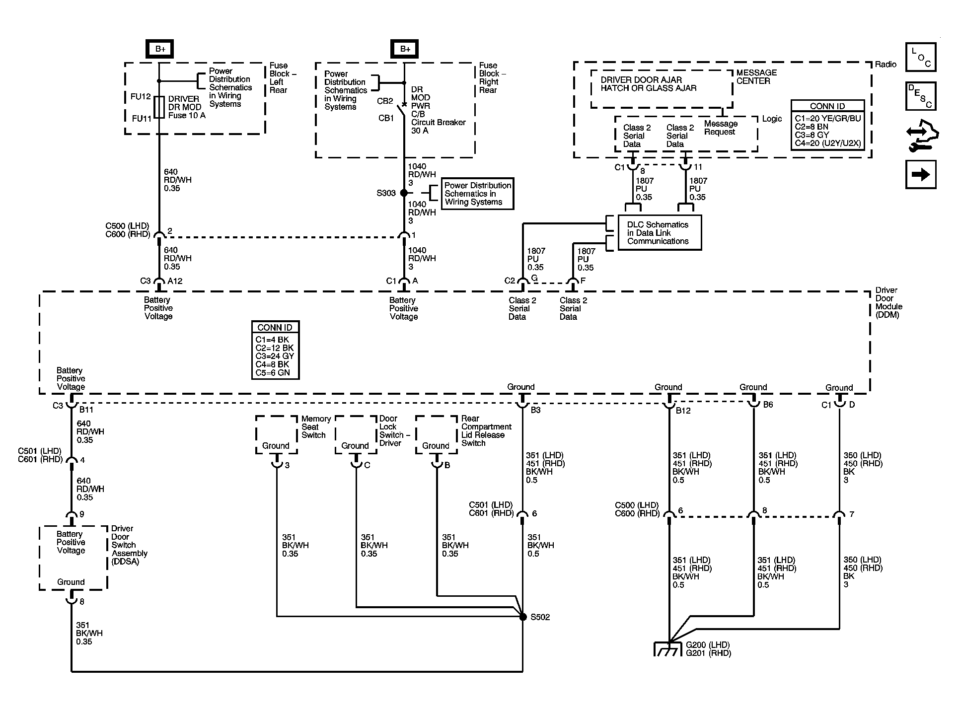
Fig 1: Schematics - Driver Door Module (DDM) Power, Ground and Serial Data
GM1471143Courtesy of GENERAL MOTORS CORP.
Fig 2: Schematics - Driver Door Module (DDM) Controlled/Monitored Subsystem References (1 Of 2)
GM1471146Courtesy of GENERAL MOTORS CORP.
Fig 3: Schematics - Driver Door Module (DDM) Controlled/Monitored Subsystem References (2 Of 2)
GM1471149Courtesy of GENERAL MOTORS CORP.
Fig 4: Schematics - Front Passenger Door Module (FPDM) Power, Ground and Serial Data
GM1471151Courtesy of GENERAL MOTORS CORP.
Fig 5: Schematics - Front Passenger Door Module (FPDM) Controlled/Monitored Subsystem References (1 Of 2)
GM1471152Courtesy of GENERAL MOTORS CORP.
Fig 6: Schematics - Front Passenger Door Module (FPDM) Controlled/Monitored Subsystem References (2 Of 2)
GM1471157Courtesy of GENERAL MOTORS CORP.
Fig 7: Schematics - Left Rear Door Module (LRDM) Power, Ground and Serial Data
GM1471158Courtesy of GENERAL MOTORS CORP.
Fig 8: Schematics - Left Rear Door Module (LRDM) Controlled/Monitored Subsystem References
GM1471160Courtesy of GENERAL MOTORS CORP.
Fig 9: Schematics - Right Rear Door Module (RRDM) Power, Ground and Serial Data
GM1471161Courtesy of GENERAL MOTORS CORP.
Fig 10: Schematics - Right Rear Door Module (RRDM) Controlled/Monitored Subsystem References
GM1471163Courtesy of GENERAL MOTORS CORP.