LEMON Manuals: Even more car manuals for everyone: 1960-2025
Home >> Cadillac >> 2005 >> CTS Base, 2.8 T, Standard >> Repair and Diagnosis >> Engine Performance >> System >> Engine Controls - 2.8L - Introduction >> Schematic and Routing Diagrams >> Engine Controls Schematics
April 5, 2026: LEMON Manuals is launched! Read the announcement.

Engine Controls Schematics

Fig 1: Schematic - Module Power, Ground, Serial Data, and MIL
GM1470684Courtesy of GENERAL MOTORS CORP.
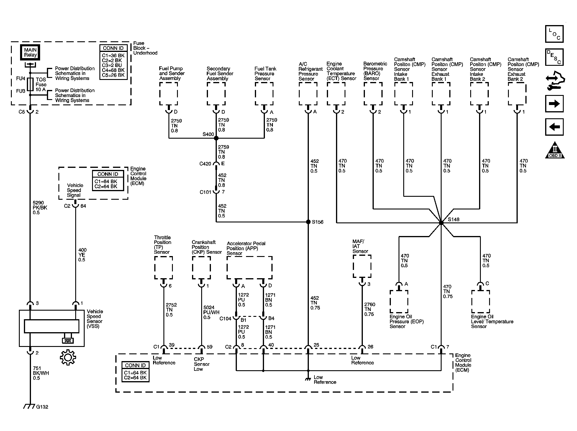
Fig 2: Schematic - Engine Data Sensors - 5-Volt Reference
GM1470689Courtesy of GENERAL MOTORS CORP.
Fig 3: Schematic - Engine Data Sensors - Low Reference
GM1470697Courtesy of GENERAL MOTORS CORP.
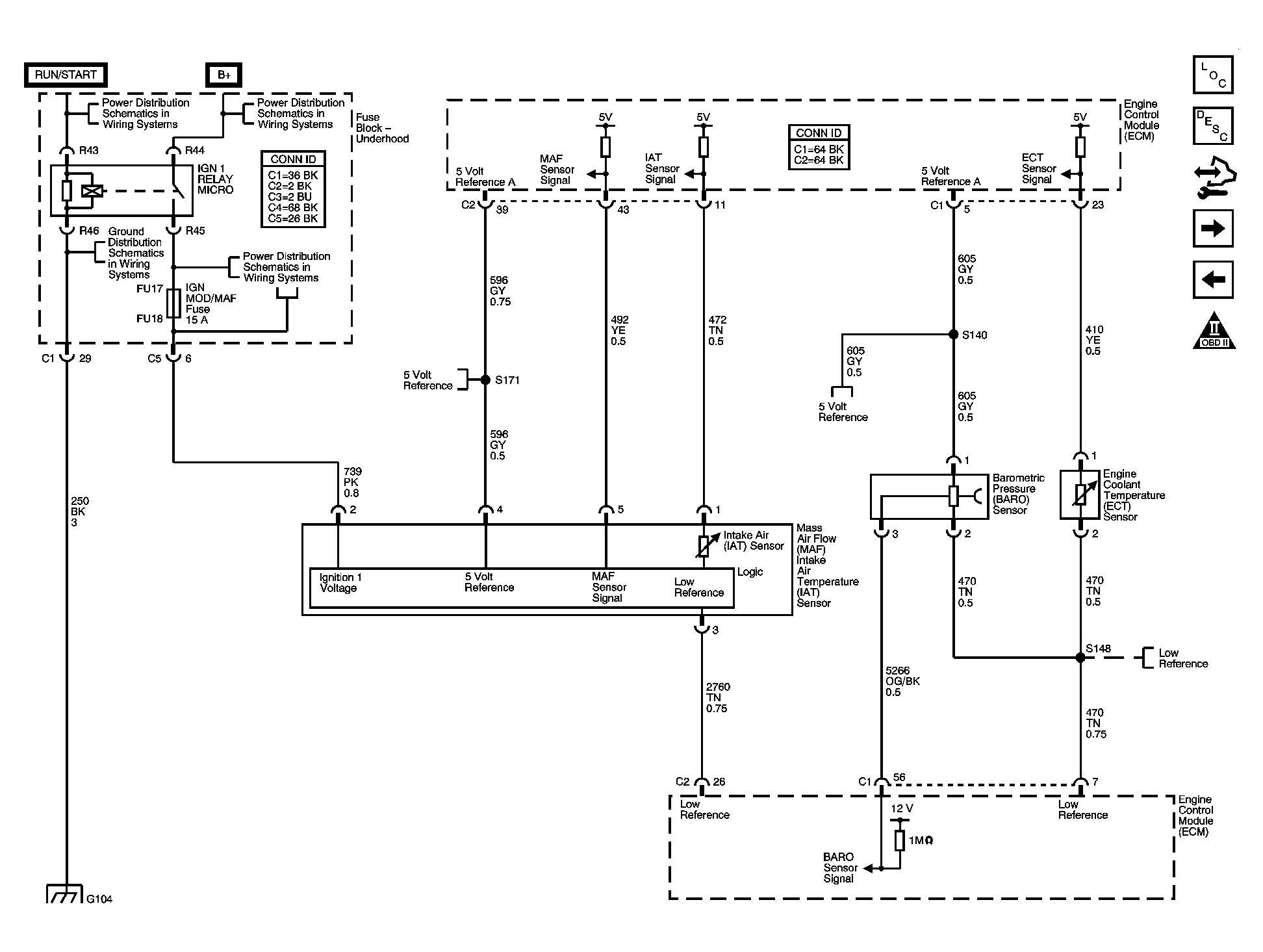
Fig 4: Schematic - Engine Data Sensors - Pressure, Temperature, and MAF
GM1470693Courtesy of GENERAL MOTORS CORP.
Fig 5: Schematic - Engine Data Sensors - Oxygen Sensors
GM1470698Courtesy of GENERAL MOTORS CORP.
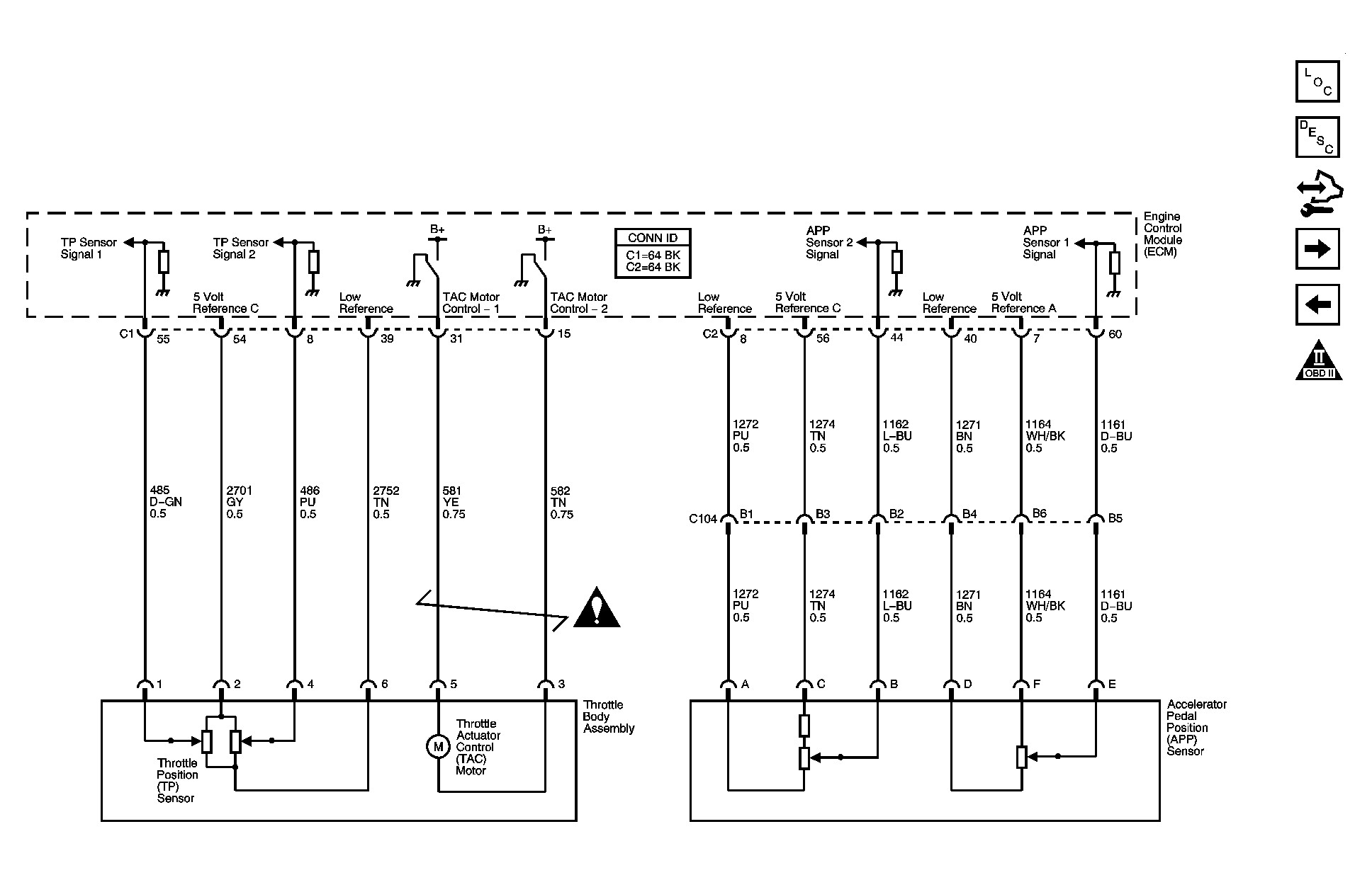
Fig 6: Schematic - Engine Data Sensors - Throttle Actuator Controls
GM1470699Courtesy of GENERAL MOTORS CORP.
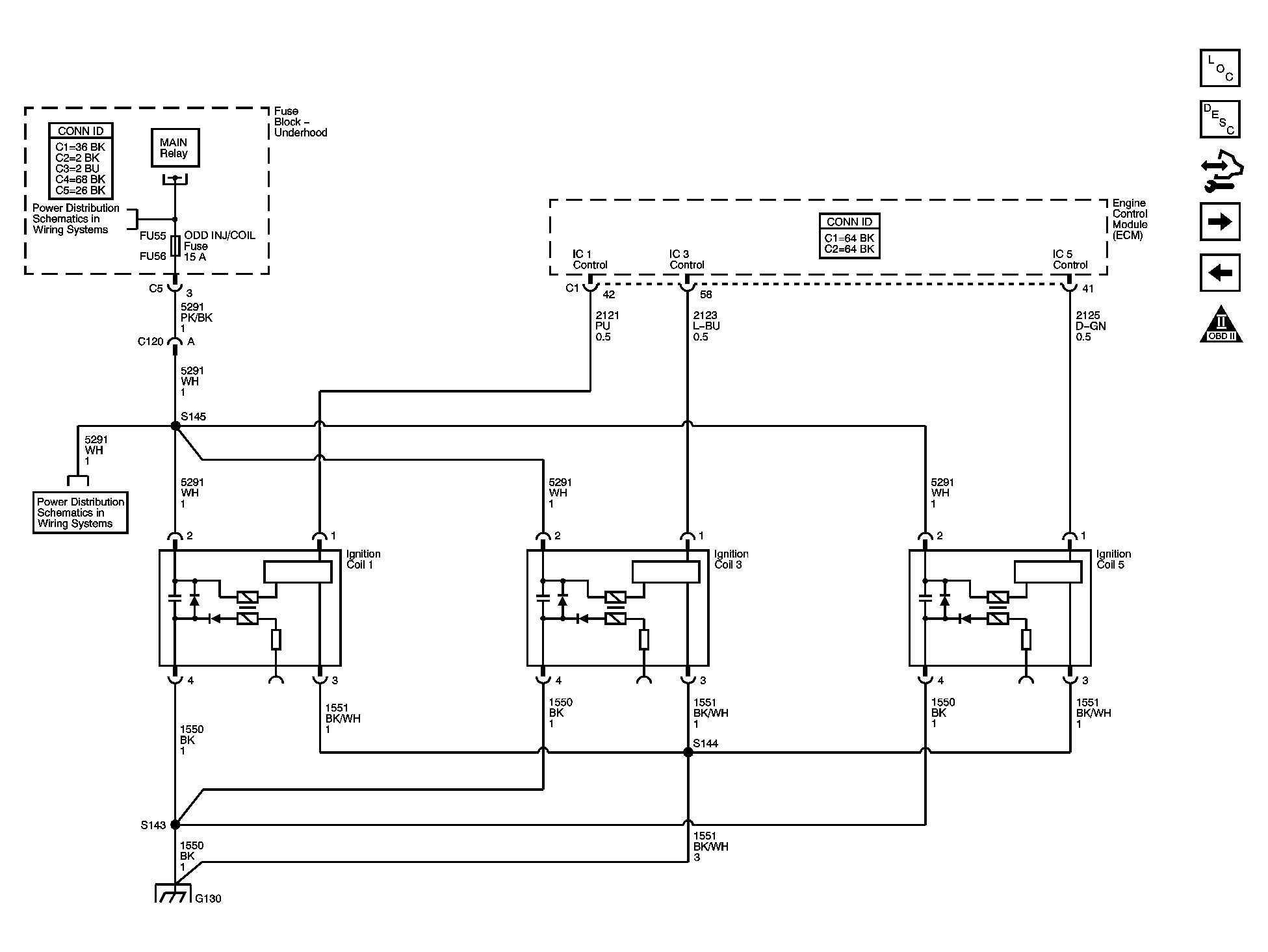
Fig 7: Schematic - Ignition Controls - Bank 1 Ignition Coils
GM1470700Courtesy of GENERAL MOTORS CORP.
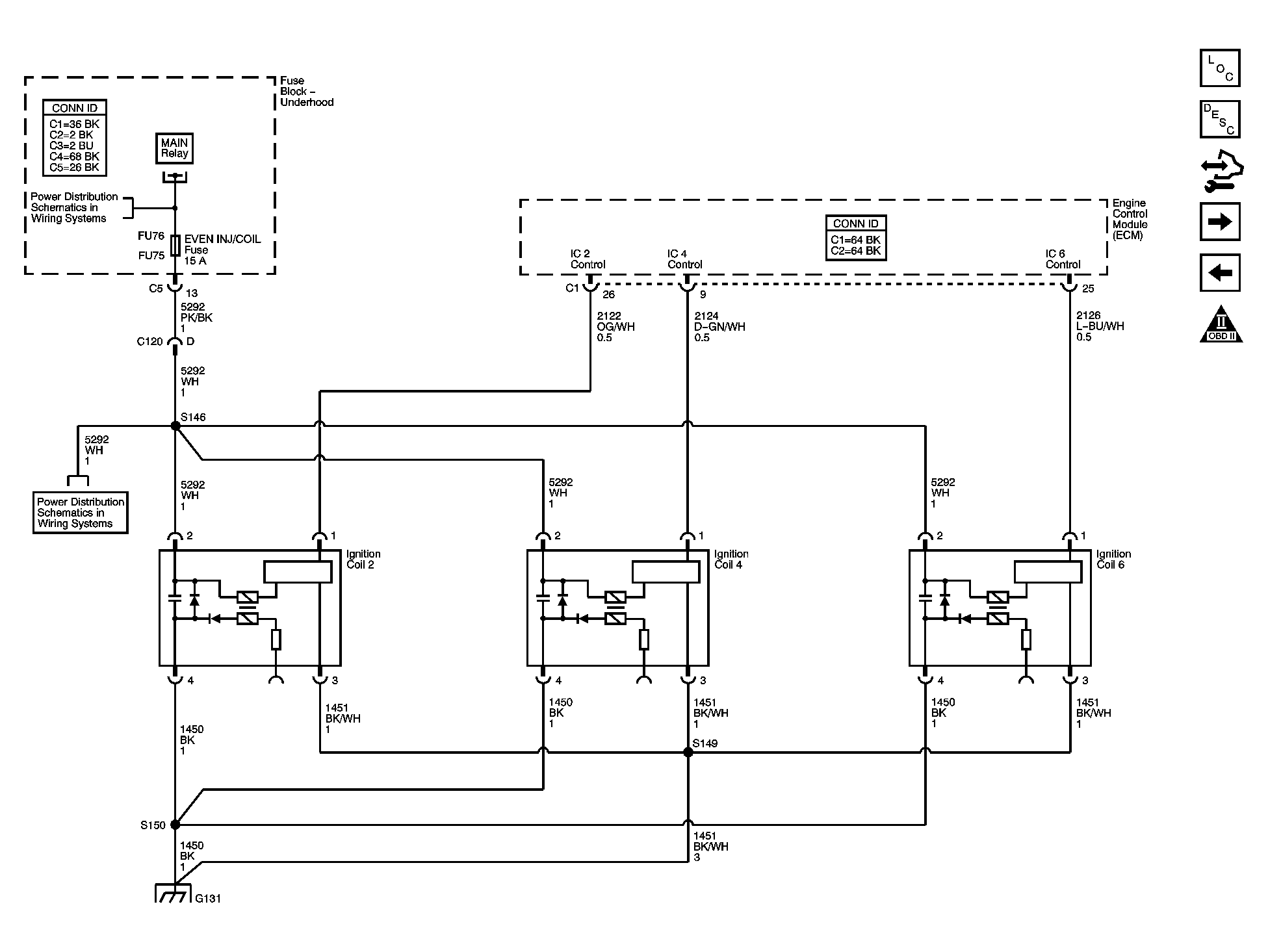
Fig 8: Schematic - Ignition Controls - Bank 2 Ignition Coils
GM1470701Courtesy of GENERAL MOTORS CORP.
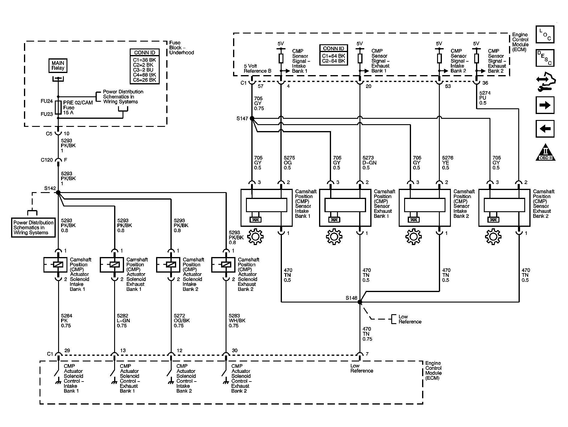
Fig 9: Schematic - Ignition Controls - CMP Sensors and Solenoids
GM1470702Courtesy of GENERAL MOTORS CORP.
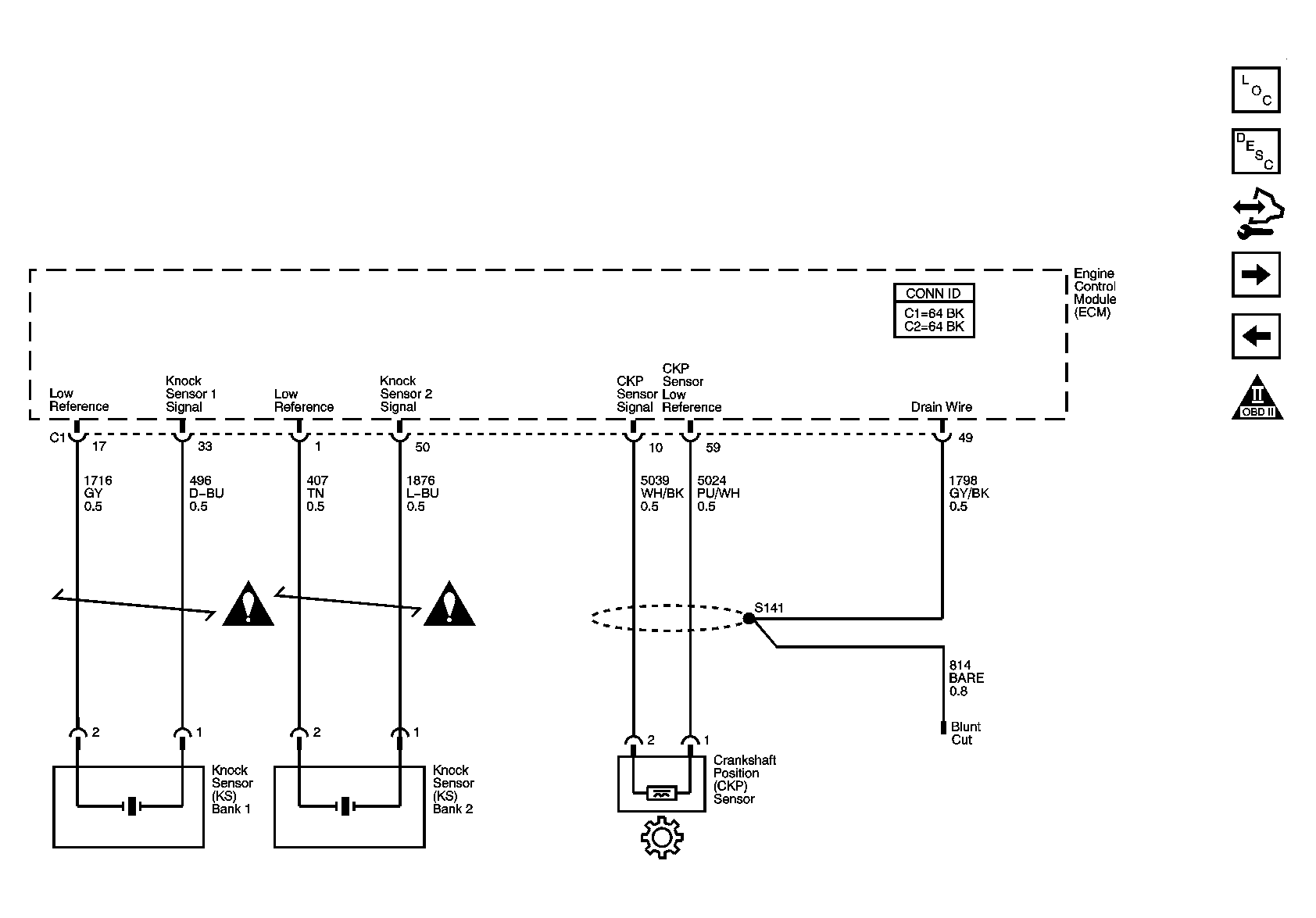
Fig 10: Schematic - Ignition Controls - CKP and Knock Sensors
GM1470703Courtesy of GENERAL MOTORS CORP.
Fig 11: Schematic - Fuel Controls - Fuel Pump and Injectors
GM1470704Courtesy of GENERAL MOTORS CORP.
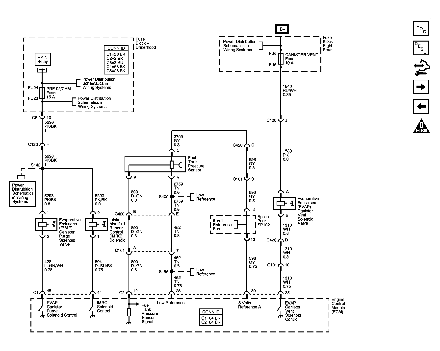
Fig 12: Schematic - Fuel Controls - EVAP Controls and IMRC Solenoid
GM1470705Courtesy of GENERAL MOTORS CORP.
Fig 13: Schematic - Controlled/Monitored Subsystem References
GM1470706Courtesy of GENERAL MOTORS CORP.