LEMON Manuals: Even more car manuals for everyone: 1960-2025
Home >> Cadillac >> 2005 >> CTS V >> Repair and Diagnosis >> Engine Performance >> System >> Engine Controls - 5.7L - Introduction >> Schematic and Routing Diagrams >> Engine Controls Schematics
April 5, 2026: LEMON Manuals is launched! Read the announcement.

Engine Controls Schematics

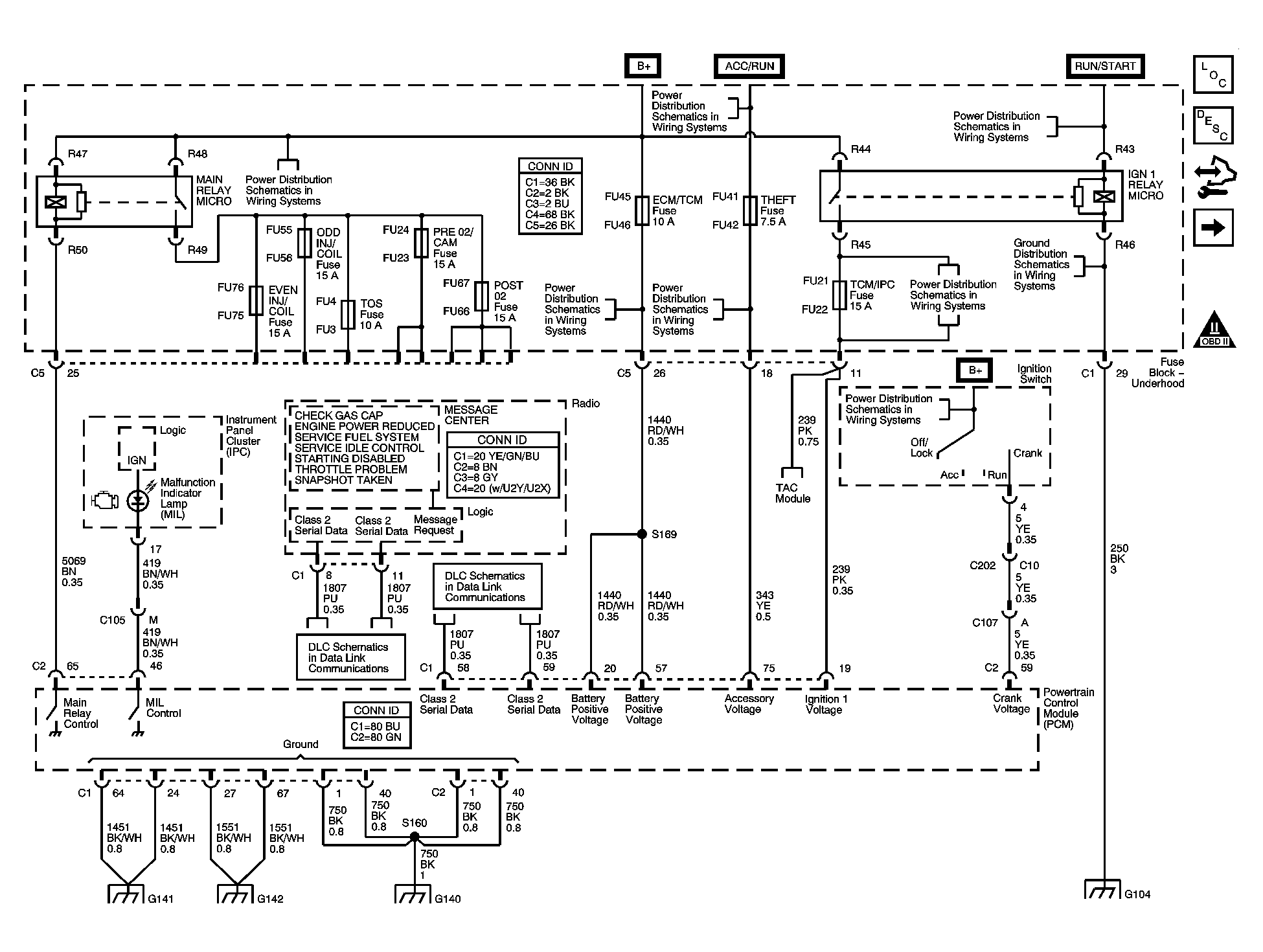
Fig 1: Schematic - Power, Ground, Serial Data, DIC and Indicator
GM1470720Courtesy of GENERAL MOTORS CORP.
Fig 2: Schematic - Engine Data Sensors - 5-Volt and Low Reference Buses
GM1470721Courtesy of GENERAL MOTORS CORP.
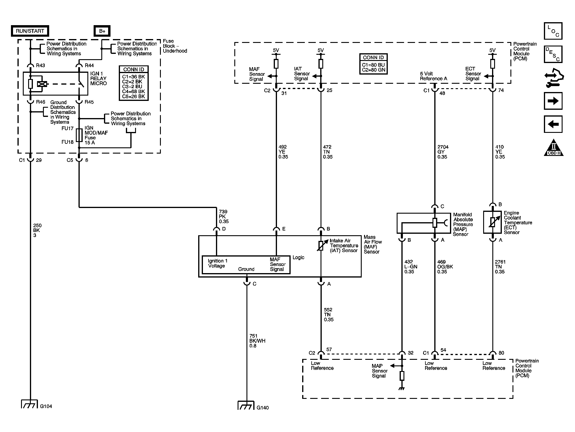
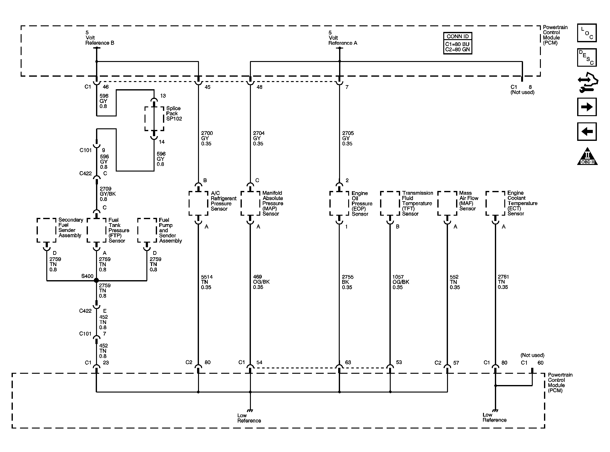
Fig 3: Schematic - Engine Data Sensors - MAP, ECT, MAF and IAT Sensors
GM1470722Courtesy of GENERAL MOTORS CORP.
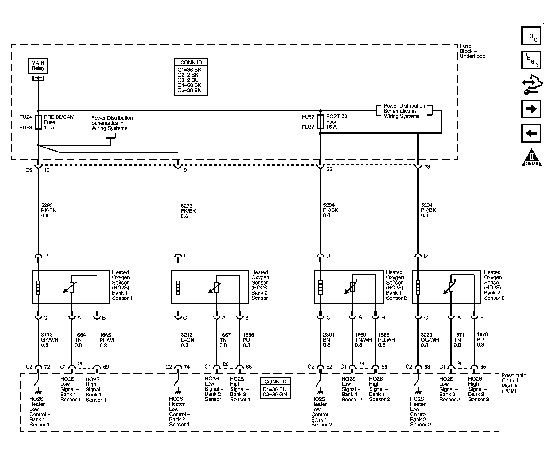
Fig 4: Schematic - Engine Data Sensors - Heated Oxygen Sensors (HO2S)
GM1470723Courtesy of GENERAL MOTORS CORP.
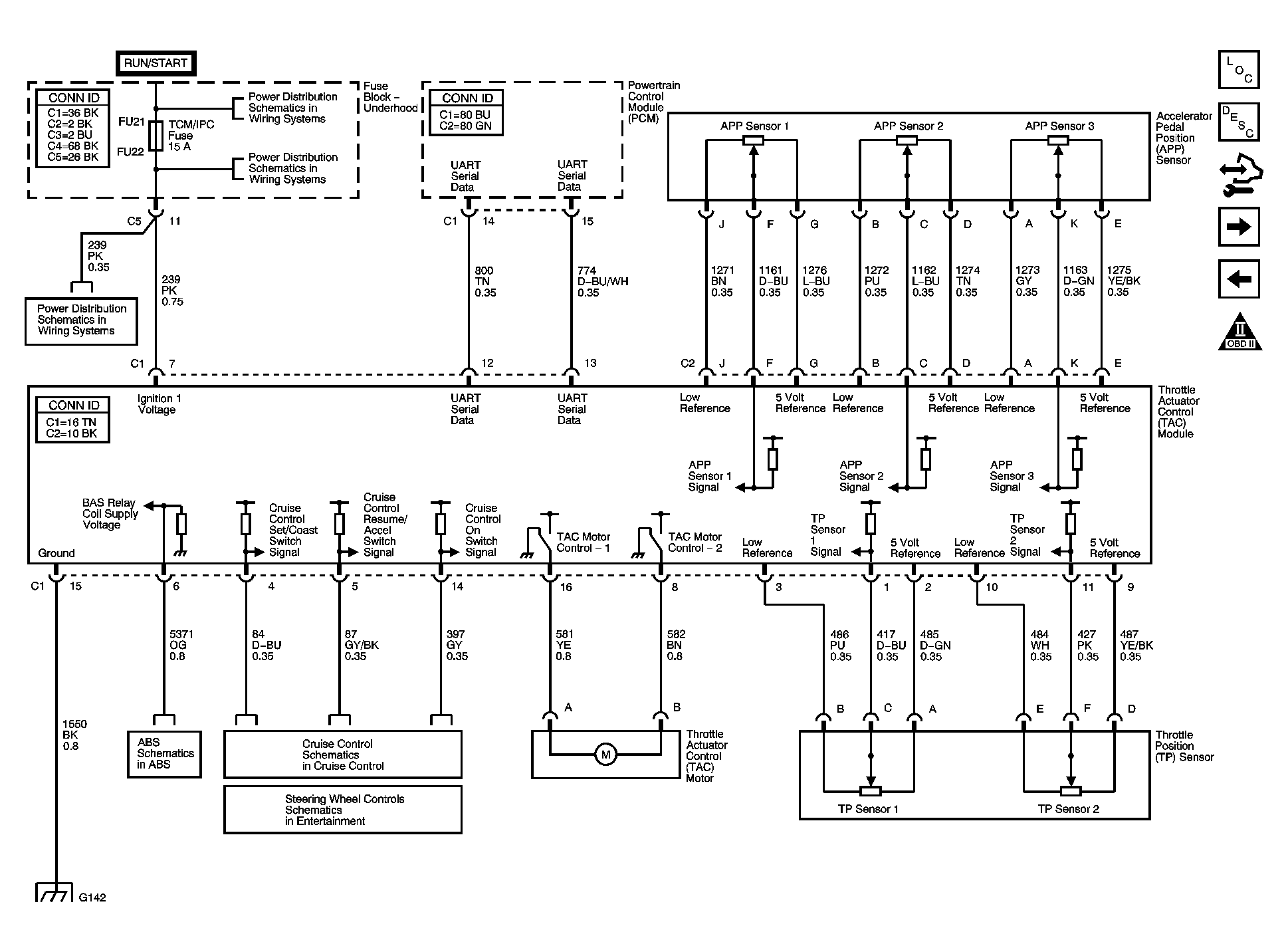
Fig 5: Schematic - Engine Data Sensors - Throttle Actuator Control (TAC) System
GM1470724Courtesy of GENERAL MOTORS CORP.
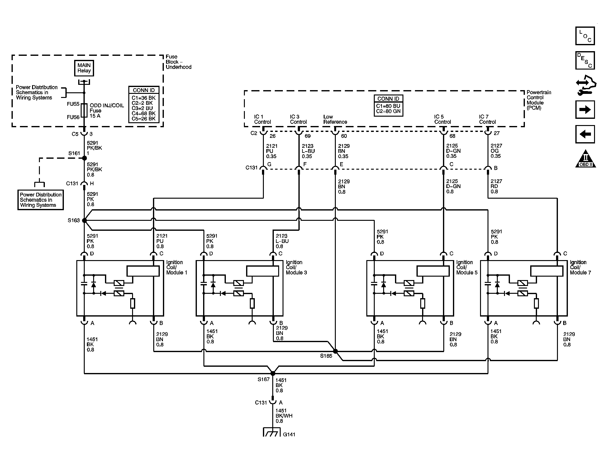
Fig 6: Schematic - Ignition Controls - Odd Ignition Coils
GM1470725Courtesy of GENERAL MOTORS CORP.
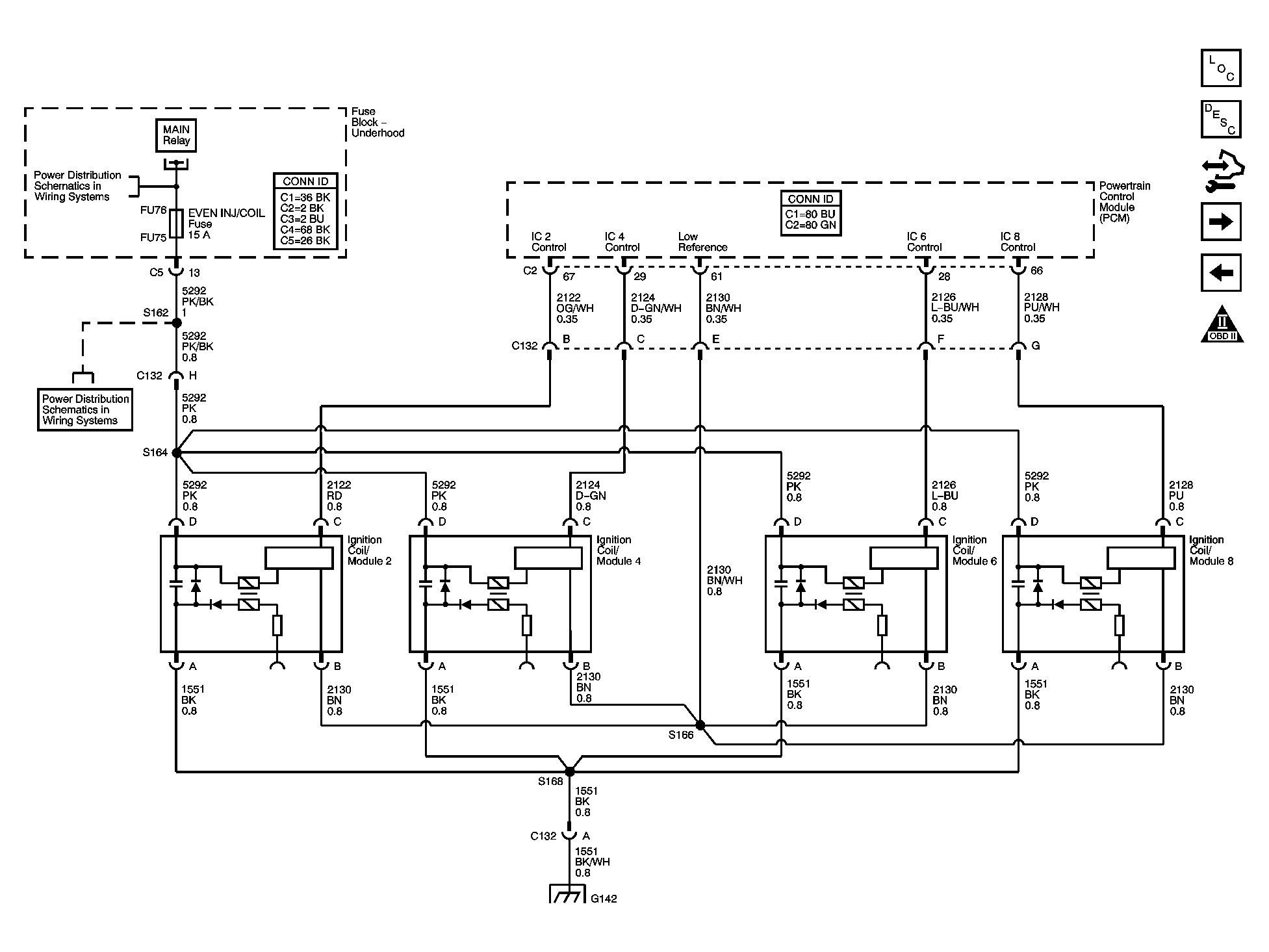
Fig 7: Schematic - Ignition Controls - Even Ignition Coils
GM1470726Courtesy of GENERAL MOTORS CORP.
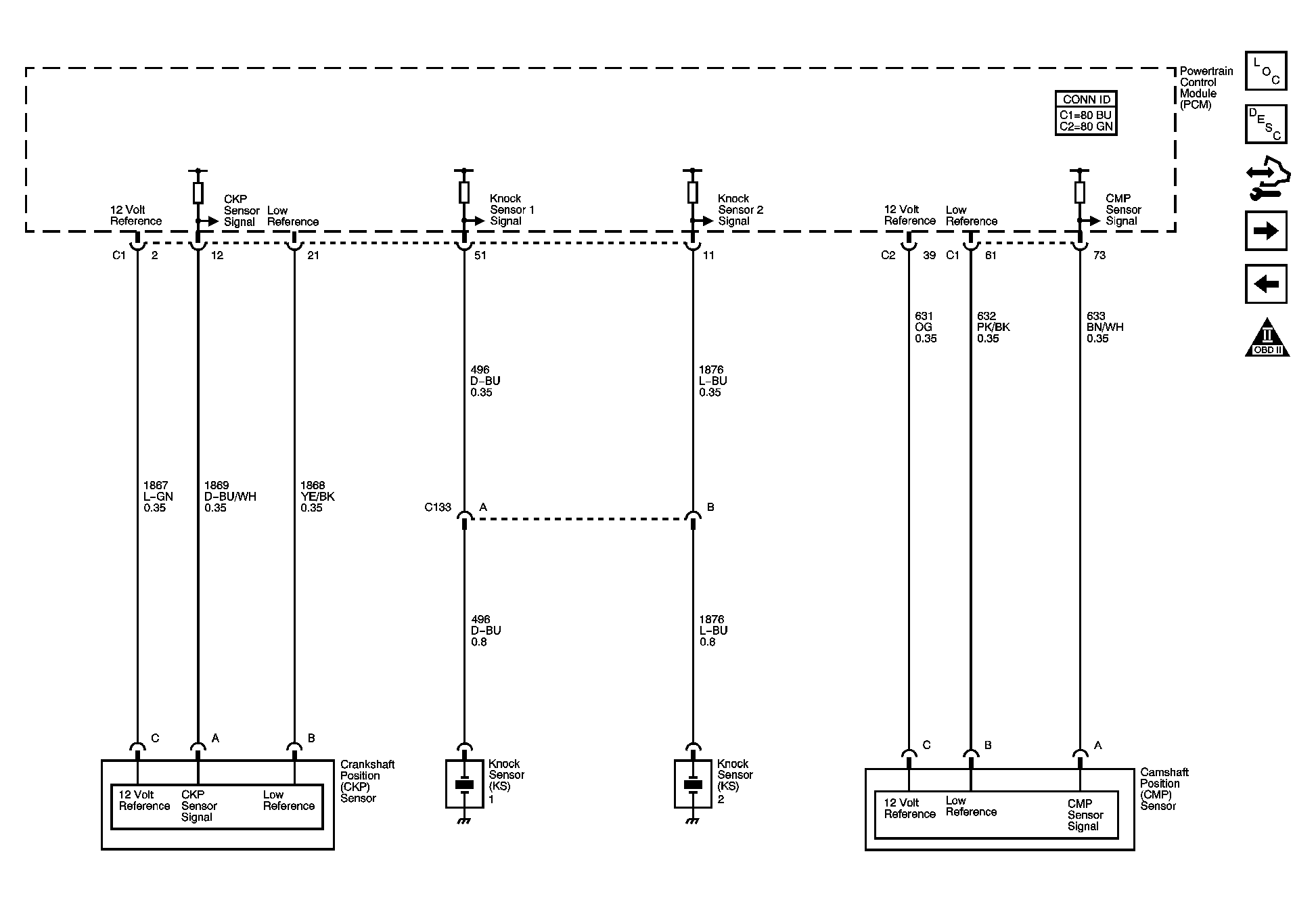
Fig 8: Schematic - Ignition Controls - Knock, CKP and CMP Sensors
GM1470727Courtesy of GENERAL MOTORS CORP.
Fig 9: Schematic - Fuel Controls - Fuel Injectors and Fuel Pump and Sender Assembly
GM1470730Courtesy of GENERAL MOTORS CORP.
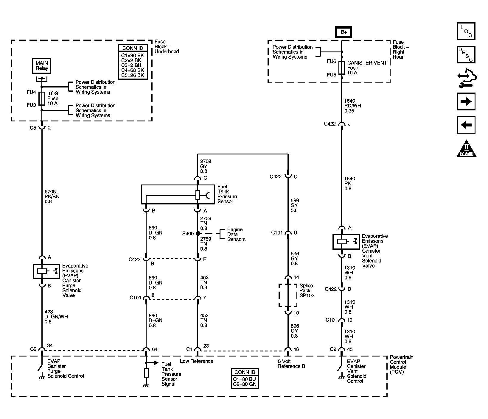
Fig 10: Schematic - Fuel Controls - EVAP Controls
GM1470731Courtesy of GENERAL MOTORS CORP.
Fig 11: Schematic - Controlled/Monitored Subsystem References
GM1470732Courtesy of GENERAL MOTORS CORP.