LEMON Manuals: Even more car manuals for everyone: 1960-2025
Home >> Cadillac >> 2005 >> DeVille Protection Series >> Repair and Diagnosis >> Transmission >> Automatic Trans >> Shift Interlock System >> Schematic And Routing Diagrams >> Automatic Transmission Shift Lock Control Schematics
April 5, 2026: LEMON Manuals is launched! Read the announcement.

Automatic Transmission Shift Lock Control Schematics

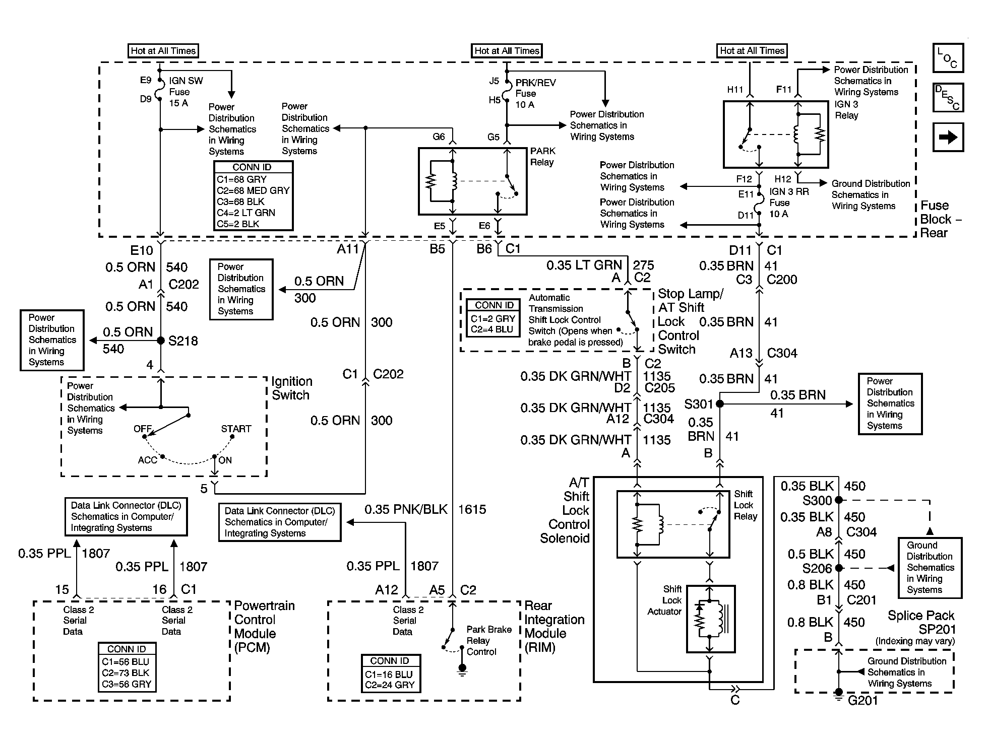
Fig 1: Console Shift Schematic
GM1411587Courtesy of GENERAL MOTORS CORP.
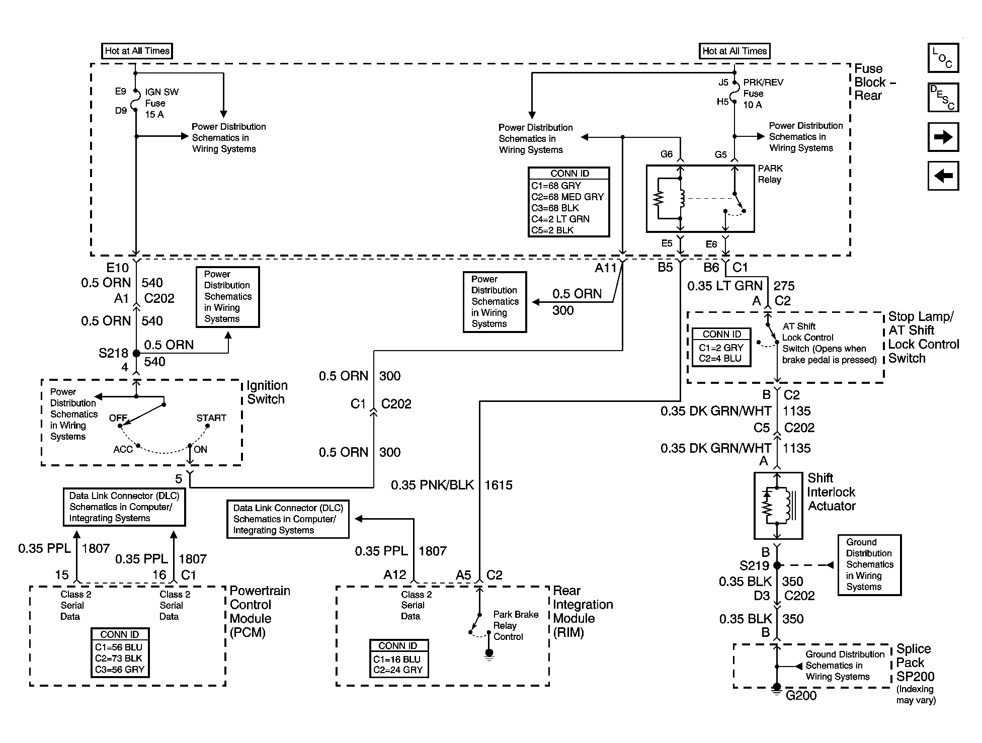
Fig 2: Column Shift Schematic
GM1411588Courtesy of GENERAL MOTORS CORP.
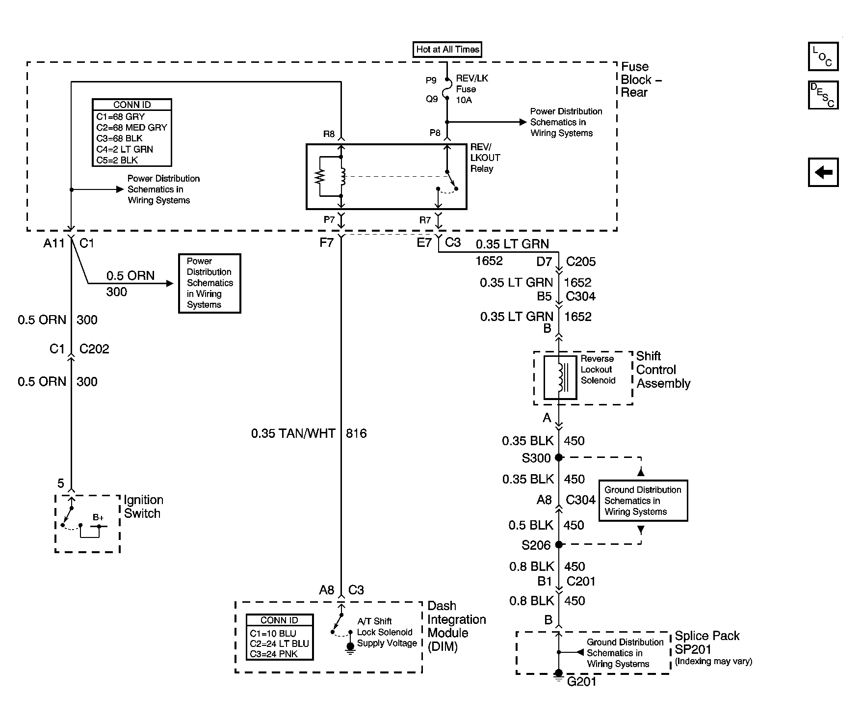
Fig 3: Reverse Lockout Control (D55) Schematic
GM1411589Courtesy of GENERAL MOTORS CORP.