LEMON Manuals: Even more car manuals for everyone: 1960-2025
Home >> Cadillac >> 2005 >> Escalade EXT >> Repair and Diagnosis (Single Page) >> Accessories & Equipment >> Entertainment Systems >> Cellular Communication System >> Component Locator >> Cellular Communication Component Views
April 5, 2026: LEMON Manuals is launched! Read the announcement.

Cellular Communication Component Views

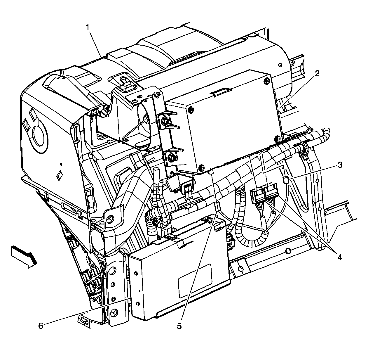
Fig 1: Cellular Communication Component Views Behind Instrument Panel (I/P) - Right Rear
GM851791Courtesy of GENERAL MOTORS CORP.
Callout Component Name
1 Instrument Panel (I/P)
2 Vehicle Communication Interface Module (VCIM)
3 Cellular Antenna Coax
4 VCIM Connectors
5 Navigation Antenna Coax
6 Digital Radio Receiver (U2K/U2L)
Fig 2: Antennas
GM851793Courtesy of GENERAL MOTORS CORP.
Callout Component Name
1 Cellular and Navigation Antenna
2 Cellular Antenna
3 Navigation Antenna
4 Front Roof Panel
Fig 3: Overhead Console Components
GM851794Courtesy of GENERAL MOTORS CORP.
Callout Component Name
1 Cellular Microphone
2 Courtesy/Reading Lamps - Front
3 C355
4 Cellular Microphone Connector
5 Overhead Console