LEMON Manuals: Even more car manuals for everyone: 1960-2025
Home >> Cadillac >> 2005 >> Escalade EXT >> Repair and Diagnosis >> Body & Frame >> Windows >> Door System, Mirror System & Window System >> Schematic and Routing Diagrams >> Power Window Schematics
April 5, 2026: LEMON Manuals is launched! Read the announcement.

Power Window Schematics

Fig 1: Left Doors Schematics
GM1464145Courtesy of GENERAL MOTORS CORP.
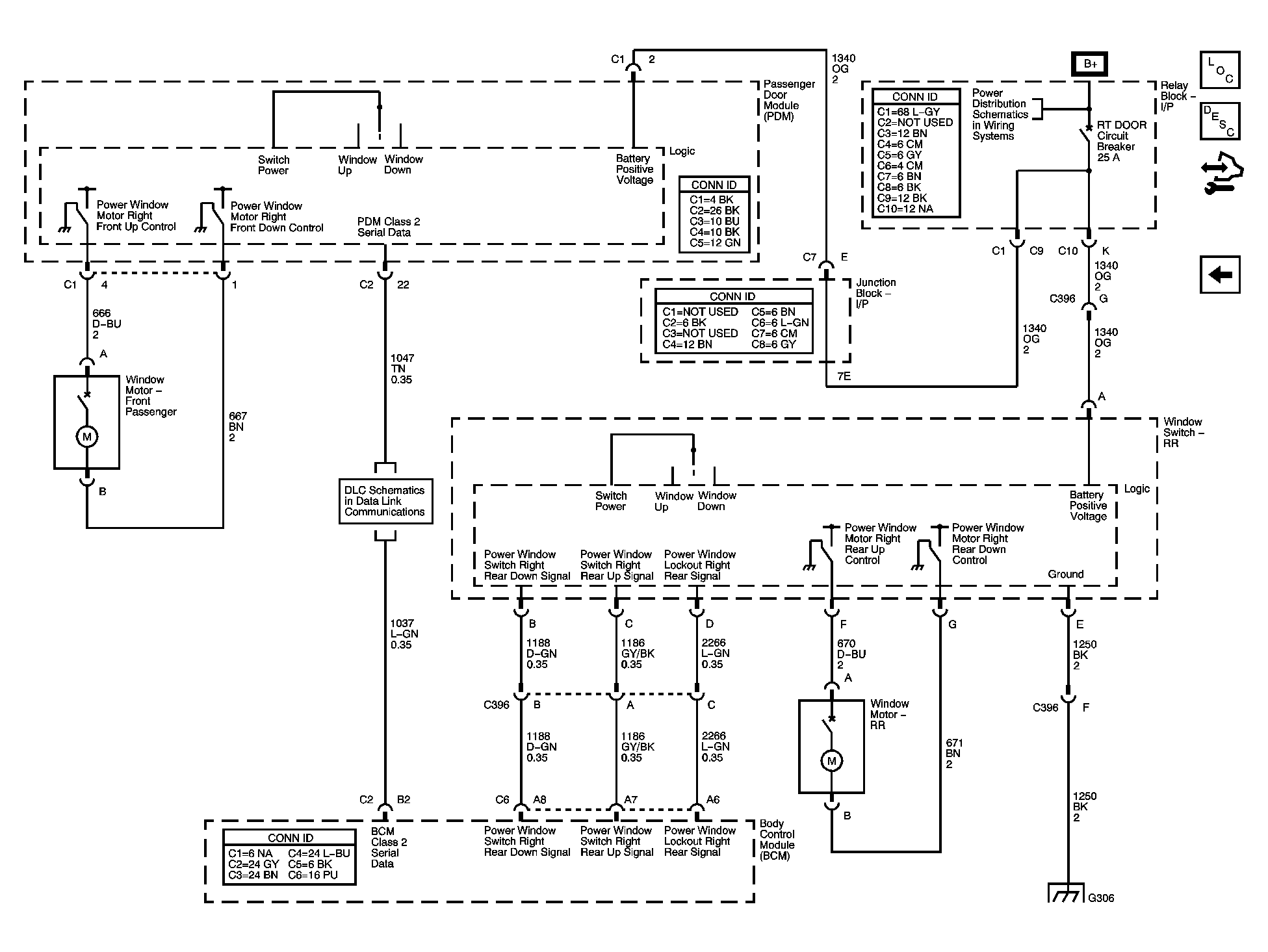
Fig 2: Right Doors Schematics
GM1464146Courtesy of GENERAL MOTORS CORP.