LEMON Manuals: Even more car manuals for everyone: 1960-2025
Home >> Cadillac >> 2005 >> Escalade EXT >> Repair and Diagnosis >> Brakes >> Antilock Brake System, Traction Control System & Stability Control System >> Schematic and Routing Diagrams >> ABS Schematics
April 5, 2026: LEMON Manuals is launched! Read the announcement.

ABS Schematics

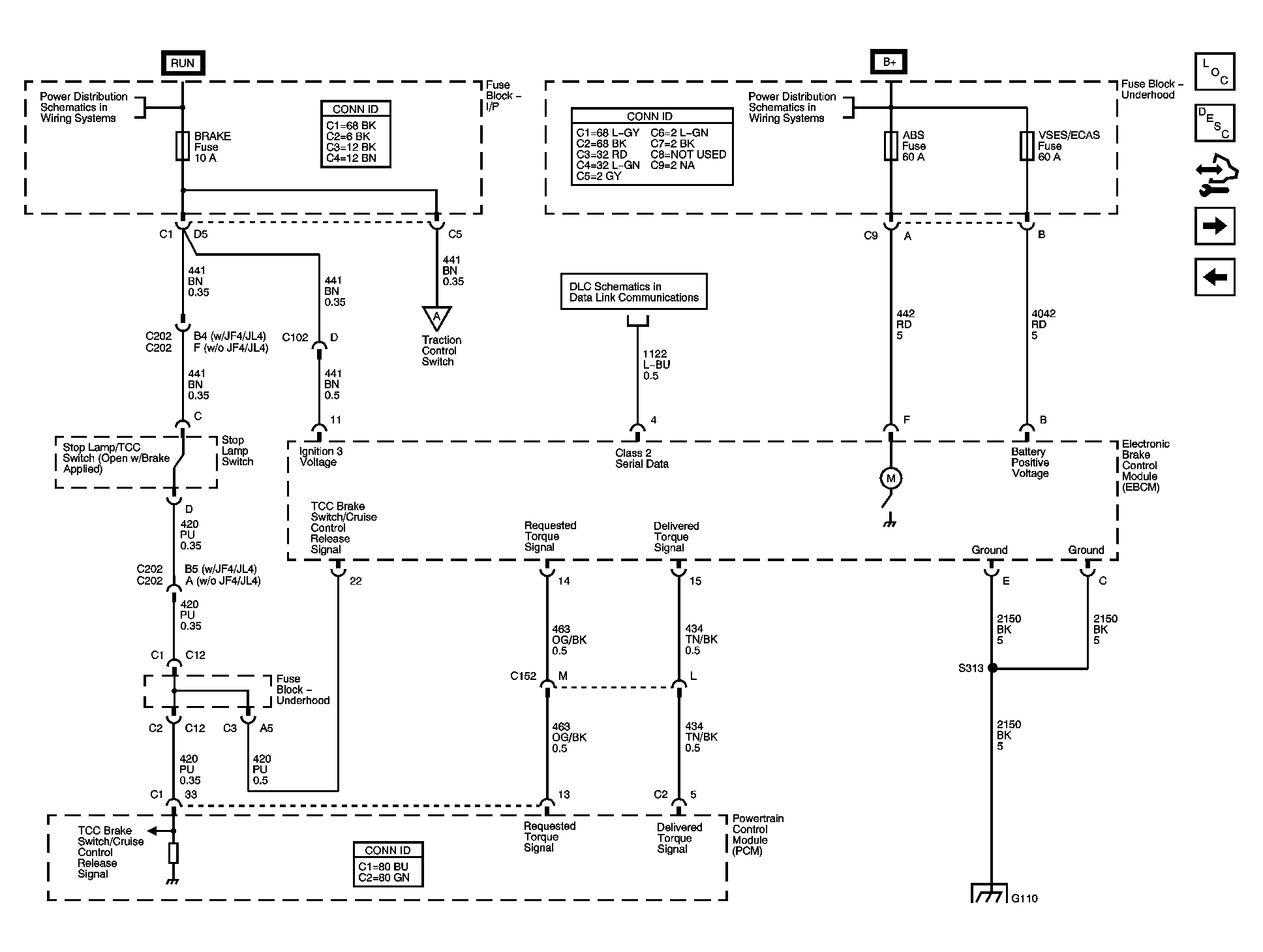
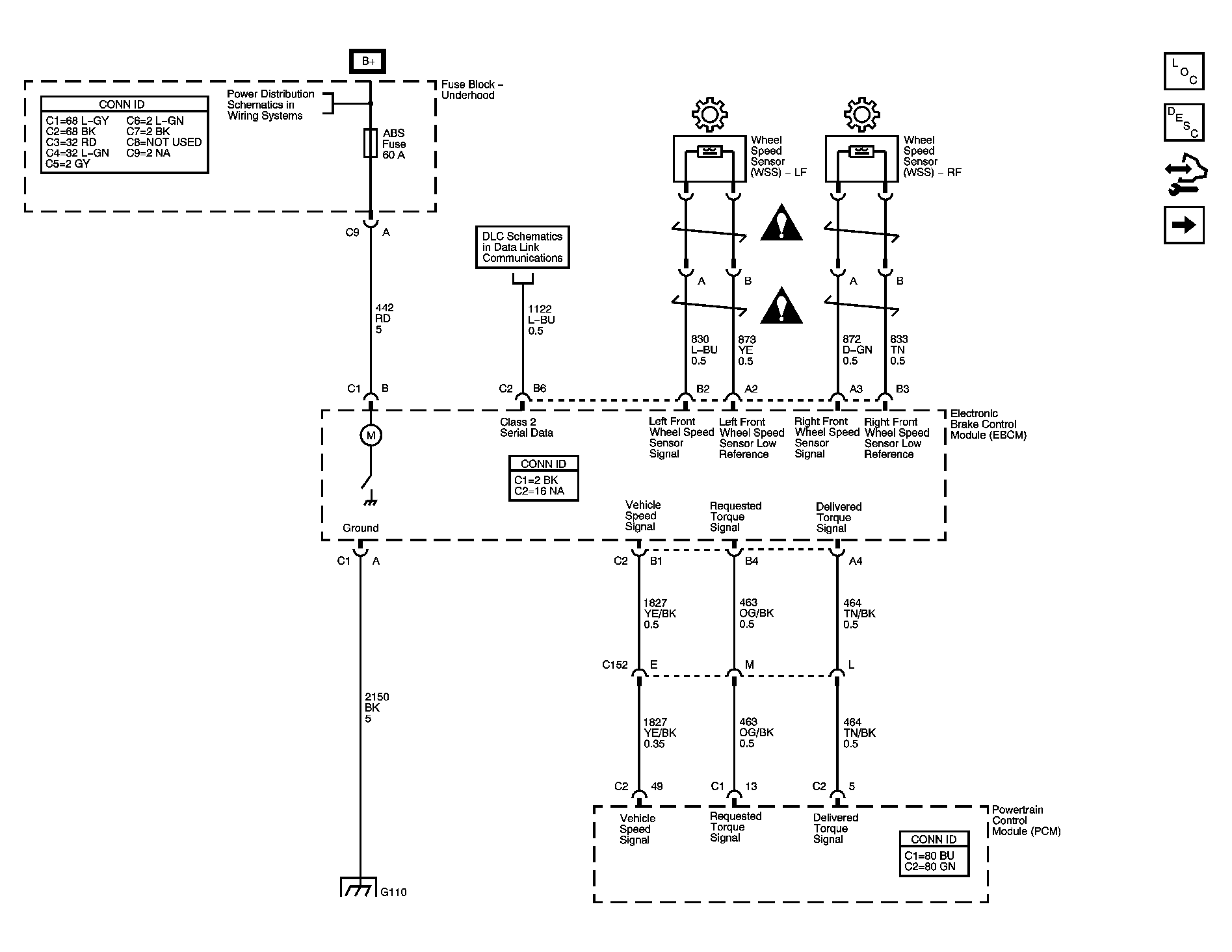
Fig 1: Power, Ground, Serial Data, and Wheel Speed Sensors Schematics - w/o JL4
GM1463947Courtesy of GENERAL MOTORS CORP.
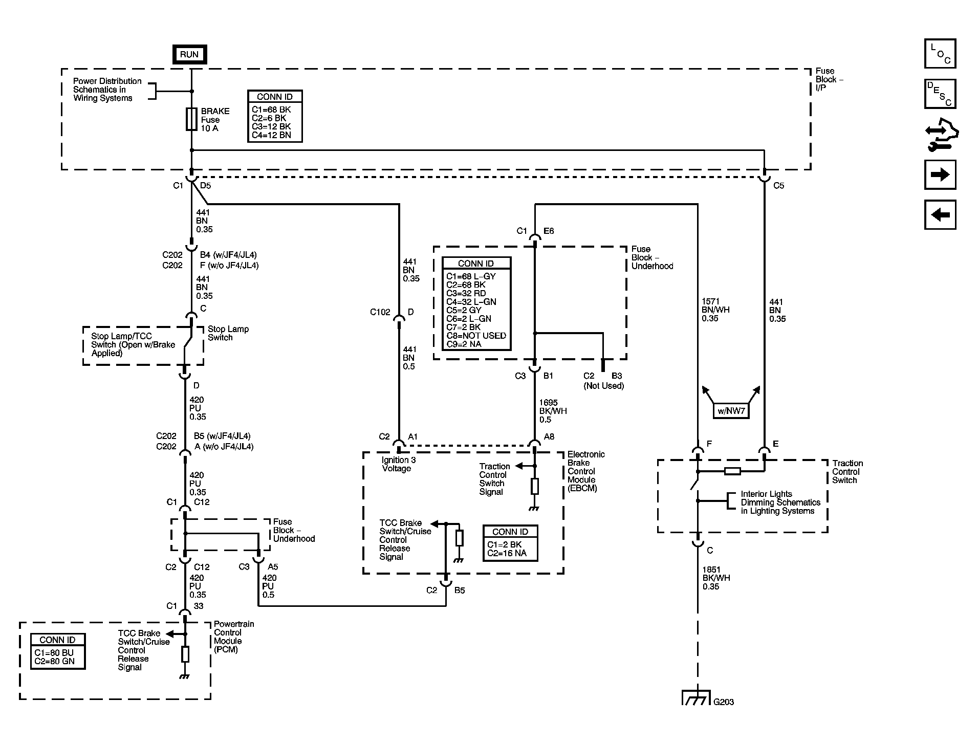
Fig 2: Stop Lamp Switch and Traction Control Switch Schematics - w/o JL4
GM1463953Courtesy of GENERAL MOTORS CORP.
Fig 3: Power, Ground, Serial Data, and Stop Lamp Switch Schematics - w/JL4
GM1463957Courtesy of GENERAL MOTORS CORP.
Fig 4: Wheel Speed Sensors Schematics - w/JL4
GM1463962Courtesy of GENERAL MOTORS CORP.
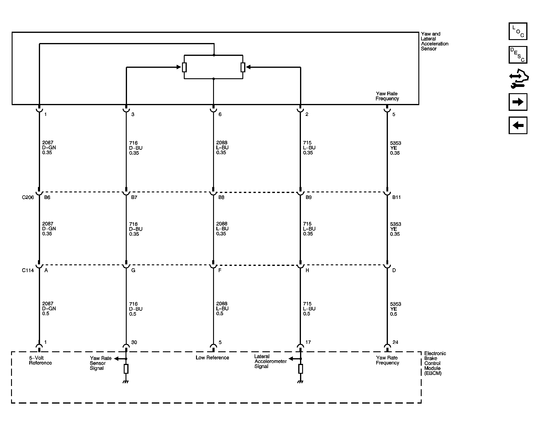
Fig 5: Yaw and Lateral Acceleration Sensor Inputs Schematics - wJL4
GM1463963Courtesy of GENERAL MOTORS CORP.
Fig 6: Steering Wheel Speed/Position Sensor Inputs Schematics - wJL4
GM1463965Courtesy of GENERAL MOTORS CORP.
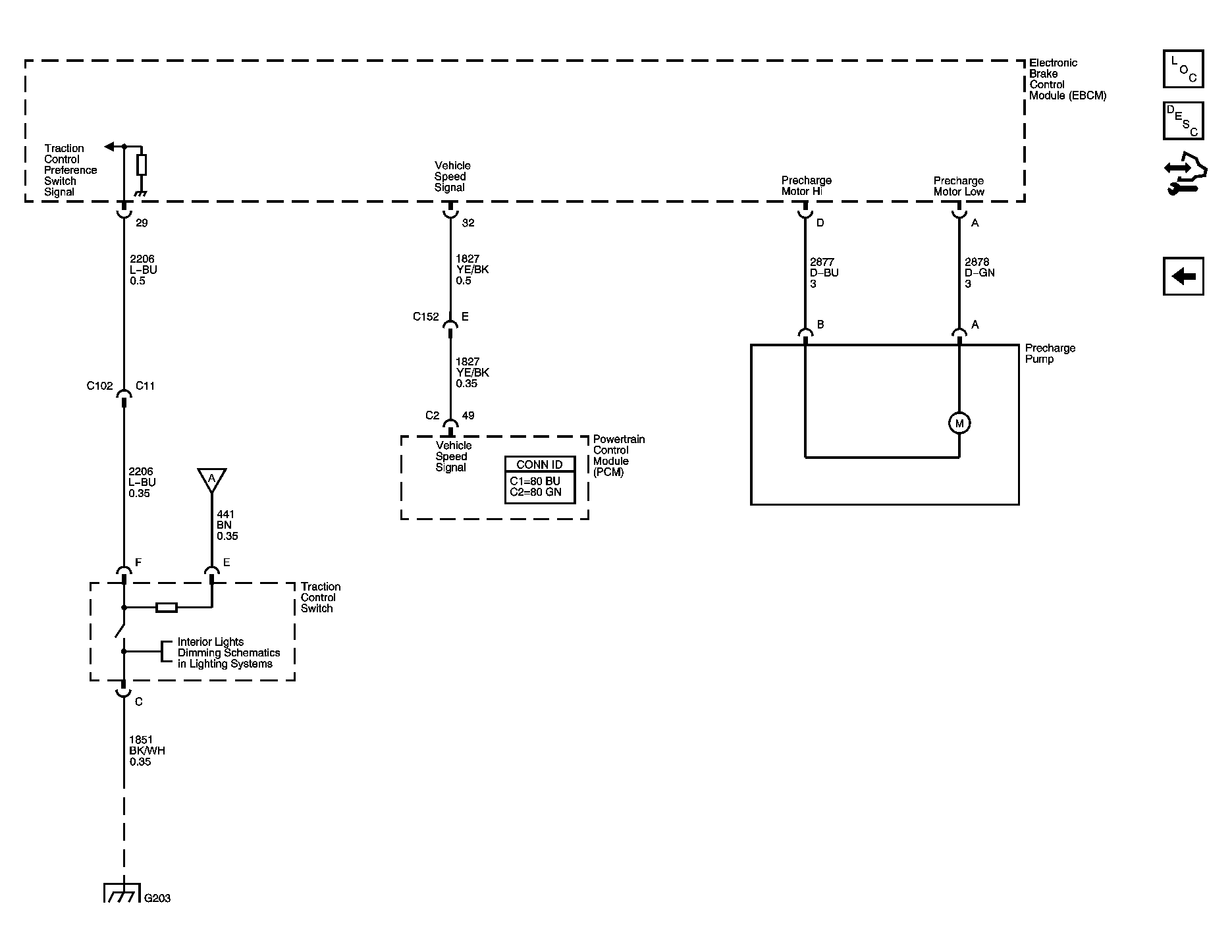
Fig 7: Traction Control Switch and Precharge Pump Schematics - wJL4
GM1463968Courtesy of GENERAL MOTORS CORP.