LEMON Manuals: Even more car manuals for everyone: 1960-2025
Home >> Cadillac >> 2005 >> Escalade EXT >> Repair and Diagnosis >> External Pages >> Different car >> Section 17 (Antilock Brake System And Traction Control System) >> Repair Instructions >> Electronic Brake Control Module Replacement >> Removal Procedure
April 5, 2026: LEMON Manuals is launched! Read the announcement.

Removal Procedure

WARNING: This page is about a different car, the 2004 GMC Sierra, 2004 GMC Cab & Chassis Sierra, 2004 Chevrolet Silverado, and 2004 Chevrolet Cab & Chassis Silverado. However, it is still accessible from the selected car via links, so may be relevant.
IMPORTANT: After installation, calibrate the new EBCM to the tire size that is appropriate to the vehicle.
    CAUTION: Refer to Battery Disconnect Caution in Cautions and Notices.
  1. Disconnect the negative battery cable.
  2. Raise and suitably support the vehicle. Refer to Lifting and Jacking the Vehicle in General Information.
  3. IMPORTANT: The area around the EHCU MUST be free from loose dirt to prevent contamination of disassembled ABS components.
  4. Thoroughly wash all contaminants from around the EHCU.
  5. Disconnect the chassis electrical connectors from the EBCM.
  6. Fig 1: Identifying Chassis Electrical Connectors To EBCM
    GM924296Courtesy of GENERAL MOTORS CORP.
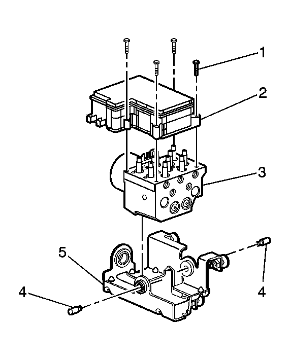
  7. Remove the mounting screws (1) that fasten the EBCM (2) to the BPMV (3).
  8. Fig 2: Removing EBCM To BPMV Mounting Screws
    GM924301Courtesy of GENERAL MOTORS CORP.
  9. Remove the EBCM (2) from the BPMV (3). Removal may require a light amount of force.
    NOTE: Do not use a tool to pry the EBCM or the BPMV. Excessive force will damage the EBCM.
  10. Fig 3: Removing EBCM From BPMV
    GM924291Courtesy of GENERAL MOTORS CORP.
  11. Disconnect the BPMV electrical connector from the EBCM.
  12. Fig 4: Disc
    GM924286Courtesy of GENERAL MOTORS CORP.
  13. Clean the BPMV to EBCM mounting surfaces with a clean cloth.