LEMON Manuals: Even more car manuals for everyone: 1960-2025
Home >> Cadillac >> 2005 >> Escalade EXT >> Repair and Diagnosis >> External Pages >> Different car >> Section 33 (Engine Controls - 4.3L (Introduction)) >> Schematic and Routing Diagrams >> Engine Controls Schematics
April 5, 2026: LEMON Manuals is launched! Read the announcement.

Engine Controls Schematics

WARNING: This page is about a different car, the 2004 GMC Sierra and 2004 Chevrolet Silverado. However, it is still accessible from the selected car via links, so may be relevant.
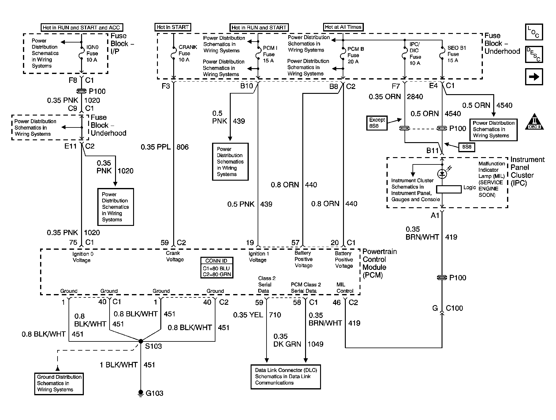
Fig 1: Module Power, Ground, Serial Data and MIL Schematic
GM1226213Courtesy of GENERAL MOTORS CORP.
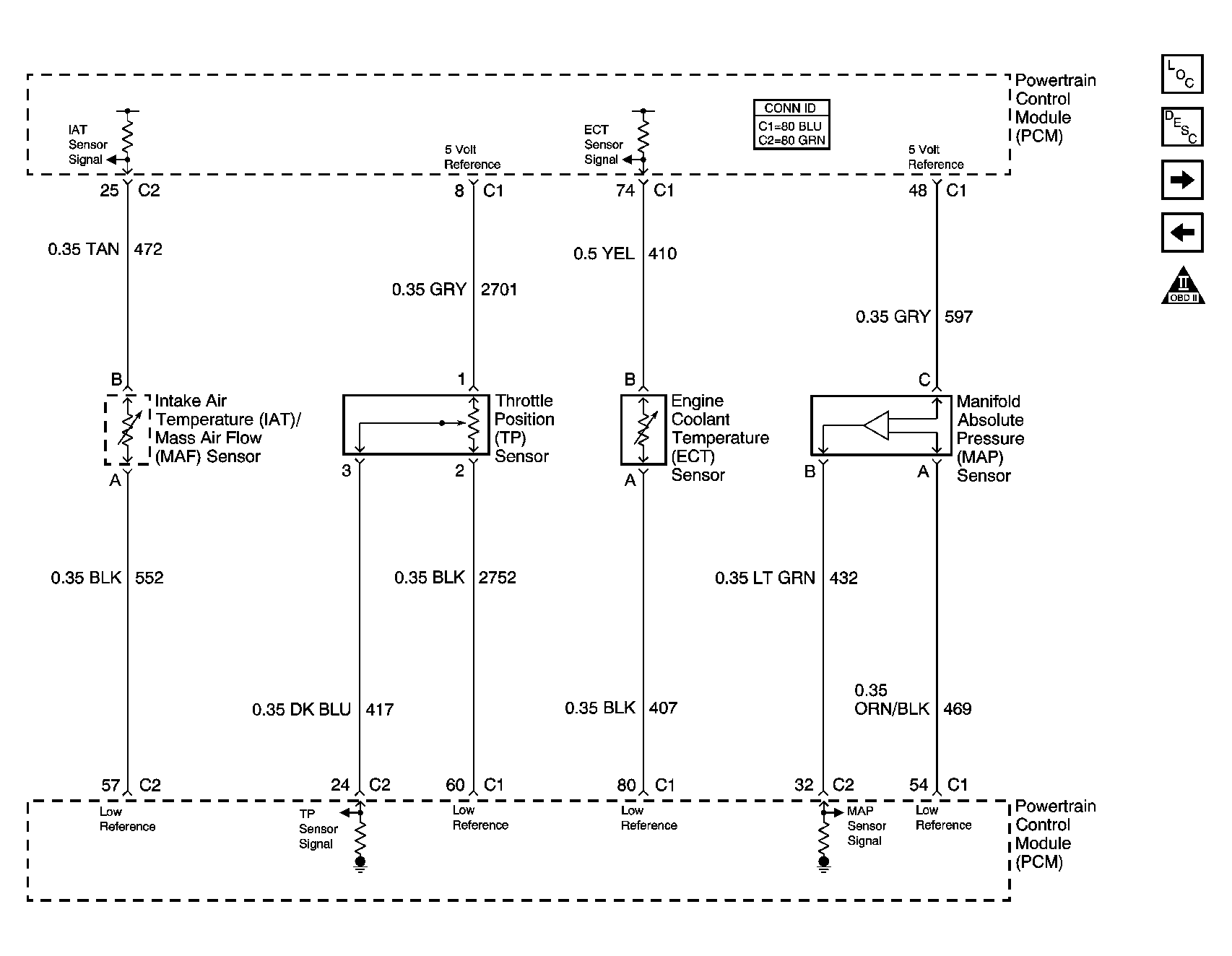
Fig 2: Engine Data Sensors - Pressure and Temperature Schematic
GM1226216Courtesy of GENERAL MOTORS CORP.
Fig 3: Engine Data Sensors - MAF And VSS Schematic
GM1226217Courtesy of GENERAL MOTORS CORP.
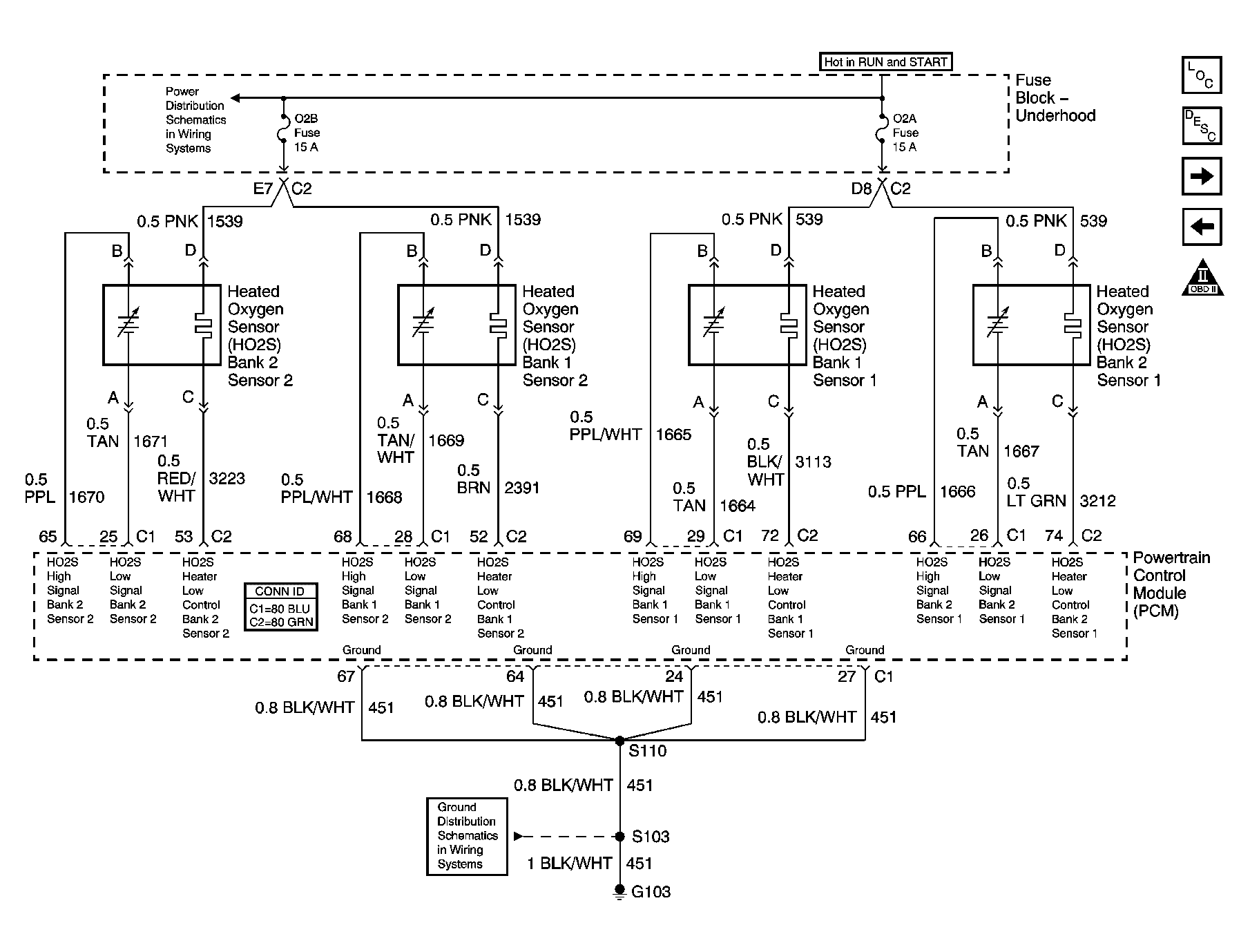
Fig 4: Engine Data Sensors - HO2S Schematic
GM1226220Courtesy of GENERAL MOTORS CORP.
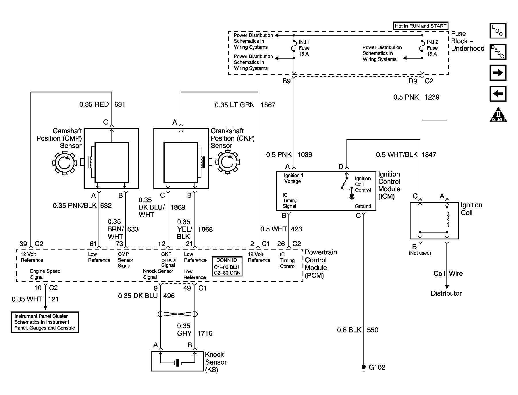
Fig 5: Ignition Controls
GM1226222Courtesy of GENERAL MOTORS CORP.
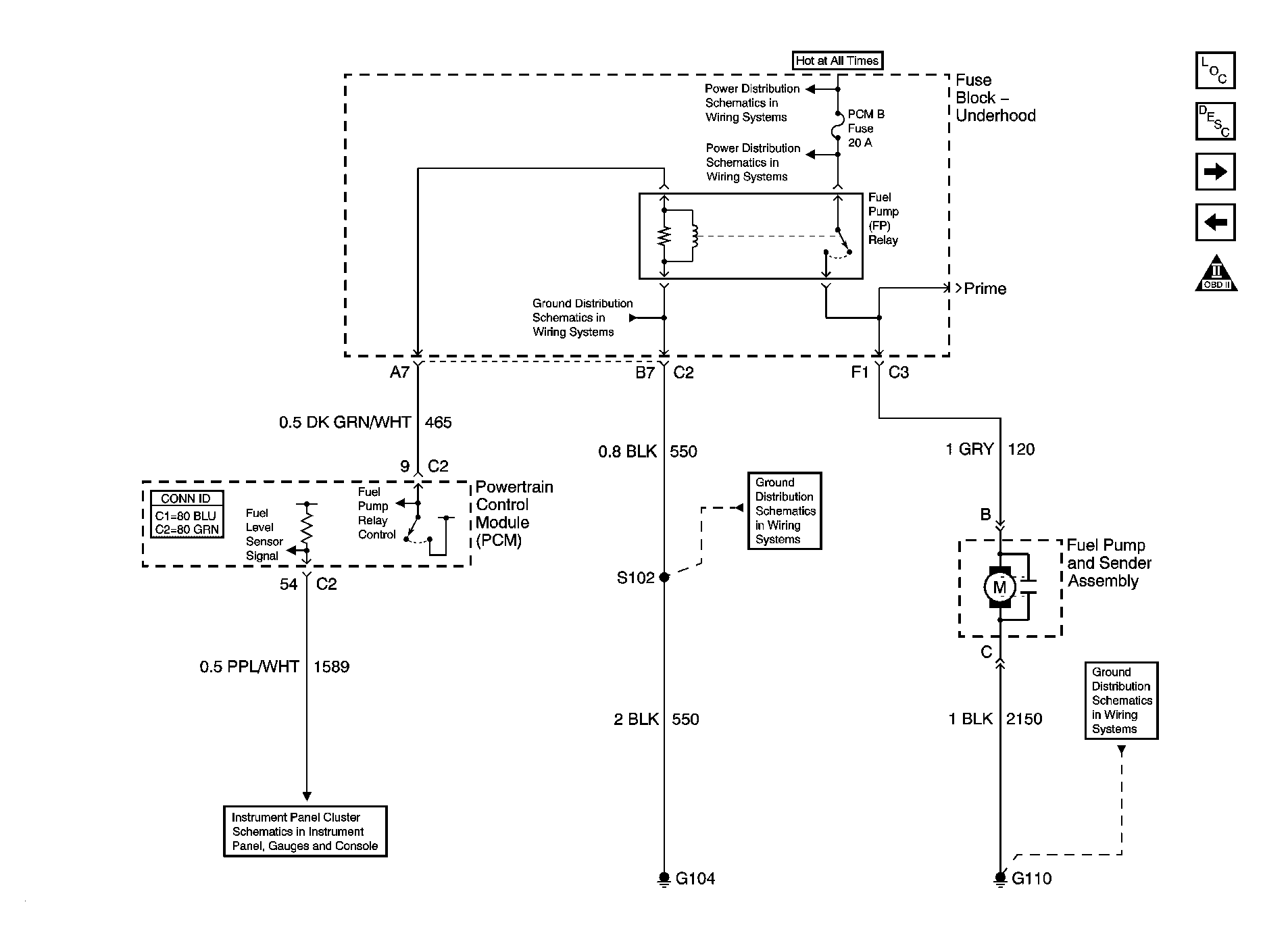
Fig 6: Fuel Controls - Fuel Pump Controls Schematic
GM1226224Courtesy of GENERAL MOTORS CORP.
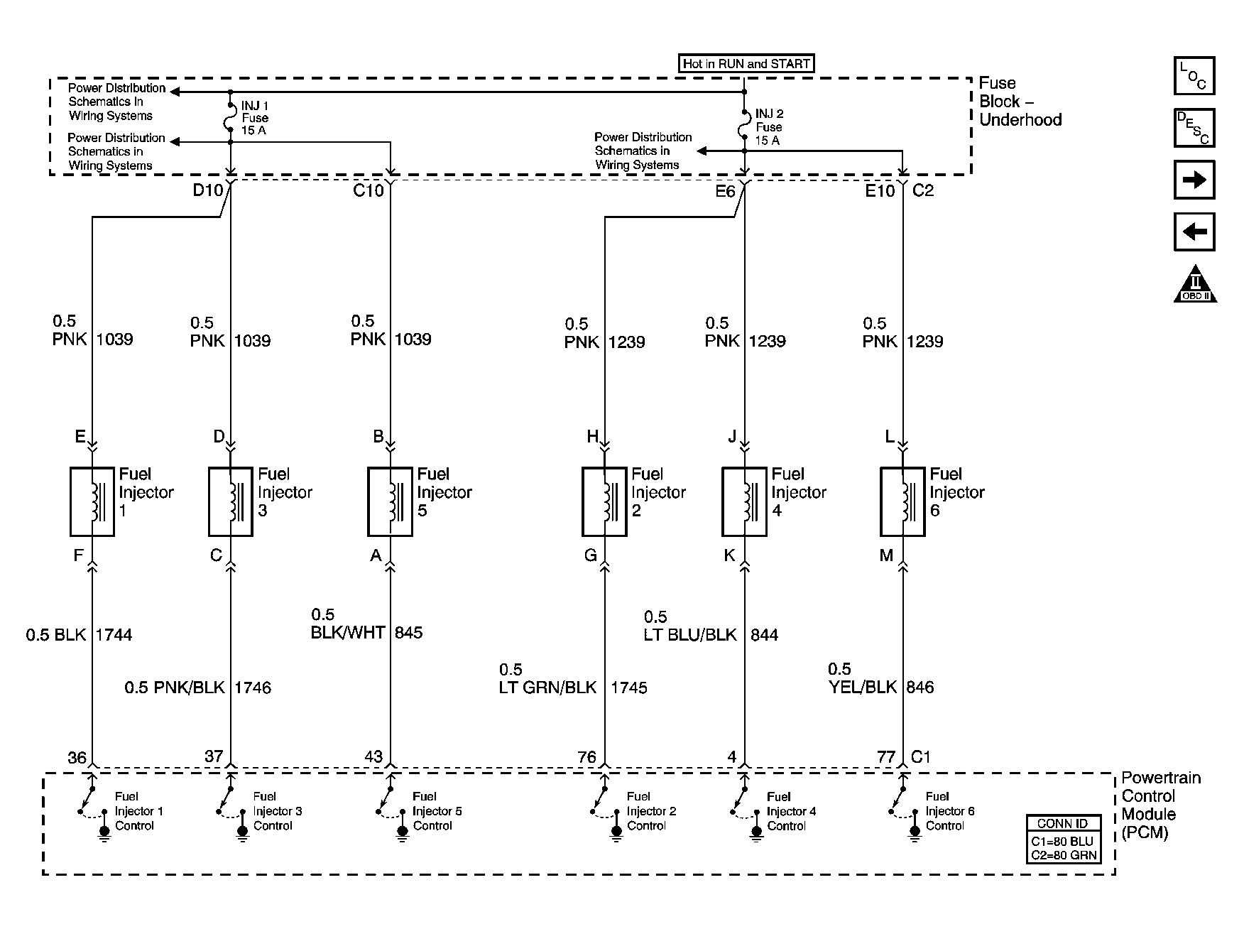
Fig 7: Fuel Controls - Fuel Injectors Schematic
GM1226226Courtesy of GENERAL MOTORS CORP.
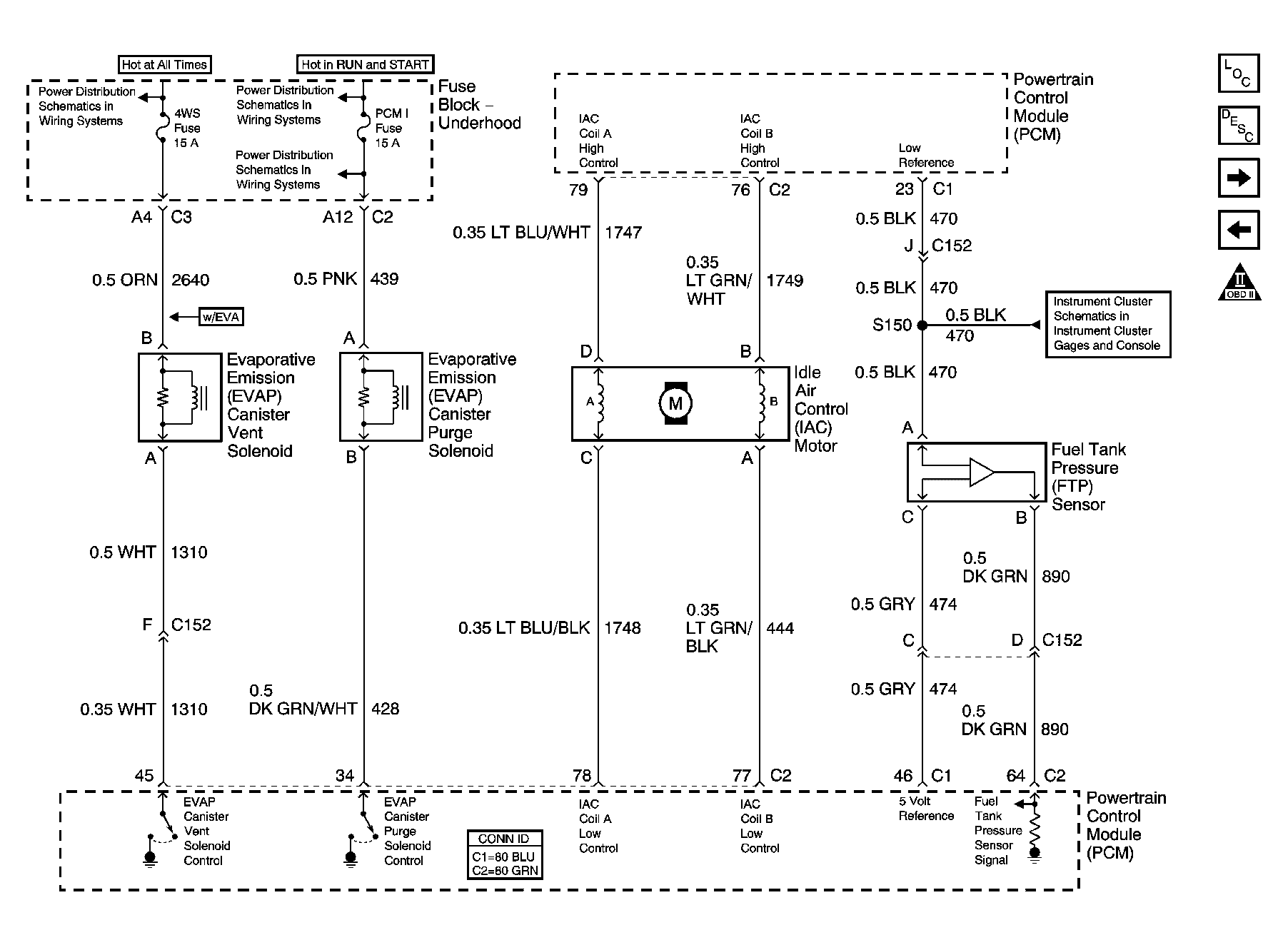
Fig 8: Fuel/Device Controls - EVAP, Fuel Tanks Pressure, and IAC Schematic
GM1226227Courtesy of GENERAL MOTORS CORP.
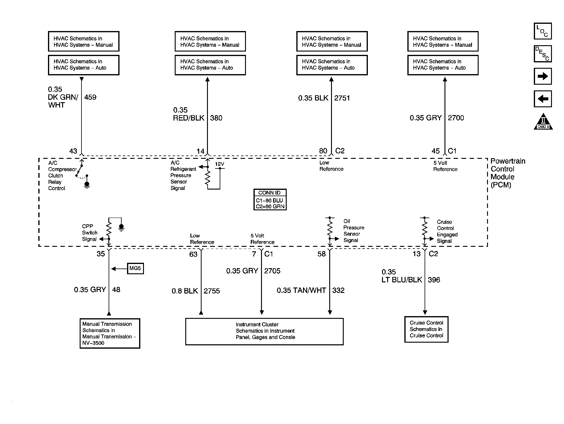
Fig 9: Controlled/Monitored Subsystem References Schematic - 1 Of 2
GM1226232Courtesy of GENERAL MOTORS CORP.
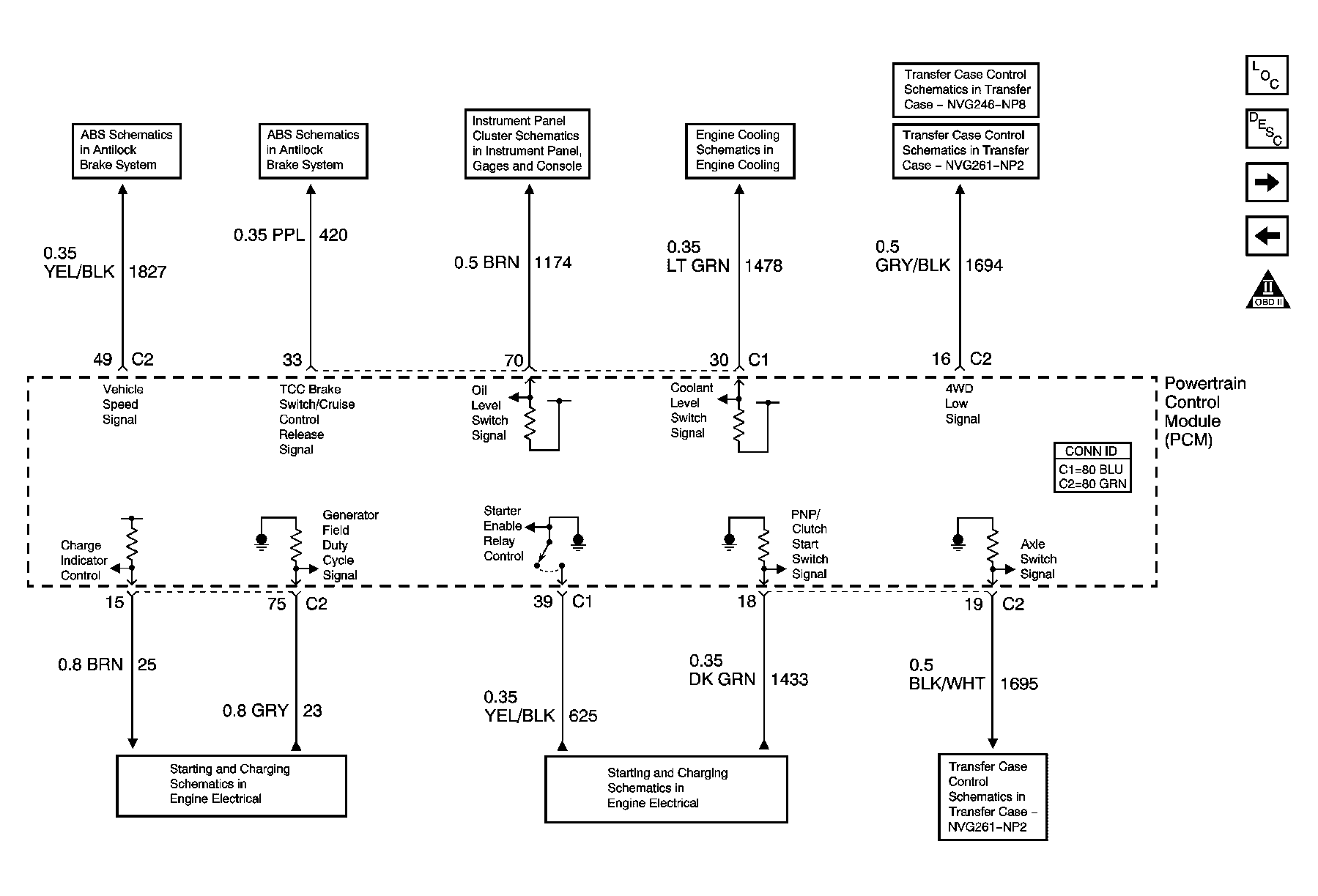
Fig 10: Controlled/Monitored Subsystem References Schematic - 2 Of 2
GM1226234Courtesy of GENERAL MOTORS CORP.
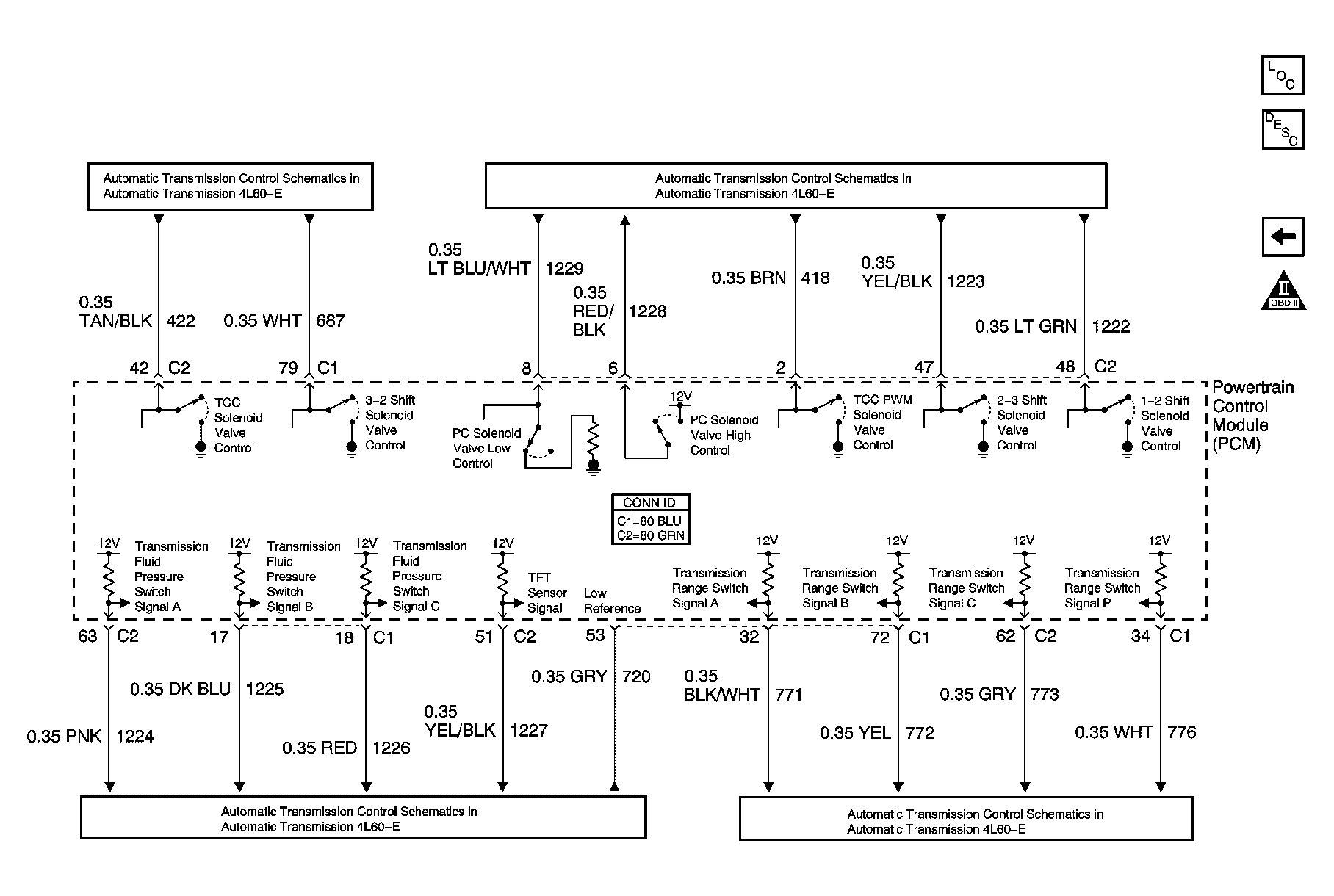
Fig 11: Transmission Controls Schematic - A/T
GM1226236Courtesy of GENERAL MOTORS CORP.