LEMON Manuals: Even more car manuals for everyone: 1960-2025
Home >> Cadillac >> 2005 >> SRX 3.6 7, AWD >> Repair and Diagnosis >> Engine Performance >> System >> Engine Control System - 3.6L (Ly7) - Introduction >> Schematic and Routing Diagrams >> Engine Controls Schematics
April 5, 2026: LEMON Manuals is launched! Read the announcement.

Engine Controls Schematics

Fig 1: Module Power, Ground, Serial Data & MIL Schematic
GM1442211Courtesy of GENERAL MOTORS CORP.
Fig 2: Engine Data Sensors Schematic - 5-Volt Reference
GM1442218Courtesy of GENERAL MOTORS CORP.
Fig 3: Engine Data Sensors Schematic - Low Reference
GM1442221Courtesy of GENERAL MOTORS CORP.
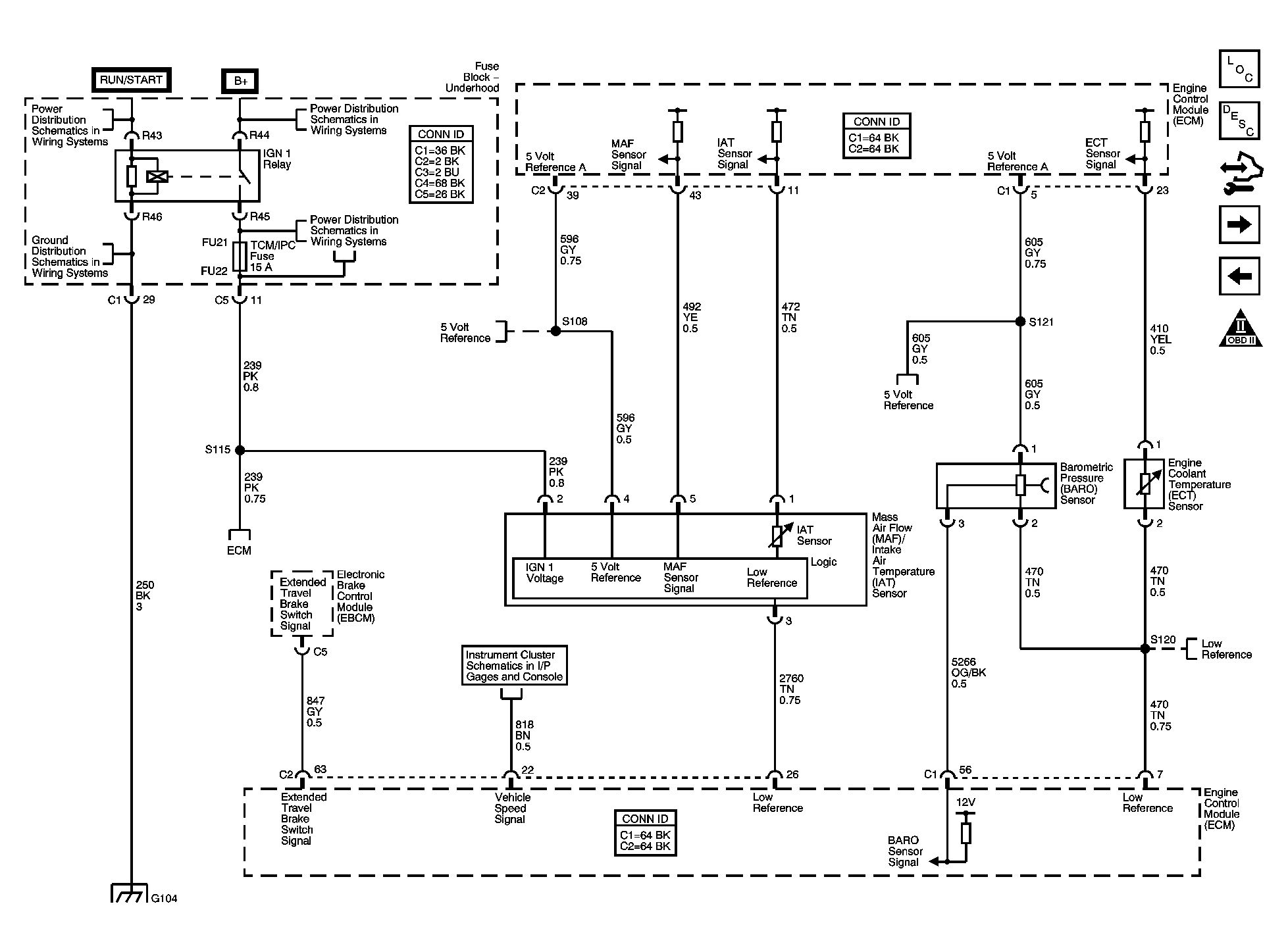
Fig 4: Engine Data Sensors - Pressure, Temperature, MAF, VSS & Extended Travel Brake Switch Schematic
GM1442223Courtesy of GENERAL MOTORS CORP.
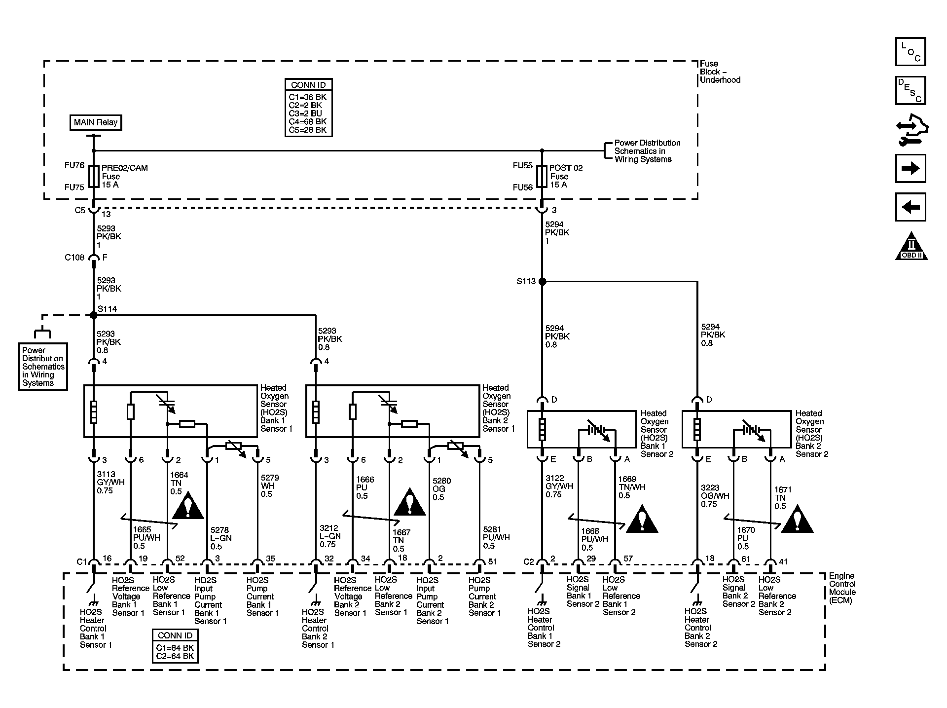
Fig 5: Engine Data Sensors - Oxygen Sensors Schematic
GM1442226Courtesy of GENERAL MOTORS CORP.
Fig 6: Engine Data Sensors Schematic - Throttle Actuator Controls
GM1442227Courtesy of GENERAL MOTORS CORP.
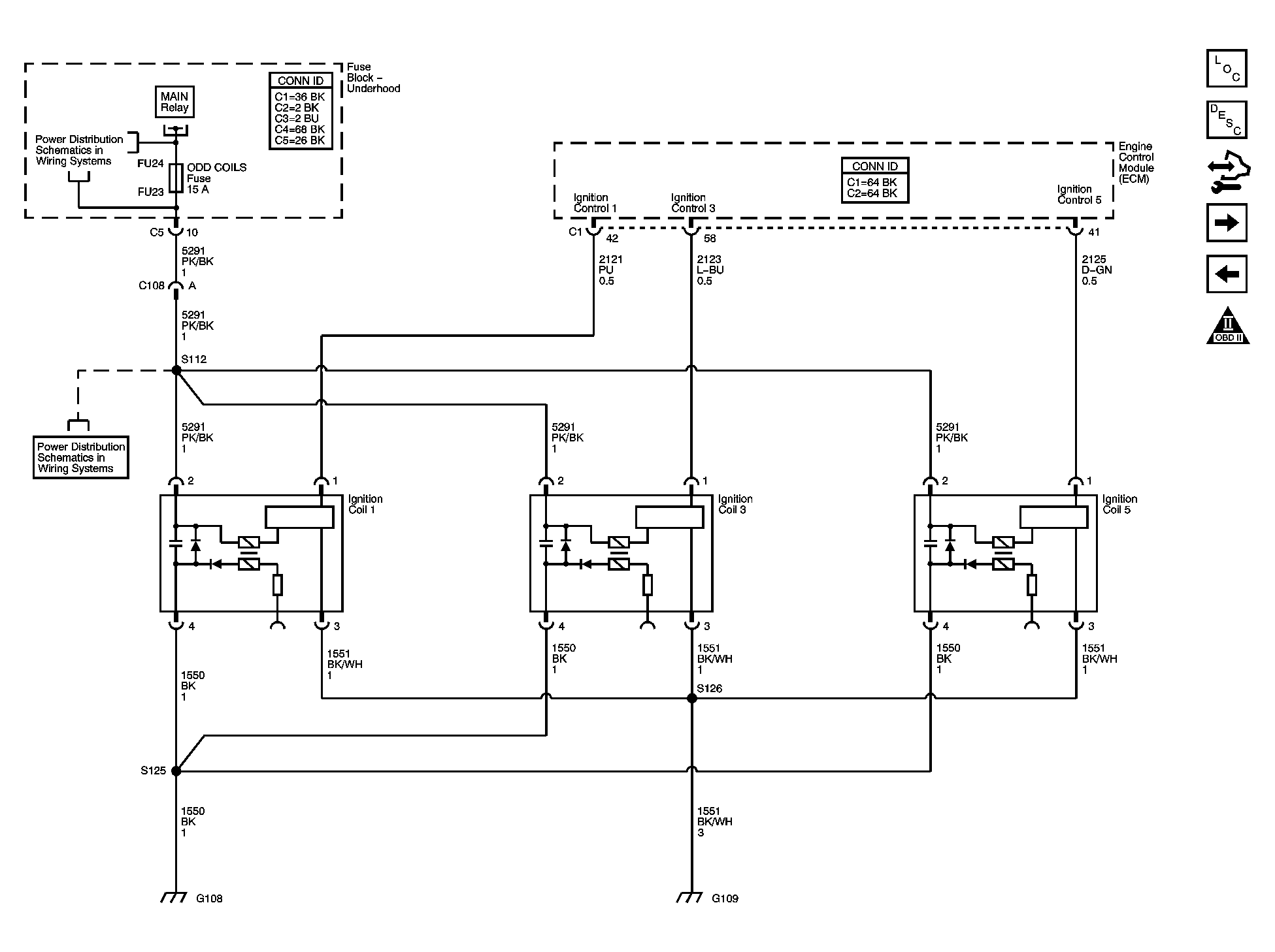
Fig 7: Ignition Controls - Bank 1 Ignition Controls Schematic
GM1442233Courtesy of GENERAL MOTORS CORP.
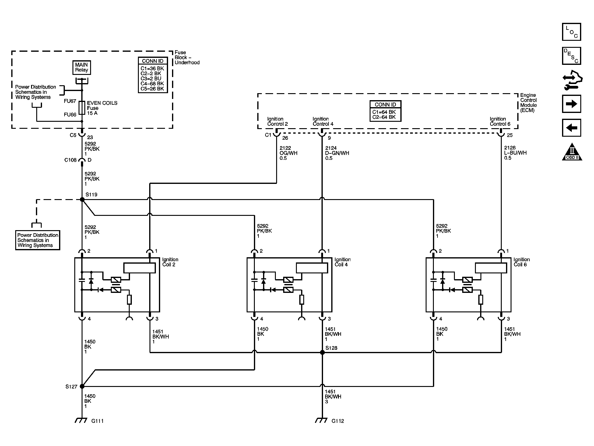
Fig 8: Ignition Controls Schematic - Bank 2 Ignition Coils
GM1442263Courtesy of GENERAL MOTORS CORP.
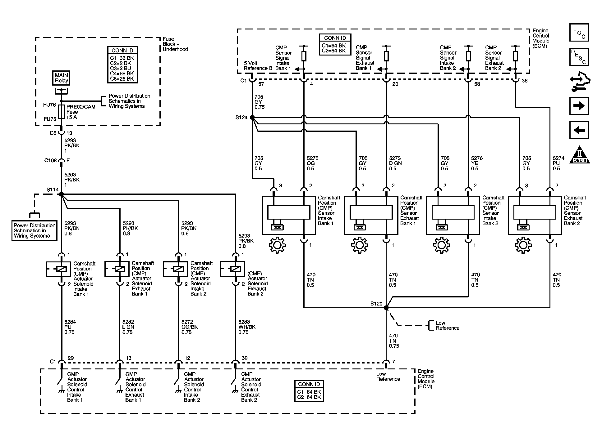
Fig 9: Ignition Controls Schematic - CMP Sensors & Solenoids
GM1442298Courtesy of GENERAL MOTORS CORP.
Fig 10: Ignition Controls Schematic - Engine Speed, CKP & Knock Sensors
GM1442325Courtesy of GENERAL MOTORS CORP.
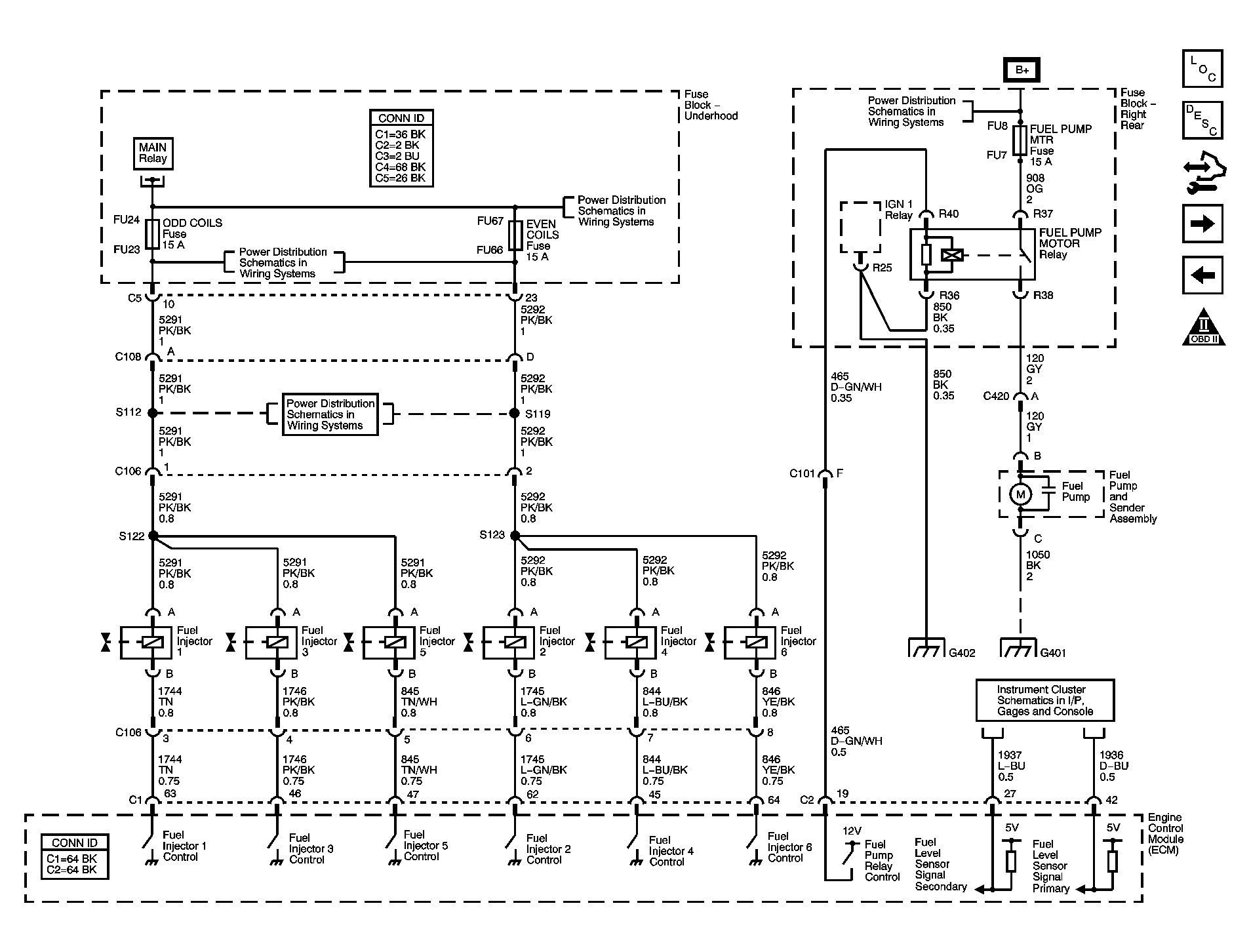
Fig 11: Fuel Controls Schematic - Fuel Pump & Injectors
GM1442341Courtesy of GENERAL MOTORS CORP.
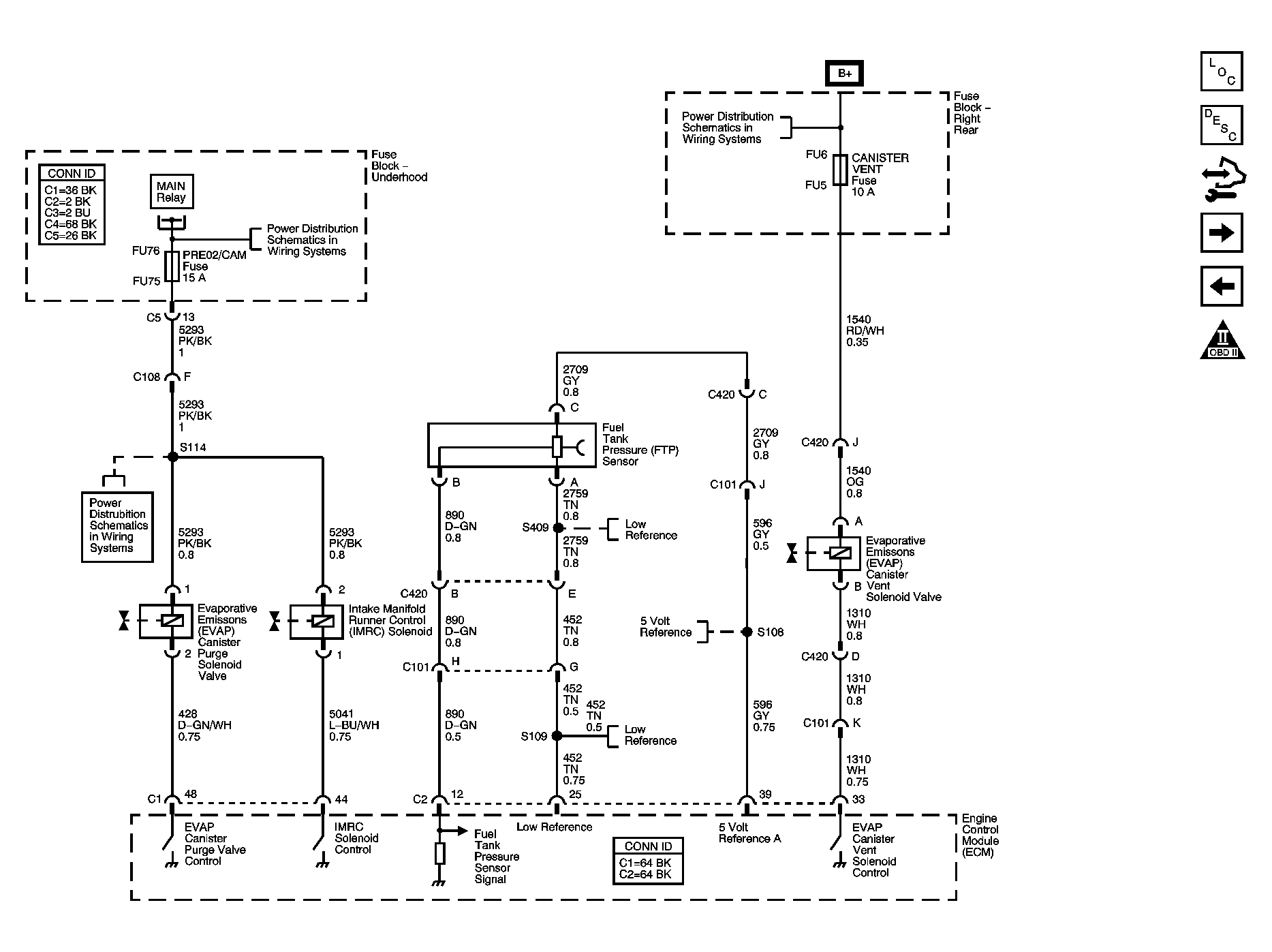
Fig 12: Fuel Controls Schematic - EVAP Controls
GM1442343Courtesy of GENERAL MOTORS CORP.
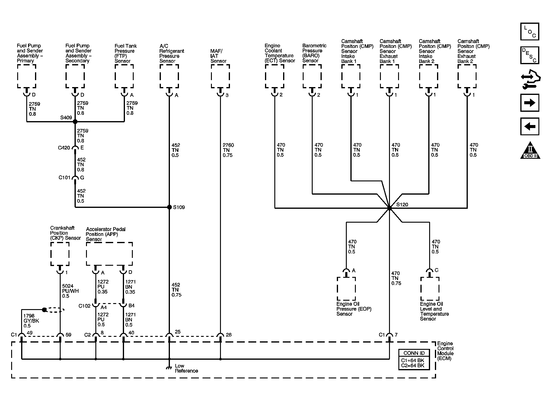
Fig 13: Controlled/Monitored Subsystem References Schematic
GM1442346Courtesy of GENERAL MOTORS CORP.