LEMON Manuals: Even more car manuals for everyone: 1960-2025
Home >> Cadillac >> 2005 >> SRX 4.6 A, AWD >> Repair and Diagnosis >> Engine Performance >> System >> Engine Control System - 4.6L (LH2) - Introduction >> Schematic And Routing Diagrams >> Engine Controls Schematics
April 5, 2026: LEMON Manuals is launched! Read the announcement.

Engine Controls Schematics

Fig 1: Power, Ground, Serial Data & MIL Schematic
GM1427283Courtesy of GENERAL MOTORS CORP.
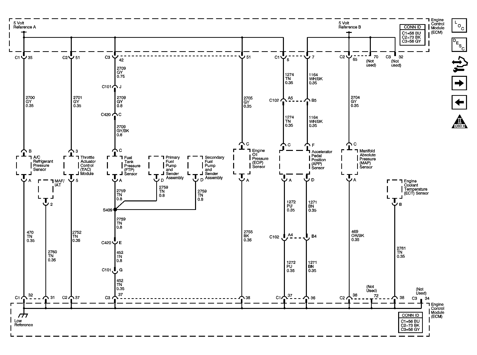
Fig 2: Engine Data Sensors - 5-Volt & Low Reference Schematic
GM1427285Courtesy of GENERAL MOTORS CORP.
Fig 3: Engine Data Sensors - Pressure, Temperature, MAF, VSS & Extended Travel Brake Switch Schematic
GM1427286Courtesy of GENERAL MOTORS CORP.
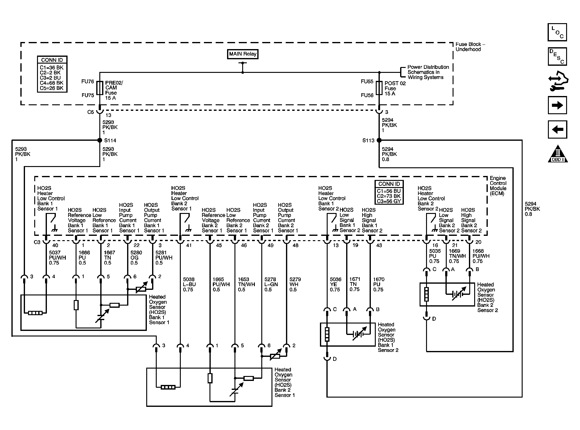
Fig 4: Engine Data Sensors Schematic - Oxygen Sensors
GM1427288Courtesy of GENERAL MOTORS CORP.
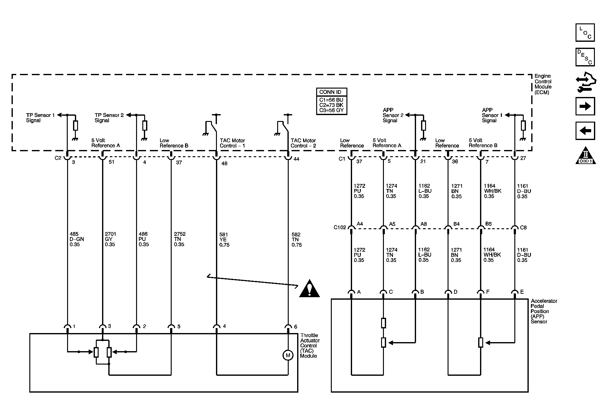
Fig 5: Engine Data Sensors Schematic - Electronic Throttle Controls
GM1427290Courtesy of GENERAL MOTORS CORP.
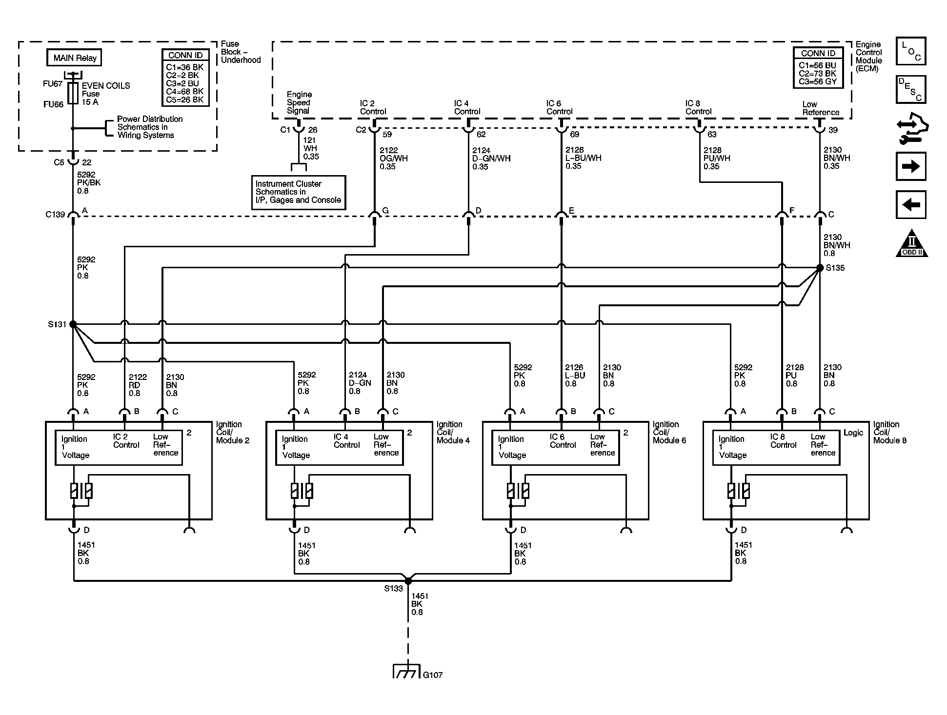
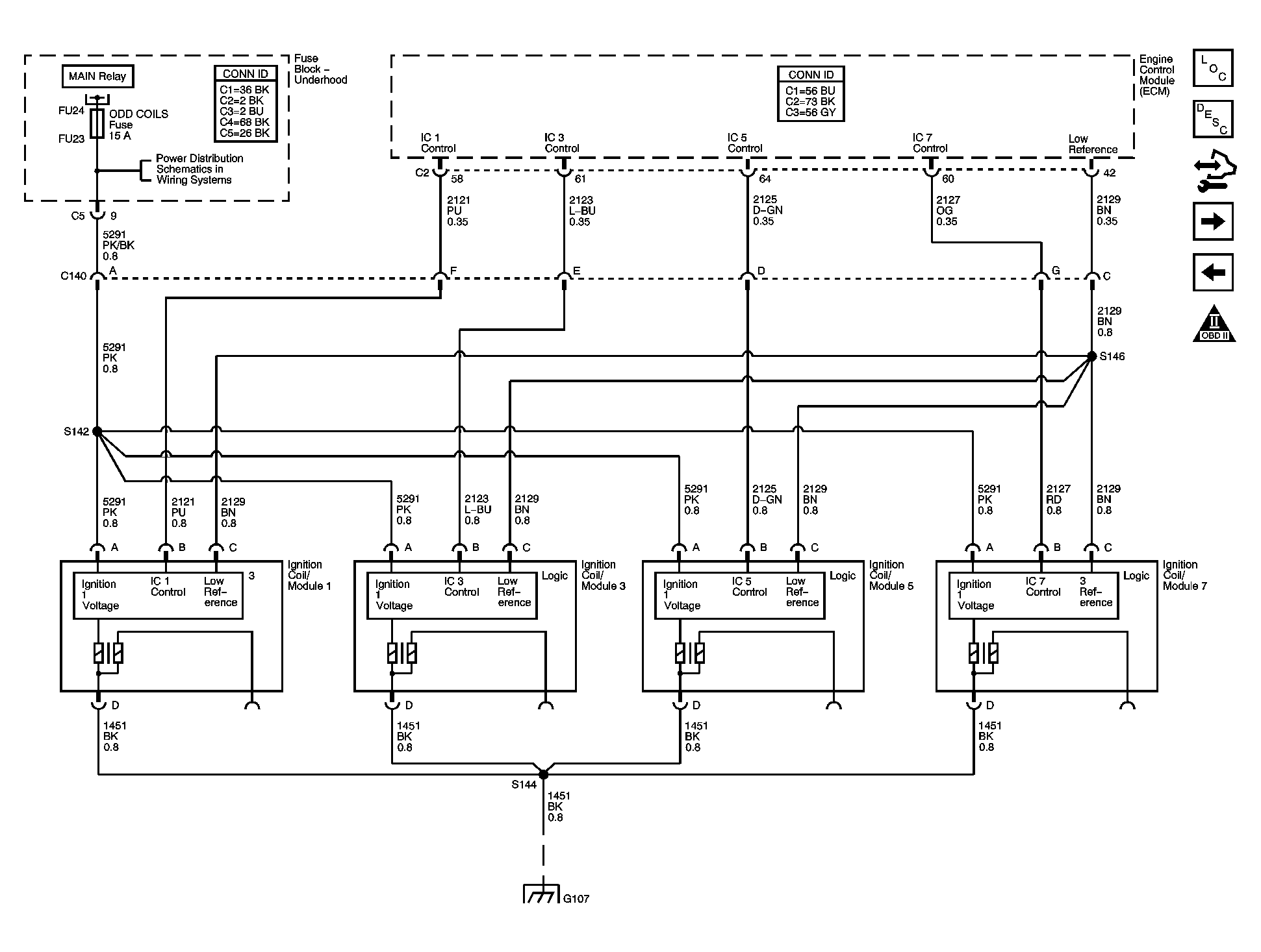
Fig 6: Ignition Controls Schematic - Bank 1 Ignition Coils
GM1427293Courtesy of GENERAL MOTORS CORP.
Fig 7: Ignition Controls Schematic - Bank 2 Ignition Coils
GM1427294Courtesy of GENERAL MOTORS CORP.
Fig 8: Ignition Controls Schematic - CMP Sensors & Solenoids
GM1427295Courtesy of GENERAL MOTORS CORP.
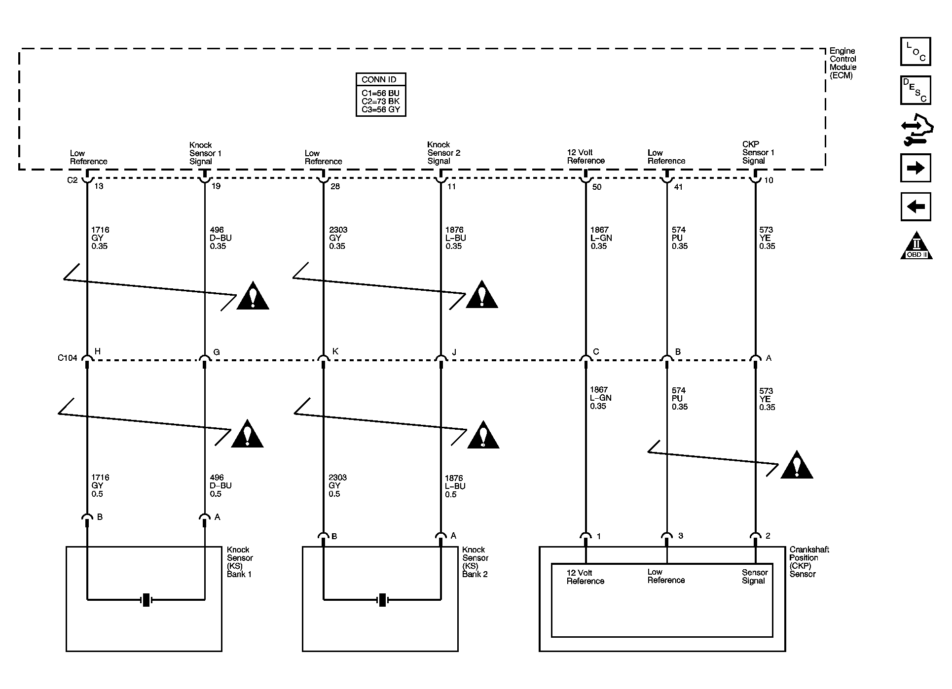
Fig 9: Ignition Controls Schematic - CKP & Knock Sensors
GM1427298Courtesy of GENERAL MOTORS CORP.
Fig 10: Fuel Controls Schematic - Fuel Pump & Injectors
GM1427300Courtesy of GENERAL MOTORS CORP.
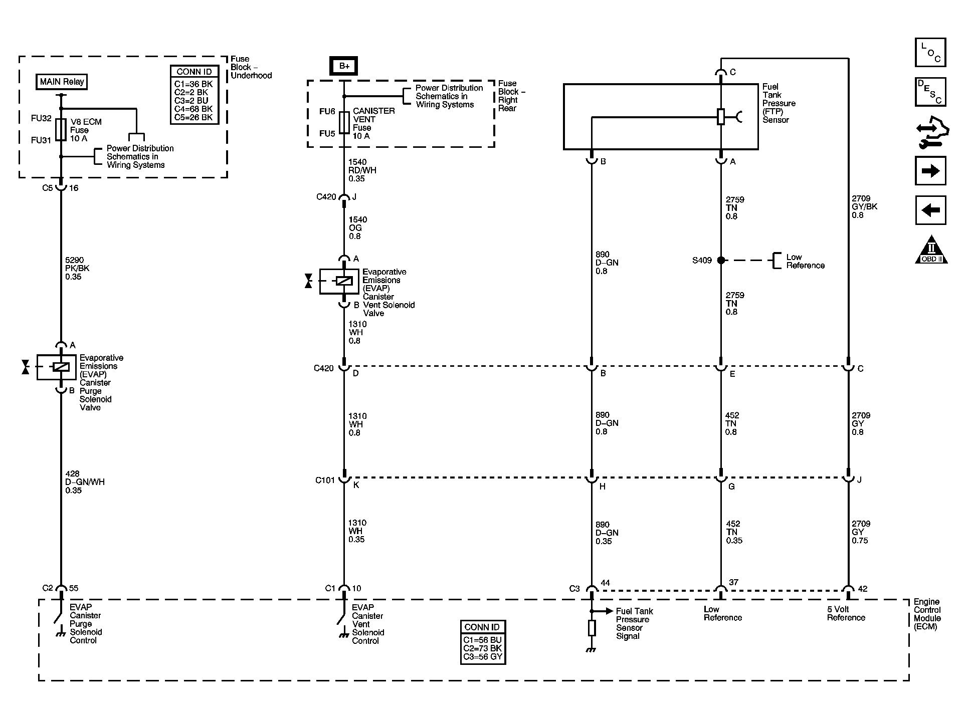
Fig 11: Fuel Controls Schematic - EVAP Controls
GM1427305Courtesy of GENERAL MOTORS CORP.
Fig 12: Controlled/Monitored Subsystem References Schematic
GM1427307Courtesy of GENERAL MOTORS CORP.