LEMON Manuals: Even more car manuals for everyone: 1960-2025
Home >> Cadillac >> 2005 >> STS 3.6 7 >> Repair and Diagnosis >> Engine Performance >> System >> Engine Control System - 3.6L (Ly7) - Introduction >> Schematic and Routing Diagrams >> Engine Controls Schematics
April 5, 2026: LEMON Manuals is launched! Read the announcement.

Engine Controls Schematics

Fig 1: ECM Power, Ground, Serial Data, and MIL Schematics
GM1349796Courtesy of GENERAL MOTORS CORP.
Fig 2: Engine Data Sensors - 5-Volt Reference Bus Schematics
GM1349803Courtesy of GENERAL MOTORS CORP.
Fig 3: Engine Data Sensors - Low Reference Bus Schematics
GM1349807Courtesy of GENERAL MOTORS CORP.
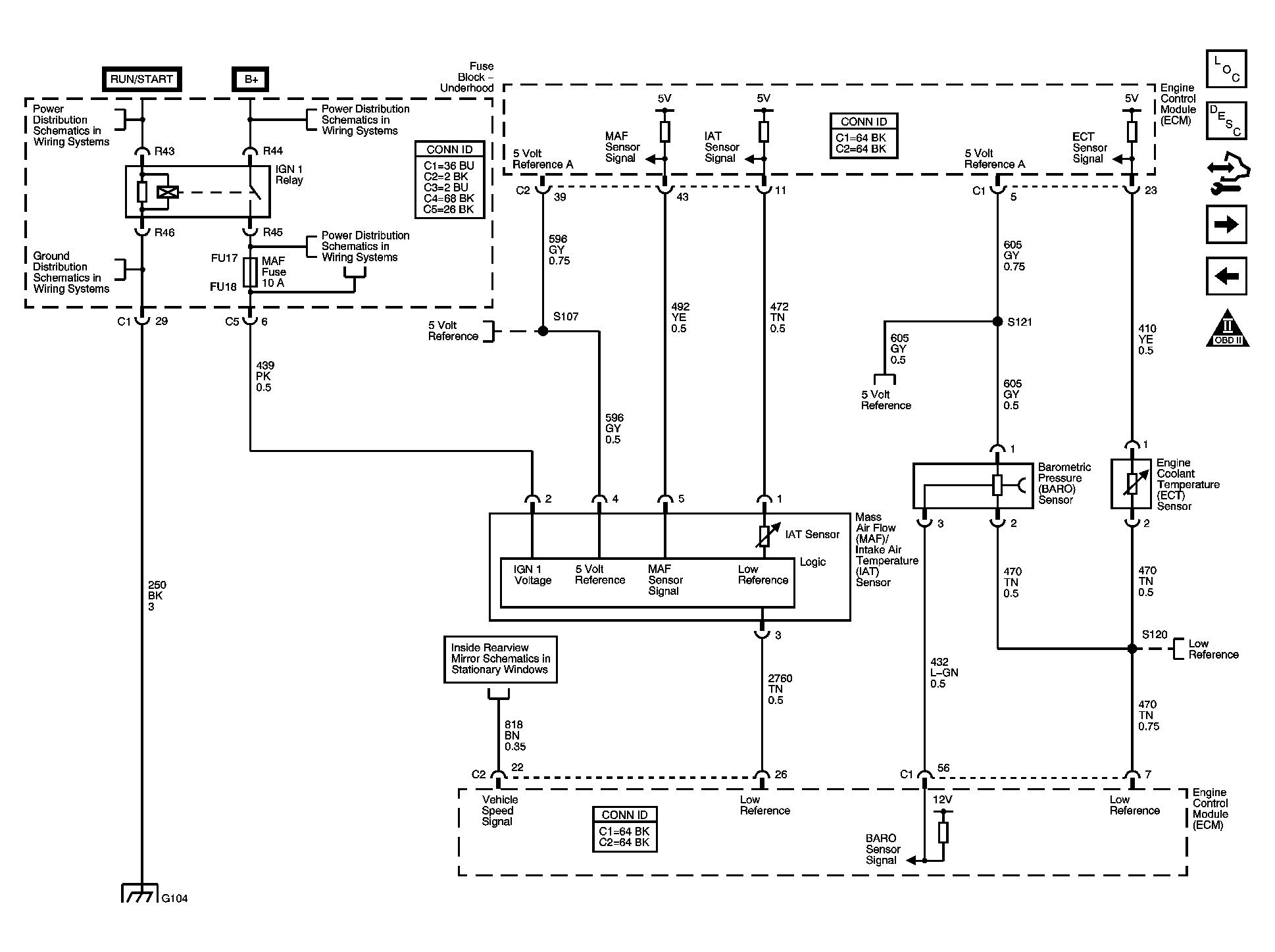
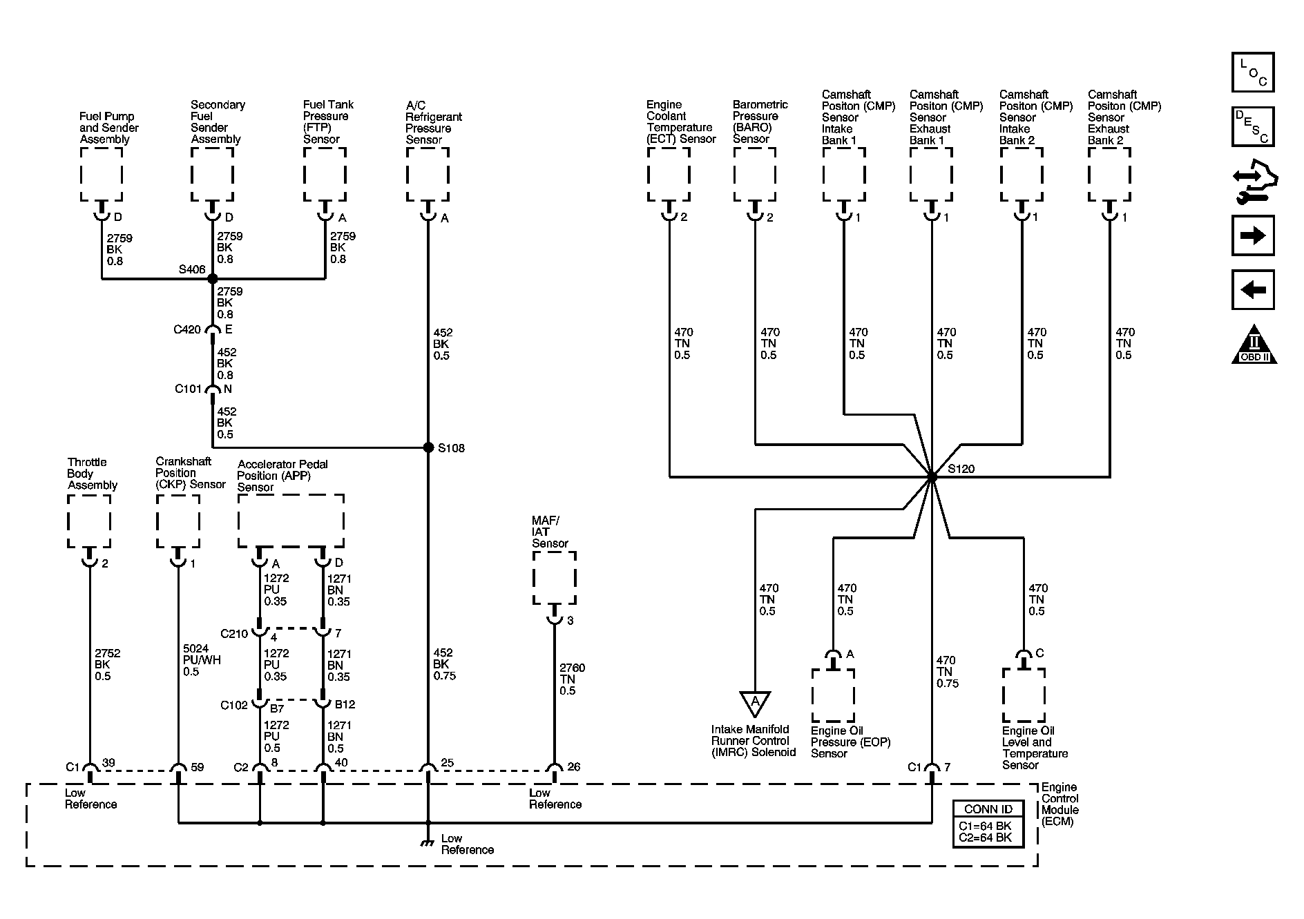
Fig 4: Engine Data Sensors - Pressure, Temperature, MAF, VSS Schematics
GM1349800Courtesy of GENERAL MOTORS CORP.
Fig 5: Engine Data Sensors - Oxygen Sensors Schematics
GM1349815Courtesy of GENERAL MOTORS CORP.
Fig 6: Engine Data Sensors - Electronic Throttle Controls Schematics
GM1349817Courtesy of GENERAL MOTORS CORP.
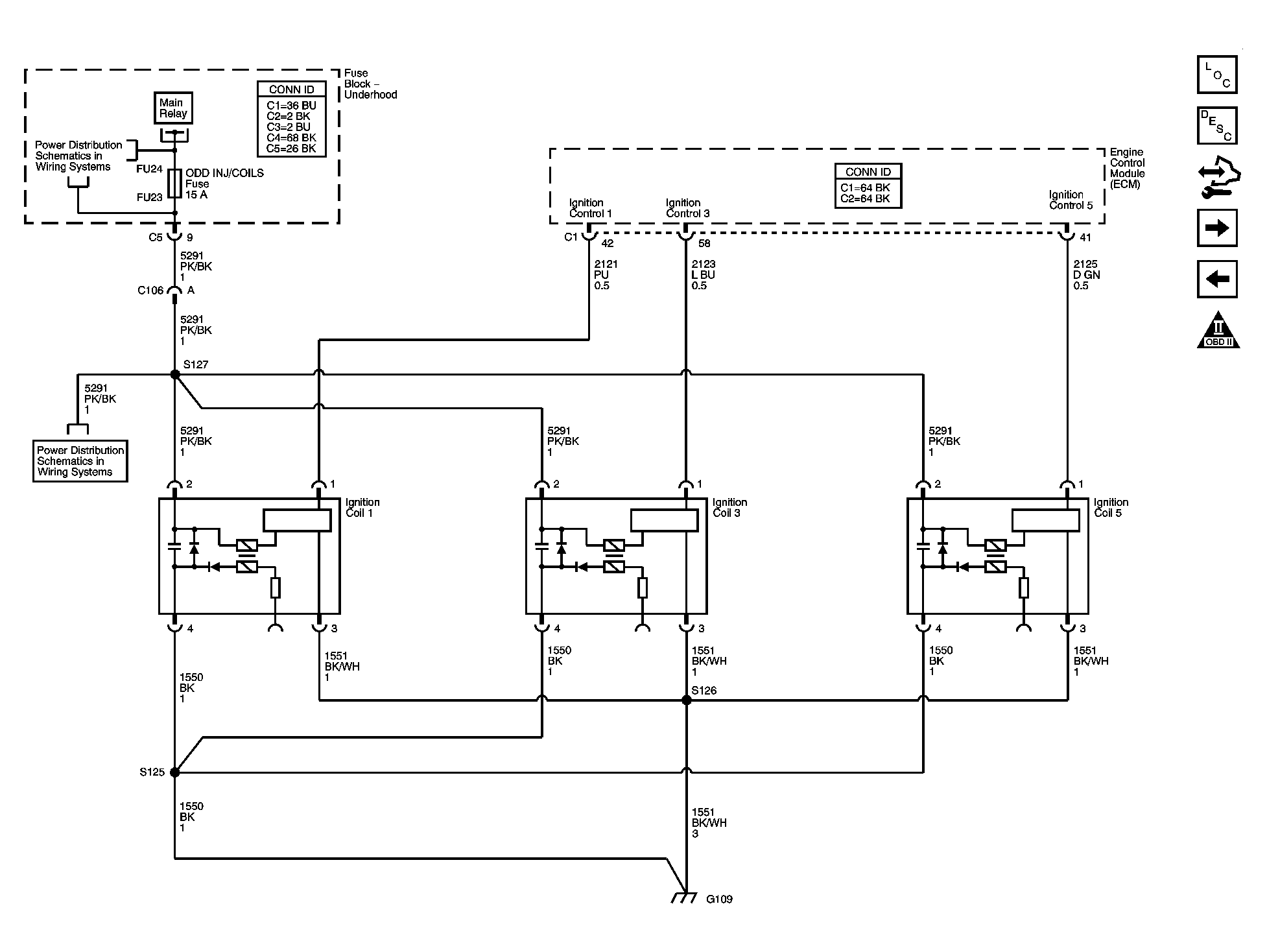
Fig 7: Ignition Controls - Bank 1 Ignition Coils Schematics
GM1349821Courtesy of GENERAL MOTORS CORP.
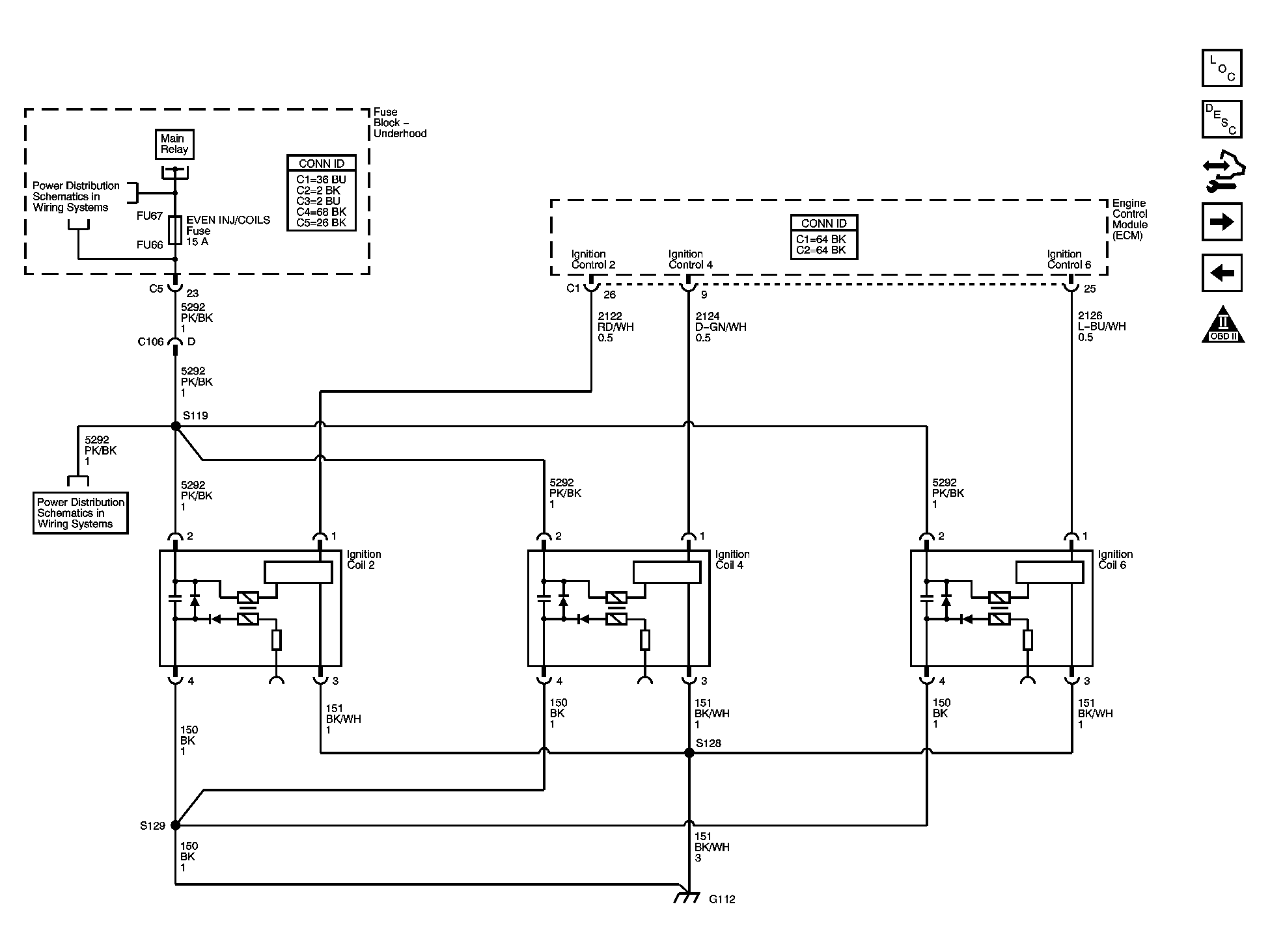
Fig 8: Ignition Controls - Bank 2 Ignition Coils Schematics
GM1349824Courtesy of GENERAL MOTORS CORP.
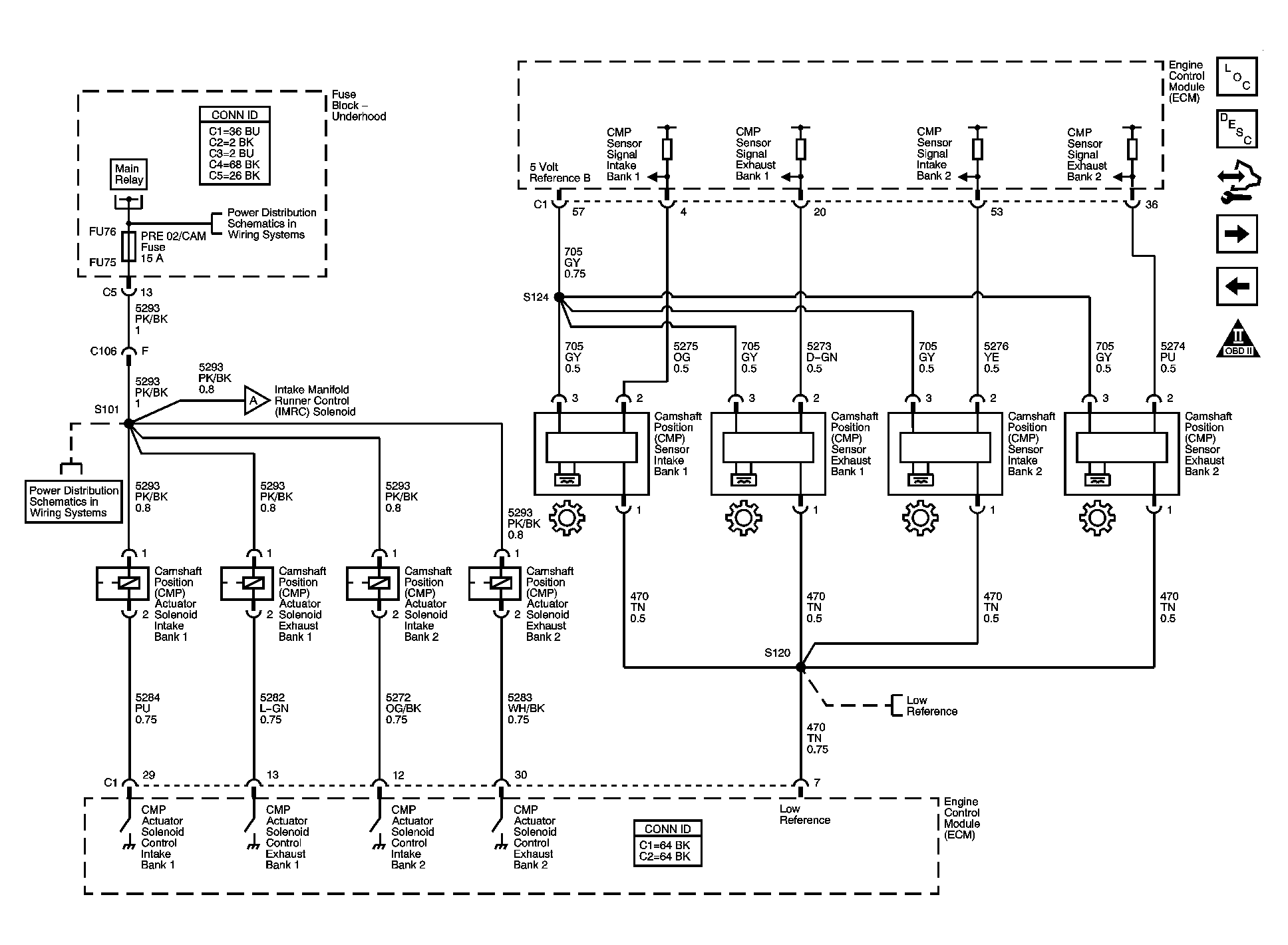
Fig 9: Ignition Controls - CMP Sensors and Solenoids Schematics
GM1349828Courtesy of GENERAL MOTORS CORP.
Fig 10: Ignition Controls - CKP, Knock Sensors and IMRC Solenoid Schematics
GM1349830Courtesy of GENERAL MOTORS CORP.
Fig 11: Fuel Controls - Fuel Pump and Injectors Schematics
GM1349831Courtesy of GENERAL MOTORS CORP.
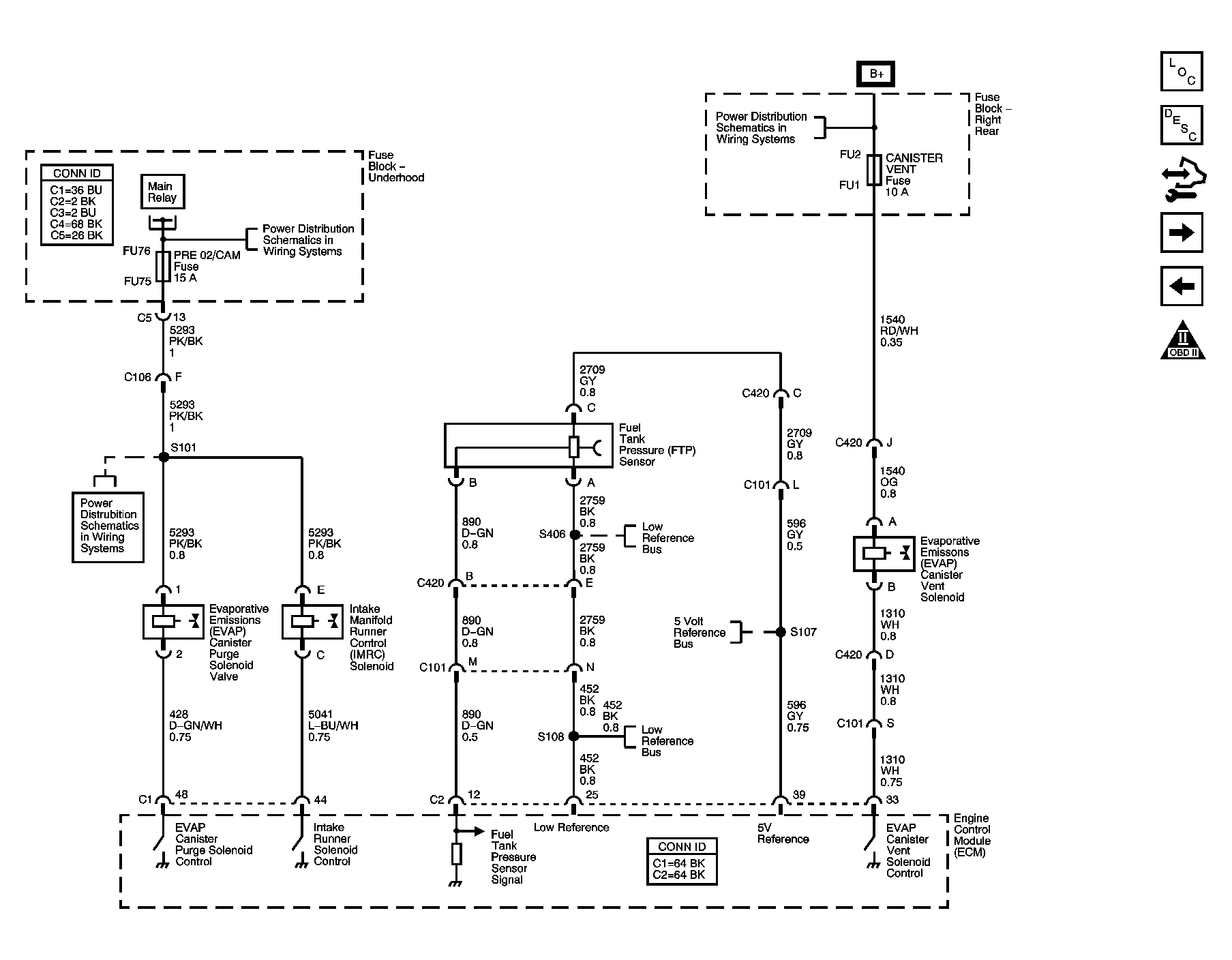
Fig 12: Fuel Controls - EVAP Controls Schematics
GM1349797Courtesy of GENERAL MOTORS CORP.
Fig 13: Controlled/Monitored Subsystem References Schematics
GM1349832Courtesy of GENERAL MOTORS CORP.