LEMON Manuals: Even more car manuals for everyone: 1960-2025
Home >> Cadillac >> 2005 >> STS 4.6 A, AWD >> Repair and Diagnosis >> Engine Performance >> System >> Engine Control System - 4.6L (LH2) - Introduction >> Schematic and Routing Diagrams >> Engine Controls Schematics
April 5, 2026: LEMON Manuals is launched! Read the announcement.

Engine Controls Schematics

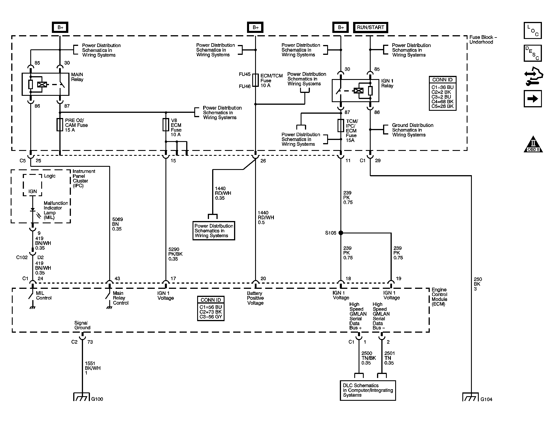
Fig 1: ECM Power, Ground, Serial Data, and MIL Schematics
GM1349788Courtesy of GENERAL MOTORS CORP.
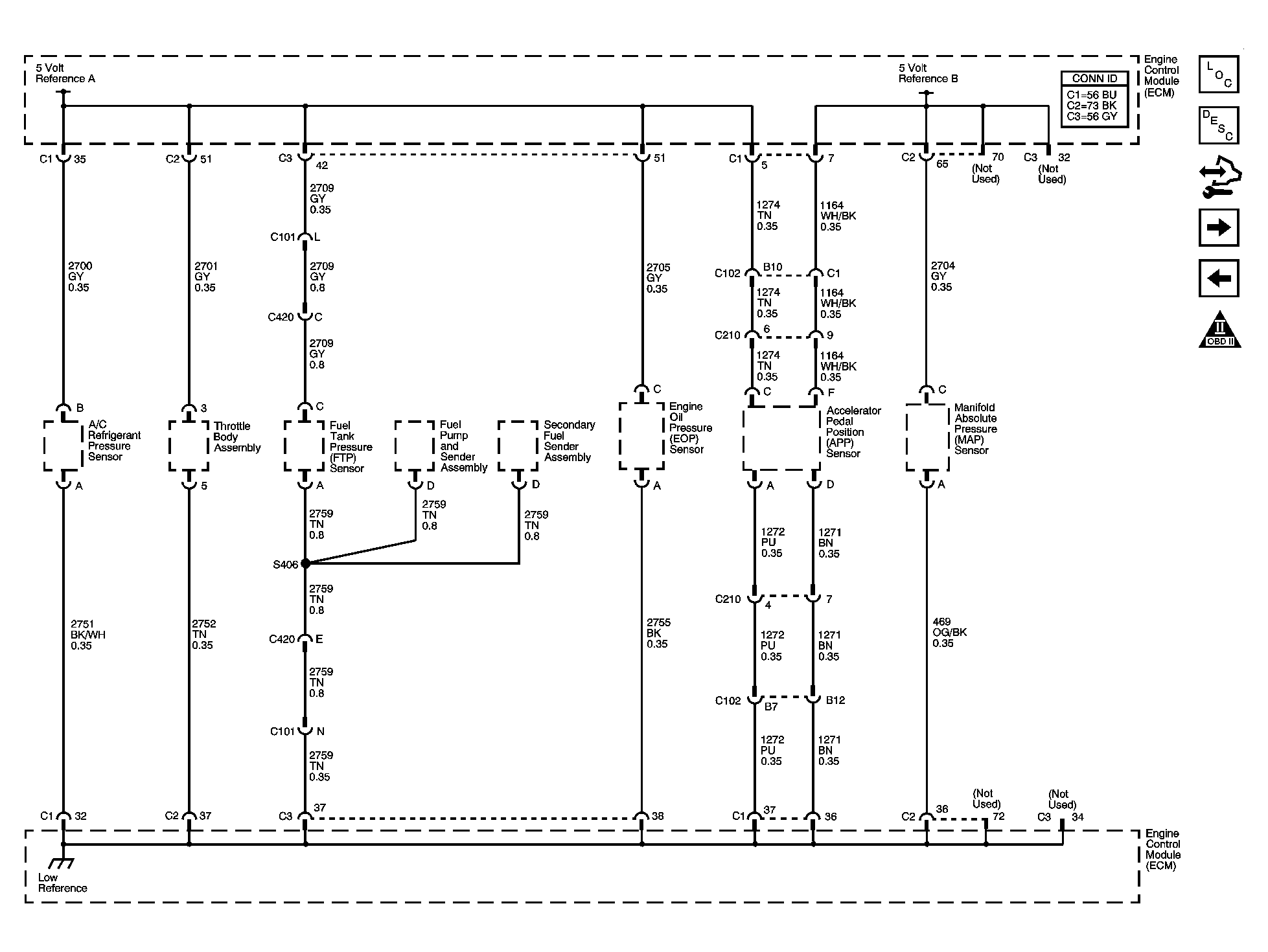
Fig 2: Engine Data Sensors - 5-Volt and Low Reference Schematics
GM1349780Courtesy of GENERAL MOTORS CORP.
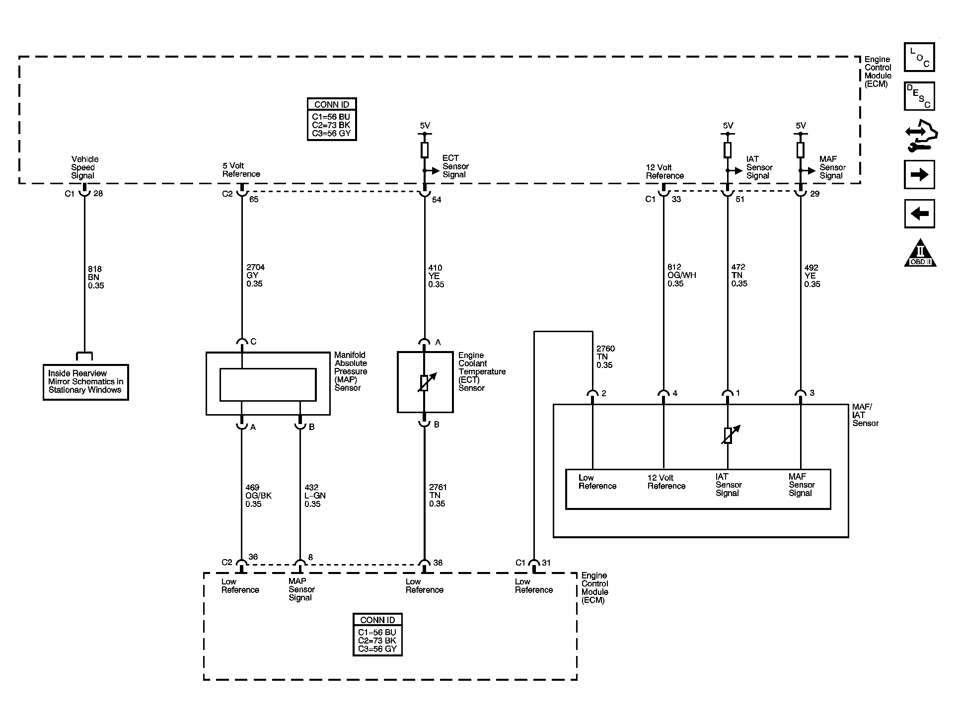
Fig 3: Engine Data Sensors - Pressure, Temperature, MAF, VSS Schematics
GM1349763Courtesy of GENERAL MOTORS CORP.
Fig 4: Engine Data Sensors - Oxygen Sensors Schematics
GM1349759Courtesy of GENERAL MOTORS CORP.
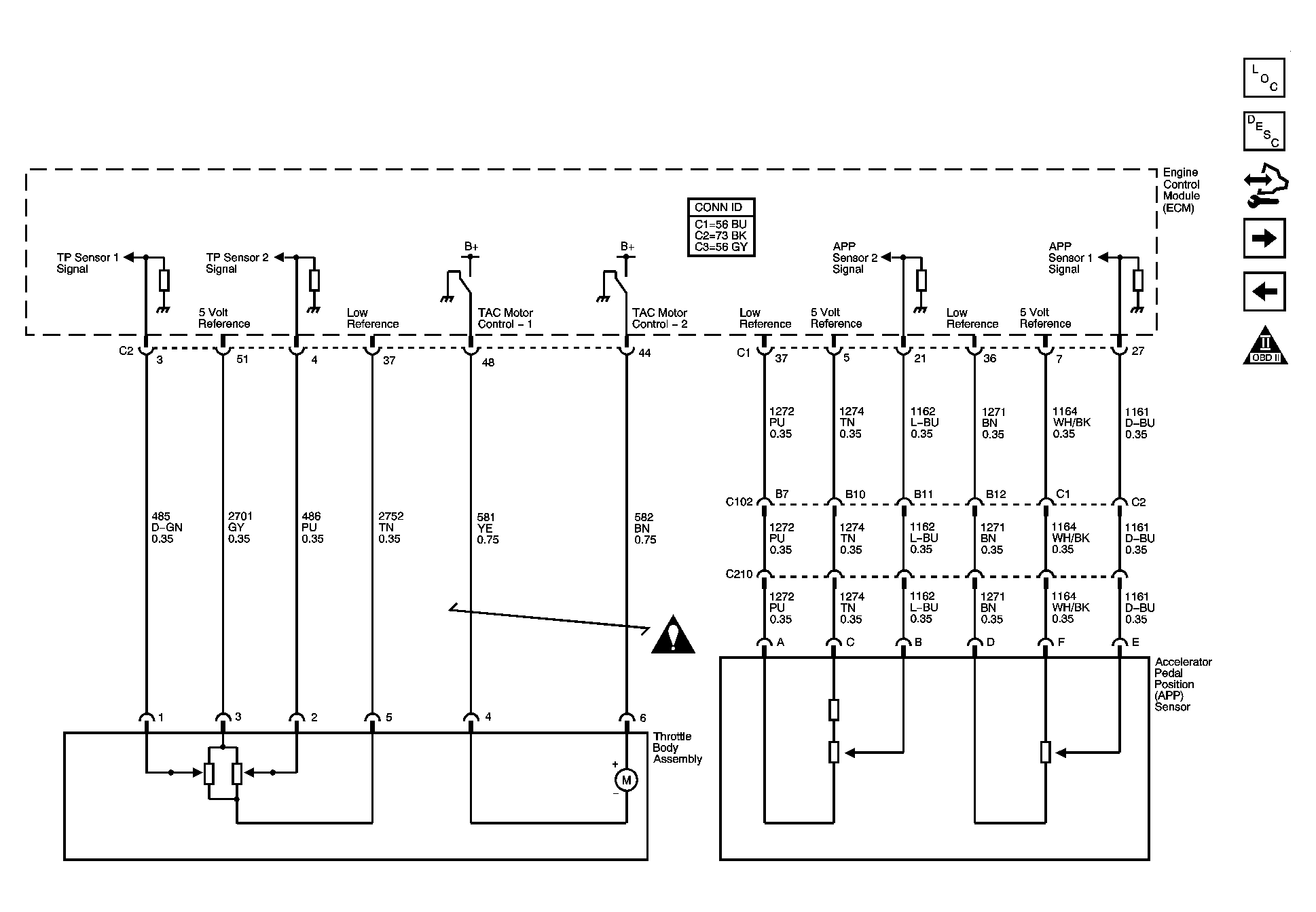
Fig 5: Engine Data Sensors - Electronic Throttle Controls Schematics
GM1349793Courtesy of GENERAL MOTORS CORP.
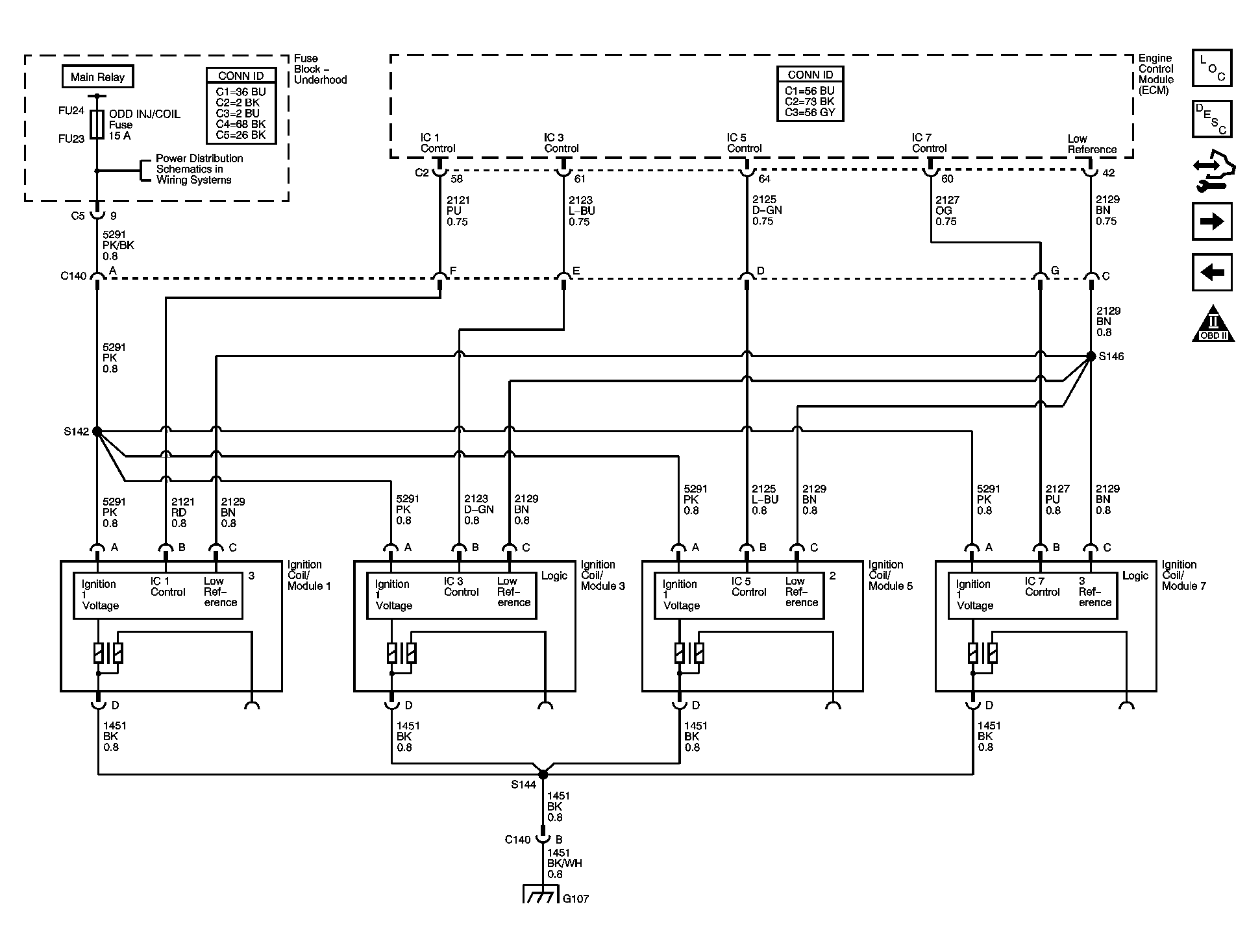
Fig 6: Ignition Controls - Ignition System Bank 1 Schematics
GM1349784Courtesy of GENERAL MOTORS CORP.
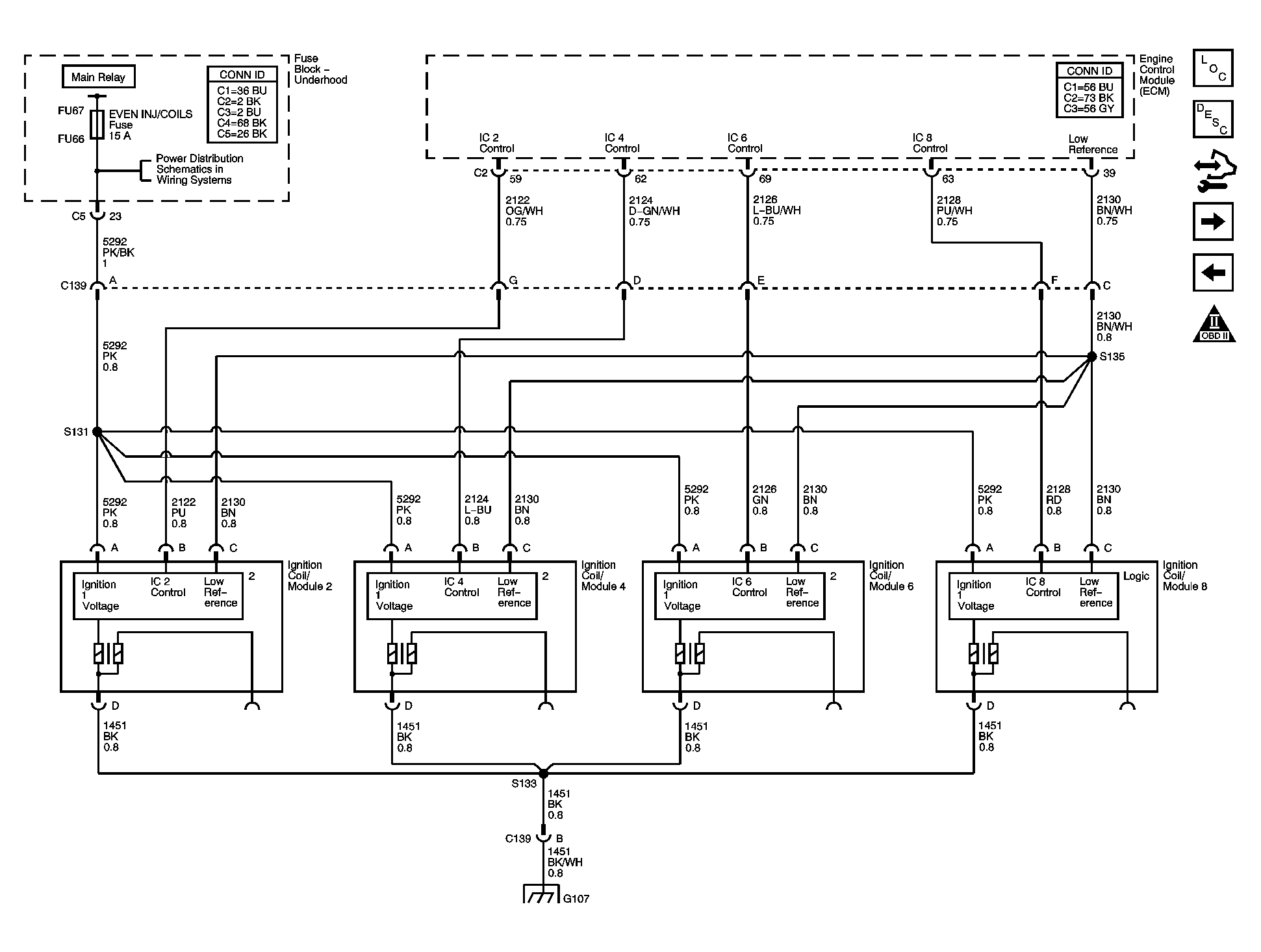
Fig 7: Ignition Controls - Ignition System Bank 2 Schematics
GM1349754Courtesy of GENERAL MOTORS CORP.
Fig 8: Ignition Controls - CMP Sensors and Solenoids Schematics
GM1349786Courtesy of GENERAL MOTORS CORP.
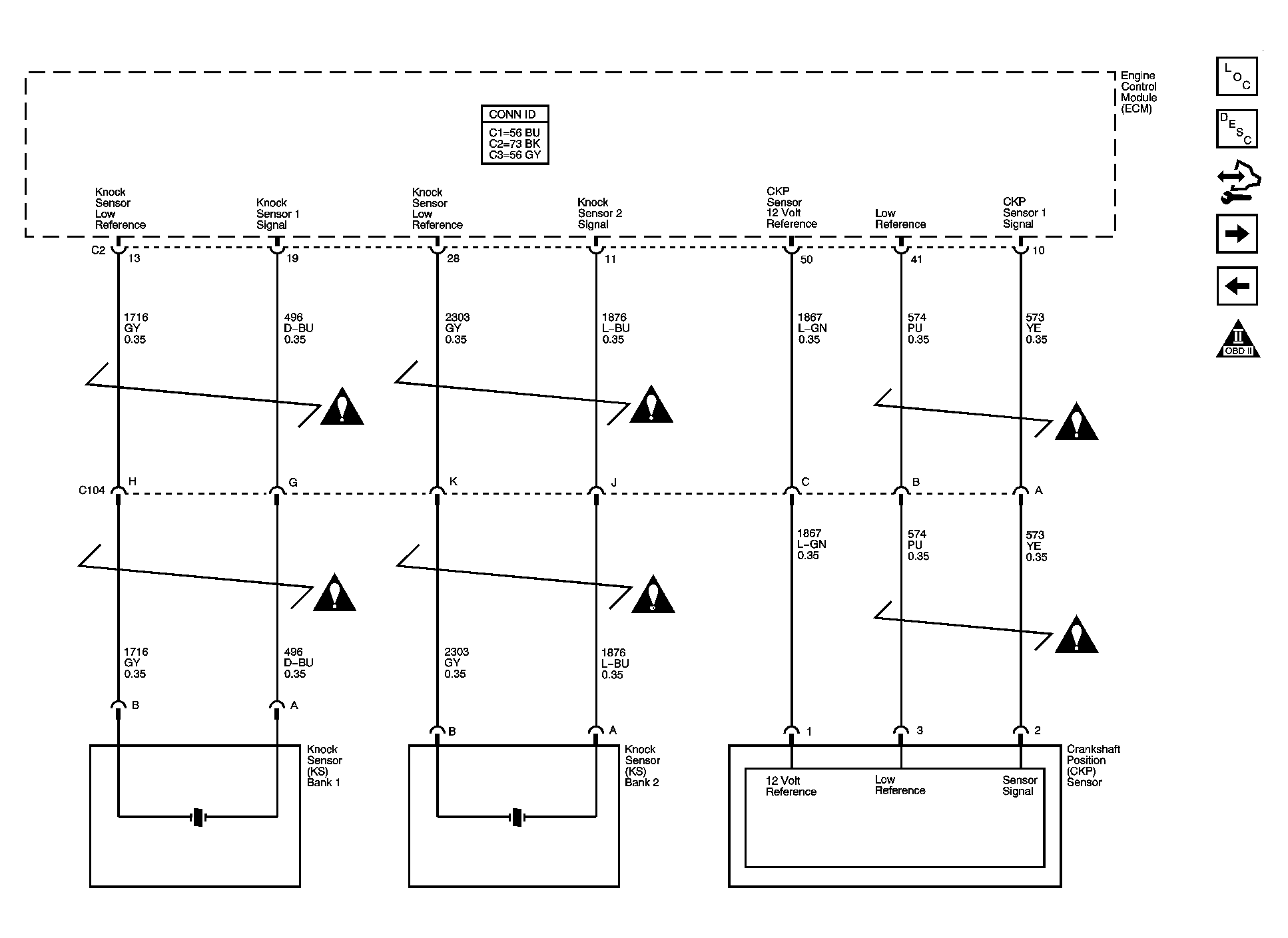
Fig 9: Crankshaft Position (CKP) Sensor and Knock Sensors Schematics
GM1349792Courtesy of GENERAL MOTORS CORP.
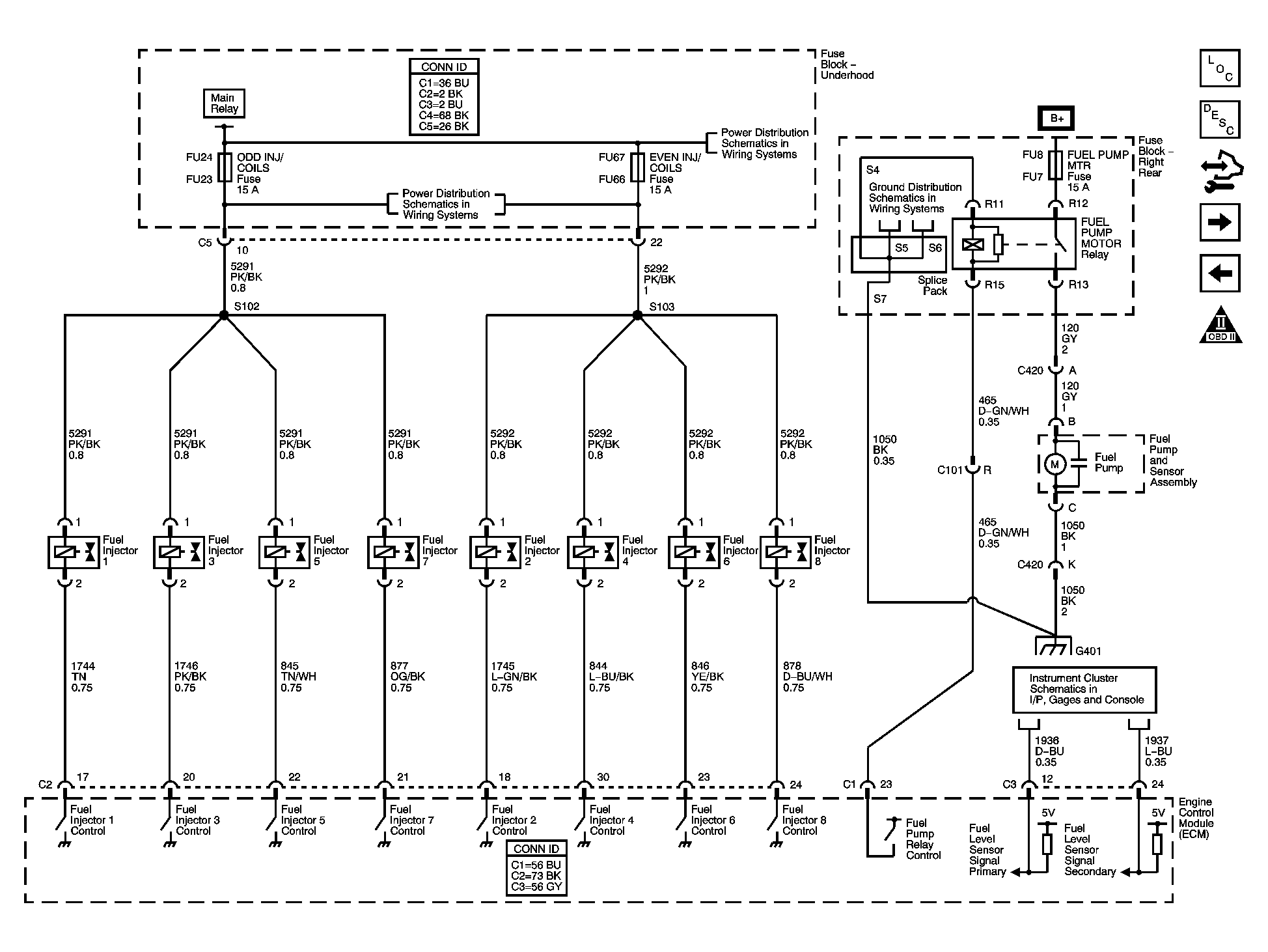
Fig 10: Fuel Controls - Injectors and Pump Schematics
GM1349734Courtesy of GENERAL MOTORS CORP.
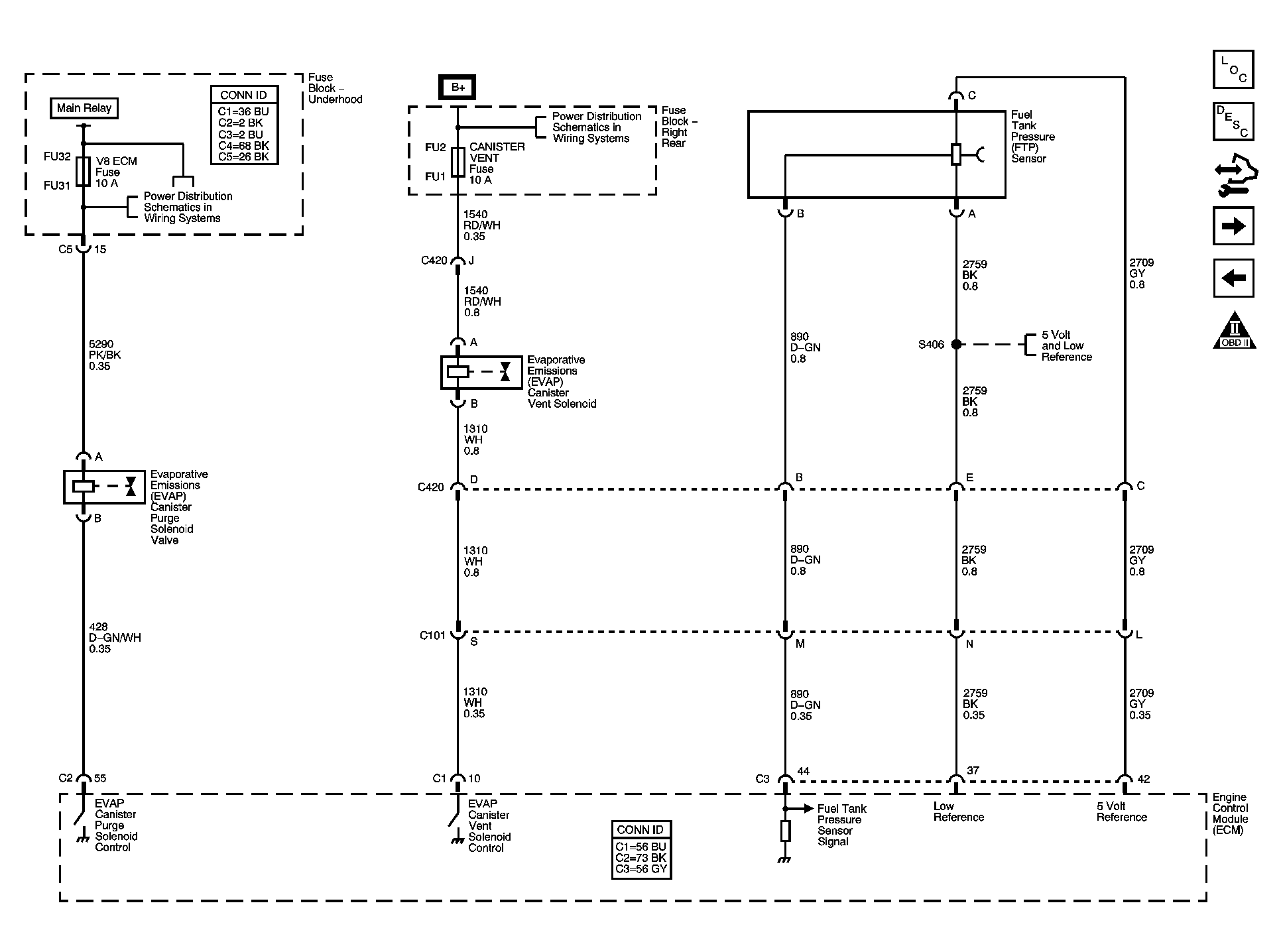
Fig 11: Fuel Controls - EVAP and Fuel Tank Pressure (FTP) Sensor Schematics
GM1349791Courtesy of GENERAL MOTORS CORP.
Fig 12: Controlled/Monitored Subsystem References Schematics
GM1349795Courtesy of GENERAL MOTORS CORP.