LEMON Manuals: Even more car manuals for everyone: 1960-2025
Home >> Cadillac >> 2005 >> STS 4.6 A, AWD >> Repair and Diagnosis >> Transmission >> Automatic Trans >> Shift Interlock System >> Schematic and Routing Diagrams >> Automatic Transmission Shift Lock Control Schematics
April 5, 2026: LEMON Manuals is launched! Read the announcement.

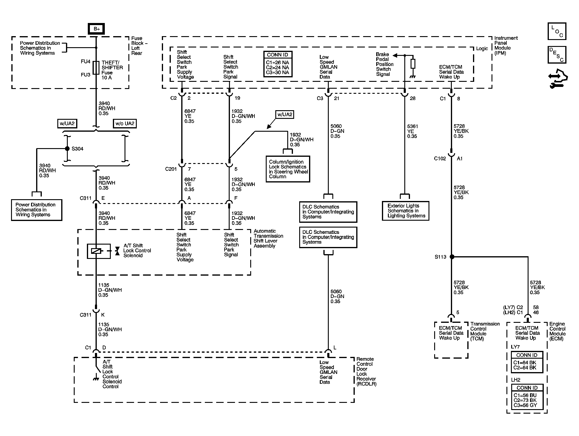
Automatic Transmission Shift Lock Control Schematics

Fig 1: Automatic Transmission Shift Lock Control Schematics
GM1349913Courtesy of GENERAL MOTORS CORP.