LEMON Manuals: Even more car manuals for everyone: 1960-2025
Home >> Cadillac >> 2005 >> STS V6-3.6L VIN 7 >> Repair and Diagnosis >> Relays and Modules >> Relays and Modules - Powertrain Management >> Relays and Modules - Computers and Control Systems >> Body Control Module >> Diagrams >> Electrical Diagrams >> Body Control System Diagrams
April 5, 2026: LEMON Manuals is launched! Read the announcement.

Body Control System Diagrams



Body Control System Diagram 1:




Body Control System Diagram 2:




Body Control System Diagram 3:




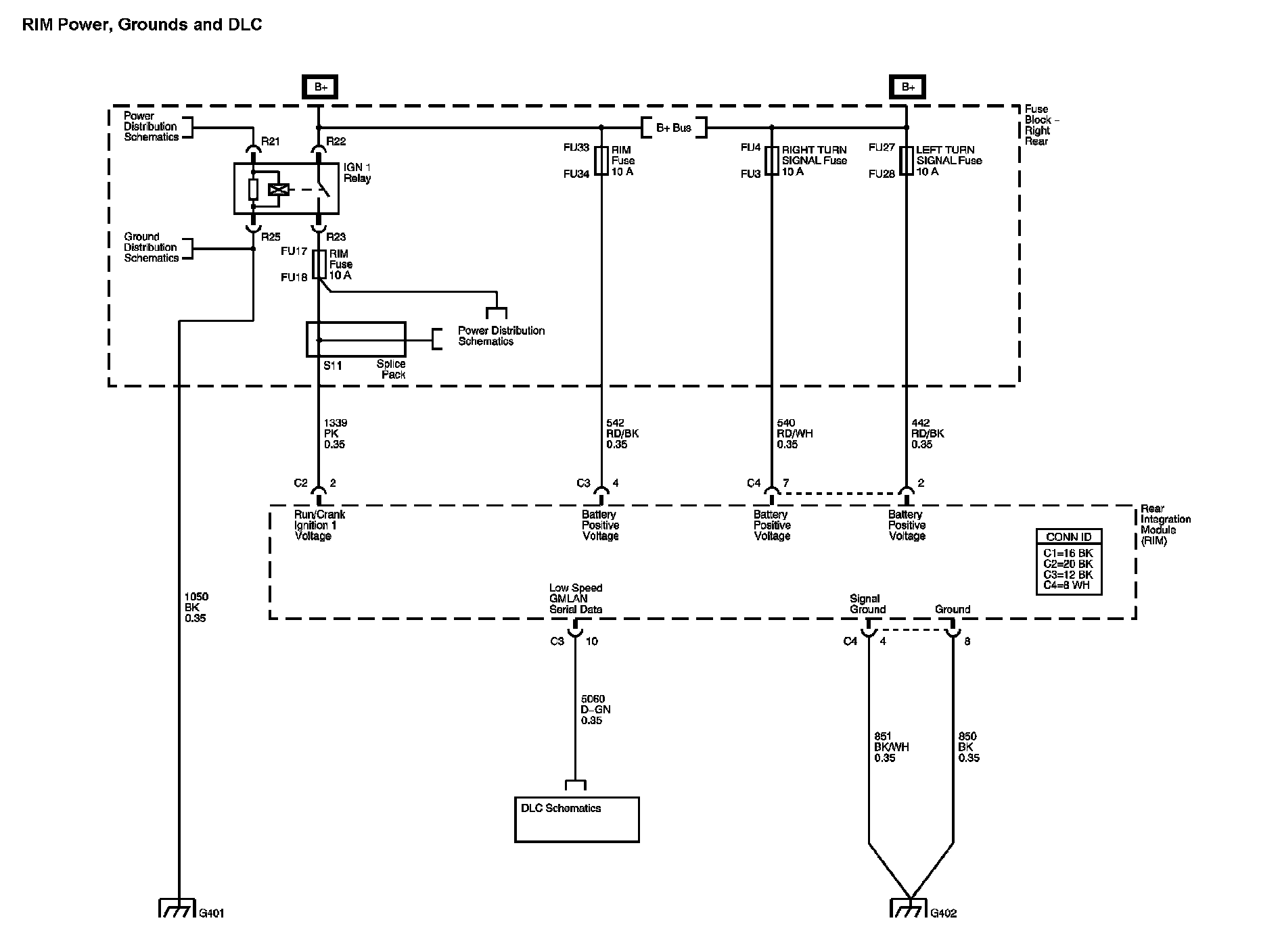
Body Control System Diagram 4:




Body Control System Diagram 5:




Body Control System Diagram 6:






Location: The locations for the Connectors, Grounds, Splices, and grommets shown within these diagrams can be found via their numbers at vehicle locations. Locations