LEMON Manuals: Even more car manuals for everyone: 1960-2025
Home >> Cadillac >> 2006 >> CTS V6-2.8L >> Repair and Diagnosis >> Diagrams >> Electrical Diagrams >> Powertrain Management >> Computers and Control Systems >> Body Control Module >> Body Control System Diagrams
April 5, 2026: LEMON Manuals is launched! Read the announcement.

Body Control System Diagrams



Body Control System Diagram 1:




Body Control System Diagram 2:




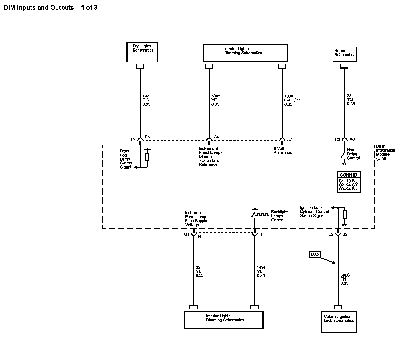
Body Control System Diagram 3 (1 Of 3):




Body Control System Diagram 3 (2 Of 3):




Body Control System Diagram 3 (3 Of 3):




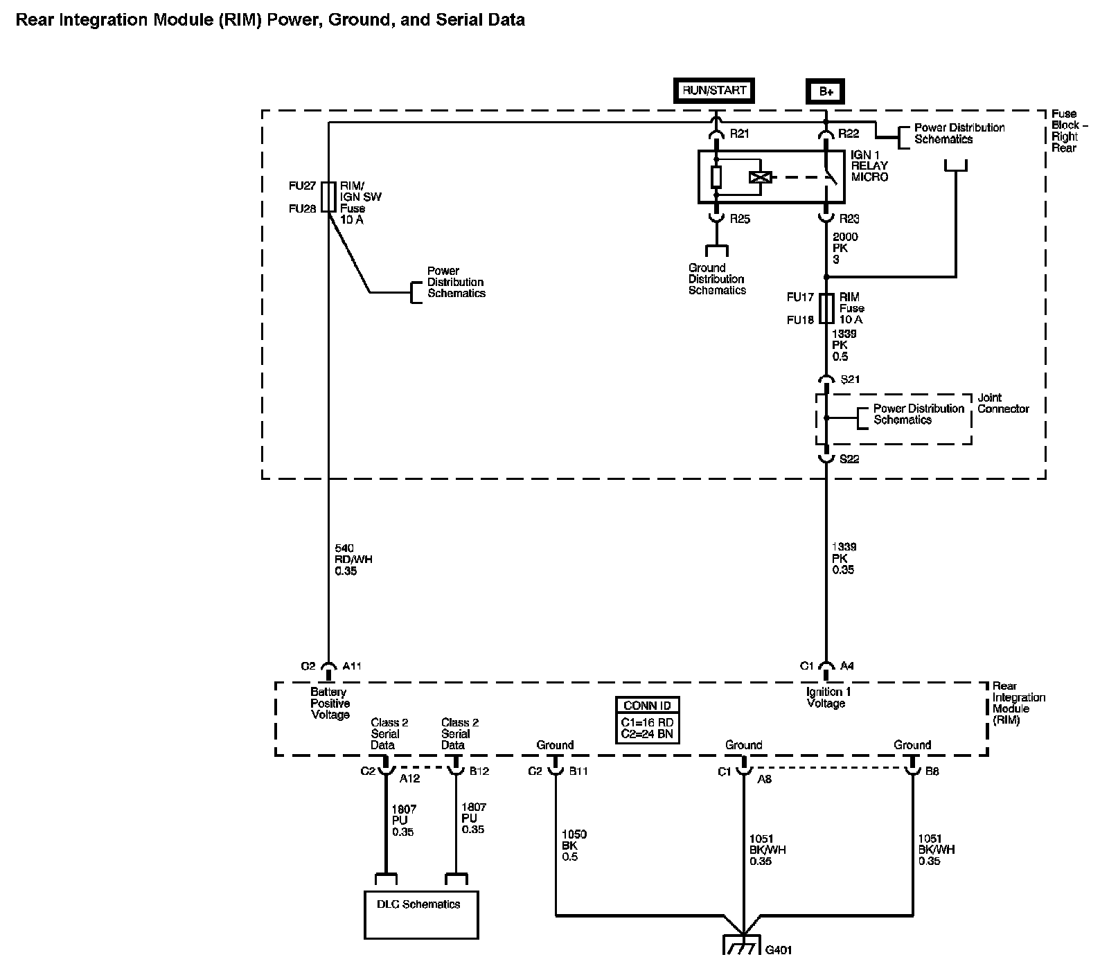
Body Control System Diagram 4:




Body Control System Diagram 5 (1 Of 2):




Body Control System Diagram 5 (2 Of 2):






Location: The locations for the Connectors, Grounds, Splices, and Grommets shown within these diagrams can be found via their numbers at Vehicle Locations. Locations